전자기기기능사(2015. 7. 19.) 시험일자 : 2015년 7월 19일
1과목 : 전기전자공학
1. 전류와 전압이 비례 관계를 갖는 법칙은?
- ① 키르히호프의 법칙
- ② 줄의 법칙
- ③ 렌츠의 법칙
- ④ 옴의 법칙
등록된 댓글이 없습니다.
2. 그림(a)의 회로에서 출력전압 V2와 입력전압 V1과의 비와 주파수의 관계를 조사하면 그림(b)와 같을 경우에 저역차단주파수 fL은?

- ①

- ②

- ③

- ④

등록된 댓글이 없습니다.
3. 다음 중 정현파 발진기가 아닌 것은?
- ① LC 반결합 발진기
- ② CR 발진기
- ③ 멀티바이브레이터
- ④ 수정발진기
등록된 댓글이 없습니다.
4. 단측파대(single side band) 통신에 사용되는 변조 회로는?
- ① 컬렉터 변조회로
- ② 베이스 변조회로
- ③ 주파수 변조회로
- ④ 링 변조회로
등록된 댓글이 없습니다.
5. 평활회로에서 리플률을 줄이는 방법은?
- ① R과 C를 작게 한다.
- ② R과 C를 크게 한다.
- ③ R을 크게, C를 작게 한다.
- ④ R을 적게, C를 크게 한다.
등록된 댓글이 없습니다.
6. 실리콘 제어 정류기(SCR)의 게이트는 어떤 형의 반도체인가?
- ① N형 반도체
- ② P형 반도체
- ③ PN형 반도체
- ④ NP형 반도체
등록된 댓글이 없습니다.
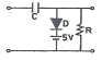
7. 다음 회로의 설명 중 틀린 것은?

- ① 음 클램프 회로이다.
- ② 입력 펄스의 파형이 상승 시 다이오드가 동작한다.
- ③ C가 충전되는 동안 저항(R)값은 무한대이다.
- ④ 입력 펄스 파형이 하강 시 C가 충전된다.
등록된 댓글이 없습니다.
8. 슈미트 트리거(schmitt trigger) 회로는?
- ① 톱니파 발생회로
- ② 계단파 발생회로
- ③ 구형파 발생회로
- ④ 삼각파 발생회로
등록된 댓글이 없습니다.
9. 베이스 접지 시 전류증폭률이 0.89인 트랜지스터를 이미터 접지회로에 사용할 때 전류증폭률은?
- ① 8.1
- ② 6.9
- ③ 0.99
- ④ 0.89
등록된 댓글이 없습니다.
10. 전계 효과 트랜지스터(FET)에 대한 설명으로 틀린 것은?
- ① BJT보다 잡음특성이 양호하다.
- ② 소수 반송자에 의한 전류 제어형이다.
- ③ 접합형의 입력저항은 MOS형보다 낮다.
- ④ BJT보다 온도 변화에 따른 안정성이높다.
등록된 댓글이 없습니다.
11. 회로의 전원 VS가 최대 전력을 전달하기 위한 부하 저항 RL의 값은?

- ① 25[Ω]
- ② 50[Ω]
- ③ 75[Ω]
- ④ 100[Ω]
등록된 댓글이 없습니다.
12. 쌍안정 멀티바이브레이터에 관한 설명으로 틀린 것은?
- ① 부궤환을 하는 2단 비동조 증폭회로로 구성된다.
- ② 능동소자로 트랜지스터나 IC가 주로 이용된다.
- ③ 플립플롭회로도 일종의 쌍안정 멀티바이브레이터이다.
- ④ 입력 트리거 펄스 2개마다 1개의 출력펄스가 얻어지는 회로이다.
등록된 댓글이 없습니다.
13. 연산증폭기의 응용회로가 아닌 것은?
- ① 멀티플렉서
- ② 미분기
- ③ 가산기
- ④ 적분기
등록된 댓글이 없습니다.
14. PLL회로에서 전압의 변화를 주파수로 변화하는 회로를 무엇이라 하는가?
- ① 공진 회로
- ② 신시사이저 회로
- ③ 슈미트 트리거 회로
- ④ 전압제어 발진기(VCO)
등록된 댓글이 없습니다.
15. 전압 증폭도가 30[dB]와 50[dB]인 증폭기를 직렬로 연결시켰을 때 종합이득은?
- ① 20
- ② 80
- ③ 1500
- ④ 10000
등록된 댓글이 없습니다.
16. 이상적인 다이오드를 사용하여 그림에 나타낸 기능을 수행할 수 있는 클램프회로를 만들 수 있는 것은? (단, Vi = 입력파형, V0 = 출력파형이다.)

- ①

- ②

- ③

- ④

등록된 댓글이 없습니다.
2과목 : 전자계산기일반
17. 논리식 와 같은 기능을 갖는 논리식은?
- ① AㆍB
- ② A + B
- ③ A – B
- ④ B
등록된 댓글이 없습니다.
18. 반도체 기반 저장장치가 아닌 것은?
- ① Solid State Drive
- ② MicroSD
- ③ Floppy Disk
- ④ Compact Flash
등록된 댓글이 없습니다.
19. ALU(Arithmetic and Logical Unit)의 기능은?
- ① 산술연산 및 논리연산
- ② 데이터의 기억
- ③ 명령 내용의 해석 및 실행
- ④ 연산 결과의 기억될 주소 산출
등록된 댓글이 없습니다.
20. 데이터를 스택에 일시 저장하거나 스택으로부터 데이터를 불러내는 명령은?
- ① STORE/LOAD
- ② ENQUEUE/DEQUEUE
- ③ PUSH/POP
- ④ INPUT/OUTPUT
등록된 댓글이 없습니다.
21. 2n개의 입력 중에 선택 입력 n개를 입력하여 하나의 정보를 출력하는 조합회로는?
- ① 디코더
- ② 인코더
- ③ 멀티플렉서
- ④ 디멀티플렉서
등록된 댓글이 없습니다.
22. 2진수 10111을 그레이 코드(Gray Code)로 변환하면 그 결과는?
- ① 11101
- ② 11110
- ③ 11100
- ④ 10110
등록된 댓글이 없습니다.
23. 어셈블리어(Assembly Language)의 설명 중 틀린 것은?
- ① 기호 언어(Symbolic Language)라고도 한다.
- ② 번역프로그램으로 컴파일러(Compiler)를 사용한다.
- ③ 기종 간에 호환성이 적어 전문가들만 주로 사용한다.
- ④ 기계어를 단순히 기호화한 기계 중심 언어이다.
등록된 댓글이 없습니다.
24. 16진수 1B7을 10진수로 변환하면?
- ① 339
- ② 340
- ③ 438
- ④ 439
등록된 댓글이 없습니다.
25. R/W, Reset, INT와 같은 신호는 마이크로컴퓨터의 어느 부분에 내장되어 있는가?
- ① 주변 I/O 버스
- ② 제어 버스
- ③ 주소 버스
- ④ 자료 버스
등록된 댓글이 없습니다.
26. 여러 하드디스크 드라이브를 하나의 저장장치처럼 사용 가능하게 하는 기술은?
- ① CD-ROM
- ② SCSI
- ③ EIDE
- ④ RAID
등록된 댓글이 없습니다.
27. 기억장치의 계층 구조에서 캐시 메모리(cache memory)가 위치하는 곳은?
- ① 입력장치와 출력장치 사이
- ② 주기억장치와 보조기억장치 사이
- ③ 중앙처리장치와 보조기억장치 사이
- ④ 중앙처리장치와 주기억장치 사이
등록된 댓글이 없습니다.
28. C언어에서 사용되는 관계 연산자가 아닌 것은?
- ① =
- ② !=
- ③ >
- ④ <=
등록된 댓글이 없습니다.
29. 다음 설명에 가장 알맞은 계기의 명칭은?

- ① 가동코일형 계기
- ② 전압계형 계기
- ③ 가동철판형 계기
- ④ 유도형 계기
등록된 댓글이 없습니다.
30. 수신기의 감도를 올리기 위하여 사용되고, 신호대 잡음비 및 선택도의 향상에 도움이 되는 회로는?
- ① 검파회로
- ② 고주파 증폭회로
- ③ 주파수 변환회로
- ④ 중간주파 증폭회로
등록된 댓글이 없습니다.
3과목 : 전자측정
31. 60[Hz]의 주파수와 8[Vp-p]의 직사각형파를 입력공급 전압으로 사용하는 표시기는?
- ① LED 표시기
- ② LCD 표시기
- ③ 디지털 표시관
- ④ 브라운관
등록된 댓글이 없습니다.
32. 출력 임피던스가 50[Ω]인 표준 신호 발생기의 출력 레벨을 40[dB]에 고정시키고 50[Ω]의 임피던스를 가진 부하를 연결하였을 때, 부하 양단의 단자 전압은?
- ① 50[㎶]
- ② 100[㎶]
- ③ 150[㎶]
- ④ 200[㎶]
등록된 댓글이 없습니다.
33. 자동평형 기록기에서 직류 입력 전압을 교류로 바꾸는 장치로서 기계적인 부분이 없으므로 수명이 긴 것은?(오류 신고가 접수된 문제입니다. 반드시 정답과 해설을 확인하시기 바랍니다.)
- ① 초퍼
- ② 서보 모터
- ③ 자기 변조기
- ④ 자기 초퍼
등록된 댓글이 없습니다.
34. 다음 중 회로 시험기를 사용할 때 극성을 구분해서 측정해야 하는 것은?
- ① 저항
- ② 교류전압
- ③ 직류전압
- ④ 통전시험
등록된 댓글이 없습니다.
35. 오실로스코프의 X축에 미지 신호를 가하고, Y축에 100[Hz]의 신호를 가했더니 그림과 같은 리사주 도형이 얻어졌을 때, 미지 주파수는?

- ① 50[Hz]
- ② 100[Hz]
- ③ 150[Hz]
- ④ 200[Hz]
등록된 댓글이 없습니다.
36. 주파수 측정 브리지의 일종일 때, 어떤 종류의 브리지인가? (단, M : 상호 인덕턴스)

- ① 빈 브리지(Wien bridge)
- ② 공진 브리지(Resonance bridge)
- ③ 캠벨 브리지(Campbell bridge)
- ④ 휘트스톤 브리지(Wheatstone bridge)
등록된 댓글이 없습니다.
37. 다음과 같이 브라운관 회로의 블록 다이어그램을 나타내었을 때, 빈 칸에 들어갈 알맞은 것은?

- ① 톱니파 발생기
- ② 정현파 발생기
- ③ 구형파 발생기
- ④ 직류 발생기
등록된 댓글이 없습니다.
38. 다음 빈 브리지(Wien Bridge) 회로에서 R2를 구하면?

- ①

- ②

- ③

- ④

등록된 댓글이 없습니다.
39. 가청주파수 측정에 사용되는 주파수계에 해당되지 않는 것은?
- ① 주파수 브리지
- ② 헤테로다인 파장계
- ③ 오실로스코프
- ④ 흡수형 주파수계
등록된 댓글이 없습니다.
40. 측정범위의 확대를 위한 장치에 대한연결로 틀린 것은?
- ① 변류기 - 교류전류
- ② 배율기 - 직류전압
- ③ 분류기 - 직류전류
- ④ 계기용 변압기 - 교류전류
등록된 댓글이 없습니다.
41. 심장의 박동에 따르는 혈관의 맥동 상태를 측정하고 기록하는 의용 전자기기는?
- ① 맥파계(sphygmograph)
- ② 근전계(electromyograph)
- ③ 심음계(phono cardiograph)
- ④ 심전계(electrocardiograh)
등록된 댓글이 없습니다.
42. 반도체의 성질을 가지고 있는 물질(형광체를 포함)에 전장을 가하였을 때 생기는 현상은?
- ① 광전 효과
- ② 줄 효과
- ③ 전장 발광
- ④ 톰슨 효과
등록된 댓글이 없습니다.
43. VTP로 기록된 테이프를 재생할 때 VHF출력의 채널은?
- ① 2~3ch
- ② 3~4ch
- ③ 4~5ch
- ④ 1~2ch
등록된 댓글이 없습니다.
44. 다음 제어요소의 동작 중 연속동작이 아닌 것은?
- ① D 동작
- ② ON-OFF 동작
- ③ P+D 동작
- ④ P+I 동작
등록된 댓글이 없습니다.
45. 야기(YAGI) 안테나의 특성에 대한 설명으로 옳지 않은 것은?
- ① 소자수가 많을수록 이득이 증가하고 지향성이 예민해진다.
- ② 소자수가 많을수록 반사기나 도파기에 의한 영향으로 안테나 급전검 임피던스가 저하된다.
- ③ 도파기는 투사기보다 짧게 하여 용량성으로 동작한다.
- ④ 반사기는 투사기보다 짧게 하여 용량성으로 동작한다.
등록된 댓글이 없습니다.
46. 원통형 도체를 유도가열할 때 주파수를 높게 하여 가열하면 맴돌이 전류밀도는 어떻게 되는가?
- ① 축의 위치에서 가장 크다.
- ② 표면에 가까워질수록 작아진다.
- ③ 단면 전체가 거의 같다.
- ④ 표면에 가까워질수록 커진다.
등록된 댓글이 없습니다.
4과목 : 전자기기 및 음향영상기기
47. 자기녹음기에서 테이프를 일정한 속도로 구동시키기 위한 금속 롤러는?
- ① 핀치 롤러
- ② 캡스턴 롤러
- ③ 릴 축
- ④ 이아들러
등록된 댓글이 없습니다.
48. 방송국으로부터 직접파와 반사파가 수상될 때 수상되는 시간 차이로 인하여 다중상이 생기는 현상을 무엇이라 하는가?
- ① 고스트(ghost)
- ② 글로스(gloss)
- ③ 그라데이션(gradation)
- ④ 콘트라스트(contrast)
등록된 댓글이 없습니다.
49. 제어계의 출력 신호와 입력 신호와의 비를 무엇이라 하는가?
- ① 전달함수
- ② 미분함수
- ③ 적분함수
- ④ 제어함수
등록된 댓글이 없습니다.
50. 전자빔이 시료를 투과할 때 속도가 다른 여러 전자가 생겨서 상이 흐려지는 현상은?
- ① 색 수차
- ② 구면 수차
- ③ 라디오존데
- ④ 축 비대칭 수차
등록된 댓글이 없습니다.
51. 다음 그림은 저음 전용 스피커(W)와 고음 전용 스피커(T)를 연결한 것이다. 이에 관한 설명 중 옳지 않은 것은?

- ① 콘덴서는 저음만 T로 들어가도록 해준다.
- ② T의 구경은 W의 구경보다 보통 작게 한다.
- ③ 두 스피커의 위상은 같이 해주어야 한다.
- ④ 콘덴서 용량은 보통 2~6[㎌]정도이다.
등록된 댓글이 없습니다.
52. 다음 회로에서 출력전압은 얼마인가?

- ① 0[V]
- ② 50[mV]
- ③ -50[mV]
- ④ 500[mV]
등록된 댓글이 없습니다.
53. 펄스변조의 종류에 해당되지 않는 것은?
- ① PAM
- ② PWM
- ③ PSM
- ④ PPM
등록된 댓글이 없습니다.
54. 주파수 50[MHz]인 전파의 1/4 파장에 대한 값은?
- ① 1.5[m]
- ② 3[m]
- ③ 15[m]
- ④ 30[m]
등록된 댓글이 없습니다.
55. 다음 중 서보기구에 사용되지 않는 것은?
- ① 리졸버
- ② 카보런덤
- ③ 싱크로
- ④ 저항식 서보기구
등록된 댓글이 없습니다.
56. 가청증폭기에 부궤환 회로를 인가하는 목적으로 옳지 않은 것은?
- ① 비직선 일그러짐을 감소하기 위하여
- ② 주파수 특성을 개선하기 위하여
- ③ 잡음을 적게 하기 위하여
- ④ 출력을 크게 하기 위하여
등록된 댓글이 없습니다.
57. 수직해상도 350, 수평해상도 340인 경우 해상비는 약 얼마인가?
- ① 0.86
- ② 0.89
- ③ 0.94
- ④ 0.97
등록된 댓글이 없습니다.
58. 잡음 전압이 10[㎶]이고 신호 전압이 10[V]일 때, S/N은 몇 [dB]인가?
- ① 40[dB]
- ② 60[dB]
- ③ 80[dB]
- ④ 120[dB]
등록된 댓글이 없습니다.
59. 다음 중 초음파 세쳑은 초음파의 무슨 작용을 이용한 것인가?
- ① 진동
- ② 반사
- ③ 굴절
- ④ 간섭
등록된 댓글이 없습니다.
60. 자동제어의 요소 분류 중 사람의 두뇌에 해당되는 부분은?
- ① 제어요소
- ② 조작부
- ③ 조절부
- ④ 검출부
등록된 댓글이 없습니다.