전자기기기능사(2012. 10. 20.) 시험일자 : 2012년 10월 20일
1과목 : 전기전자공학
1. 정류회로의 종류로 옳지 않은 것은?
- ① 대파 정류 회로
- ② 반파 정류 회로
- ③ 전파 정류 회로
- ④ 브리지 정류 회로
등록된 댓글이 없습니다.
2. 다음 중 입력신호의 정(+), 무(-)의 피크(peak)를 어느 기준레벨로 바꾸어 고정시키는 회로는?
- ① 클리핑회로(clipping circuit)
- ② 비교회로(comparison circuit)
- ③ 클램핑회로(clampping circuit)
- ④ 선택회로(selection circuit)
등록된 댓글이 없습니다.
3. 진성반도체에 대한 설명으로 가장 적합한 것은?
- ① 진도전자의 다수캐리어가 정공인 반도체
- ② 진도전자의 다수캐리어가 전자인 반도체
- ③ 안티온(Sb), 인(P) 등이 포함된 반도체
- ④ 불순물이 첨가되지 않은 순수한 반도체
등록된 댓글이 없습니다.
4. 다음과 같은 회로의 명칭은?

- ① 부호 변환기
- ② 신호 검파기
- ③ 적분기
- ④ 미분기
등록된 댓글이 없습니다.
5. 잡음 특성에 대한 설명 중 옳지 않은 것은?
- ① 진공관 잡음에는 산탄 효과와 플리커 잡음이 있다.
- ② 트랜지스터 잡음은 진공관 잡음보다는 대체로 작다.
- ③ 트랜지스터 잡음은 주파수가 높아지면 감소하는 경향이 있다.
- ④ 이상적 잡음 지수 F=1 이다.
등록된 댓글이 없습니다.
6. 트랜지스터 증폭기의 바이어스를 안정화하기 위하여 사용되는 소자가 아닌 것은?
- ① 트랜지스터
- ② SCR
- ③ 서미스터
- ④ 다이오드
등록된 댓글이 없습니다.
7. 저항 4[Ω], 유도 리액턴스 3[Ω]을 병렬로 연결하면 합성 임피던스는 몇 [Ω]이 되는가?
- ① 2.4
- ② 5
- ③ 7.5
- ④ 10
등록된 댓글이 없습니다.
8. 전파 정류기의 입력 주파수가 60[㎐]일 경우 출력 리플 주파수는 몇 [㎐]인가?
- ① 60
- ② 120
- ③ 180
- ④ 240
등록된 댓글이 없습니다.
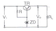
9. 그림과 같은 정전압회로의 설명으로 옳지 않은 것은?

- ① ZD는 기준전압을 얻기 위한 제너 다이오드이다.
- ② 부하전류가 증가하여 V0가 저하될 때에는 TR의 BE간 순방향 전압이 낮아진다.
- ③ 직렬제어형 정전압회로이다.
- ④ TR은 제어석이고, R은 ZD와 함께 제어석의 베이스에 일정한 전압을 공급하기 위한 것이다.
등록된 댓글이 없습니다.
10. 실리콘 트랜지스터와 관련된 파라미터 중 온도에 따른 변동이 가장 적은 것은?
- ① β
- ② Ico
- ③ hie
- ④ VBE
등록된 댓글이 없습니다.
11. FET를 사용한 이상 발진기에서 발진을 지속하기 위한 FET의 증폭도는 최소 얼마 이상인가?
- ① 10
- ② 20
- ③ 29
- ④ 59
등록된 댓글이 없습니다.
12. 트랜지스터(TR)가 정상적으로 증폭작용을 하는 영역은?
- ① 활성영역
- ② 포화영역
- ③ 차단영역
- ④ 항복영역
등록된 댓글이 없습니다.
13. 다음 연산증폭기 회로에서 Z=50[㏀], Z1=500[㏀]일 때 전압증폭도(A∨1)는?

- ① 0.1
- ② -0.1
- ③ 10
- ④ -10
등록된 댓글이 없습니다.
14. 100[V], 500[W]의 진열기를 90[V]에서 사용했을 때 소비전력은 몇 [W]인가?
- ① 300[W]
- ② 405[W]
- ③ 450[W]
- ④ 715[W]
등록된 댓글이 없습니다.
15. 직류 안정화 회로에서 출력석의 역할은?
- ① 가변저항기의 역할
- ② 증폭역할
- ③ 발진역할
- ④ 정류역할
등록된 댓글이 없습니다.
16. 그림과 같은 연산증폭기의 출력전압 V0는?

- ① 0
- ② 1
- ③ -vs
- ④ vs
등록된 댓글이 없습니다.
2과목 : 전자계산기일반
17. 자기 보수화 코드(Self Complement Code)가 아닌 것은?
- ① Excess-3 Code
- ② 2421 Code
- ③ 51111 Code
- ④ Gray Code
등록된 댓글이 없습니다.
18. 객체저항 언어이고 웹상의 응용 프로그램에 알맞게 만들어진 언어는?
- ① 포트란(FORTRAN)
- ② C
- ③ 자바(java)
- ④ SCL
등록된 댓글이 없습니다.
19. 다음 기억장치 중 접근 시간이 빠른 것부터 순서대로 나열된 것은?
- ① 레지스터-캐시메모리-보조기억장치-주기억장치
- ② 캐시메모리-레지스터-주기억장치-보조기억장치
- ③ 레지스터-캐시메모리-주기억장치-보조기억장치
- ④ 캐시메모리-주기억장치-레지스터-보조기억장치
등록된 댓글이 없습니다.
20. 8진수 2374를 16진수로 변환한 값은?
- ① 3A2
- ② 3C2
- ③ 4D2
- ④ 4FC
등록된 댓글이 없습니다.
21. 8비트로 부호와 절대치 표현 방법에 의해 27과 -27을 표현하면?
- ① 27 : 00011011, -27 : 10011011
- ② 27 : 10011011, -27 : 00011011
- ③ 27 : 00011011, -27 : 00011011
- ④ 27 : 10011011, -27 : 10011011
등록된 댓글이 없습니다.
22. 다음 중 범용레지스터에서 이용하며, 가장 일반적인 주소지정방식은?
- ① 0 - 주소지정방식
- ② 1 - 주소지정방식
- ③ 2 - 주소지정방식
- ④ 3 - 주소지정방식
등록된 댓글이 없습니다.
23. 다음 중 데이터 전송 명령어에 해당하는 것은?
- ① MOV
- ② ADD
- ③ CLR
- ④ JMP
등록된 댓글이 없습니다.
24. 연산 장치에 대한 설명으로 옳은 것은?
- ① 계산기에 필요한 명령을 기억한다.
- ② 연산 작용은 주로 가산기에서 한다.
- ③ 연산은 주로 10진법으로 한다.
- ④ 연산 명령을 해석한다.
등록된 댓글이 없습니다.
25. 컴퓨터의 중앙처리장치에서 제어장치에 해당하는 것은?
- ① 기억 레지스터
- ② 누산기
- ③ 상태 레지스터
- ④ 데이터 레지스터
등록된 댓글이 없습니다.
26. 다음 중 순서도(flowchart)의 특징이 아닌 것은?
- ① 프로그램 코딩(coding)의 기초 자료가 된다.
- ② 프로그램 보관시 자료가 된다.
- ③ 오류 수정(debugging)이 용이하다.
- ④ 사용하는 언어에 따라 기호, 형태도 달라진다.
등록된 댓글이 없습니다.
27. 다음 논리회로 중 Fan-out 수가 가장 많은 회로는?
- ① TTL
- ② RTL
- ③ DTL
- ④ CMOS
등록된 댓글이 없습니다.
28. 연산결과가 양수(0) 또는 음수(1), 자리올림(carry), 넘침(overflow)이 발생했는가를 표시하는 레지스터는?
- ① 상태 레지스터
- ② 누산기
- ③ 가산기
- ④ 데이터 레지스터
등록된 댓글이 없습니다.
29. 회로 내부 검류계 전류가 0이 되도록 평형시키는 영위법을 이용해서 미지 저항을 구하는 방법으로 주로 중저항 측정에 사용되는 브리지는?
- ① 캠벌(Cambell)브리지
- ② 맥스웰(Maxwell)브리지
- ③ 휘스톤(Wheatstone)브리지
- ④ 코올라우시(Kohiraush)브리지
등록된 댓글이 없습니다.
30. 다음 중 흡수형 주파수계의 설명으로 옳지 않은 것은?
- ① 100[㎒] 이하의 고주파 측정에 사용된다.
- ② 직렬광진 회로의 공진주파수는  이다. 
- ③ 공진회로의 Q가 크지 않을 때에는 공진점을 찾기가 쉬워 정밀한 측정이 가능하다.
- ④ 저항, 인덕턴스, 커패시턴스 등을 직렬로 연결시킨 직렬공진회로의 주파수특성을 이용한 것이다.
등록된 댓글이 없습니다.
3과목 : 전자측정
31. 증폭기의 주파수 특성을 오실로스코프로 측정하고자 할 때 입력 신호 파형은 어느 것이 이상적인가?
- ① 구형파
- ② 정현파
- ③ 삼각파
- ④ 음성파
등록된 댓글이 없습니다.
32. 수신기에 관한 측정 중 주파수 특성 및 파형의 일그러짐률에 관계되는 것은?
- ① 강도 측정
- ② 선택도의 측정
- ③ 충실도의 측정
- ④ 잡음 지수의 측정
등록된 댓글이 없습니다.
33. 대전류로 서미스터 내부에서 소비되는 전력이 증가하면 온도 및 저항 값은?
- ① 온도는 높아지고, 저항 값은 증가한다.
- ② 온도는 높아지고, 저항 값은 감소한다.
- ③ 온도는 낮아지고, 저항 값은 감소한다.
- ④ 온도는 낮아지고, 저항 값은 증가한다.
등록된 댓글이 없습니다.
34. 표준 신호발생기의 출력을 개방했을 때 데시멜 눈금이 100[㏈]이면 출력 전압은?
- ① 1[V]
- ② 0.1[V]
- ③ 0.01[V]
- ④ 1[㎷]
등록된 댓글이 없습니다.
35. 아날로그 신호를 디지털 신호로 변환하는 과정으로 옳은 것은?
- ① 표본화 → 양자화 → 부호화
- ② 부호화 → 양자화 → 표본화
- ③ 부호화 → 표본화 → 양자화
- ④ 양자화 → 부호화 → 표본화
등록된 댓글이 없습니다.
36. 300[Ω]의 TV 급전선에 75[Ω]의 공중선을 접속하면 반사계수 m은?
- ① +0.25
- ② -0.6
- ③ +1.7
- ④ -1.7
등록된 댓글이 없습니다.
37. 다음 설명에 가장 알맞은 계기의 명칭은?

- ① 가동코일형 계기
- ② 전류력계형 계기
- ③ 가동철편형 계기
- ④ 유도형 계기
등록된 댓글이 없습니다.
38. 다음 중 진폭 변조 신호의 변조도, 주파수 변조 신호의 편차, 잡음 등의 신호로부터 여러가지 정보를 얻는데 사용하는 계측기는?
- ① 오실로스코프
- ② 주파수 계수기
- ③ 함수 발생기
- ④ 스펙트럼 분석기
등록된 댓글이 없습니다.
39. 어느 측정량을 그것과 같은 종류의 기준량과 비교하여 똑같이 되도록 기준량을 조정한 후 기준량의 크기로부터 측정량을 구하는 방법으로 다음 측정법 중에서 강도가 높고 정밀측정에 적합한 측정법은?
- ① 영위법
- ② 직편법
- ③ 편위법
- ④ 반경법
등록된 댓글이 없습니다.
40. AC/DC 전력 측정용 디지털 멀티미터 계측기로 측정할 수 없는 것은?
- ① 직류 및 교류전력
- ② 유효 및 피상전력
- ③ 전압 및 전류
- ④ 주기와 주파수
등록된 댓글이 없습니다.
41. 다음 텔레비전 수상기의 신호 처리 과정으로 순서가 옳은 것은?

- ① ① → ② → ③ → ④
- ② ④ → ② → ③ → ①
- ③ ④ → ① → ③ → ②
- ④ ② → ③ → ④ → ①
등록된 댓글이 없습니다.
42. 일반적으로 프로세스 제어계의 주요 구성부가 아닌 것은?
- ① 서보 모터
- ② 제어대상
- ③ 검출장치
- ④ 조절부 및 조작부
등록된 댓글이 없습니다.
43. 중간주파수가 455[㎑]이고 수신주파수가 900[㎑]일 때 영상 주파수는 몇 [㎑]인가?
- ① 1355
- ② 1610
- ③ 1810
- ④ 1955
등록된 댓글이 없습니다.
44. 다음 그림은 저음 전용 스피커(W)와 고음전용 스피커(T)를 연결한 것이다. 이에 관한 설명 중 옳지 않은 것은?

- ① 콘덴서는 저음안 T로 들어가도록 해준다.
- ② T의 구경은 W의 구경보다 보통 작게 한다.
- ③ 두 스피커의 위상은 같이 해주어야 한다.
- ④ 콘덴서 용량은 보통 2~6[㎌] 정도이다.
등록된 댓글이 없습니다.
45. 송신기에서 신호파는 주파수대의 어느 부분이 타부분에 비해 특히 강조되는데 이 회로의 명칭은?
- ① 디엠퍼시스 회로
- ② 프리엠퍼시스 회로
- ③ 스켈치 회로
- ④ 주파수 변별기 회로
등록된 댓글이 없습니다.
46. 주파수 특성이 평탄하고 음질이 좋아서 현재 주로 사용되고 있는 동전형 스피커의 동작 원리로 가장 적절한 것은?
- ① 자기의 쿨롱력
- ② 압진역 효과
- ③ 쿨롱력
- ④ 전류와 자계에서 생기는 힘
등록된 댓글이 없습니다.
4과목 : 전자기기 및 음향영상기기
47. 다음 중 영상기기에서 색의 3속성이 아닌 것은?
- ① 채도(saturation)
- ② 색상(hue)
- ③ 명암(contrast)
- ④ 명도(luminosity)
등록된 댓글이 없습니다.
48. 펠티어 효과는 어떤 장치에 이용되는가?
- ① 자동제어
- ② 온도제어
- ③ 전자냉동기
- ④ 태양전지
등록된 댓글이 없습니다.
49. 초음파의 감쇠율에 관한 일반적인 설명 중 옳지 않은 것은?
- ① 감쇠율은 물질에 따라 다르다.
- ② 초음파의 진동수가 클수록 강쇠율이 크다.
- ③ 초음파의 세기는 진폭의 제곱에 비례한다.
- ④ 고체가 가장 크고, 액체, 기체의 순서로 작아진다.
등록된 댓글이 없습니다.
50. 다음 컬러 수상기의 협대역 방식 구성도에서 빈칸의 네모 부분에 들어갈 내용은?

- ① 영상 출력
- ② 버스트 증폭
- ③ x축 복조
- ④ 수정 필터
등록된 댓글이 없습니다.
51. 강한 직류 자장을 테이프에 가하여 녹음에 의한 잔류 자기를 자화시켜 소거하는 방법은?
- ① 교류 소거법
- ② 소거 헤드법
- ③ 직류 소거법
- ④ 테이프 소자기 사용법
등록된 댓글이 없습니다.
52. 디지털 텔레비전의 A/D 변환기에 입력되는 디지털 영상 데이터를 수평 동기신호와 수직 동기신호로 분리하여 수평 및 수직 출력단에 출력시키는 기능을 하는 것은?
- ① 편항 처리 회로부
- ② 음성 처리 회로부
- ③ 디지털 영상 처리 회로부
- ④ RGB 매트릭스와 D/A 변환기
등록된 댓글이 없습니다.
53. 목표값이 변화하지만 그 변화가 알려진 값이며, 예정된 스케줄에 따라 변화할 경우의 제어는?(오류 신고가 접수된 문제입니다. 반드시 정답과 해설을 확인하시기 바랍니다.)
- ① 프로그램 제어
- ② 추치 제어
- ③ 비율 제어
- ④ 정치 제어
등록된 댓글이 없습니다.
54. 서보 기구라 함은 어느 자동제어 장치를 나타내는 것인가?
- ① 속도나 전압
- ② 위치나 각도
- ③ 온도나 압력
- ④ 원격조정
등록된 댓글이 없습니다.
55. 자기녹음기의 주파수 보상법으로 옳은 것은?
- ① 녹음 때에나 재생 때에 모두 고역을 보상한다.
- ② 녹음 때에나 재생 때에 모두 저역을 보상한다.
- ③ 녹음 때에는 저역을, 재생 때에는 고역을 보상한다.
- ④ 녹음 때에는 고역을, 재생 때에는 저역을 보상한다.
등록된 댓글이 없습니다.
56. 제어계의 출력신호와 입력신호와의 비를 무엇이라 하는가?
- ① 전달함수
- ② 제어함수
- ③ 적분함수
- ④ 미분함수
등록된 댓글이 없습니다.
57. VTR의 기록방식에서 기록 헤드와 재생 헤드의 갭을 Φ도만큼 기울여 재생할 때의 장점은?
- ① 장시간 기록, 재생된다.
- ② 테이프 속도가 증가한다.
- ③ 테이프를 좁게 사용할 수 있다.
- ④ 휘도 신호의 크로스토크가 제거된다.
등록된 댓글이 없습니다.
58. 다음 중 항공기의 착륙보조장치는?
- ① VOR
- ② ILS
- ③ ADF
- ④ TACAN
등록된 댓글이 없습니다.
59. 유전가열은 어떤 원리를 이용하여 가열하는 방식인가?
- ① 유전체손
- ② 표피작용에 의한 손실
- ③ 히스테리시스손
- ④ 맴돌이 전류손
등록된 댓글이 없습니다.
60. 선박에 이용되며 방향 탐지기가 없이 보통 라디오 수신기를 이용하여 방위를 측정할 수 있는 것은?
- ① AN 레인지 비컨
- ② 무지항성 비컨
- ③ 회전 비컨
- ④ 초고주파 전방향성 비컨
등록된 댓글이 없습니다.