전자기기기능장(2018. 3. 31.) 시험일자 : 2018년 3월 31일
1과목 : 임의구분
1. 에 대한 역변환은?
- ① 1-e-t
- ② 1+e-2t
- ③

- ④ 2+e-2t
등록된 댓글이 없습니다.
2. 미분 회로에서 시정수(RC)와 펄스폭(T)은 어떠한 관계가 있는가?
- ① RC 〓 T
- ② RC ≪ T
- ③ RC ≫ T
- ④ RC 〓 0.7T
등록된 댓글이 없습니다.
3. 제너다이오드를 이용하여 정전압 회로를 구성하고자 할 때 설계의 기준으로 고려할 사항이 아닌 것은?
- ① 부하저항 RL의 크기와 변동 범위
- ② 제너다이오드의 제너전압 VZ와 허용 전력
- ③ 제너다이오드의 전류 IZ와 부하전류 IL의 크기
- ④ 저항 Ri의 허용전력과 오차 범위
등록된 댓글이 없습니다.
4. 신호를 표본화할 때 원래의 신호를 완전히 재현시키려면 신호에 포함된 최고 주파수의 몇 배 이상의 주파수로 표본화하여야 하는가?
- ① 1배
- ② 2배
- ③ 3배
- ④ 4배
등록된 댓글이 없습니다.
5. 형광체에서는 전자가 충만대에서 전도대로 옮겨가는 데에 충분한 여기(excitation)를 받아서 이동하고 그 다음 기저 준위까지 떨어질 때 발광한다. 그리고 여기에 빛 대신에 전기장을 사용해서 발광시킬 경우는?
- ① 화학 루미네선스
- ② 음극선 루미네선스
- ③ 전기 루미네선스
- ④ 바이오 루미네선스
등록된 댓글이 없습니다.
6. 부하가 증가할 때 증폭기의 입력 저항이 증가하는 것은?
- ① CE 증폭기
- ② CC 증폭기
- ③ CB 증폭기
- ④ CB와 CE 증폭기
등록된 댓글이 없습니다.
7. 다음 회로에서 I1과 I2와의 위상차는? (단, R=XC 이다.)

- ① 0°
- ② 45°
- ③ 90°
- ④ 135°
등록된 댓글이 없습니다.
8. 제너다이오드에 과한 설명 중 틀린 것은?
- ① 제너다이오드를 이요한 정전압 회로를 구성할 때는 반드시 제너전압과 허용전력을 알아야 한다.
- ② 제너다이오드의 순방향 전압-전류 특성은 일반 다이오드의 순방향 전압-전류 특성과 거의 같다.
- ③ 정전압 회로에서 제너다이오드에 흐르는 역방향 전류의 크기에 관계없이 출력전압은 항상 일정하다.
- ④ 제너다이오드를 이용하여 입력신호의 특정부분을 제한하는 리미터 회로를 구성할 수 있다.
등록된 댓글이 없습니다.
9. 플레밍의 왼손법칙에서 각각의 손가락 방향은 무엇을 나타내는가?
- ① 엄지(힘의 방향), 검지(자장 방향), 중지(전류 방향)
- ② 엄지(자장 방향), 검지(힘의 방향), 중지(전류 방향)
- ③ 엄지(힘의 방향), 검지(전류 방향), 중지(자장 방향)
- ④ 엄지(전류 방향), 검지(자장 방향), 중지(힘의 방향)
등록된 댓글이 없습니다.
10. 채배전압 정류회로의 용도로 틀린 것은?
- ① 마이크 음성의 잡음을 제거하는데 이용한다.
- ② 브라운관 양극전원으로 이용된다.
- ③ 전압만을 2배 또는 여러 배로 하는 회로로 사용된다.
- ④ X선 장치에 이용된다.
등록된 댓글이 없습니다.
11. 그림에서 전달함수 가 되기 위한 캐패시터(C)의 값은 몇 μF 인가?

- ① 1
- ② 10
- ③ 50
- ④ 100
등록된 댓글이 없습니다.
12. 그림과 같은 회로에서 단자 a, b간에 100V의 전압을 가할 때 c, d에 흐르는 전류가 20A이었다. 반대로 같은 회로에 c, d간에 50V의 전압을 인가하면 a, b에 흐르는 전류는 몇 A인가?

- ① 80
- ② 20
- ③ 40
- ④ 10
등록된 댓글이 없습니다.
13. B급 증폭기의 최대 효율을 백분율로 표시하면?
- ① 25[%]
- ② 48.5[%]
- ③ 78.5[%]
- ④ 98.5[%]
등록된 댓글이 없습니다.
14. 어떤 회로의 피상전력이 20kVA, 유효전력이 12kW일 때 회로의 무효율은?
- ① 1.0
- ② 0.8
- ③ 0.6
- ④ 0.2
등록된 댓글이 없습니다.
15. 논리 게이트형 비안정 멀티바이브레이터의 발진주기는? (단, R1=R2=R, C1=C2=C 이다.)

- ① T=RC
- ② T=0.7RC
- ③ T=1.4RC
- ④ T=2.2RC
등록된 댓글이 없습니다.
16. 다음 발진기 중 가장 높은 사용 주파수 특성을 가지는 것은?
- ① LC 발진기
- ② RC 발진기
- ③ 음차 발진기
- ④ 레이저 발진기
등록된 댓글이 없습니다.
17. 가청 증폭기에 부귀환을 걸어 주었을 때에 일어나는 현상으로 틀린 것은?
- ① 주파수 특성이 개선된다.
- ② 증폭기의 이득이 증가한다.
- ③ 비직선 일그러짐이 감소된다.
- ④ 증폭기 전체의 동작이 안정된다.
등록된 댓글이 없습니다.
18. 다음 그림의 LR 회로의 입출력전압비 는? (단, K=상수)

- ① G(s)=(1+ST)K
- ②

- ③ G(s)=1-ST
- ④

등록된 댓글이 없습니다.
19. 마이크로컴퓨터시스템에서 버스의 종류 중 전달 정보에 따른 구분을 하였을 때 포함되지 않는 것은?
- ① I/O Bus
- ② Data Bus
- ③ Address Bus
- ④ Control Bus
등록된 댓글이 없습니다.
20. 중앙처리장치가 무엇을 하고 있는가를 나타내는 것으로 해당 사이클 동안에 무엇을 위해 기억장치에 접근하는지를 나타내는 것은?
- ① 자화 상태
- ② 제어장치 상태
- ③ 시간 상태
- ④ 메이저 상태
등록된 댓글이 없습니다.
2과목 : 임의구분
21. 를 간략화한 것으로 옳은 것은?
- ①

- ②

- ③

- ④

등록된 댓글이 없습니다.
22. 다음과 같은 진리표를 만족시키는 논리식은?

- ①

- ②

- ③

- ④

등록된 댓글이 없습니다.
23. 전송제어 절차 5단계에서 전용회선을 사용할 경우 생략되는 것은?
- ① 정보의전송
- ② 데이터 링크의 확립
- ③ 데이터 링크의 해제
- ④ 일반 교환망에서의 회선 접속
등록된 댓글이 없습니다.
24. 다음 그림의 출력 주파수(f)는 몇 kHz 인가?

- ① 3.90
- ② 6.25
- ③ 20.00
- ④ 50.00
등록된 댓글이 없습니다.
25. 그림과 같이 실행되는 마이크로프로세서(8051 계열)의 주소지정방식(Addressing Mode)은?

- ① Register Addressing Mode
- ② Direct Addressing Mode
- ③ Indirect Addressing Mode
- ④ Indexed Addressing Mode
등록된 댓글이 없습니다.
26. 그림의 회로에서 LED 램프 L3가 소등(OFF) 후 다시 점등(ON)이 되는 시간 간격은 몇 초인가? (단, 클럭 펄스의 주파수는 1Hz 이다.)

- ① 0
- ② 4
- ③ 7
- ④ 12
등록된 댓글이 없습니다.
27. 중앙처리장치와 주기억 장치 사이의 속도 격차를 완화시켜주기 위해 많이 사용하는 것은?
- ① Cache Memory
- ② Main Memory
- ③ Direct Memory
- ④ Virtual Memory
등록된 댓글이 없습니다.
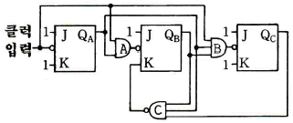
28. 다음 회로는 어떤 카운터로 동작하는가? (단, 카운터의 출력은 QC이다.)

- ① 5진 카운터
- ② 6진 카운터
- ③ 7진 카운터
- ④ 8진 카운터
등록된 댓글이 없습니다.
29. 아래의 스위치 회로와 등가인 논리식은?

- ① A
- ② B
- ③ A+B
- ④ A・B
등록된 댓글이 없습니다.
30. 다음 논리회로를 무엇이라 하는가?

- ① 4비트 존슨 카운터
- ② 8진 동기 카운터
- ③ 4단 링 카운터
- ④ 16진 비동기 카운터
등록된 댓글이 없습니다.
31. 하드디스크와 달리 자기디스크가 아닌 반도체 메모리를 내장하고 있는 디스크는?
- ① 플로피 디스크
- ② SSD
- ③ 콤팩트디스크(CD)
- ④ 블루레이 디스크
등록된 댓글이 없습니다.
32. 그림과 같은 회로에서 출력이 불안전한 경우는?

- ① X = 0, Y = 0
- ② X = 0, Y = 1
- ③ X = 1, Y = 0
- ④ X = 1, Y = 1
등록된 댓글이 없습니다.
33. 다음 중 보조기억장치가 아닌 것은?
- ① HDD
- ② RAM
- ③ SSD
- ④ DVD-ROM
등록된 댓글이 없습니다.
34. 여러 개의 입출력장치를 제어할 수 있는 채널은?
- ① I/O channel
- ② duplex channel
- ③ multiplexer channel
- ④ register channel
등록된 댓글이 없습니다.
35. 28(10)을 8bit의 2진수로 변환하되 2의 보수법으로 표현한 것은?
- ① 00011100
- ② 11100010
- ③ 11100011
- ④ 11100100
등록된 댓글이 없습니다.
36. 2008년 발표된 규격으로 데이터 전송 속도가 최대 5Gbps이고, 포트의 색상이 파란색으로 된 인터페이스는?
- ① 직렬 포트
- ② USB 3.0
- ③ PS/2 포트
- ④ HDMI
등록된 댓글이 없습니다.
37. 다음 중 귀환(Feedback) 제어에서 꼭 있어야 할 장치는?
- ① 입력과 출력을 비교하는 장치
- ② 안정도를 빠르게 하는 장치
- ③ 응답 속도를 빠르게 하는 장치
- ④ 응답 속도를 느리게 하는 장치
등록된 댓글이 없습니다.
38. 위성의 송수신 장치인 트랜스폰더(transponder) 를 이용하여 전화 및 TV 방송 등에 사용되는 통신 방식은?
- ① FS 통신
- ② 다중 통신
- ③ 이동 통신
- ④ 위성 통신
등록된 댓글이 없습니다.
39. 콘형 다이내믹 스피커의 입력 단자에 흐르는 전류가 리드 선을 통해 보이스 코일로 전해지면 영구 자석에 의해 형성된 자기장 내에 놓여 있는 보이스 코일은 어떤 법칙에 따라 움직이게 되는가?
- ① 패러데이 법칙
- ② 열역학 법칙
- ③ 앙페르의 오른나사의 법칙
- ④ 플레밍의 왼손 법칙
등록된 댓글이 없습니다.
40. 고주파 유동 가열용 전원 장치 중 틀린 것은?
- ① 전동 발전기
- ② 불꽃 간극식(spark gap) 고주파 발진기
- ③ 수정 발진기
- ④ 진공관 발진기
등록된 댓글이 없습니다.
3과목 : 임의구분
41. 익스트림(extreme) 스포츠나 액션 상황에서 사용되기 위해 내구성이 튼튼하고 방수, 스마트폰 제어, 손 떨림 보정, GPS 트래킹 등의 기능을 가지는 장치는?
- ① MP3
- ② 액션캠
- ③ CCTV
- ④ DVD
등록된 댓글이 없습니다.
42. 혼(Horn) 스피커의 본체에 표시하도록 KS에서 권고하고 있는 항목이 아닌 것은?
- ① 정격입력
- ② 재생 주파수 대역
- ③ 공칭 임피던스
- ④ 최대 음압 레벨
등록된 댓글이 없습니다.
43. 미리 정해진 프로그램에 따라 제어량을 변화시키는 것을 목적으로 하는 제어는?
- ① 정치제어
- ② 추치제어
- ③ 서보제어
- ④ 프로그램제어
등록된 댓글이 없습니다.
44. 음원으로부터 방사된 음파의 성질 중 옳지 않은 것은?
- ① 투과
- ② 반사
- ③ 간섭
- ④ 회전
등록된 댓글이 없습니다.
45. 지향성이 강하나 저음특성이 나빠 옥외 방송용의 중음 및 고음용, 메가폰용으로 주로 사용되는 스피커는?
- ① 콘덴서 스피커
- ② 콘형 다이내믹 스피커
- ③ 돔형 다이내믹 스피커
- ④ 혼형 다이내믹 스피커
등록된 댓글이 없습니다.
46. 초음파 가공에서 사용되는 연마가루에 적합하지 못한 것은?
- ① 산화 철분
- ② 탄화 실리콘
- ③ 산화 알루미늄
- ④ 탄화 붕소
등록된 댓글이 없습니다.
47. 고주파 가열에서 유도 가열은 어떤 원리에 의하여 발열시키는 방식인가?
- ① 유전체 손
- ② 맴돌이 전류 손
- ③ 히스테리시스 손
- ④ 표피작용에 의한 손실
등록된 댓글이 없습니다.
48. 수상기에서 수직 편향 회로의 구성에 따른 동작순서로 옳은 것은?
- ① 발진→적분회로→증폭정형회로→출력→편향코일
- ② 적분회로→증폭정형회로→발진→출력→편향코일
- ③ 적분회로→발진→증폭정형회로→출력→편향코일
- ④ 발진→증폭정형회로→적분회로→출력→편향코일
등록된 댓글이 없습니다.
49. 피드백 제어계의 특징으로 틀린 것은?
- ① 비선형성과 왜형에 대한 효과의 감소
- ② 대역폭의 감소
- ③ 계의 특성 변화에 대한 입력 대 출력비의 감도 감소
- ④ 정확성의 증가
등록된 댓글이 없습니다.
50. 자연광에서 얻을 수 있는 레이저광의 특징에 관한 설명 중 틀린 것은?
- ① 지향성이 좋다.
- ② 에너지 밀도가 높다.
- ③ 광 에너지를 단시간에 접속시킬 수 있다.
- ④ 간섭성은 좋지 않다.
등록된 댓글이 없습니다.
51. DMB 방송 주파수를 이용해 자동차 내비게이션 단말기에 실시간 교통정보, 여행 정보 등을 보여주는 기술은?
- ① ANDROID
- ② SNS
- ③ TPEG
- ④ GPS
등록된 댓글이 없습니다.
52. 콤팩트 디스크(Compact Disc)에 대한 설명 중 옳은 것은?
- ① CD는 바깥쪽에서 안쪽을 향해 데이터를 기록한다.
- ② CD는 디스크 표면에 홈(피트)을 내어 정보를 저장한다.
- ③ CD의 정보는 피트에서 랜드로 변화되는 부분을 '0'로 해석한다.
- ④ CD에 있는 데이터는 디스크에 흠이 있으면 에러 없이 데이터를 복구하기 불가능하다.
등록된 댓글이 없습니다.
53. 주파수 대역이 넓어 고음에서 저음까지 원음을 충실히 낼 수 있도록 하며 감도와 음색이 뛰어나지만 외부 충격과 진동, 습기 등 외부환경에 영향을 많이 받는 마이크로폰은?
- ① 다이내믹 마이크로폰
- ② 크리스털형 마이크로폰
- ③ 콘덴서형 마이크로폰
- ④ 카본형 마이크로폰
등록된 댓글이 없습니다.
54. 극수가 6극인 50Hz용 3상 유도전동기가 있다. 슬립이 4%일 때 이 전동기의 회전수는 몇 rpm인가?
- ① 940
- ② 960
- ③ 980
- ④ 1000
등록된 댓글이 없습니다.
55. 전수검사와 샘플링검사에 관한 설명으로 맞는 것은?
- ① 파괴검사의 경우에는 전수검사를 적용한다.
- ② 검사항목이 많을 경우 전수검사보다 샘플링검사가 유리하다.
- ③ 샘플링검사는 부적합품이 섞여 들어가서는 안되는 경우에 적용한다.
- ④ 생산자에게 품질향상의 자극을 주고 싶을 경우 전수검사가 샘플링검사보다 더 효과적이다.
등록된 댓글이 없습니다.
56. 직물, 금속, 유리 등의 일정 단위 중 나타나는 흠의 수, 핀홀 수 등 부적합수에 관한 관리도를 작성하려면 가장 적합한 관리도는?
- ① c 관리도
- ② np 관리도
- ③ p 관리도
- ④ X-R 관리도
등록된 댓글이 없습니다.
57. 다음 데이터의 제곱합(sum of squares)은 약 얼마인가?

- ① 0.129
- ② 0.338
- ③ 0.359
- ④ 1.029
등록된 댓글이 없습니다.
58. Ralph M. Barnes 교수가 제시한 동작경제의 원칙 중 작업장 배치에 관한 원칙(Arrangement of the workplace)에 해당되지 않는 것은?
- ① 가급적이면 낙하식 운반방법을 이용한다.
- ② 모든 공구나 재료는 지정된 위치에 있도록 한다.
- ③ 적절한 조명을 하여 작업자가 잘 보면서 작업할 수 있도록 한다.
- ④ 가급적 용이하고 자연스런 리듬을 타고 일할 수 있도록 작업을 구성하여야 한다.
등록된 댓글이 없습니다.
59. 국제 표준화의 의의를 지적한 설명 중 직접적인 효과로 보기 어려운 것은?
- ① 국제간 규격통일로 상호 이익도모
- ② KS표시품 수출 시 상대국에서 품질인증
- ③ 개발도상국에 대한 기술개발의 촉진을 유도
- ④ 국가 간의 규격상이로 인한 무역장벽의 제거
등록된 댓글이 없습니다.
60. 어떤 회사의 매출액이 80000원, 고정비가 15000원, 변동비가 40000원일 때 손익분기점 매출액은 얼마인가?
- ① 25000원
- ② 30000원
- ③ 40000원
- ④ 55000원
등록된 댓글이 없습니다.