전자기사(2017. 9. 23.) 시험일자 : 2017년 9월 23일
1과목 : 전기자기학
1. 영구자석 재료로 적당한 것은?
- ① 잔류자속밀도(Br)는 크고 보자력(Hc)은 작아야 한다.
- ② 잔류자속밀도(Br)는 작고 보자력(Hc)은 커야 한다.
- ③ 잔류자속밀도(Br)와 보자력(Hc)은 모두 작아야 한다.
- ④ 잔류자속밀도(Br)와 보자력(Hc)은 모두 커야 한다.
등록된 댓글이 없습니다.
2. B-H 곡선을 자세히 관찰하면 매끈한 곡선이 아니라 B가 계단적으로 증가 또는 감소함을 알 수 있다. 이러한 현상을 무엇이라 하는가?
- ① 퀴리점(Curie point)
- ② 자왜현상(Magneto-striction effect)
- ③ 바크하우젠 효과(Barkhausen effect)
- ④ 자기여자 효과(Magnetic after effect)
등록된 댓글이 없습니다.
3. 공기 중에 놓여진 반지름 6cm의 구도체에 줄 수 있는 최대 전하는 약 몇 C인가? (단, 이 구도체의 주위공기에 대한 절연내력은 5×106V/m이다.)
- ① 1×10-5
- ② 1×10-6
- ③ 2×10-5
- ④ 2×10-6
등록된 댓글이 없습니다.
4. 유전율이 각각 Є1, Є2인 두 유전체가 접한 경계면에서 전하가 존재하지 않는다고 할 때 유전율이 Є1인 유전체에서 유전율이 Є2인 유전체로 전계 E1이 입사각 θ1=0°로 입사할 경우 성립되는 식은?
- ① E1=E2
- ② E1=Є1Є2E2
- ③

- ④

등록된 댓글이 없습니다.
5. 자기 감자력(self demagnetizing force)이 평등 자화되는 자성체와 관계가 있는 것은?
- ① 투자율에 비례한다.
- ② 자계에 반비례한다.
- ③ 감자율에 반비례한다.
- ④ 자화의 세기에 비례한다.
등록된 댓글이 없습니다.
6. 정전용량이 C0(F)인 평행판 공기콘덴서에 그림과 같이 단면적이 1/3되는 공간에 비유전율이 4인 유전체를 채웠을 때 정전용량(F)은?

- ① C0
- ② 2C0
- ③ 3C0
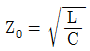
- ④ 4C0
등록된 댓글이 없습니다.
7. 전하 +Q와 전류 +I가 무한히 긴 직선상의 도체에 각각 주어졌고 이들 도체는 진공 속에서 각각 도전율이 무한대인 물질로 된 무한도체 평면과 평행하게 놓여 있다. 이 경우 영상법에 의한 영상 전하와 영상 전류는? (단, 전류는 직류이다.)
- ① +Q, +I
- ② -Q, -I
- ③ +Q, -I
- ④ -Q, +I
등록된 댓글이 없습니다.
8. 무손실 매질에서 고유임피던스 η=60π, 비투자율 μT, 자계 H=-0.1cos(wt-z)ax+0.5sin(wt-z)ayAT/m일 때 각속도(rad/s)는?
- ① 0.5×108
- ② 1.5×108
- ③ 3×108
- ④ 6×108
등록된 댓글이 없습니다.
9. 표피효과와 관계있는 식은?
- ① ∇×B=0
- ② ∇×D=ρ
- ③

- ④

등록된 댓글이 없습니다.
10. 진공 중에서 전계 의 평면전자파가 있다. 이때 자계의 실효치는 약 몇 AT/m 인가?
- ① 2.65 Ee×10-1
- ② 2.65 Ee×10-2
- ③ 2.65 Ee×10-3
- ④ 2.65 Ee×10-4
등록된 댓글이 없습니다.
11. 공기중에 두 개의 무한장 직선 도체를 그림과 같이 간격 d(m)로 평행하게 놓고, 각 직선 도체에 전류 I1(A), I2(A)를 같은 방향으로 흘릴 경우, 두 직선도체 사이에 작용하는 힘(N/m)은?

- ① , 흡입력

- ② , 반발력

- ③ , 흡입력

- ④ , 반발력

등록된 댓글이 없습니다.
12. 정전용량 20μF인 공기 평행판 축전기에 0.01C의 전하량을 충전했을 때, 두 평행판 사이에 비유전율 10인 유전체를 채우면 유전체 표면에 발생하는 분극 전하량(C)의 크기는?
- ① 0.009
- ② 0.01
- ③ 0.09
- ④ 0.1
등록된 댓글이 없습니다.
13. 그림과 같은 모양의 자화곡선을 나타내는 자성체 막대를 충분히 강한 평등자계에서 매분 3000회 회전시킬 때 자성체는 단위체적당 매초 약 몇 kcal의 열이 발생하는가? (단, Br=2Wb/m2, HL=500AT/m, B=μH에서 μ는 일정하지 않음)

- ① 11.7
- ② 47.6
- ③ 70.2
- ④ 200
등록된 댓글이 없습니다.
14. 자유공간에서 x방향으로 진행하는 평면 전자파에서 암페어 주회적분의 법칙을 나타내는 맥스웰 전자방정식의 y성분은?
- ①

- ②

- ③

- ④

등록된 댓글이 없습니다.
15. 공기 중에 한 변이 40cm인 정사각형 평행평판 콘덴서가 있다. 극판의 간격을 4mm로 하고 극판간에 100V의 전위차를 주면 축적되는 전하량은 약 몇 C인가?
- ① 3.54×10-8
- ② 3.54×10-9
- ③ 6.56×10-9
- ④ 6.56×10-8
등록된 댓글이 없습니다.
16. 전자파의 기본 성질이 아닌 것은?
- ① 횡파이다.
- ② 반사, 굴절 현상이 나타난다.
- ③ 완전도체 표면에서는 전부 흡수한다.
- ④ 전계의 방향과 자계의 방향은 서로 수직이다.
등록된 댓글이 없습니다.
17. 단면적 4cm2의 철심에 6×10-4 Wb의 자속을 통하게 하려면 2800AT/m의 자계가 필요하다. 이 철심의 비투자율은 약 얼마인가?
- ① 43
- ② 75
- ③ 324
- ④ 426
등록된 댓글이 없습니다.
18. 단위 길이당 정전용량 및 인덕턴스가 각각 0.2μF/m, 0.5mH/m인 전송선의 특성 임피던스는 몇 Ω인가?
- ① 50
- ② 75
- ③ 125
- ④ 250
등록된 댓글이 없습니다.
19. 환상 철심에 권수 NA인 A코일과 권수 NB인 B코일이 있을 때 코일 A의 자기인덕턴스가 LA(H)라면 두 코일간의 상호인덕턴스는 몇 H/m 인가? (단, A코일과 B코일 간의 누설자속은 없는 것으로 한다.)
- ①

- ②

- ③

- ④

등록된 댓글이 없습니다.
20. 다음의 전위함수에서 라플라스 방정식을 만족하지 않는 것은?
- ①

- ② V=rcosθ+ø
- ③ V=ρcosθ+z
- ④ V=x2-y2+z2
등록된 댓글이 없습니다.
2과목 : 회로이론
21. 다음 설명이 의미하는 것은?

- ① 역회로
- ② 정저항 회로
- ③ L-C회로
- ④ 카워형 회로
등록된 댓글이 없습니다.
22. 다음과 같은 결합 공진회로에서 C1과 C2를 조정하여 두 폐회로가 모두 공진 상태에 있을 때 결합계수를 변화시킨다면 i2가 최대로 되는 상태는?

- ① 밀결합될 때
- ② 소결합될 때
- ③ 임계결합될 때
- ④ 같은 방향으로 결합될 때
등록된 댓글이 없습니다.
23. 구동점 임피던스에서 영점(zero)은?
- ① 전압이 가장 큰 상태이다.
- ② 회로를 개방한 상태이다.
- ③ 회로를 단락한 상태이다.
- ④ 전류가 흐르지 않는 상태이다.
등록된 댓글이 없습니다.
24. v(t)=sinω0t를 Fourier 변환한 V(ω)을 구하면?
- ①

- ②

- ③

- ④

등록된 댓글이 없습니다.
25. R-L 병렬회로에서 일정하게 인가된 정현파 전류의 위상 θ에 대하여 저항에 흐르는 전류 위상 θ1 과 인덕터에 흐르는 전류 위상 θ2의 관계를 올바르게 나타낸 것은?
- ① θ < θ1 < θ2
- ② θ2 < θ1 < θ
- ③ θ2 < θ < θ1
- ④ θ1 < θ < θ2
등록된 댓글이 없습니다.
26. 다음 회로의 구동점 임피던스가 정저항 회로가 되기 위한 Z1, Z2 및 R의 관계는?

- ① Z1Z2=R
- ② Z1Z2=R2
- ③

- ④

등록된 댓글이 없습니다.
27. 기함수 및 반파대칭인 비정현파에 포함된 고조파가 어느 파에 속하는가?
- ① 제2고조파
- ② 제4고조파
- ③ 제5고조파
- ④ 제6고조파
등록된 댓글이 없습니다.
28. 어떤 코일에 흐르는 전류가 0.01초 사이에 일정하게 60A에서 20A로 변할 때 20V의 기전력이 발생하면 자기 인덕턴스는 몇 mH인가?
- ① 5
- ② 10
- ③ 20
- ④ 200
등록된 댓글이 없습니다.
29. 그림과 같은 회로에서 스위치를 닫았을 때 과도분을 포함하지 않기 위한 R은 몇 Ω인가?

- ① 100
- ② 200
- ③ 300
- ④ 1000
등록된 댓글이 없습니다.
30. 회로에서 a, b단자에 흐르는 전류는 몇 A인가?

- ① 0.5
- ② 5
- ③ 0.1
- ④ 1
등록된 댓글이 없습니다.
31. R-L-C 직렬회로가 공진 주파수보다 높은 주파수 영역에서 동작할 때, 이 회로는?
- ① 공진 회로
- ② 용량성 회로
- ③ 저항성 회로
- ④ 유도성 회로
등록된 댓글이 없습니다.
32. ω=200rad/s에서 동작하는 두 개의 회로소자로 구성된 직렬회로에서 전류가 전압보다 45° 앞설 때, 이 소자 중 하나가 5Ω 저항일 경우 나머지 소자와 그 값은?
- ① L, 0.1H
- ② L, 0.01H
- ③ C, 0.001F
- ④ C, 0.0001F
등록된 댓글이 없습니다.
33. 다음 전달 함수에 관한 설명 중 옳은 것은?
- ① 부동작 시간 요소의 전달 함수는 이다.

- ② 비례 요소의 전달 함수는 이다.

- ③ 미분 요소의 전달 함수는 K이다.
- ④ 2차 지연 요소의 전달 함수는 이다.

등록된 댓글이 없습니다.
34. 회로망 함수의 극점과 영점이 그림과 같을 때 f(t)는?

- ① f(t)=-α0t cos ωt
- ② f(t)=-α0t sin ωt
- ③ f(t)=tsin ωt
- ④ f(t)=α0t cos ωt
등록된 댓글이 없습니다.
35. 공급 전압이 100V이고, 회로에 전류가 10A가 흐른다고 할 때, 이 회로의 유효전력은 몇 W인가? (단, 전압과 전류의 위상차는 30°이다.)
- ① 125√3
- ② 500
- ③ 500√3
- ④ 1000
등록된 댓글이 없습니다.
36. 무손실 전송 선로의 특성 임피던스 Z0는? (단, R, L, G, C는 각각 단위 길이당의 저항, 인덕턴스, 컨덕턴스, 커패시턴스이다.)
- ①

- ②

- ③

- ④

등록된 댓글이 없습니다.
37. 다음과 같은 Z파라미터로 표시되는 4단자망의 1-1´ 단자 간에 4A, 2-2´ 단자 간에 1A의 정전류원을 연결하였을 때, 1-1´ 단자 간의 전압(E1)과 2-2´ 단자 간의 전압 (E2)을 각각 옳게 구한 것은? (단, Z파라미터 단위는 Ω이다.)

- ① E1=18V, E2=12V
- ② E1=36V, E2=24V
- ③ E1=42V, E2=-24V
- ④ E1=48V, E2=12V
등록된 댓글이 없습니다.
38. 다음 결합 회로의 합성 인덕턴스는?

- ① Leg=L1+L2+M
- ② Leg=L1+L2+2M
- ③ Leg=L1+L2-M
- ④ Leg=L1+L2-2M
등록된 댓글이 없습니다.
39. 다음 회로에서 차단주파수(fc)는 얼마인가?

- ①

- ②

- ③

- ④

등록된 댓글이 없습니다.
40. f(t)=2sint+3cost로 표시된 정현파의 라플라스 변환을 바르게 나타낸 것은?
- ①

- ②

- ③

- ④

등록된 댓글이 없습니다.
3과목 : 전자회로
41. 그림의 회로에서 Vout은? (단, A=RC/2r′e, v2=0V이다.)

- ① v1
- ② Av1
- ③ v2
- ④ Av2
등록된 댓글이 없습니다.
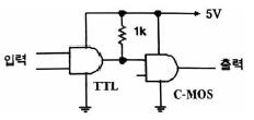
42. TTL과 C-MOS의 입출력 조건이 아래의 표와 같다고 할 때, TTL과 C-MOS 소자를 접속하는 방법으로 틀린 것은?

- ①

- ②

- ③

- ④

등록된 댓글이 없습니다.
43. 다음 중 멀티바이브레이터에 대한 설명으로 틀린것은?
- ① 회로의 시정수로 출력파형의 주기가 결정된다.
- ② 쌍안정 멀티바이브레이터의 구성은 직류성분으로 결합되어 있다.
- ③ 출력에 고차의 고조파를 포함한다.
- ④ 모든 멀티바이브레이터의 구성은 교류성분으로 결합되어 있다.
등록된 댓글이 없습니다.
44. 8진수 (326)8을 10진수로 변환한 것은?
- ① 124
- ② 148
- ③ 168
- ④ 214
등록된 댓글이 없습니다.
45. 그림과 같은 귀환회로에서 입력임피던스(Rif)의 값을 나타낸 식으로 옳은 것은?

- ①

- ②

- ③

- ④

등록된 댓글이 없습니다.
46. 수정발진기에 관한 설명 중 틀린 것은?
- ① 압전 효과를 이용하여 기계적인 진동으로 기전력을 얻는다.
- ② RC 공진회로에 비해 주파수 안정도가 매우 높다.
- ③ 수정편의 절단(cut)하는 방법에 따라 전기적 온도 특성이 다르다.
- ④ 수정편이 같은 두께일 때 X컷(X cut)보다 Y컷(Y cut)의 발진주파수가 높다.
등록된 댓글이 없습니다.
47. 다음과 같은 부귀환 증폭기의 출력 임피던스는 귀환이 없을 때에 비하여 어떻게 변하는가?

- ① 출력 임피던스가 감소한다.
- ② 출력 임피던스가 증가한다.
- ③ hie배가 된다.
- ④ 변화가 없다.
등록된 댓글이 없습니다.
48. 다음 회로에서 콘덴서(C)의 역할은?

- ① 중화용
- ② 기생 진동 방지용
- ③ 상호 변조 방지용
- ④ 저주파 특성 개선용
등록된 댓글이 없습니다.
49. 다음 중 불 대수의 관한 법칙 중 틀린 것은?
- ① X+YZ=(X+Y)(X+Z)
- ② X(X+1)=X
- ③

- ④

등록된 댓글이 없습니다.
50. 전송하고자 하는 비트열이 3-bit인 짝수 패리티 발생기는?
- ①

- ②

- ③

- ④

등록된 댓글이 없습니다.
51. 다음의 회로에서 A, B가 입력이고 C, D가 출력일 때 이 회로의 명칭은?

- ① NOR로 구성된 D 플립플롭
- ② NOR로 구성된 RS 플립플롭
- ③ NAND로 구성된 D 플립플롭
- ④ NAND로 구성된 RS 플립플롭
등록된 댓글이 없습니다.
52. 이상적인 연산증폭기의 특징에 관한 설명으로 틀린 것은?
- ① 입력 오프셋전압은 0이다.
- ② 오픈 루프 전압이득이 무한대이다.
- ③ 동상 신호 제거비(CMRR)가 0이다.
- ④ 입력 바이어스 전류가 0이다.
등록된 댓글이 없습니다.
53. 100W용 실리콘 트랜지스터(25℃에서 정격)에서 사용온도가 25℃를 초과할 때 열저항이 0.5W/℃이다. 트랜지스터의 온도가 100℃일 때의 최대허용 소모전력(PD)은?
- ① 75W
- ② 73.5W
- ③ 70W
- ④ 62.5W
등록된 댓글이 없습니다.
54. N-채널 JFET에서 드레인-소스 전압의 변화에 대해서 전류가 일정한 영역에서 드레인 전류가 증가하는 경우는?
- ① 게이트-소스 바이어스 전압이 감소할 때
- ② 게이트-소스 바이어스 전압이 증가할 때
- ③ 게이트-드레인 바이어스 전압이 감소할 때
- ④ 게이트-드레인 바이어스 전압이 증가할 때
등록된 댓글이 없습니다.
55. 다음 그림과 같은 연산증폭기 회로의 출력전압(Vo)는?

- ①

- ②

- ③

- ④

등록된 댓글이 없습니다.
56. 다음 부귀환 연산증폭기 회로에서 귀환율(β)는?

- ①

- ②

- ③

- ④

등록된 댓글이 없습니다.
57. 기본적인 트랜지스터에서 스위치로서의 동작을 옳게 설명한 것은?
- ① 차단과 포화로 동작된다.
- ② 전압이득은 입력전압과 출력전압의 비이다.
- ③ Rc와 r´e는 전압이득을 결정한다.
- ④ 작은 신호를 큰 신호로 만드는 동작이다.
등록된 댓글이 없습니다.
58. 저역 능동 필터 회로의 감쇠계수(DF, damping factor)에 영향을 주는 것은?
- ① 연산증폭기 이득
- ② 부귀환 효과
- ③ 정귀환 효과
- ④ 필터의 대역폭
등록된 댓글이 없습니다.
59. 비동기식 8진 업-카운터 회로에서 초기상태가 CBA=000이다. 입력에 클럭 펄스가 14개 인가된 후의 CBA의 상태는 어떻게 되는가? (단, C는 MSB이고, 모든 플립플롭의 J=K=1이다.)
- ① CBA=111
- ② CBA=100
- ③ CBA=101
- ④ CBA=110
등록된 댓글이 없습니다.
60. 12V 직류전압원에 저항(R)과 2개의 LED가 직렬로 연결된 회로에서 각 LED에 흐르는 전류가 100mA이상 되도록 하는 저항값은? (단, LED의 전압강하는 2.2V로 하시오.)
- ① 76Ω
- ② 86Ω
- ③ 100Ω
- ④ 120Ω
등록된 댓글이 없습니다.
4과목 : 물리전자공학
61. 에너지 분포함수가 “0”이라는 것은 무엇을 의미하는가?
- ① 입자가 에너지 상태에 채워질 확률이 1이다.
- ② 에너지 상태가 비어 있다.
- ③ 입자가 에너지 상태에 채워질 확률이 0.5이다.
- ④ 입자가 에너지 상태에 채워질 확률이 0.3이다.
등록된 댓글이 없습니다.
62. 양자화된 에너지로 분포되나 파울리(Pauli)의 베타 원리가 적용되지 않는 광자를 취급하는 분포함수는?
- ① Sommerfeld 분포 함수
- ② Fermi-Dirac 분포 함수
- ③ Bose-Einstein 분포 함수
- ④ Maxwell-Boltzmann 분포 함수
등록된 댓글이 없습니다.
63. 초전도 현상에 관한 설명으로 옳은 것은?
- ① 물질의 격자 진동이 심하게 되어 파괴된다.
- ② 저항이 무한으로 커짐에 따라 전류가 흐르지 않는다.
- ③ 저온에서 격자진동이 저하하여 결국 저항이 0으로 된다.
- ④ 전자의 이동도 μ가 전계 강도 E의 평방근에 비례한다.
등록된 댓글이 없습니다.
64. 트랜지스터의 출력 특성에는 바이어스(bias) 구성에 의한 4가지 동작 영역이 있다. 증폭동작이 가능한 영역으로 옳은 것은?
- ① 포화(Saturation) 영역
- ② 활성(Active) 영역
- ③ 차단(Cut-off) 영역
- ④ 역할성(Inverted Active) 영역
등록된 댓글이 없습니다.
65. 이동도(mobility)에 관한 설명으로 틀린 것은?
- ① 이동도의 단위는 [m2/V·s]이다.
- ② 도전율이 크면 이동도도 크다.
- ③ 온도가 증가하면 이동도는 증가한다.
- ④ 이동도가 크면 높은 주파수에 적합하다.
등록된 댓글이 없습니다.
66. MOSFET와 BJT의 최상의 특성만을 결합시킨 형태의 반도체소자는?
- ① IGBT
- ② SCR
- ③ TRIAC
- ④ GTO
등록된 댓글이 없습니다.
67. 금속과 반도체의 정류성 접촉을 이용한 반도체는?
- ① Zener Diode
- ② Tunnel Diode
- ③ Impact Diode
- ④ Schottky Barrier Diode
등록된 댓글이 없습니다.
68. 접합 트랜지스터의 증폭작용은 베이스 영역에서의 어떤 전하들의 확산에 의한 것인가?
- ① 소수 캐리어
- ② 다수 캐리어
- ③ 도너(Donor) 이온
- ④ 억셉터(Acceptor) 이온
등록된 댓글이 없습니다.
69. 다음 중 일함수에 관한 설명으로 틀린 것은?
- ① 일함수는 이탈 준위와 페르미 준위와의 차로 나타난다.
- ② 일함수가 크면 적은 에너지로 많은 전자를 방출시킬 수 있다.
- ③ 일함수는 금속의 종류나 표면의 형태에 따라 다른 값을 갖는다.
- ④ 1개의 전자를 금속체로부터 공간으로 방출하는데 필요한 일의 양을 말한다.
등록된 댓글이 없습니다.
70. pn 접합 다이오드의 역포화 전류를 감소시키기 위한 방법으로 틀린 것은?
- ① 저항률을 낮게 한다.
- ② 접합 면적을 적게 한다.
- ③ 다수 캐리어의 밀도를 높인다.
- ④ 소수 캐리어의 밀도를 높인다.
등록된 댓글이 없습니다.
71. 주양자수 n=3인 전자각 M에 들어갈 수 있는 최대 전자수는?
- ① 2
- ② 8
- ③ 18
- ④ 32
등록된 댓글이 없습니다.
72. 다음 중 SCR에 관한 설명으로 틀린 것은?
- ① 전류제어형 소자이다.
- ② 게이트 전극이 전도에 영향을 준다.
- ③ 터널 다이오드와 똑같은 특성의 부성저항 소자이다.
- ④ 다이라트론(thyratron)과 비슷한 특성을 가지고 있다.
등록된 댓글이 없습니다.
73. 실내온도에서 진성반도체(Si)의 페르미 에너지(Ef)가 근사적으로 금지대역의 중앙에 위치한다고 가정할 때, 전자가 전도대의 바닥상태에 있을 확률은? (단, 실온에서 Si의 Eg=1.12eV이다.)
- ① 1
- ② 0.5
- ③ 1.1×10-6
- ④ 4.4×10-10
등록된 댓글이 없습니다.
74. 반도체의 특성에 대한 설명으로 틀린 것은?
- ① 홀 효과가 크다.
- ② 빛을 쪼이면 도전율이 증가한다.
- ③ 불순물을 첨가하면 도전율이 감소한다.
- ④ 온도에 의해 도전율이 현저하게 변화한다.
등록된 댓글이 없습니다.
75. 전자볼트(electron volt, eV)는 전자 한 개가 1볼트의 전위차를 통과할 때 얻는 운동 에너지를 1[eV]로 정한 것이다. 1[eV]는 대략 몇 J(joule)인가?
- ① 9.109×10-31
- ② 1.759×10-11
- ③ 1.602×1019
- ④ 6.547×1034
등록된 댓글이 없습니다.
76. 베이스 증폭 접합형 트랜지스터의 전류 증폭율(α)은 0.95이고, 차단 주파수(fα)는 5MHz이다. 이미터 접지로 사용할 때 차단 주파수(fβ)는?
- ① 263kHz
- ② 475kHz
- ③ 2.63MHz
- ④ 4.75MHz
등록된 댓글이 없습니다.
77. N형 불순물로 사용될 수 없는 것은?
- ① 인(P)
- ② 비소(As)
- ③ 안티몬(Sb)
- ④ 알루미늄(Al)
등록된 댓글이 없습니다.
78. 반도체 재료의 제조시 고유저항을 측정하는 이유로 옳은 것은?
- ① 불순물 반도체의 캐리어 농도를 결정하기 때문
- ② 다결정 재료의 수명 시간을 결정하기 때문
- ③ 진성 반도체의 캐리어 농도를 결정하기 때문
- ④ 캐리어의 이동도를 결정하기 때문
등록된 댓글이 없습니다.
79. 전자가 외부의 힘(열, 빛, 전장)을 받아 핵의 구속력으로부터 벗어나 결정 내를 자유로이 이동할 수 있는 자유전자의 상태로 존재하는 에너지대는?
- ① 충만대(filled band)
- ② 금지대(forbidden band)
- ③ 가전자대(valence band)
- ④ 전도대(conduction band)
등록된 댓글이 없습니다.
80. 어떤 금속의 표면전위장벽(EB)가 13.47eV이고, 페르미 에너지(Ef)가 8.95eV일 때, 이 금속의 일함수(Ew)는?
- ① 4.52eV
- ② 9.04eV
- ③ 11.21eV
- ④ 22.42eV
등록된 댓글이 없습니다.
5과목 : 전자계산기일반
81. 다음 중에서 UNIX의 쉘(shell)에 대한 설명이 가장 옳은 것은?
- ① 명령어를 해석한다.
- ② UNIX 커널의 일부이다.
- ③ 문서처리 기능을 갖는다.
- ④ 디렉토리 관리 기능을 갖는다.
등록된 댓글이 없습니다.
82. Associative 메모리와 가장 관련이 없는 것은?
- ① CAM(Content Addressable Memory)
- ② 고속의 Access
- ③ Key 레지스터
- ④ MAR(Memory Address Register)
등록된 댓글이 없습니다.
83. 채널에 의한 입출력 방식에서 채널(channel)의 종류가 아닌 것은?
- ① counter channel
- ② selector channel
- ③ multiplexer channel
- ④ block multiplexer channel
등록된 댓글이 없습니다.
84. 객체지향 언어이고 웹상의 응용 프로그램에 적합하도록 설계된 언어는?
- ① 포트란(FORTRAN)
- ② C
- ③ 자바(java)
- ④ SQL
등록된 댓글이 없습니다.
85. 10진수 255.875를 16진수로 변환한 것으로 옳은 것은?
- ① FE.D
- ② FF.E
- ③ 9F.8
- ④ FF.5
등록된 댓글이 없습니다.
86. 2진수 (1110.0111)2을 16진수로 변환한 것으로 옳은 것은?
- ① (7.7)16
- ② (14.14)16
- ③ (E.7)16
- ④ (E.E)16
등록된 댓글이 없습니다.
87. 중앙처리장치의 주요기능과 담당하는 곳(역할)의 연결이 틀린 것은?
- ① 기억기능 : 레지스터(register)
- ② 연산기능 : 연산기(ALU)
- ③ 전달기능 : 누산기(accumulator)
- ④ 제어기능 : 조합회로와 기억소자
등록된 댓글이 없습니다.
88. 프로그램 카운터가 명령어의 번지와 더해져서 유효번지를 결정하는 어드레싱 모드는?
- ① 레지스터 모드
- ② 간접번지 모드
- ③ 상대번지 모드
- ④ 인덱스 어드레싱 모드
등록된 댓글이 없습니다.
89. 컴퓨터의 구조 중 스택 구조에 대한 설명으로 가장 옳지 않은 것은?
- ① 스택 메모리의 번지 레지스터로서 스택 포인터가 있으며 LIFO로 동작한다.
- ② 메모리에 항목을 저장하는 것을 PUSH라 하고 빼내는 동작을 POP이라고 한다.
- ③ PUSH, POP 동작 시 SP를 증가시키거나 감소시키는 문제는 스택의 구성에 따라 달라질 수 있다.
- ④ PUSH, POP 명령에서 스택과 오퍼랜드 사이의 정보 전달을 위해서는 번지 필드가 필요 없다.
등록된 댓글이 없습니다.
90. CPU를 구성하는 구성 요소로서 ALU에서 처리하는 자료를 항상 기억하며 처리하고자 하는 데이터를 일시 기억하는 레지스터는?
- ① ACC
- ② SR
- ③ IR
- ④ SP
등록된 댓글이 없습니다.
91. 파이프라이닝(Pipelining)에 대한 설명으로 가장 옳지 않은 것은?
- ① 프로세서가 이전 명령어를 마치기 전에 다음 명령어 수행을 시작하는 기법이다.
- ② CPU가 필요한 데이터를 찾을 때 읽기와 쓰기 동작을 향상시키는 기법이다.
- ③ 명령어 사이클들이 동 시간대에 중첩되어 처리되는 개념을 나타낸다.
- ④ 단계별 시간차를 거의 동일하게 하면 속도향상을 꾀할 수 있다.
등록된 댓글이 없습니다.
92. 콘솔(console)이나 보조기억장치에서 마이크로프로그램이 로드(load)되는 기법은?
- ① dynamic micro-programming
- ② static micro-programming
- ③ horizontal micro-programming
- ④ vertical micro-programming
등록된 댓글이 없습니다.
93. 기억번지와 1대 1로 부여되는 번지를 무슨 번지라고 하는가?
- ① 상대번지
- ② 절대번지
- ③ 직접번지
- ④ 간접번지
등록된 댓글이 없습니다.
94. 다음 중에서 일반적인 직렬 전송 통신 속도를 나타낼 때 사용하는 단위는?
- ① LPM(Line Per Minute)
- ② CPM(Character Per Minute)
- ③ CPS(Character Per Second)
- ④ BPS(Bit Per Second)
등록된 댓글이 없습니다.
95. 다음 C 프로그램의 실행 결과로 옳은 것은?

- ① i= 4, b= 6
- ② i= 5, b= 10
- ③ i= 6, b= 15
- ④ i= 10, b= 55
등록된 댓글이 없습니다.
96. 스택(stack)이 반드시 필요한 명령문 형식은?
- ① 0-주소 형식
- ② 1-주소 형식
- ③ 2-주소 형식
- ④ 3-주소 형식
등록된 댓글이 없습니다.
97. 다음 논리 연산자 중 데이터의 필요없는 부분을 지우고자 할 때 쓰는 연산자는?
- ① AND
- ② OR
- ③ EX-OR
- ④ NOT
등록된 댓글이 없습니다.
98. 다음 중 데이터통신에 널리 쓰이며, 특히 마이크로프로세서용으로 많이 사용되는 코드는?
- ① EBCDIC 코드
- ② Excess-3 코드
- ③ ASCII 코드
- ④ Gray 코드
등록된 댓글이 없습니다.
99. 주소 모드(addressing mode)에서 현재의 명령어 번지와 프로그램 카운터의 합으로 표시되는 방식은?
- ① direct addressing mode
- ② indirect addressing mode
- ③ absolute addressing mode
- ④ relative addressing mode
등록된 댓글이 없습니다.
100. C 언어의 지정어(reserved word)가 아닌 것은?
- ① auto
- ② default
- ③ enum
- ④ sum
등록된 댓글이 없습니다.