전자기사(2016. 10. 1.) 시험일자 : 2016년 10월 1일
1과목 : 전기자기학
1. 상자성체에서 자화율(magnetic susceptibility)는?
- ① X=0
- ② X=1
- ③ X
- ④ X>0
등록된 댓글이 없습니다.
2. 그림과 같이 단면적이 균일한 환상철심에 권수 N1인 A코일과 권수 N2인 B코일이 있을 때, A코일의 자기 인덕턴스가 L1(H)이라면 두 코일의 상호 인덕턴스 M(H)는? (단, 누설자속은 0이다.)

- ①

- ②

- ③

- ④

등록된 댓글이 없습니다.
3. 간격 3m의 평행 무한평면도체에 각각 ±4C/m2의 전하를 주었을 때, 두 도체간의 전위차는 약 몇 V인가?
- ① 1.5×1011
- ② 1.5×1012
- ③ 1.36×1011
- ④ 1.36×1012
등록된 댓글이 없습니다.
4. 그림과 같이 평행한 무한장 직선도선에 I(A), 4I(A)인 전류가 흐른다. 두 선 사이의 점 P의 자계의 세기가 0이라고 하면 a/b는?

- ①

- ②

- ③

- ④

등록된 댓글이 없습니다.
5. 파라핀유 속에서 5cm의 거리를 두고 5μC과 4μC의 점전하가 있다. 두 점전하 사이에 작용하는 힘은 약 몇 N 인가? (단, 파라핀유의 비유전율은 2.2라고 한다.)
- ① 8.57
- ② 32.7
- ③ 65.5
- ④ 163.6
등록된 댓글이 없습니다.
6. 그림과 같은 영구자석과 아라고판(Arago plate)에 대한 설명으로 틀린 것은?

- ① 영구자석을 아라고판과 나란히 아라고판의 회전축을 중심으로 원 둘레와 나란히 이동시키면, 아라고판이 영구자석의 이동방향을 따라 회전한다.
- ② 아라고 원판을 아라고판의 회전축 주위로 회전시키면, 영구자석에 의하여 아라고판에 맴돌이 전류(eddy current)가 발생하여 제동작용이 생긴다.
- ③ 영구자석을 아라고 판과 나란히 아라고판의 회전축을 중심으로 그림과 같이 나란히 이동시키면, 항상 축의 중심에서 아라고판의 원둘레 방향으로 전류가 발생한다.
- ④ 영구자석을 아라고판의 회전축을 중심으로 움직이는 대신 아라고판상에 이동자계를 만들어주어도 자계의 이동방향을 따라 아라고판이 회전한다.
등록된 댓글이 없습니다.
7. 진공 중에 있는 두 점자극 +m(Wb)와 -m(Wb)가 r(m) 거리에 있을 때, 두 점자극을 잇는 직선의 중앙점에서 자계의 크기(AT/m)는?
- ①

- ②

- ③

- ④

등록된 댓글이 없습니다.
8. 반지름 50cm인 서로 나란한 두 원형코일을 1mm 간격으로 동축 상에 평행 배치한 후 각 코일에 100A의 전류가 같은 방향으로 흐를 때 코일 상호간에 작용하는 인력은 약 몇 N 인가?
- ① 3.14
- ② 6.28
- ③ 31.4
- ④ 62.8
등록된 댓글이 없습니다.
9. 투자율 μ(H/m)에서 길이 ℓ(m), 간격 d(m)인 두 평행도선 사이의 상호인덕턴스(H)는? (단, ℓ≫d이다.)
- ①

- ②

- ③

- ④

등록된 댓글이 없습니다.
10. 어떤 코일의 전류와 자속의 특성이 그림과 같이 주어졌다고 한다. 전류가 25A이면 이 코일에 저장되는 에너지는 몇 J 인가?

- ① 31.25×10-3
- ② 35.75×10-3
- ③ 38.75×10-3
- ④ 41.25×10-3
등록된 댓글이 없습니다.
11. 정전계에 대한 설명 중 틀린 것은?
- ① 전기력선은 전하가 없는 곳에서는 서로 교차한다.
- ② 단위 전하에서 나오는 전기력선의 수는 1/Є0개이다.
- ③ 도체에 주어진 전하는 도체표면에만 분포한다.
- ④ 중공도체(中空導體)에 준 전하는 외부 표면에만분포하고 내부표면에는 존재하지 않는다.
등록된 댓글이 없습니다.
12. 비유전율 εs=80, 비투자율 μs=1인 전자파의 고유임피던스는 약 몇 Ω 인가?
- ① 21
- ② 42
- ③ 80
- ④ 160
등록된 댓글이 없습니다.
13. 공극의 겉넓이가 Sa=4.26×10-2m2이고, 길이가 la=5.6㎜인 직류기에 있어서 공극의 자기저항은 약 몇 AT/Wb 인가?
- ① 10.5×102
- ② 10.5×10-2
- ③ 1.05×105
- ④ 1.05×10-5
등록된 댓글이 없습니다.
14. 다음 식 중 틀린 것은?
- ① 가우스(Gauss)의 정리 : div D=ρ
- ② 포아송(Poisson) 방정식 :

- ③ 스토크스(Stokes)의 정리 :

- ④ 발산정리 :

등록된 댓글이 없습니다.
15. Є1 > Є2인 두 유전체의 경계면에 전계가 수직으로 입사할 때 경계면에 작용하는 힘은?
- ① 의 힘이 Є1에서 Є2로 작용한다.

- ② 의 힘이 Є2에서 Є1으로 작용한다.

- ③ 의 힘이 Є2에서 Є1으로로 작용한다.

- ④ 의 힘이 Є1에서 Є2로 작용한다.

등록된 댓글이 없습니다.
16. 전기량이 0.2C인 점전하가 전계 E=5j+k(V/m) 및 자속밀도 B=2j+5j(Wb/m2)인 전자계에 v=2i+3j(m/s)의 속도로 돌입할 때 점전하에 작용하는 힘(N)은?
- ① i+j-2k
- ② 2i-j+5k
- ③ 3i-j+k
- ④ 5i+j-3k
등록된 댓글이 없습니다.
17. 다음 중 저항률이 가장 작은 것은?
- ① 동
- ② 철
- ③ 수은
- ④ 알루미늄
등록된 댓글이 없습니다.
18. 동일한 금속 도선의 두 점 사이에 온도차를 주고 전류를 흘리면 열의 발생 또는 흡수가 일어나는 현상은?
- ① 펠티에(Peltier) 효과
- ② 볼타(Volta) 효과
- ③ 제벡(Seebeck) 효과
- ④ 톰슨(Thomson) 효과
등록된 댓글이 없습니다.
19. 환상철심 코일에 5A의 전류를 흘려 2000AT의 기자력을 생기게 하려면 코일의 권수(회)는?
- ① 10000
- ② 500
- ③ 400
- ④ 250
등록된 댓글이 없습니다.
20. 진공 중에서 내구의 반지름 a=3cm, 외구의 내반지름 b=9cm인 두 동심구 사이의 정전용량은 몇 pF 인가?
- ① 0.5
- ② 5
- ③ 50
- ④ 500
등록된 댓글이 없습니다.
2과목 : 회로이론
21. R-C 병렬회로에 60hz, 100V를 가하였을 때 유효전력 800W, 무효전력 600Var이면 저항R[Ω], 정전용량 C[μF]의 값은?
- ① R=12.5, C=159
- ② R=15.5, C=180
- ③ R=18.5, C=189
- ④ R=20.5, C=219
등록된 댓글이 없습니다.
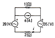
22. 전류 i 방향으로의 2Ω 양단에서의 전압강하는?

- ① 2
- ② 4
- ③ 6
- ④ 8
등록된 댓글이 없습니다.
23. R=20Ω, L=0.05H, C=1μF인 R-L-C 직렬회로에서 Q는 약 얼마인가?
- ① 25.2
- ② 17.2
- ③ 15.2
- ④ 11.2
등록된 댓글이 없습니다.
24. 크기 A인 임펄스의 스펙트럼(amplitude sprctrum)은?
- ① Ae-jωt0
- ② 1
- ③ A
- ④ Aejωt0
등록된 댓글이 없습니다.
25. 다음 회로에서 VO(t)의 실효값은?

- ① 0V
- ② 10V
- ③

- ④

등록된 댓글이 없습니다.
26. 다음 설명이 나타내는 것은?

- ① 노튼 정리
- ② 보상 정리
- ③ 테브난 정리
- ④ 중첩의 정리
등록된 댓글이 없습니다.
27. 다음 그림과 같은 4단자 회로망의 4단자 정수에서 C는?

- ① 1/Z2
- ② 1
- ③

- ④

등록된 댓글이 없습니다.
28. 함수 f(t)=sinωt+2cosωt의 라플라스 변환은?
- ①

- ②

- ③

- ④

등록된 댓글이 없습니다.
29. R-C 직렬회로에 직류전압 5V를 인가하고, t=0에서 스위치를 ON 한다면 커패시터 양단에 걸리는 전압 Vc 는? (단, R=1Ω, C=1F 이다.)
- ① -5e-t
- ② 5e-t
- ③ 5(1-e-t)
- ④ 5(1-et)
등록된 댓글이 없습니다.
30. 필터의 차단 주파수는 출력 전압이 입력 전압의 몇 배인 주파수로 정의하는가?
- ① √2배
- ② 1/√2배
- ③ 1/2배
- ④ 1/2√2배
등록된 댓글이 없습니다.
31. 다음 그림과 같은 파형의 Laplace 변환은?

- ① 3
- ② 3/s
- ③

- ④

등록된 댓글이 없습니다.
32. 5H의 인덕터에 v(t)=20√2 cos(ωt-30°)V의 전압을 인가하였을 때 인덕터 흐르는 전류 i(t)의 순시값은? (단, ω=100[rad/s]이다.)
- ① i(t)=0.04√2cos(100t-120°)
- ② i(t)=0.02√2cos(100t-120°)
- ③ i(t)=0.04√2cos(100t+60°)
- ④ i(t)=0.02√2cos(100t+60°)
등록된 댓글이 없습니다.
33. 다음 회로에서 스위치 SW를 닫은 후 t가 2초일 때 회로에 흐르는 전류는 몇 A 인가?

- ① 3.68
- ② 4.52
- ③ 6.32
- ④ 8.12
등록된 댓글이 없습니다.
34. v(t)=cos2πf0t을 Fourier 변환한 V(f)를 구하면?
- ① V(t)=δ(f-f0)+δ(f+f0)
- ② V(t)=π(f-f0)+δ(f+f0)
- ③ V(t)=1/2(f-f0)+δ(f+f0)
- ④ V(t)=2π(f-f0)+δ(f+f0)
등록된 댓글이 없습니다.
35. R=20Ω, XL=10Ω, XC=5Ω을 병렬로 접속한 회로의 어드미턴스 Y[℧]은 얼마인가?
- ① 0.06+j0.1
- ② 0.05+j0.1
- ③ 0.06-j0.1
- ④ 0.05-j0.1
등록된 댓글이 없습니다.
36. Vt=Vmsin(ωt50°)와 It=Imcos(ωt-80°)는?
- ① 10°
- ② 20°
- ③ 30°
- ④ 40°
등록된 댓글이 없습니다.
37. 입력과 출력신호를 각각 x(t), y(t)라고 할 때, 아래 미분방정식의 전달함수는? (단, y(0)=0이다.)

- ①

- ②

- ③

- ④

등록된 댓글이 없습니다.
38. 10μF의 커패시터에 10V, 50Hz의 교류전압을 인가할 때 무효 전력은 몇 Var 인가?
- ① π/10
- ② π
- ③ 10π
- ④ 100π
등록된 댓글이 없습니다.
39. 그림과 같은 시간함수를 라플라스 변환하면?

- ①

- ②

- ③

- ④ 1/s
등록된 댓글이 없습니다.
40. 4단자망의 파라미터에 대한 설명으로 틀린 것은?
- ① h 파라미터에서 h12와 h21는 차원(단위)이 없다.
- ② ABCD 파라미터에서 A와 D는 차원(단위)이 있다.
- ③ h 파라미터에서 h11은 임피던스의 차원을 h22는 어드미턴스의 차원(단위)을 갖는다.
- ④ ABCD 파라미터에서 B는 임피던스의 차원(단위)을 C는 어드미턴스의 차원(단위)을 갖는다.
등록된 댓글이 없습니다.
3과목 : 전자회로
41. 불대수에서 (A++B)(A+C)와 등식이 성립하는 것은?
- ① ABC
- ② A+B+C
- ③ AB+C
- ④ A+BC
등록된 댓글이 없습니다.
42. 동기 3단 2진 카운터 회로를 설계할 때, JK-FF(Flip Flop) 3개와 어떤 게이트 1개를 사용하면 되는가?
- ① AND
- ② OR
- ③ NOT
- ④ EX-OR
등록된 댓글이 없습니다.
43. 다음과 같은 논리회로에 대한 설명으로 틀린것은?

- ① 입력 A, B, C, D가 모두 0 이면, Y=1 이다.
- ② 입력 A, B, C, D가 모두 1 이면, Y=0 이다.
- ③ 입력 A, B, C, D에서 1의 상태의 개수가 홀수이면, Y=1 이다.
- ④ 입력 A, B, C, D에서 1의 상태의 개수가 짝수이면, Y=0 이다.
등록된 댓글이 없습니다.
44. 다음의 클램퍼 회로에서 그림과 같은 입력신호가 주어질 때 출력 파형의 모양은?

- ①

- ②

- ③

- ④

등록된 댓글이 없습니다.
45. 귀환에 관한 설명으로 옳지 않은 것은?
- ① 귀환된 신호와 본래의 입력과의 위상관계에 있어서 역위상인 경우를 부귀환이라 한다.
- ② 귀환전압이 출력전류에 비례할 때를 전류귀환이라 한다.
- ③ 귀환전압이 출력전류에 비례하는 경우를 직렬귀환이라 한다.
- ④ 직렬귀환과 병렬귀환이 함께 사용된 것을 복합귀환이라 한다.
등록된 댓글이 없습니다.
46. 다음 발진 회로에서 발진 주파수는?

- ① 35.6kHz
- ② 22.3kHz
- ③ 3.56kHz
- ④ 2.23kHz
등록된 댓글이 없습니다.
47. 다음 회로에서 Re의 주 역할은? (단, C의 값은 매우 크다.)

- ① 출력증대
- ② 동작점의 안정화
- ③ 바이어스 전압감소
- ④ 주파수 대역폭 증대
등록된 댓글이 없습니다.
48. 다음 회로의 출력전압(VO)의 파형은? (단, Rf는 무시한다.)

- ①

- ②

- ③

- ④

등록된 댓글이 없습니다.
49. 다음 설명 중 래치와 플립플롭을 구분하는 트리거로 옳은 것은?
- ① 래치는 에지 트리거, 플립플롭은 에지 트리거
- ② 래치는 에지 트리거, 플립플롭은 레벨 트리거
- ③ 래치는 레벨 트리거, 플립플롭은 에지 트리거
- ④ 래치는 레벨 트리거, 플립플롭은 레벨 트리거
등록된 댓글이 없습니다.
50. A급 전력 증폭기에서 최대의 출력을 얻기 위하여 필요한 바이어스 조건은?
- ① 피크 부하전류의 절반
- ② 피크 부하전류의 2배
- ③ 피크 부하전류
- ④ 차단전압
등록된 댓글이 없습니다.
51. 아래 그림과 같은 연산증폭기에서 Vi=V1sinωt란 입력이 들어왔을 때 출력전압(Vo)의 값은? (단, R=1MΩ, C=2μF, V1=2V, ω=120π[rad/sec]이다.)

- ① -480π cos120πt
- ② -240π cos120πt
- ③ -4cos120πt
- ④ -4π cos120πt
등록된 댓글이 없습니다.
52. 다음 회로에 대한 설명으로 틀린 것은?

- ① Darlington 접속이다.
- ② Emitter follower이다.
- ③ Emitter에 정전압을 인가한다.
- ④ 등가적으로 NPN 트랜지스터와 같다.
등록된 댓글이 없습니다.
53. 다음 중 불대수의 정리가 성립되지 않는 것은?
- ① A + B = B + A
- ② A∙B=A∙(A+B)
- ③ A∙(B+C)=A∙B+A∙C
- ④ A + (B∙C)=(A+B)∙(A+C)
등록된 댓글이 없습니다.
54. 다음 회로는 BJT의 소신호 등가 모델이다. 여기서 ro와 가장 관련이 깊은 것은?

- ① Early 효과
- ② Miller 효과
- ③ Pinchoff 현상
- ④ Breakdown 현상
등록된 댓글이 없습니다.
55. TTL과 비교하여 CMOS 논리회로의 특징이 아닌 것은?
- ① 소비전력이 작다.
- ② 잡음여유도가 크다.
- ③ 높은 입력 임피던스이다.
- ④ 전달 지연 시간이 짧다.
등록된 댓글이 없습니다.
56. 4변수 카르노 맵을 이용하여 정리한 논리식 중에서 틀린 항은? (문제 오류로 실제 시험에서는 1, 2, 4번이 정답처리 되었습니다. 여기서는 1번을 누르면 정답 처리 됩니다.)
- ①

- ②

- ③

- ④

등록된 댓글이 없습니다.
57. hoe가 50×10-6[℧]인 트랜지스터를 200[Ω]의 부하와 정합시키려면 정합 변압기의 권선비(turnratio)는?
- ① 5 : 1
- ② 10 : 1
- ③ 50 : 1
- ④ 100 : 1
등록된 댓글이 없습니다.
58. 상승시간이 0.175μs인 연산증폭기를 이용하여 20kHz의 정현파 신호를 증폭하려고 할 때 최대로 얻을 수 있는 전압이득은 약 몇 dB 인가? (단, 이득 대역폭 적(G∙B)=0.35/상승시간이다.)
- ① 10
- ② 20
- ③ 30
- ④ 40
등록된 댓글이 없습니다.
59. 다음 그림은 터널 다이오드(Tunnel Diode) 전압-전류 특성곡선이다. 발진이 일어날 수 있는 영역은?

- ① A
- ② B
- ③ C
- ④ D
등록된 댓글이 없습니다.
60. 다음 회로의 명칭은 무엇인가? (단, R1=R2=R3=RF이다.)

- ① 반전 증폭회로
- ② 비반전 증폭회로
- ③ 차동 증폭회로
- ④ 미분 회로
등록된 댓글이 없습니다.
4과목 : 물리전자공학
61. 운동 전자의 드브로이 파장이 3×10-10[m]인 경우 전자의 속도는? (단, 프랭크 상수 h=6.6×10-34[Jㆍsec]전자의 질량 m=9.1×10-31[kg] 이다.)
- ① 12×104[m/s]
- ② 12×105[m/s]
- ③ 2.4×106[m/s]
- ④ 16×107[m/s]
등록된 댓글이 없습니다.
62. 파울리(Pauli)의 배타 원리가 적용되는 통계 방식의 종류는?
- ① Maxwell-Boltzmann 통계
- ② Bose-Einstein 통계
- ③ Fermi-Dirac 통계
- ④ Gausian 통계
등록된 댓글이 없습니다.
63. 전자와 정공의 농도(concentration)를 구하는 것에 이용될 수 있는 것은?
- ① Hall effect
- ② Tunnel effect
- ③ piezo effect
- ④ photo electric effect
등록된 댓글이 없습니다.
64. 다음 중 전류 제어용 소자는?
- ① 3극 진공관
- ② 접합 트랜지스터
- ③ 접합 전계효과 트랜지스터
- ④ 절연 게이트 전계효과 트랜지스터
등록된 댓글이 없습니다.
65. 펀치 스루(punch through) 현상에 대한 설명으로 틀린 것은?
- ① 베이스 중성 영역이 없는 상태이다.
- ② 펀치스루 전압은 베이스 영역 폭의 제곱에 비례한다.
- ③ 컬렉터 역바이어스의 증가에 의해 발생하는 현상이다.
- ④ 펀치스루 전압은 베이스 내의 불순물 농도에 반비례한다.
등록된 댓글이 없습니다.
66. pn 접합 다이오드에 역방향 바이어스 전압을 공급할 때의 특징으로 틀린 것은?
- ① 접합용량이 증가
- ② 전위장벽이 증가
- ③ 공간전하의 영역 증가
- ④ 공핍층이 증가
등록된 댓글이 없습니다.
67. 300[K]에서 페르미 준위보다 0.1[eV]만큼 낮은 에너지 준위에 전자가 점유하는 확률은 약 얼마인가?
- ① 0.02
- ② 0.1
- ③ 0.7
- ④ 0.98
등록된 댓글이 없습니다.
68. 재결합 중심(recombination center)의 원인이 되는 설명으로 옳지 않은 것은?
- ① 결정표면의 불균일
- ② 순도가 높은 결정
- ③ 결정격자의 결함
- ④ 불순물에 의한 격자 결함
등록된 댓글이 없습니다.
69. 서미스터(thermistor)에 대한 설명 중 틀린 것은?
- ① 반도체의 일종이다.
- ② 온도제어 회로 등에 사용된다.
- ③ 일반적으로 정(+)의 온도계수를 가진다.
- ④ CTR(Critical Temperature Resistor)은 이것을 응용한 것이다.
등록된 댓글이 없습니다.
70. 순수 반도체가 절대온도 0[K]의 환경에 존재하는 경우 이 반도체의 특성을 가장 바르게 설명한 것은?
- ① 소수의 정공과 소수의 자유전자를 가진다.
- ② 금속 전도체와 같은 행동을 한다.
- ③ 많은 수의 정공을 갖고 있다.
- ④ 절연체와 같이 행동한다.
등록된 댓글이 없습니다.
71. 부성(negative) 저항 특성을 나타내는 다이오드는?
- ① 터널 다이오드
- ② 바랙터 다이오드
- ③ 제너 다이오드
- ④ 정류용 다이오드
등록된 댓글이 없습니다.
72. FET를 단극성 소자라고 하는 이유는?
- ① 게이트가 대칭인 구조이기 때문이다.
- ② 전자만으로 전류가 운반되기 때문이다.
- ③ 소스와 드레인 단자가 같은 성질이기 때문이다.
- ④ 다수 캐리어만으로 전류가 운반되기 때문이다.
등록된 댓글이 없습니다.
73. 전자의 입자와 파동의 이중성을 설명하는 드브로이파(de Broglie wave, 물질파)에 관한 올바른 식은? (단, h: 프랭크 상수, m: 전자의 질량, υ: 속도, λ: 파장이다.)
- ① λ=(mh)/υ
- ② λ=υ/(mh)
- ③ λ=m/(hυ)
- ④ λ=h/(mυ)
등록된 댓글이 없습니다.
74. P 채널 전계효과 트랜지스터(FET)에 흐르는 전류는 주로 어느 현상에 의한 것인가?
- ① 전자의 확산 현상
- ② 정공의 확산 현상
- ③ 전자의 드리프트 현상
- ④ 전공의 드리프트 현상
등록된 댓글이 없습니다.
75. 서로 다른 도체로 폐회로를 구성하고 직류전류를 흐르게 했을 때, 전류의 방향에 따라 서로 다른 도체 사이의 접합의 한쪽은 가열되는 반면, 또 다른 한쪽은 냉각이 되는 효과를 무엇이라 하는가?
- ① Peltier Effect
- ② Seebeck Effect
- ③ Zeeman Effect
- ④ Hall Effect
등록된 댓글이 없습니다.
76. 에너지 Level E가 전자에 의해서 채워질 확률을 f(E)라 했을 때, 에너지 Level E가 정공에 의해서 채워질 확률은?
- ① f(E)-1
- ② 1-f(E)
- ③ 1/(f(E)-1)
- ④ 1/(1-f(E))
등록된 댓글이 없습니다.
77. 접합형 트랜지스터가 스위치로 쓰이는 영역은?
- ① 포화영역과 활성영역
- ② 활성영역과 차단영역
- ③ 활성영역과 역할성영역
- ④ 포화영역과 차단영역
등록된 댓글이 없습니다.
78. 진성반도체에서 온도에 따른 페르미 준위와의 관계로 가장 옳은 것은? (단, 전자와 정공의 유효질량은 같다고 가정한다.)
- ① 가전자대 쪽으로 접근한다.
- ② 전도대 쪽으로 접근한다.
- ③ 금지대 중앙으로 접근한다.
- ④ 온도와는 무관하다.
등록된 댓글이 없습니다.
79. 고속의 전자(이온)가 금속의 표면에 충돌하면 금속 안의 자유전자가 방출되는 현상은?
- ① 전계 방출
- ② 열전자 방출
- ③ 광전자 방출
- ④ 2차 전자 방출
등록된 댓글이 없습니다.
80. 베이스 폭(d)이 0.02mm 이고, 전자의 확산계수(De)가 0.02[m2 /sec]인 트랜지스터의 차단주파수는 약 MHz 인가?
- ① 1.6
- ② 16
- ③ 50
- ④ 80
등록된 댓글이 없습니다.
5과목 : 전자계산기일반
81. 4-단계 파이프라인 구조의 컴퓨터에서 클락주기가 1μs일 때, 10개의 명령어를 실행하는데 걸리는 시간은?
- ① 10μs
- ② 11μs
- ③ 12μs
- ④ 13μs
등록된 댓글이 없습니다.
82. Associative 기억장치의 특징에 대한 설명으로 가장 적합하지 않은 것은?
- ① 별도의 판독회로 구성이 필요없기 때문에 하드웨어 비용이 절감된다.
- ② 병렬 판독회로가 있어야 한다.
- ③ 번지에 의해서만 접근이 가능한 기억장치보다 정보검색이 신속하다.
- ④ 기억된 정보의 일부분을 이용하여 원하는 정보가 기억된 위치를 알아낸 후 나머지 정보에 접근한다.
등록된 댓글이 없습니다.
83. 부동소수점 연산에서 정규화의 이유로 가장 타당한 것은?
- ① 지수의 값을 크게 하기 위해서이다.
- ② 수의 정밀도를 높이기 위함이다.
- ③ 부호 비트를 생략하기 위함이다.
- ④ 가수부의 비트수를 줄이기 위함이다.
등록된 댓글이 없습니다.
84. C 프로그램에서 선행처리기에 대한 설명으로 가장 옳지 않은 것은?
- ① 컴파일하기 전에 처리해야 할 일들을 수행하는 것이다.
- ② 상수를 정의하는 데에도 사용한다.
- ③ 프로그램에서 '#' 표시를 사용한다.
- ④ 유틸리티 루틴을 포함한 표준 함수를 제공한다.
등록된 댓글이 없습니다.
85. CPU의 제어ㆍ기억장치에서 주소를 결정하는 방법에 대한 설명으로 가장 옳지 않은 것은?
- ① 제어 주소 레지스터의 내용을 하나씩 감소시킨다.
- ② 마이크로 명령에서 지정하는 번지로 무조건 분기한다.
- ③ 상태 비트에 따른 조건부 분기를 한다.
- ④ 매크로 동작 비트로부터 ROM으로의 매핑이 가능하다.
등록된 댓글이 없습니다.
86. 마이크로프로그램을 이용한 제어 방식의 특징에 대한 설명으로 옳지 않은 것은?
- ① 구조적이고 임의적인 설계가 가능하다.
- ② 경제적이며 시스템의 설계비용을 줄일 수 있다.
- ③ 보다 용이한 유지보수 관리가 가능하다.
- ④ 시스템이 간단하여 많은 제어 결정을 필요로 하지 않을 때 유리하다.
등록된 댓글이 없습니다.
87. 컴퓨터 주기억장치의 용량을 1MB(Mega Byte)의 크기로 구성하려고 한다. 1 바이트가 8 bit이고 Parity bit를 포함한다면 64KB(Kilo Byte) DRAM의 칩이 몇 개가 필요한가?
- ① 16
- ② 17
- ③ 128
- ④ 144
등록된 댓글이 없습니다.
88. 마이크로컴퓨터 내에서 각 장치 간의 정보교환을 위해 필요한 물리적 연결은?
- ① I/O processor
- ② Cache
- ③ Bus
- ④ Register
등록된 댓글이 없습니다.
89. CPU가 명령어를 실행할 때의 메이저 상태에 대한 설명으로 가장 옳은 것은?
- ① 실행 사이클은 간접주소 방식의 경우에만 수행된다.
- ② 명령어의 종류를 판별하는 것을 간접 사이클이라 한다.
- ③ 기억장치 내의 명령어를 CPU로 가져오는 것을 인출 사이클이라 한다.
- ④ 인터럽트 사이클 동안 데이터를 기억장치에서 읽어낸다.
등록된 댓글이 없습니다.
90. 마이크로컴퓨터와 외부의 입ㆍ출력 장치 간의 정보 교환을 수행하는 것은?
- ① interface unit
- ② arithmetic unit
- ③ control unit
- ④ interrupt process unit
등록된 댓글이 없습니다.
91. STACK에 관한 용어 또는 명령어로 가장 관련이 없는 것은?
- ① FIFO
- ② PUSH
- ③ POP
- ④ LIFO
등록된 댓글이 없습니다.
92. CPU가 입ㆍ출력 데이터 전송을 메모리에서의 데이터 전송과 같은 방법으로 수행할 수 있는 입ㆍ출력 제어방식은?
- ① Interrupt I/O
- ② Memory-mapped I/O
- ③ Isolated I/O
- ④ Programmed I/O
등록된 댓글이 없습니다.
93. 64 Kilo Bit DRAM이 몇 개 있어야 128 Kilo Byte의 용량이 되는가?
- ① 2개
- ② 4개
- ③ 8개
- ④ 16개
등록된 댓글이 없습니다.
94. 그림과 같은 JK 플립플롭을 결선하고, 클락펄스를 계속 인가하였을 때의 출력상태는?

- ① Set 된다.
- ② Reset 된다.
- ③ Toggle 된다.
- ④ 동작불능 상태가 된다.
등록된 댓글이 없습니다.
95. 2진수 10111101001를 16진수로 변환시킨 것은?
- ① 5D9(16)
- ② AE9(16)
- ③ 5E9(16)
- ④ B59(16)
등록된 댓글이 없습니다.
96. 시스템 소프트웨어에 대한 설명으로 가장 옳은 것은?
- ① 라이브러리 프로그램은 응용 프로그래머에게 표준 루틴을 제공한다.
- ② 언어 프로세서는 기계언어를 사용자 편의로 된 언어로 번역한다.
- ③ 진단 프로그램은 컴퓨터의 고장을 고쳐준다.
- ④ 로더 프로그램은 주기억장치의 내용을 보조기억장치로 보낸다.
등록된 댓글이 없습니다.
97. DMA(Direct Memory Access)에 관한 설명으로 올바른 것은?
- ① CPU가 입ㆍ출력을 직접 제어한다.
- ② 입ㆍ출력 동작을 수행하는 동안에는 프로세서가 다른 일을 하지 못한다.
- ③ 입ㆍ출력 모듈의 인터럽트 신호에 의하여 데이터 전송이 이루어진다.
- ④ CPU가 개입하지 않고 기억장치와 입ㆍ출력 모듈 사이에 데이터 전송이 이루어진다.
등록된 댓글이 없습니다.
98. 마이크로소프트사에서 디바이스 드라이버의 개발을 표준화시키고 호환성을 가지게 하기 위해 만든 드라이버 모델은?
- ① ISA
- ② PCI
- ③ OSC
- ④ WDM
등록된 댓글이 없습니다.
99. 16×8 ROM을 설계할 때 필요한 게이트의 종류와 그 개수는?
- ① AND 8개, OR 8개
- ② AND 8개, OR 16개
- ③ AND 16개, OR 8개
- ④ AND 16개, OR 16개
등록된 댓글이 없습니다.
100. 순서도(flowchart) 작성 시 주의사항에 대한 설명으로 가장 옳지 않은 것은?
- ① 모든 문장을 하나의 블록으로 상세히 그린다.
- ② 되도록이면 선이 교차하지 않게 그린다.
- ③ 적당한 설명을 첨부한다.
- ④ 서브루틴은 가급적 별도로 그린다.
등록된 댓글이 없습니다.