전자산업기사(2014. 3. 9.) 시험일자 : 2014년 3월 9일
1과목 : 전자회로
1. 발진기에 대한 설명 중 옳지 않은 것은?
- ① 직류를 공급하여 교류를 얻어내는 회로를 말한다.
- ② 발진기는 부궤환(negative feedback) 특성을 이용한다.
- ③ 정상적인 발진을 위해서는 Barkhausen의 발진조건을 만족시켜야 한다.
- ④ 선택도 Q가 큰 동조회로를 사용할수록 주파수 안정도가 양호하다.
등록된 댓글이 없습니다.
2. 다음과 같은 연산증폭기의 전압이득은? (단, Ri=2[MΩ], Rf=1[MΩ]이다.)

- ① 0.5
- ② -0.5
- ③ 2
- ④ -2
등록된 댓글이 없습니다.
3. 부궤환 증폭기의 일반적인 특징에 대한 설명으로 옳지 않은 것은?
- ① 왜곡의 감소
- ② 잡음의 감소
- ③ 대역폭의 증가
- ④ 안정도의 감소
등록된 댓글이 없습니다.
4. 트랜지스터를 증폭기로 사용할 때의 동작 영역으로 옳은 것은?
- ① 차단영역
- ② 포화영역
- ③ 활성영역
- ④ 비포화영역
등록된 댓글이 없습니다.
5. 다음 중 슬루율(slew rate)의 단위로 가장 적합한 것은?
- ① [A/㎲]
- ② [W/㎲]
- ③ [㎼/㎲]
- ④ [V/㎲]
등록된 댓글이 없습니다.
6. 다음 중 정현파 발진회로가 아닌 것은?
- ① 동조형 발진회로
- ② 콜피츠 발진회로
- ③ 이상형 RC 발진회로
- ④ 톱니파 발진회로
등록된 댓글이 없습니다.
7. 다음 중 연산증폭기의 스위칭 특성에 가장 크게 영향을 주는 것은?
- ① 입ㆍ출력 임피던스
- ② 슬루 레이트
- ③ 출력 오프셋 전압
- ④ 동위상제거비(CMRR)
등록된 댓글이 없습니다.
8. 전력증폭기의 직류 공급 전압은 15[V], 전류는 300[mA]이고, 효율은 80[%]일 때 부하에서의 출력 전력은?
- ① 3.6[W]
- ② 4.5[W]
- ③ 36[W]
- ④ 450[W]
등록된 댓글이 없습니다.
9. 직렬 전류 궤환증폭기의 궤환신호 성분은?
- ① 전압(voltage)
- ② 전류(current)
- ③ 커패시터(capacitor)
- ④ 인덕터(inductor)
등록된 댓글이 없습니다.
10. 다음 중 B급 push-pull 증폭회로의 장점으로 옳지 않은 것은?
- ① Cross over 왜곡이 발생하지 않는다.
- ② 공급전원의 리플전압이 출력에 나타나지 않는다.
- ③ 출력파형의 일그러짐이 작다.
- ④ 출력 변압기의 철심이 자기 포활될 우려가 없다.
등록된 댓글이 없습니다.
11. 다음 변조 방식 중 불연속변조방식은?
- ① AM
- ② FM
- ③ PCM
- ④ PM
등록된 댓글이 없습니다.
12. 다음에서 피변조파 V = Vc (1+m cosωt) sinωt 이며, 반송파의 진폭은 4[V], 변조도는 50[%]인 경우 직선검파를 할 때 부하저항에 나타나는 신호파의 실효치 전압은 몇 [V]인가? (단, 효율 η는 90[%]임)

- ① 0.37[V]
- ② 1.27[V]
- ③ 2.25[V]
- ④ 3.4[V]
등록된 댓글이 없습니다.
13. 다음 중 신호레벨에 따라 펄스폭을 변화시키는 펄스변조 방식은?
- ① PAM
- ② PWM
- ③ PPM
- ④ PCM
등록된 댓글이 없습니다.
14. 궤환 발진기의 발진 조건에 대한 설명 중 옳지 않은 것은? (단, A는 증폭도, β는 궤환량이다.)
- ① 정궤환을 이용한다.
- ② A의 위상 변화는 180°이다.
- ③ β의 위상 변화는 0°이다.
- ④ 궤환 이득 Aβ=1이며, 위상 변화는 0°이다.
등록된 댓글이 없습니다.
15. RC 결합 증폭기에서 주파수 대역폭을 1/2로 줄이면 증폭 이득은 약 얼마나 증가하는가?
- ① 1[dB]
- ② 3[dB]
- ③ 6[dB]
- ④ 10[dB]
등록된 댓글이 없습니다.
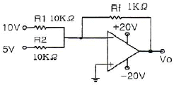
16. 다음 그림의 회로에서 출력 전압은 얼마인가?

- ① -1.5[V]
- ② -5[V]
- ③ -10[V]
- ④ -15[V]
등록된 댓글이 없습니다.
17. PN 접합에서 역방향 전압이 5[V]에서 10[V]로 증가하면 공핍층은 어떻게 되는가?
- ① 더 작아진다.
- ② 접합부위가 냉각된다.
- ③ 영향을 받지 않는다.
- ④ 더 커진다.
등록된 댓글이 없습니다.
18. 시스템의 출력 펄스에서 오버슈트(overshoot)가 발생하는 이유는?
- ① 시스템의 하한 차단 주파수가 0인 경우
- ② 시스템이 전역 대역폭을 가지고 있는 경우
- ③ 시스템이 고주파수의 고조파를 과도하게 강조할 경우
- ④ 시스템이 저주파수의 고조파를 과도하게 강조할 경우
등록된 댓글이 없습니다.
19. 다음 중 전계 효과 트랜지스터(FET)에 대한 설명으로 적합하지 않은 것은?
- ① 전압 제어용 소자이다.
- ② BJT보다 열적으로 안정하다.
- ③ BJT보다 잡음특성이 양호하다.
- ④ BJT보다 이득대역폭 적[GㆍB]이 크다.
등록된 댓글이 없습니다.
20. 다음 중 진폭 변조와 비교한 주파수 변조의 특징이 아닌 것은?
- ① S/N 비가 개선된다.
- ② 저전력 변조가 가능하다.
- ③ 타국으로부터 혼신 방해 정도가 경감된다.
- ④ 수신 전기장 세기의 강약에 영향을 많이 받는다.
등록된 댓글이 없습니다.
2과목 : 전기자기학 및 회로이론
21. 반지름 a(m)인 접지 구도체의 중심으로부터 d(m)인 곳에 점전하 Q(C)가 있다면 구도체에 유기되는 전하량은 몇 [C]인가? (단, d>a이다.)
- ①

- ②

- ③

- ④

등록된 댓글이 없습니다.
22. 진공 중의 반지름 2[m]인 도체구 A와 내외 반지름이 4[m] 및 5[m]인 도체구 B를 동심으로 놓고, 도체구 A에 QA=2×10-8[C]의 전하를 대전시키고 도체구 B의 전하는 0으로 했을 때 도체구 A의 전위는?
- ① 36[V]
- ② 45[V]
- ③ 81[V]
- ④ 90[V]
등록된 댓글이 없습니다.
23. 자기인덕턴스가 0.5[H]인 코일에 1/200 초 동안에 전류가 25[A]로부터 30[A]로 늘었다. 이 코일에 유기된 기전력의 크기는 몇 [V]이며, 그 방향은 어떻게 되는가?
- ① 250[V]로서 전류와 같은 방향
- ② 250[V]로서 전류와 반대 방향
- ③ 500[V]로서 전류와 같은 방향
- ④ 500[V]로서 전류와 반대 방향
등록된 댓글이 없습니다.
24. 진공 중에서 두 점자극의 자하가 각각 m1=2×10-5[Wb], m2=2×10-5[Wb]일 때, 두 점자극을 잇는 직선의 중심에서 자계의 세기는? (단, 두 점자극간의 거리는 2[m]이다.)
- ① 0[AT/m]
- ② 1.27[AT/m]
- ③ 2.53[AT/m]
- ④ 3.79[AT/m]
등록된 댓글이 없습니다.
25. 점 P(1,2,3)m와 Q(2,0,5)m에 각각 4×10-5[C]과 2×10-4[C]의 점전하가 있을 때, 점 P에 작용하는 힘은 몇 [N]인가?
- ①

- ②

- ③

- ④

등록된 댓글이 없습니다.
26. 감자력과의 관계로 옳은 것은?
- ① 자속(Φ)에 반비례한다.
- ② 자계(H)에 반비례한다.
- ③ 자화의 세기(J)에 비례한다.
- ④ 자극의 세기에 반비례한다.
등록된 댓글이 없습니다.
27. 동일 용량 C(μF)의 콘덴서 n개를 병렬로 연결하였다면 합성용량은 얼마인가?
- ① n2C
- ② nC
- ③ C/n
- ④ C
등록된 댓글이 없습니다.
28. 다음 중 도전율의 단위는?
- ① m/Ω
- ② Ω/m2
- ③ V/m
- ④ ℧/m
등록된 댓글이 없습니다.
29. 면적이 S(m2) 극판간격이 d(m) 유전율이 ε(F/m)인 평행판 콘덴서에 V(V)의 전압이 가해졌을 때 축적되는 전하 Q는?
- ①

- ②

- ③

- ④

등록된 댓글이 없습니다.
30. 주파수가 1[GHz]인 전자기파는 공기 중에서의 파장이 몇 [m]인가?
- ① 0.3
- ② 0.4
- ③ 0.5
- ④ 0.6
등록된 댓글이 없습니다.
31. 정 K형 여파기에서 공칭 임피던스 K와 2개의 임피던스 Z1, Z2간에는 어떤 관계가 성립하는가?
- ①

- ②

- ③

- ④

등록된 댓글이 없습니다.
32. 특성 임피던스 Zo=300[Ω]의 선로에 부하저항 ZL=500[Ω]을 접속했을 때, 전압 정재파비 S는 약 얼마인가?
- ① 1.25
- ② 1.67
- ③ 3.25
- ④ 4.8
등록된 댓글이 없습니다.
33. 다음과 같은 파형을 라플라스 변환을 하면?

- ①

- ②

- ③

- ④

등록된 댓글이 없습니다.
34. "몇 개의 전압원과 전류원이 동시에 조재하는 회로망에 있어서 회로 전류는 각 전압원이 각각 단독으로 가해졌을 때(다른 전류원은 개방, 전압원은 단락시킴) 흐르는 전류를 합한 것과 같다."라는 것은?
- ① 노톤의 정리
- ② 키르히호프의 법칙
- ③ 테브난의 정리
- ④ 중첩의 원리
등록된 댓글이 없습니다.
35. 그림과 같은 회로로 입력 파형을 미분하기 위한 입력 파형의 주기 T와 회로의 시정수 RC 사이의 조건은?

- ① T ≪ RC
- ② T ≫ RC
- ③ T = RC
- ④ T ≤ RC
등록된 댓글이 없습니다.
36. 단위 길이 당 임피던스 및 어드미턴스가 각각 Z 및 Y인 전송 회로에서 반복 전달정수의 값은?
- ① ZY
- ② √(ZY)
- ③ 1/(ZY)
- ④ 1/√(ZY)
등록된 댓글이 없습니다.
37. T형 회로의 임피던스 파라미터 Z11로 옳은 것은?

- ① Z3
- ② Z1+Z2
- ③ Z2+Z3
- ④ Z1+Z3
등록된 댓글이 없습니다.
38. 다음 회로에서 90[Ω]에 흐르는 전류 I는?

- ① 1[A]
- ② 0.9[A]
- ③ 0.2[A]
- ④ 0.1[A]
등록된 댓글이 없습니다.
39. 진폭이 400√2[V]이고, 주기가 0.01[초]인 정형파 교류의 주파수는 몇 [Hz]인가?
- ① 100[Hz]
- ② 200[Hz]
- ③ 400[Hz]
- ④ 200π[Hz]
등록된 댓글이 없습니다.
40. 그림과 같은 교류 회로의 역률은 약 얼마인가?

- ① 0.5
- ② 0.6
- ③ 1.0
- ④ 1.7
등록된 댓글이 없습니다.
3과목 : 전자계산기일반
41. 하드웨어 제어를 위한 기능을 주로 수행하며 시스템 프로그램 작성에 가장 적합한 언어는?
- ① BASIC 언어
- ② FORTRAN 언어
- ③ PASCAL 언어
- ④ C 언어
등록된 댓글이 없습니다.
42. C 언어에서 사용하는 데이터형이 아닌 것은?
- ① int
- ② long
- ③ short
- ④ character
등록된 댓글이 없습니다.
43. 다음 그림과 같은 순서도는?

- ① 분기형
- ② 직선형
- ③ 루프형
- ④ 순차직선형
등록된 댓글이 없습니다.
44. 다중프로그래밍(multi-programming)에 대한 설명으로 옳지 않은 것은?
- ① 컴퓨터의 느린 입출력 속도와 처리속도가 빠른 CPU 사이의 속도차이를 이용하여 컴퓨터의 처리효율을 증가시킨다.
- ② 컴퓨터의 주기억장치만 분할하고 CPU를 공동으로 사용한다.
- ③ CPU를 두 개 이상 두고 동시에 여러 프로그램을 수행할 수 있다.
- ④ 하나의 CPU가 여러 프로그램을 수행하여 전체적인 컴퓨터의 처리능력을 증가시킨다.
등록된 댓글이 없습니다.
45. 다음 중 집적회로(IC)의 장점이 아닌 것은?
- ① 가격이 싸다.
- ② 크기가 작다.
- ③ 전력소비가 작다.
- ④ 신뢰성이 낮다.
등록된 댓글이 없습니다.
46. 인터럽트를 발생하는 장치들을 직렬로 연결하여 우선순위에 따라 처리하게 하는 방식은?
- ① 다중채널 방식
- ② Daisy-chain 방식
- ③ Polling 방식
- ④ Interrupt Control 방식
등록된 댓글이 없습니다.
47. 8진수 45.67을 16진수로 변환하면?
- ① 25.DC
- ② 37.59
- ③ 91.D2
- ④ 97.37
등록된 댓글이 없습니다.
48. "Accumulator, 가산기, 보수기"와 관계가 있는 장치는?
- ① 제어장치
- ② 연산장치
- ③ 기억장치
- ④ 출력장치
등록된 댓글이 없습니다.
49. 마이크로컴퓨터 내부의 버스에 해당하지 않는 것은?
- ① data bus
- ② control bus
- ③ address bus
- ④ shift bus
등록된 댓글이 없습니다.
50. 멀티미디어 응용프로그램들의 실행을 좀 더 빠르게 할 수 있도록 설계된 것은?
- ① 비트 슬라이스 마이크로프로세서
- ② 배열 처리기
- ③ MMX
- ④ AMD
등록된 댓글이 없습니다.
51. RISC 컴퓨터에 대한 설명으로 틀린 것은?
- ① 비교적 느린 메모리와 빠른 클록
- ② 고정된 길이의 명령어 제공
- ③ 하드와이어드 방식의 프로세서와 소프트웨어로 구성
- ④ 한 사이클에 명령을 수행하도록 구성
등록된 댓글이 없습니다.
52. 컴퓨터에서 명령문이 시행될 때 다음에 시행할 명령문의 주소는 어디에 두는가?
- ① Program Counter
- ② MAR(Memory Address Register)
- ③ Cache
- ④ Instruction Register
등록된 댓글이 없습니다.
53. 3-초과 코드(excess-3 code)에 대한 설명 중 옳은 것은?
- ① 가중치 코드이다.
- ② 10진 연산에 사용할 수 없다.
- ③ 자보수적(self-complement) 성질을 가지지 않는다.코
- ④ 8421 코드에 10진수 3을 더해서 만들어지는 코드이다.
등록된 댓글이 없습니다.
54. 산술 및 논리 연산의 결과를 일시적으로 기억하는 것은?
- ① Instruction 레지스터
- ② Shift 레지스터
- ③ Accumulator
- ④ Index 레지스터
등록된 댓글이 없습니다.
55. 다음에 읽어야 할 명령이 들어있는 주소를 기억하는 레지스터는?
- ① PC
- ② IR
- ③ AC
- ④ MAR
등록된 댓글이 없습니다.
56. 컴파일 기법의 언어가 아닌 것은?
- ① COBOL
- ② BASIC
- ③ C
- ④ FORTRAN
등록된 댓글이 없습니다.
57. 전가산기에서 입력 A=1, B=1, Ci=0일 때, 출력 S(sum)와 C(carry)의 값으로 옳은 것은?
- ① S=0, C=0
- ② S=0, C=1
- ③ S=1, C=0
- ④ S=1, C=1
등록된 댓글이 없습니다.
58. 스택 구조의 컴퓨터에서 메모리에 아이템을 넣는 동작은?
- ① PUSH
- ② POP
- ③ INFIX
- ④ PREFIX
등록된 댓글이 없습니다.
59. 명령어의 주소부에 데이터를 직접 넣어주는 방식은?
- ① 직접(direct) 주소지정
- ② 즉시(immediate) 주소지정
- ③ 상대(relative) 주소지정
- ④ 레지스터(register) 주소지정
등록된 댓글이 없습니다.
60. 소프트웨어적인 방법으로 인터럽트 요청신호 플래그를 차례로 검사하여 인터럽트의 발생 위치를 찾는 방식은?
- ① 데이지체인 방식
- ② 폴링 방식
- ③ 레지스터 방식
- ④ 스트로브 방식
등록된 댓글이 없습니다.
4과목 : 전자계측
61. 교류 100Vrms 전압을 오실로스코프로 측정했을 때 이 교류의 첨두치(peak to peak) 전압은 약 몇 [V]인가?
- ① 100[V]
- ② 141[V]
- ③ 200[V]
- ④ 282[V]
등록된 댓글이 없습니다.
62. 전압계와 전류계를 다음 그림과 같이 접속하고 부하 전력을 측정하려 한다. 이들 계기의 지시가 각각 100[V], 4[A]일 때의 부하 전력은 몇 [W]인가? (단, 전압계의 내부 저항은 1000[Ω]이다.)

- ① 390[W]
- ② 490[W]
- ③ 510[W]
- ④ 540[W]
등록된 댓글이 없습니다.
63. 그림과 같은 회로에서 구형파를 입력에 인가하고 오실로스코프로 출력파형을 관측하면 어떤 파형이 나타나는가?

- ①

- ②

- ③

- ④

등록된 댓글이 없습니다.
64. 참값(T)이 500[V], 측정값(M)이 502.5[V]일 때 보정율은?
- ① -0.5
- ② 0.5
- ③ -0.005
- ④ 0.005
등록된 댓글이 없습니다.
65. 감도가 높고, 정밀한 측정을 요구하는 경우 사용하는 측정법 중 가장 적절한 것은?
- ① 직편법
- ② 편위법
- ③ 영위법
- ④ 반경법
등록된 댓글이 없습니다.
66. 진동편형 주파수계의 특징 중 옳지 않은 것은?
- ① 지시의 신뢰성이 높다.
- ② 1000[Hz] 이하에서 사용된다.
- ③ 주파수의 변화에 따른 응답을 한다.
- ④ 구조가 간단하고, 전압의 파형에 영향이 없다.
등록된 댓글이 없습니다.
67. 디지털 계기에서 A/D 변환기의 주요 특성에 속하지 않는 것은?
- ① 정밀도
- ② 분해능
- ③ 변환시간
- ④ 입력형태
등록된 댓글이 없습니다.
68. 역률이 0.001인 콘덴서의 Q는?
- ① 10
- ② 100
- ③ 1000
- ④ 10000
등록된 댓글이 없습니다.
69. 오실로스코프(Oscilloscope)로 측정할 수 없는 것은?
- ① 코일의 Q
- ② 위상 측정
- ③ 왜곡률 측정
- ④ 변조도 측정
등록된 댓글이 없습니다.
70. 측정자의 눈금 오독 혹은 실수에 의해 발생하는 오차는?
- ① 우연 오차
- ② 과실 오차
- ③ 이론 오차
- ④ 계통 오차
등록된 댓글이 없습니다.
71. 다음 중 소인 신호발진기의 구성부가 아닌 것은?
- ① 리액턴스 관
- ② 진폭 제한기
- ③ 톱니파 발진기
- ④ 주파수 변별기
등록된 댓글이 없습니다.
72. 고주파 회로를 측정할 때 주의할 사항으로 옳지 않은 것은?
- ① 차폐 및 접지를 철저히 시킬 것
- ② 표유 임피던스를 크게 할 것
- ③ 주파수대에 적합한 회로 소자를 사용할 것
- ④ 계기 또는 회로의 임피던스 정합에 주의할 것
등록된 댓글이 없습니다.
73. 다음 중 교류브리지의 종류가 아닌 것은?
- ① Wheatstone bridge
- ② Wien bridge
- ③ Maxwell bridge
- ④ Schering bridge
등록된 댓글이 없습니다.
74. 공진회로를 갖는 고주파 가변발진기로서 발진부의 그리드 전류의 변화로 공진주파수를 측정하는 계기는?
- ① 그리드딥 미터
- ② 나비형 주파수계
- ③ 계수형 주파수계
- ④ 헤테로다인 주파수계
등록된 댓글이 없습니다.
75. 다음은 진폭변조 회로의 출력을 오실로스코프로 측정한 결과이다. a=3b이면 변조율은?

- ① 25[%]
- ② 50[%]
- ③ 75[%]
- ④ 100[%]
등록된 댓글이 없습니다.
76. 오실로스코프와 조합하여 FM 수신기의 주파수 변별기 등 각종 고주파 회로의 주파수 특성 및 대역 조정에 이용되는 발진기는?
- ① CR 발진기
- ② 음차 발진기
- ③ 비트(beat) 발진기
- ④ 소인(sweep) 발진기
등록된 댓글이 없습니다.
77. 서보 모터를 사용하는 기록계기는?
- ① 타점식
- ② 펜식
- ③ 자동평형식
- ④ 직동식
등록된 댓글이 없습니다.
78. 기록계기에 관한 설명 중 옳지 않은 것은?
- ① 펜식, 타점식, 자동평형식 등이 있다.
- ② 변화하는 값을 긴 시간동안 연속 측정하여 기록하는 계기이다.
- ③ 변화하지 않는 값을 단시간에 측정하고 기록에 남기지 않는 계기이다.
- ④ 펜식은 1.5급, 타점식은 1.0급, 자동평형식은 0.5급 정도이다.
등록된 댓글이 없습니다.
79. 다음 중 홀(Hall) 기전력 V와 자장의 세기 H 및 전류 I 사이의 관계에 대한 것으로 옳은 것은?
- ① V는 H 및 I에 비례한다.
- ② V는 H 및 I에 반비례한다.
- ③ V는 H에 비례하고 I에 반비례한다.
- ④ V는 H 및 I에 아무런 관계가 없다.
등록된 댓글이 없습니다.
80. 계기 정수 2400[회/kWh]의 적산 전력계가 30초에 20회전 했을 때의 전력은?
- ① 1250[W]
- ② 1000[W]
- ③ 750[W]
- ④ 500[W]
등록된 댓글이 없습니다.