전자산업기사(2012. 3. 4.) 시험일자 : 2012년 3월 4일
1과목 : 전자회로
1. 그림에서 A는 연산증폭기이다. Vi- Vo 관계로 가장 적합한 것은?

- ①

- ②

- ③

- ④

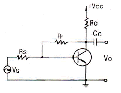
등록된 댓글이 없습니다.
2. 다음 회로에서 Barkhausen의 발진 조건 βA=1 이 되는 조건은?

- ① X1 < 0, X2 > 0, X3 > 0
- ② X1 > 0, X2 < 0, X3 < 0
- ③ X1 > 0, X2 < 0, X3 > 0
- ④ X1 < 0, X2 < 0, X3 > 0
등록된 댓글이 없습니다.
3. 다음 설명 중 옳은 것은?
- ① FET는 대칭형 쌍방향 스위치로 사용이 가능하다.
- ② FET는 게이트의 전류에 의해 제어되는 전류 제어용 소자이다.
- ③ FET는 BJT에 비해서 동작 속도가 빠르기 때문에 집적회로(IC)에서 주로 사용한다.
- ④ FET는 입력 임피던스가 매우 작기 때문에 초퍼 회로로 사용한다.
등록된 댓글이 없습니다.
4. 다음 회로에서 LED의 순방향 전압이 2.4[V]일 때 전류 IF는 몇 [mA]인가?

- ① 1.2[mA]
- ② 1.8[mA]
- ③ 2.6[mA]
- ④ 3.2[mA]
등록된 댓글이 없습니다.
5. 다음 연산 증폭기 회로에서 출력 Vo를 나타내는 식으로 가장 적합한 것은?

- ①

- ②

- ③

- ④

등록된 댓글이 없습니다.
6. 공통 이미터저지 증폭회로에서 트랜지스터의 h-정수 중 전류증폭률을 나타낸 것은?
- ① hie
- ② hfe
- ③ hre
- ④ hoe
등록된 댓글이 없습니다.
7. 다음과 같은 증폭기에 관한 설명으로 옳지 않은 것은?

- ① 부궤환을 걸어줌으로써 출력 임피던스는 감소한다.
- ② 부궤환을 걸어줌으로써 입력 임피던스는 증가한다.
- ③ 무궤환 때에 비해 안정도가 좋아진다.
- ④ 부궤환을 걸어줌으로써 일그러짐은 감소한다.
등록된 댓글이 없습니다.
8. 표본화된 정보 하나하나를 부호화하여 1, 0으로 나타내는 펄스 신호의 계열로 치환시키는 펄스변조 방식을 무엇이라 하는가?
- ① PCM
- ② PAM
- ③ PWM
- ④ PNM
등록된 댓글이 없습니다.
9. 전력증폭기에 대한 설명으로 옳은 것은?
- ① A급의 경우가 전력효율이 가장 좋다.
- ② C급의 효율은 50[%] 이하로 AB급보다 낮다.
- ③ B급은 동작점이 포화영역 부근에 존재한다.
- ④ C급은 반송파 증폭용이나 주파수 체배용으로 사용된다.
등록된 댓글이 없습니다.
10. 다음 중 발진기에서 발진주파수가 변동되는 것을 방지하기 위한 대책으로 적합하지 않은 것은?
- ① 온도를 일정하게 유지한다.
- ② 부하의 변동을 크게 한다.
- ③ 정전압 회로를 넣는다.
- ④ 습기가 차지 않게 한다.
등록된 댓글이 없습니다.
11. 다음은 연산증폭기를 사용한 회로이다. 전압이득(Vo/Vs)은 얼마인가?

- ① -5
- ② 1/5
- ③ 6
- ④ -1/6
등록된 댓글이 없습니다.
12. 다음 설명 중 옳지 않은 것은?
- ① 전력 효율은 전원 전력 소비량을 적게 하면서 신호 출력을 크게 할 수 있느냐 하는 지수를 말한다.
- ② A급 전력 증폭기의 컬렉터 손실은 무신호 시에 가장 작다.
- ③ B급 전력 증폭기는 출력이 최대 가능 출력의 약 40[%]일 때 컬렉터 손실이 가장 크다.
- ④ C급 전력 증폭기는 신호 출력의 첨두치에서 가장 큰 손실이 발생한다.
등록된 댓글이 없습니다.
13. FET의 3 정수에 대한 사항들 중 옳지 않은 것은? (단, Source 접지이다.)
- ①

- ②

- ③

- ④

등록된 댓글이 없습니다.
14. 펄스파를 얻는 목적에 쓸 만한 것이 아닌 것은?
- ① 쌍안정 멀티바이브레이터
- ② 블로킹 발진기
- ③ 플립플롭
- ④ 단접합 트랜지스터(UJT)
등록된 댓글이 없습니다.
15. 이상적인 차동증폭기의 공통성분제거비(CMRR)는?
- ① 0
- ② 1
- ③ -1
- ④ 무한대
등록된 댓글이 없습니다.
16. 다음 회로에서 입력 단자와 출력 단자가 도통되는 상태는?

- ① VS > VB, VA < VB
- ② VS < VA, VA < VB
- ③ VS < VA, VS > VB
- ④ VS > VA, VS < VB
등록된 댓글이 없습니다.
17. 다음 연산증폭기 회로에서 Vi - Vo의 관계 특성으로 가장 적합한 것은? (단, 연산증폭기 및 다이오드는 이상적이다.)

- ①

- ②

- ③

- ④

등록된 댓글이 없습니다.
18. 궤한이 없을 때 증폭기의 전압이득이 40[dB]이고, 왜율이 5[%]이다. 이 증폭기에 궤환율 β=0.09의 부궤환을 걸었을 때 왜율은?
- ① 0.1[%]
- ② 0.5[%]
- ③ 1[%]
- ④ 5[%]
등록된 댓글이 없습니다.
19. 다음 중 정궤환을 하는 회로로 묶인 것은?
- ① 시미트 트리거회로, 발진회로
- ② 미분회로, 적분회로
- ③ 시미트 트리거회로, 미분회로
- ④ 발진회로, 적분회로
등록된 댓글이 없습니다.
20. 전류증폭률 α가 0.98인 트랜지스터의 α 차단 주파수가 100[MHz]일 때 이 트랜지스터의 β 차단 주파수는?
- ① 2[MHz]
- ② 20[MHz]
- ③ 98[MHz]
- ④ 100[MHz]
등록된 댓글이 없습니다.
2과목 : 전기자기학 및 회로이론
21. 인덕턴스의 단위에서 1[H]는?
- ① 1[A]의 전류에 대한 자속이 1[Wb]인 경우이다.
- ② 1[A]의 전류에 대한 유전률이 1[F/m]이다.
- ③ 1[A]의 전류가 1초간에 변화하는 양이다.
- ④ 1[A]의 전류에 대한 자계가 1[AT/m]인 경우이다.
등록된 댓글이 없습니다.
22. 100회 감은 코일에 코일당 자속이 2초 동안에 2[Wb]에서 4[Wb]로 증가하였다면, 이때 유기되는 기전력은 몇 [V]인가?
- ① 20[V]
- ② 50[V]
- ③ 100[V]
- ④ 200[V]
등록된 댓글이 없습니다.
23. 반지름 a인 단일 원형코일에 전류를 흘려줄 때 원형코일 중심에서의 자계의 세기 H[AT/m]와 반지름 a[m]의 관계는?
- ① H ∝ 1/a
- ② H ∝ 1/a2
- ③ H ∝ a
- ④ H ∝ a2
등록된 댓글이 없습니다.
24. 유전율 ε[F/m], 고유저항 ρ[Ωㆍm]의 유전체를 삽입한 정전용량 C[F]인 콘덴서에 전압 V[V]를 걸었을 때 흐르는 누설전류는 몇 [A]인가?
- ①

- ②

- ③

- ④

등록된 댓글이 없습니다.
25. 1[μF]의 정전용량을 가진 구의 반지름은 몇 [km]인가?
- ① 9[km]
- ② 45[km]
- ③ 4500[km]
- ④ 9000[km]
등록된 댓글이 없습니다.
26. 공기 중 두 점전하 사이에 작용하는 힘이 5[N]이었다. 두 전하 사이에 유전체를 넣었더니 힘이 2[N]으로 되었다면 유전체의 비유전율은 얼마인가?
- ① 2.5
- ② 5
- ③ 10
- ④ 15
등록된 댓글이 없습니다.
27. 전속 밀도 D=x2i + y2j + z2k [C/m2 ]를 발생시키는 점(1, 2, 3)[m]에서의 공간 전하밀도[C/m3]는?
- ① 14[C/m3]
- ② 12[C/m3]
- ③ 14×10-6[C/m3]
- ④ 12×10-6[C/m3]
등록된 댓글이 없습니다.
28. 유전체내의 전속밀도 D, 전계의 세기 E, 그리고 분극 P의 관계를 나타내는 식은?
- ①

- ②

- ③

- ④

등록된 댓글이 없습니다.
29. 0.1[μF]의 종이콘덴서를 만들 때, 두께 0.01[mm], 비유전율 5의 유전체를 사용하고 폭이 5[cm]라고 하면 필요한 도체의 길이는?
- ① 1.8[m]
- ② 0.9[m]
- ③ 0.45[m]
- ④ 0.15[m]
등록된 댓글이 없습니다.
30. 시변 전자파에 대한 설명 중 옳지 않은 것은?
- ① 전자파는 전계와 자계가 동시에 존재한다.
- ② 횡전자파(transverse electromagnetic wave)에서는 전파의 진행 방향으로 전계와 자계가 존재한다.
- ③ 포인팅 벡터의 방향은 전자파의 진행 방향과 같다.
- ④ 수직편파는 대지에 대해서 전계가 수직면에 있는 전자파이다.
등록된 댓글이 없습니다.
31. 그림과 같은 파형의 라플라스 변환은?

- ①

- ②

- ③

- ④

등록된 댓글이 없습니다.
32. R, L, C 직렬회로에서 공진주파수 fo는?
- ① LC의 제곱근에 반비례하여 감소
- ② C에 비례하여 증가
- ③ L에 비례하여 증가
- ④ 변화 없다.
등록된 댓글이 없습니다.
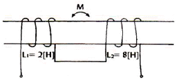
33. 그림과 같은 이상 변압기(ideal transformer) M의 값은 몇 [H]인가? (단, L1= 2[H], L2= 8[H]이다.)

- ① 2
- ② 4
- ③ 8
- ④ 16
등록된 댓글이 없습니다.
34. 그림과 같은 브리지(bridge)가 평형 상태를 유지하려면 L의 값은?

- ①

- ②

- ③

- ④

등록된 댓글이 없습니다.
35. 전송 회로에서 특성 임피던스 Z0와 부하 임피던스 ZL이 같으면 부하에서의 반사계수는?
- ① 0
- ② 0.5
- ③ 1
- ④ 1.5
등록된 댓글이 없습니다.
36. 다음 그림과 같이 R=1[Ω], L=1[H]인 직렬회로에 V=1[V]의 전압을 가하고 t=0일 때 스위치 S를 닫았다. t=τ(시정수)때의 전류 I(τ)는 몇 [A]인가?

- ① 1
- ② 0.707
- ③ 0.632
- ④ 0.368
등록된 댓글이 없습니다.
37. 이상적인 평형 3상 Δ전원에 관한 것으로 옳은 것은?
- ① 선간 전압의 크기 = 상전압의 크기
- ② 상전류의 크기 = √3 × 선간 전류의 크기
- ③ 상전류의 크기 = 선간 전류의 크기
- ④ 선간 전압의 크기 = √3 × 상전압의 크기
등록된 댓글이 없습니다.
38. 4단자 파라미터 ABCD 중에서 단락 역방향 전류 이득을 나타내는 파라미터는?
- ① A
- ② B
- ③ C
- ④ D
등록된 댓글이 없습니다.
39. 다음 파형 중 파형률이 가장 적은 것은?
- ① 삼각파
- ② 정현파
- ③ 구형파
- ④ 반원파
등록된 댓글이 없습니다.
40. 에서 주파수 전달 함수의 위상각 θ 는 몇 상한에 위치하는가?
- ① 1상한
- ② 2상한
- ③ 3상한
- ④ 4상한
등록된 댓글이 없습니다.
3과목 : 전자계산기일반
41. 다음 중 스택(stack)과 관계없는 것은?
- ① FIFO
- ② LIFO
- ③ PUSH
- ④ POP
등록된 댓글이 없습니다.
42. 연산장치에서 피가수를 기억하고 연산 후에는 결과를 일시적으로 기억하는 레지스터를 무엇이라 하는가?
- ① accumulator
- ② storage register
- ③ index register
- ④ instruction counter
등록된 댓글이 없습니다.
43. 다음 논리식 를 간단히 표현하면?
- ①

- ②

- ③

- ④

등록된 댓글이 없습니다.
44. 7K word memory의 실제 word는?
- ① 1024 word
- ② 4096 word
- ③ 7168 word
- ④ 8192 word
등록된 댓글이 없습니다.
45. -426을 Pack 10진수 형식으로 표현한 것은?
- ① 0100 0010 0110 1101
- ② 0100 0010 0110 1100
- ③ 1101 0100 0010 0110
- ④ 1100 0100 0010 0110
등록된 댓글이 없습니다.
46. 기억장치 중 CAM(Content Addressable Memory)이라고 하는 것은?
- ① cache 기억장치
- ② associative 기억장치
- ③ 가상 기억장치
- ④ 주 기억장치
등록된 댓글이 없습니다.
47. 8개의 플립플롭으로 된 시프트 레지스터(Shift Register)에 10진수로 64가 기억되어있을 때 이를 오른쪽으로 3비트만큼 산술 시프트하면 그 값은?
- ① 4
- ② 8
- ③ 12
- ④ 24
등록된 댓글이 없습니다.
48. 캐시 메모리에 대한 일반적인 설명으로 틀린 것은?
- ① 캐시 메모리의 액세스 시간은 주기억장치의 액세스 시간보다 빠르다.
- ② 캐시 메모리는 중앙처리장치와 주기억장치 사이에 놓인다.
- ③ 캐시 메모리의 적중률(hit ratio)이 높을수록 좋다.
- ④ 캐시 메모리는 용량이 주기억장치보다 크다.
등록된 댓글이 없습니다.
49. C 언어에서 논리 연산자와 관계있는 것은?
- ① ++
- ② &&
- ③ +
- ④ <
등록된 댓글이 없습니다.
50. 컴퓨터 레지스터들 중에서 Read나 Write 내용이 반드시 거쳐야 되는 레지스터는?
- ① PC(Program Counter)
- ② IR(Instruction Register)
- ③ MBR(Memory Buffer Register)
- ④ MAR(Memory Address Register)
등록된 댓글이 없습니다.
51. 10진수 15의 그레이 코드(gray code)는?
- ① 1111
- ② 0001
- ③ 1000
- ④ 1010
등록된 댓글이 없습니다.
52. 다음 주소지정방식 중 오퍼랜드 자체를 데이터로 기억하는 방식은?
- ① 묵시적 주소지정방식
- ② 즉시 주소지정방식
- ③ 인덱스 주소지정방식
- ④ 상대 주소징정방식
등록된 댓글이 없습니다.
53. 컴파일러, 어셈블러, 인터프리터에 의해 번역되어야 실행될 수 있는 것은?
- ① 문제중심 프로그램
- ② 기계 프로그램
- ③ 목적 프로그램
- ④ 원시 프로그램
등록된 댓글이 없습니다.
54. JK 플립플롭에서 J = K = 1일 때, Qn+1의 출력상태는?
- ① 반전
- ② 1
- ③ 0
- ④ 불변
등록된 댓글이 없습니다.
55. 다음 중앙처리장치의 4가지 기능에 대한 설명 중 옳지 않은 것은?
- ① 기억 기능을 수행하는 요소를 레지스터라 하며, 앞으로 당장 사용할 자료를 ROM에 기억한다.
- ② 연산 기능을 수행하는 요소는 연산기로서, 수치 연산과 논리 연산을 수행한다.
- ③ 연산기와 레지스터 사이의 신호 회선을 통해 자료가 전달되는 기능이 전달 기능이다.
- ④ 프로그램 의도대로 인스트럭션이 수행되도록 프로그램 카운터(PC)를 관리하며 인스트럭션을 해독하여 그 수행을 반복하도록 하는 기능이 제어 기능이다.
등록된 댓글이 없습니다.
56. 반가산기에서 X=0, Y=1을 입력할 때, 출력 올림수(C)와 합(S)은?
- ① C=0, S=0
- ② C=1, S=0
- ③ C=0, S=1
- ④ C=1, S=1
등록된 댓글이 없습니다.
57. 객체지향언어로 볼 수 없는 것은?
- ① JAVA
- ② C#
- ③ C
- ④ SmallTalk
등록된 댓글이 없습니다.
58. 10진수 -9를 부호화된 2의 보수로 표현(8bit)한 것은?
- ① 10001001
- ② 11110110
- ③ 00001001
- ④ 11110111
등록된 댓글이 없습니다.
59. 컴퓨터의 성능을 측정할 수 있는 방법으로 단위 시간에 얼마나 많은 일을 실행했는가를 나타내는 것은?
- ① Clock
- ② Frequency
- ③ Response Time
- ④ Throughput
등록된 댓글이 없습니다.
60. 마이크로 오퍼레이션에서 명령어를 메모리로부터 읽은 내용이 오퍼랜드(operand)의 번지일 경우 수행과 관련있는 것은?
- ① 인터럽트 사이클
- ② 인출 사이클
- ③ 실행 사이클
- ④ 간접 사이클
등록된 댓글이 없습니다.
4과목 : 전자계측
61. 계기정수 2400[Rev/kWh]의 적산전력계가 30[초]에 15회전 했을 때의 전력[W]은?
- ① 500
- ② 750
- ③ 1000
- ④ 1250
등록된 댓글이 없습니다.
62. 다음 중 파형을 보면서 주파수 펄스 전압을 측정하는데 가장 적당한 계기는?
- ① 전압계
- ② 전위차계
- ③ 전류계
- ④ 오실로스코프
등록된 댓글이 없습니다.
63. 계수형 주파수계로 측정할 수 없는 것은?
- ① 주기 측정
- ② 고주파 진폭
- ③ 분주비
- ④ 주파수 측정
등록된 댓글이 없습니다.
64. 저주파대의 주파수 부표준기로 사용되며, 발진주파수를 연속 가변 할 수 없는 발진기는?
- ① 비트 주파 발진기
- ② 음차 발진기
- ③ CR 발진기
- ④ 소인 발진기
등록된 댓글이 없습니다.
65. 다음 중 고주파 전력 측정에 이용되는 것은?
- ① 볼로미터
- ② 딥미터
- ③ 캠벨 브리지법
- ④ 홀 발진기
등록된 댓글이 없습니다.
66. 기지의 정전용량으로 미지 코일의 인덕턴스 측정에 사용되는 브리지는?
- ① 윈 브리지
- ② 맥스웰 브리지
- ③ 켈빈더블 브리지
- ④ 콜라우슈 브리지
등록된 댓글이 없습니다.
67. 무부하시 전압이 220[v]이고, 정격 부하시 전압이 200[V]일 때 전원전압 변동률은?
- ① 5[%]
- ② 10[%]
- ③ 15[%]
- ④ 20[%]
등록된 댓글이 없습니다.
68. 다음 중 1[Ω]~10-5[Ω]의 아주 적은 저항을 측정할 때 사용하는 것은?
- ① 캘빈더블브리지(Kelvin double bridge)
- ② 휘스톤브리지(Wheatstone bridge)
- ③ 맥스웰브리지(Maxwell bridge)
- ④ 윈브리지(Wein bridge)
등록된 댓글이 없습니다.
69. 2전력계법을 사용하여 3상 전력을 측정하였더니 각 전력계가 150[W], 170[W]를 지시하였다면 전 전력은?
- ① 20[W]
- ② 160[W]
- ③ 320[W]
- ④ 470[W]
등록된 댓글이 없습니다.
70. 다음 중 측정용 저주파 발진기로 주로 사용하지 않는 것은?
- ① 비트 발진기
- ② 음차 발진기
- ③ CR 발진기
- ④ 수정 발진기
등록된 댓글이 없습니다.
71. 디지털 주파수계를 설명한 것 중 옳지 않은 것은?
- ① 10진 계수회로가 필요하다.
- ② 입력 전압을 증폭하여 파형을 펄스형으로 바꾼다.
- ③ 정확한 시간 기준으로서 수정 발진기가 필요하다.
- ④ 입력 피측정파를 분석하기 위하여 진폭레벨에 의한 A/D 컨버터가 필요하다.
등록된 댓글이 없습니다.
72. 최대 눈금 300[V]인 0.2급 전압계로 전압을 측정하였더니 지시가 100[V]이었다. 상대오차는?
- ① 0.2[%]
- ② 0.4[%]
- ③ 0.6[%]
- ④ 0.8[%]
등록된 댓글이 없습니다.
73. 다음 기록계기의 기록 방식 중 정밀도가 가장 높은 것은?
- ① 펜식
- ② 직동식
- ③ 타점식
- ④ 자동평형식
등록된 댓글이 없습니다.
74. 다음 중 진동편형 주파수계의 특징으로 옳지 않은 것은?
- ① 지시의 신뢰성이 높다.
- ② 보통 1000[Hz] 이상에서 사용된다.
- ③ 지시가 단계적이고, 연속성이 없다.
- ④ 구조가 간단하고, 전압의 파형에 영향이 없다.
등록된 댓글이 없습니다.
75. 스펙트럼 분석기의 특징으로 적합하지 않은 것은?
- ① 주파수 대역폭이 넓다.
- ② CRT로 직시할 수 있다.
- ③ 다이나믹(dynamic) 레이지가 좁다.
- ④ 고정도(high precision) 측정이 가능하다.
등록된 댓글이 없습니다.
76. 내부 저항이 무한대인 전압계로 단자 A-B간의 전압을 측정하면?

- ① 3[V]
- ② 6[V]
- ③ 10[V]
- ④ 15[V]
등록된 댓글이 없습니다.
77. 음량계(VU meter)에 관한 설명으로 옳지 않은 것은?
- ① 감시용이며, 시정수는 중요하지 않다.
- ② 가변 저항 감쇠기와 연결하여 사용한다.
- ③ 눈금은 VU 눈금 이외에 [%]눈금으로 표시한 것도 있다.
- ④ 방송이나 녹음시 음성 레벨의 크기를 측정하기 위한 계기이다.
등록된 댓글이 없습니다.
78. 10:1의 신호입력 프로브(PROBE)를 갖고, 수직 편향율이 2.5[V/cm]인 오실로스코프에서 수직편향 거리가 5[cm]일 때 입력 전압의 크기는?
- ① 20[V]
- ② 50[V]
- ③ 1.25[V]
- ④ 125[V]
등록된 댓글이 없습니다.
79. 고주파 전압 측정에 이용되는 것은?
- ① 레벨미터
- ② 볼로미터
- ③ Q미터
- ④ 전자전압계
등록된 댓글이 없습니다.
80. 다음 중 오실로스코프로 측정할 수 없는 것은?
- ① 전압
- ② 주기
- ③ 위상각
- ④ 전력량
등록된 댓글이 없습니다.