전자산업기사(2011. 10. 9.) 시험일자 : 2011년 10월 9일
1과목 : 전자회로
1. 다음 회로의 파형으로 맞는 것은?

- ①

- ②

- ③

- ④

등록된 댓글이 없습니다.
2. 직류 증폭기에서 온도 변화 등의 영향으로 인하여 출력이 변동되는 현상은?
- ① 발진
- ② 초퍼
- ③ 증폭
- ④ 드리프트
등록된 댓글이 없습니다.
3. 저주파 전력증폭기의 출력측 기본파 전압이 50[V]이고, 제2 및 제3고조파 전압이 각각 4[V]와 3[V]일 때 왜율은?
- ① 5[%]
- ② 10[%]
- ③ 15[%]
- ④ 20[%]
등록된 댓글이 없습니다.
4. 디지털 변조가 아닌 것은?
- ① PM
- ② ASK
- ③ FSK
- ④ QAM
등록된 댓글이 없습니다.
5. 다음 중 수정발진기의 특징에 대한 설명으로 적합하지 않은 것은?
- ① 수정진동자의 Q가 매우 높다.
- ② 주파수의 안정도가 아주 좋다.
- ③ 발진조건을 만족하는 리액턴스의 유도성이 되는 주파수 범위가 매우 넓다.
- ④ 발진주파수를 가변하기가 어려운 단점이 있다.
등록된 댓글이 없습니다.
6. 진폭 변조(AM0에서 반송파 진폭이 20[V]이다. 25[V]의 진폭을 가지는 신호파를 인가한 경우 변조도는?
- ① 0.65
- ② 0.8
- ③ 1.0
- ④ 1.25
등록된 댓글이 없습니다.
7. 베이스접지(CB) 증폭회로에 대한 설명으로 적합하지 않은 것은?
- ① 입력임피던스가 낮다.
- ② 전류이득은 1보다 훨씬 크다.
- ③ 입력에 대한 출력은 동상이다.
- ④ 높은 주파수를 다루는 응용분야에 주로 사용된다.
등록된 댓글이 없습니다.
8. 다음 그림의 회로는 비안정 멀티바이브레이터(Astable multivibrator)이다. 발진주파수에 대한 식으로 옳은 것은?

- ①

- ②

- ③

- ④

등록된 댓글이 없습니다.
9. 어떤 TR이 VCE=6[V]로 동작한다. 이 TR의 최대 정격전력이 250[mW]이라면 결딜 수 있는 최대 컬렉터 전류는 약 몇 [mA]인가?
- ① 20[mA]
- ② 42[mA]
- ③ 51[mA]
- ④ 64[mA]
등록된 댓글이 없습니다.
10. AM에서 1000[kHz]의 반송파가 35[kHz] 사인파에 의해 변조될 때 상측파대 주파수는?
- ① 1000[kHz]
- ② 1035[kHz]
- ③ 1070[kHz]
- ④ 1124[kHz]
등록된 댓글이 없습니다.
11. 푸시풀(push-pull) 증폭기의 설명으로 옳은 것은?
- ① B급이나 AB급으로 동작시킨다.
- ② 두 입력의 위상은 동상이어야 한다.
- ③ 공급 전압에 리플이 포함되어 있으면 부하에 나타난다.
- ④ 트랜지스터의 비선형 특성에서 오는 일그러짐이 증가한다.
등록된 댓글이 없습니다.
12. 다음은 연산증폭기회로에서 출력 전압 Vo은?

- ① Vo = K(V2 - V1)
- ② Vo = KV2 - (K + 1)V1
- ③ Vo = (K + 1)V2 - KV1
- ④ Vo = (K + 1)(V2 - V1)
등록된 댓글이 없습니다.
13. 다음 중 연산증폭기에 관한 설명으로 옳은 것은?
- ① 입력단자는 반전 입력(+)과 비반전 입력(-) 두개가 있다.
- ② 이상적인 연산증폭기의 주파수 대역폭은 매우 좁아 주파수의 선택도가 매우 뛰어나다.
- ③ 이상적인 연산증폭기의 출력임피던스는 무한대의 값을 갖기 때문에 버퍼회로에 이용된다.
- ④ 연산증폭기는 선형 집적회로로 동작 전압이 낮고 신뢰도가 매우 높다.
등록된 댓글이 없습니다.
14. RC 결합 증폭기에서 주파수 대역폭을 1/4로 줄이면 증폭이득은 약 얼마나 증가하는가?
- ① 8[dB]
- ② 10[dB]
- ③ 12[dB]
- ④ 14[dB]
등록된 댓글이 없습니다.
15. 무궤환시 전압이득이 100인 증폭기에서 궤환률 0.09의 부궤환을 걸었을 때 전압이득은?
- ① 1
- ② 9
- ③ 10
- ④ 50
등록된 댓글이 없습니다.
16. 다음 그림은 반전연산증폭회로이다. V1=3[V], V2=4[V]일 때 Vo은 몇 [V]인가?

- ① -12.5
- ② -13.75
- ③ -14.2
- ④ -15.25
등록된 댓글이 없습니다.
17. 다음과 같은 발진회로의 발진주파수는?

- ①

- ②

- ③

- ④

등록된 댓글이 없습니다.
18. 연산증폭기 응용회로에서 궤환을 사용하지 않은 것은?
- ① 반전 증폭기
- ② 비반전 증폭기
- ③ 영전위 검출기
- ④ 사이트 트리거
등록된 댓글이 없습니다.
19. 다음 부궤환 회로의 특징 중 옳은 것은?
- ① 궤환시 이득을 감소한다.
- ② 주파수 대역폭이 좁아진다.
- ③ 궤환시 왜율이 증가한다.
- ④ 궤환시 잡음이 증가한다.
등록된 댓글이 없습니다.
20. 다음의 집항형 RET 회로에서 드레인 전류 I0=4[mA]일 때 드레인과 소스 전압 VDS는 몇 [V]인가?

- ① 1[V]
- ② 2[V]
- ③ 3[V]
- ④ 4[V]
등록된 댓글이 없습니다.
2과목 : 전기자기학 및 회로이론
21. 도체계에서 임의의 도체를 일정 전위의 도체로 완전 포위하면 내외 공간의 전계를 완전히 차단할 수 있다. 이것을 무엇이라 하는가?
- ① 전자차폐
- ② 정전차폐
- ③ 홀(hall) 효과
- ④ 핀치(pinch) 효과
등록된 댓글이 없습니다.
22. 엘래스턴스(elestance)란?
- ①

- ②

- ③

- ④

등록된 댓글이 없습니다.
23. 정전용량 C0[F]인 동심구형(同心球形) 콘덴서의 내구 및 외구의 반지름을 모두 2배로 해줄 때 콘덴서의 정전용량 C는 몇 [F]인가?
- ① C = Co
- ② C= 2Co
- ③ C= Co/2
- ④ C= 4Co
등록된 댓글이 없습니다.
24. 100[V]용 60[W]와 100[W]의 전열구가 있을 때, 이들을 직렬연결하고 양단에 200[V]를 가했을 때 전구 60[W]에 걸리는 전압[V]은?
- ① 75[V]
- ② 100[V]
- ③ 125[V]
- ④ 150[V]
등록된 댓글이 없습니다.
25. 점전하 +Q의 무한 평면도체에 대한 영상전하는?
- ① Q보다 크다.
- ② Q보다 작다.
- ③ Q와 같다.
- ④ -Q와 같다.
등록된 댓글이 없습니다.
26. 그림과 같이 면적 S[m2]의 평행판 도체사이에 두께 ℓ1[m], ℓ2[m], 유전율 ε1, ε2인 유전체를 넣었을 때의 정전용량은 몇 [F]인가?

- ①

- ②

- ③

- ④

등록된 댓글이 없습니다.
27. 직선전류에 의해서 그 주위에 생기는 환상의 자계방향은?
- ① 전류의 방향
- ② 전류의 반대방향
- ③ 오른나사의 진행방향
- ④ 오른나사의 회전방향
등록된 댓글이 없습니다.
28. 두 코일이 있다. 한 코일의 전류가 매초 120[A]의 비율로 변화할 때, 다른 코일에 15[V]의 기전력이 발생하였다면 두 코일의 상호인덕턴스는?
- ① 0.125[H]
- ② 0.255[H]
- ③ 0.515[H]
- ④ 0.615[H]
등록된 댓글이 없습니다.
29. 자기 인덕턴스를 계산하는 공식이 아닌 것은? (단, A[Wb/m]는 벡터퍼텐셜이고, J[A/m2]는 전류밀도이다.)
- ①

- ②

- ③

- ④

등록된 댓글이 없습니다.
30. 전자파의 진행 방향은?
- ① 전계 E의 방향과 같다.
- ② 자계 H의 방향과 같다.
- ③ E×H의 방향과 같다.
- ④ ∇×E의 방향과 같다.
등록된 댓글이 없습니다.
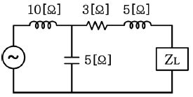
31. 다음 회로에서 부하 임피던스 ZL[Ω]을 얼마로 하면 최대 전력이 부하에 전달되는가?

- ① 5+j3
- ② 5-j3
- ③ 3+j5
- ④ 3-j5
등록된 댓글이 없습니다.
32. 다음 중 이상변압기(ideal transformer)를 만족하는 조건으로 옳지 않은 것은?
- ① 두 코일간의 결합계수가 1일 것
- ② 코일에 관계되는 손실이 0일 것
- ③ 두 코일의 각 인덕턴스가 무한대일 것
- ④ 단자 전압비는 권선수비의 역수와 같을 것
등록된 댓글이 없습니다.
33. 하이브리드 h 파라미터에서 단락 임피던스와 개방 출력 어드미턴스를 갖는 상수들로 구성된 것은?
- ① 단락 임피던스: h11, 개방 출력 어드미턴스: h12
- ② 단락 임피던스: h21, 개방 출력 어드미턴스: h22
- ③ 단락 임피던스: h11, 개방 출력 어드미턴스: h22
- ④ 단락 임피던스: h21, 개방 출력 어드미턴스: h12
등록된 댓글이 없습니다.
34. 저항 R과 유도리액턴스 XL의 직렬회로에서 서셉턴스 B를 표현한 것으로 옳은 것은?
- ①

- ②

- ③

- ④

등록된 댓글이 없습니다.
35. 어떤 회로에서 유효 전력이 300[W]이고, 무효 전력이 400[Var]이다. 이 회로에 100[V]의 전압원을 접속하면 회로에 흐르는 전류는 몇 [A]인가?
- ① 7
- ② 6
- ③ 5
- ④ 4
등록된 댓글이 없습니다.
36. 4단자정수 A, B, C, D 사이에는 어떤 관계가 항상 성립하는가?
- ① AB+CD = 1
- ② AB-CD = 1
- ③ AD+BC = 1
- ④ AD-BC = 1
등록된 댓글이 없습니다.
37. 단위 길이당 임피던스 및 어드미턴스가 각각 Z 및 Y인 전송 선로의 전파정수는?
- ①

- ②

- ③

- ④

등록된 댓글이 없습니다.
38. 페이저가 E=3+j4인 복소수를 정현파의 순시치로 나타내면 어떻게 되는가?
- ① 5sin(wt + 36.9°)
- ② 5sin(wt + 53.1°)
- ③ 5√2sin(wt + 36.9°)
- ④ 5√sin(wt + 53.1°)
등록된 댓글이 없습니다.
39. sin ωt의 라플라스 변환은?
- ①

- ②

- ③

- ④

등록된 댓글이 없습니다.
40. 공전 회로에 있어서 선택도 Q를 표시하는 옳은 식은? (단, RLC 직렬 공진 회로임)
- ①

- ②

- ③

- ④

등록된 댓글이 없습니다.
3과목 : 전자계산기일반
41. 시프트 레지스터의 기능이 아닌 것은?
- ① 곱셈
- ② 나눗셈
- ③ 직렬 전송
- ④ 덧셈
등록된 댓글이 없습니다.
42. 채널 제어기에 대한 설명 중 옳은 것은?
- ① 하나의 입출력 명령으로 한 블록의 자료만 입출력 할 수 있다.
- ② 하나의 입출력 명령에 의하여 여러 블록의 자료를 입출력 할 수 있다.
- ③ 중앙처리장치와 마찬가지로 주기억장치에 있는 명령을 수행하는 기능은 있으나 주기억장치에 접근할 수 없다.
- ④ 채널과 중앙처리장치는 동시 동작이 불가능하므로 중앙처리장치는 입출력을 위해 많은 시간이 소비된다.
등록된 댓글이 없습니다.
43. C 언어에서 사용하는 데이터형이 아닌 것은?
- ① int
- ② long
- ③ short
- ④ character
등록된 댓글이 없습니다.
44. CPU가 인스트럭션을 수행하는 순서로 옳은 것은?

- ① ㄷ → ㄴ → ㄹ → ㅁ → ㄱ
- ② ㄷ → ㄹ → ㄴ → ㅁ → ㄱ
- ③ ㄹ → ㄴ → ㄷ → ㅁ → ㄱ
- ④ ㄹ → ㄷ → ㄴ → ㅁ → ㄱ
등록된 댓글이 없습니다.
45. 명령 인출 사이클(fetch cycle)의 설명 중 옳지 않은 것은?
- ① 실행 사이클(execution cycle)에 해당한다.
- ② 프로그램 카운터(PC)에서 주소(address)가 MAR로 전달된다.
- ③ 머신 사이클(machine cycle)에 속한다.k
- ④ 명령어를 해독한다.
등록된 댓글이 없습니다.
46. 일반적으로 현재 많이 사용하고 있는 C 프로그램의 장점이 아닌 것은?
- ① 기계어를 중심으로 작성한다.
- ② 고급 언어의 일종이다.
- ③ 시스템 프로그래밍의 작성에 용이하다.
- ④ 응용 프로그램의 개발이 쉽다.
등록된 댓글이 없습니다.
47. 10진수로 표현된 (14.625)10을 2진수로 변환하면?
- ① 1011.011
- ② 1100.11
- ③ 1011.111
- ④ 1110.101
등록된 댓글이 없습니다.
48. 4비트의 2진수를 그레이 코드로 변경하는 논리회로를 구현하기 위한 게이트로 알맞은 것은?
- ① AND 게이트 3개
- ② OR 게이트 3개
- ③ NAND 게이트 3개
- ④ EX-OR 게이트 3개
등록된 댓글이 없습니다.
49. 다음 중 그레이(Gray) 코드를 사용하지 않는 것은?
- ① A/D 변환기(Analog-to-Digital converter)
- ② D/A 변환기(Digital-to-Analog converter)
- ③ 카르노 맵(Karnaugh map)
- ④ 산술논리장치(Arithmetic Logic Unit)
등록된 댓글이 없습니다.
50. 정적(Static) RAM에 대한 설명으로 옳지 않은 것은?
- ① D(Dynamic) RAM과 비교하여 대용량의 구성이 어렵고, 가격이 비싸다.
- ② 메모리 리플레시(Refresh) 동작이 필요하지 않다.
- ③ Capacitor에 전하를 축적하여 정보를 기억한다.
- ④ DRAM과 비교하여 동작속도가 빠르다.
등록된 댓글이 없습니다.
51. 단항(unary) 연산자 연산에 해당하지 않는 것은?
- ① COMPLEMENT
- ② MOVE
- ③ SHIFT
- ④ AND
등록된 댓글이 없습니다.
52. 알고리즘에 대한 설명 중 틀린 것은?
- ① 알고리즘은 하나 이상의 연산을 필요로 하는 과정들의 유한집합으로 구성된다.
- ② 알고리즘의 각 연산은 사람이 연필과 종이를 가지고 할 수 있어야 한다.
- ③ 알고리즘은 유한횟수의 작업을 수행한 후 끝나야 한다.
- ④ 알고리즘이 시작되어서 끝나기까지 걸리는 시간은 상관할 바가 아니다.
등록된 댓글이 없습니다.
53. 컴퓨터에서 명령문이 시행될 때 다음에 시행할 명령문의 주소는 어디에 두는가?
- ① Program Counter
- ② MAR(Memory Address Register)
- ③ Cache
- ④ Instruction Register
등록된 댓글이 없습니다.
54. 다음의 마이크로버스에서 비동기 직렬 데이터 전송인 경우에 가장 많이 사용되는 것은?
- ① S-100
- ② CAMAC
- ③ IEEE-488
- ④ RS-232C
등록된 댓글이 없습니다.
55. 다음 진리표를 보고 논리식을 최소화하면?

- ①

- ②

- ③

- ④

등록된 댓글이 없습니다.
56. 다음 중 부동소수점 연산에서 정규화를 하는 주목적은 무엇인가?
- ① 연산 속도를 증가시키기 위해서
- ② 숫자 표시를 간단히 하기 위해서
- ③ 수의 정밀도를 높이기 위해서
- ④ 부호 비트를 생략하기 위해서
등록된 댓글이 없습니다.
57. JK 플립플롭의 트리거 입력과 상태 전환 조건을 설명한 것 중 옳지 않은 것은?
- ① J=0, K=0일 때는 현재의 상태를 유지한다.
- ② J=0, K=1일 때는 0으로 된다.
- ③ J=1, K=0일 때는 0으로 된다.
- ④ J=1, K=1일 때는 반전된다.
등록된 댓글이 없습니다.
58. 다음 중 화면입력 장치가 아닌 것은?
- ① 디지타이저
- ② 문자판독기
- ③ 라이트 펜
- ④ 터치스크린
등록된 댓글이 없습니다.
59. 다음 중에서 가장 빠른 기억장치는?
- ① 자기 코어
- ② 자기 디스크
- ③ 자기 드럼
- ④ DRAM
등록된 댓글이 없습니다.
60. 소프트웨어적인 방법으로 인터럽트 요청신호 플래그를 차례로 검사하여 인터럽트의 발생 위치를 찾는 방식은?
- ① 데이터체인 방식
- ② 폴링 방식
- ③ 레지스터 방식
- ④ 스트로브 방식
등록된 댓글이 없습니다.
4과목 : 전자계측
61. 다음 중 초단파대의 파장을 측정하는데 사용하는 것은?
- ① Q 미터
- ② P형 VTVM
- ③ 레헤르(Lecher) 선
- ④ 휘스톤(Wheatstone) 브리지
등록된 댓글이 없습니다.
62. 오실로스코프(Oscilloscope)의 스크린(screen) 상에 그림과 같은 도형이 나타났을 때 Y1/Y2=0.5라고 하면 위상차 θ는 몇 도인가?

- ① 90°
- ② 60°
- ③ 45°
- ④ 30°
등록된 댓글이 없습니다.
63. 다음 중 직류에서는 분극작요 때문에 역기전력이 발생하므로 측정 전원으로 반드시 교류가 쓰이는 브리지는?
- ① 코올라우시 브리지
- ② 휘스톤 브리지
- ③ 캐리포스터 브리지
- ④ 캘빈더블 브리지
등록된 댓글이 없습니다.
64. 다음 중 지시계기의 제동 장치로 쓰이지 않는 것은?
- ① 와류 제동
- ② 공기 제동
- ③ 액체 제동
- ④ 스프링 제동
등록된 댓글이 없습니다.
65. 오실로스코프를 사용하여 교류 전압 파형을 나타낼 때 교류 파형의 진폭은 어떤 값을 나타내는가?
- ① 실효치
- ② 평균치
- ③ 절대치
- ④ 피크치
등록된 댓글이 없습니다.
66. 왜율을 표시한 식으로 옳지 않은 것은? (단, Ef는 기본파 전압, Eh는 고조파 전압이다.)
- ①

- ②

- ③

- ④

등록된 댓글이 없습니다.
67. 다음 중 계수형 주파수계의 설명으로 옳지 않은 것은?
- ① 온도에 의한 영향이 크다.
- ② 파형, 전압에 의한 영향은 없다.
- ③ 계수하기 전에 계수부를 0으로 복귀시킨다.
- ④ 측정확도는 표준 주파수에 의해서 결정된다.
등록된 댓글이 없습니다.
68. 기본파의 실효값이 20[V], 2차고조파는 5[V], 3차고조파는 3[V]이고, 4차고조파가 1[V]일 때 신호의 총고조파 왜율은 약 몇 [%]인가?
- ① 20.6[%]
- ② 25.6[%]
- ③ 29.6[%]
- ④ 32.6[%]
등록된 댓글이 없습니다.
69. 최대 눈금 250[V]인 0.5급 전압계로 어떤 전압을 측정하였더니 지시가 100[V]이었다. 상대 오차는?
- ① 0.5[%]
- ② 1.25[%]
- ③ 2.0[%]
- ④ 2.25[%]
등록된 댓글이 없습니다.
70. 다음 중 안테나의 실효저항측정법에 해당하지 않는 것은?
- ① 코일삽입법
- ② 작도법
- ③ 치환법
- ④ 저항삽입법
등록된 댓글이 없습니다.
71. 저주파 발진기 중 주파수 안정도가 가장 좋은 것은?
- ① 음차 발진기
- ② CR 발진기
- ③ 구형파 발진기
- ④ beat 주파 발진기
등록된 댓글이 없습니다.
72. 가동철편형 계기의 구동 토크(T0)와 전류(I)의 관계가 옳은 것은?
- ① 1/2에 비례한다.
- ② I에 비례한다.
- ③ I2에 비례한다.
- ④ I/√2에 비례한다.
등록된 댓글이 없습니다.
73. 그림과 같은 등가회로로 표시할 수 있는 콘덴서의 유전체 역률 를 나타내는 식 중 옳은 것은?

- ①

- ②

- ③

- ④

등록된 댓글이 없습니다.
74. 왜곡률을 측정하는 방법을 열거한 것 중 옳은 것은?
- ① 기본파와 고주파 전압의 적
- ② 기본파와 고주파 전압의 비
- ③ 기본파와 고주파 전류의 적
- ④ 기본파와 고주파 전류의 비
등록된 댓글이 없습니다.
75. 다음 중 잡음지수 F는? (단, Si : 입력신호, Ni : 입력잡음, So : 출력신호, No : 출력잡음)
- ①

- ②

- ③

- ④

등록된 댓글이 없습니다.
76. 다음은 측정용 발진기 구성도이다. 옳은 것은?

- ① 소인발진기
- ② 비트발진기
- ③ 음차발진기
- ④ CR 발진기
등록된 댓글이 없습니다.
77. 캠벨 브리지는 무엇을 측정하는데 사용되는가?
- ① 커패시턴스
- ② 상호 인덕턴스
- ③ 컨덕턴스
- ④ 저항
등록된 댓글이 없습니다.
78. 측정값을 M, 참값을 T라고 할 때 백분율 오차는?
- ①

- ②

- ③

- ④

등록된 댓글이 없습니다.
79. 오실로스코프에 다음과 같은 리사주 파형이 나타날 때 수직, 수평의 주파수 비는?

- ① 수직:수평 = 3:2
- ② 수직:수평 = 2:3
- ③ 수직:수평 = 2:5
- ④ 수직:수평 = 5:2
등록된 댓글이 없습니다.
80. 다음 중 윈 브리지(Wien Bridge)로 측정할 수 있는 것은?
- ① 역률
- ② 정전용량
- ③ 접지저항
- ④ 코일의 자기인덕턴스
등록된 댓글이 없습니다.