전자산업기사(2003. 3. 16.) 시험일자 : 2003년 3월 16일
1과목 : 전자회로
1. SSB 전파를 검파할 수 없는 것은?
- ① 평형 복조기
- ② 링(Ring) 복조기
- ③ 주파수 변환기
- ④ 드레인(Drain) 복조회로
등록된 댓글이 없습니다.
2. 그림과 같은 발진회로에 관한 설명 중 옳은 것은?

- ① C와 R을 사용하여 부궤환으로 발진시킨 것이다.
- ② 다이나트론에 의한 부성저항과 C로 발진시킨 것이다.
- ③ C 및 R로서 정궤환에 의하여 발진시킨 것이다.
- ④ 컬렉터의 LC동조회로를 C 및 R로 베이스에 결합한 것이다.
등록된 댓글이 없습니다.
3. 다음 논리회로(logic block diagram) 중 출력 Y가 논리적으로 같지 않은 것은?
- ①

- ②

- ③

- ④

등록된 댓글이 없습니다.
4. 주 반송자(Majority carrier)가 전자인 반도체는?
- ① N형 반도체
- ② 진성 반도체
- ③ P형 반도체
- ④ PN형 반도체
등록된 댓글이 없습니다.
5. 이상적인 연산 증폭기(Op-Amp)의 특징이 아닌 것은?
- ① 출력 임피던스가 무한대
- ② 입력 임피던스가 무한대
- ③ 전압 이득이 무한대
- ④ 대역폭이 무한대
등록된 댓글이 없습니다.
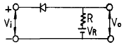
6. 이상적인 다이오드로 구성된 다음의 정류 회로에서 V=100sinωt[V] 일 때 저항 R=5[㏀]에 흐르는 평균 전류는?

- ① 4.7 mA
- ② 5.5 mA
- ③ 6.37 mA
- ④ 7.8 mA
등록된 댓글이 없습니다.
7. 그림과 같은 pulse 파형에서 실제 응답된 펄스 파형이 펄스 진폭의 뒷 부분이 꿩와 같이 감쇠되는 것을 무엇이라고 하는가?

- ① Over shoot
- ② Under shoot
- ③ Ringing
- ④ Sag
등록된 댓글이 없습니다.
8. 그림과 같은 회로에서 컬렉터 전류 Ic는?

- ① Ic=βI+βIo+Ico
- ② Ic=βI+βIco
- ③ Ic=βI-βIo+(1+β)Ico
- ④ Ic=βI-βIo+βIco
등록된 댓글이 없습니다.
9. 다음 설명 중 옳지 않은 것은?
- ① 전력 효율은 전원 전력 소비량을 적게하면서 신호 출력을 크게 할 수 있느냐 하는 지수를 말한다.
- ② A급 전력 증폭기의 컬렉터 손실은 무신호시에 가장 작다.
- ③ B급 전력 증폭기는 출력이 최대 가능 출력의 약 40%일 때 컬렉터 손실이 가장 크다.
- ④ C급 전력 증폭기는 신호 출력의 첨두치에서 가장 큰 손실이 발생한다.
등록된 댓글이 없습니다.
10. A, B 두개의 변수로 구성된 논리 함수의 최소항에 속하지 않는 것은?
- ① AB
- ②

- ③

- ④

등록된 댓글이 없습니다.
11. 부하저항 RL=16Ω 에 20V의 신호를 공급한 B급 증폭기의 입력전력 Pi와 출력전력 Po는 약 얼마인가? (단, 전원전압 VCC=30V이다.)
- ① Pi=24W, Po=13W
- ② Pi=34W, Po=23W
- ③ Pi=44W, Po=33W
- ④ Pi=54W, Po=43W
등록된 댓글이 없습니다.
12. 정현파 발진회로가 아닌 것은?
- ① 동조형 발진회로
- ② 콜피츠 발진회로
- ③ 이상형 RC발진회로
- ④ 톱니파 발진회로
등록된 댓글이 없습니다.
13. 그림의 회로에서 궤환비(β)는?

- ① -Re
- ② -1
- ③ -RL
- ④ -(Re+RL)
등록된 댓글이 없습니다.
14. 출력 단자에 보호(protection) 회로가 필요한 Gate는?
- ① MOS Gate
- ② DTL Gate
- ③ TTL Gate
- ④ ECL Gate
등록된 댓글이 없습니다.
15. 보기의 그림과 같은 입력(Vi)에 정현파를 인가 했을 때 얻어지는 출력 파형과 같은 파형이 얻어지는 회로는?

- ①

- ②

- ③

- ④

등록된 댓글이 없습니다.
16. 트랜지스터 증폭 회로에서 입력 저항은 매우 작고, 출력 저항이 매우 큰 것은?
- ① 푸시 풀(Push-pull)방식
- ② 이미터 접지방식
- ③ 컬렉터 접지방식
- ④ 베이스 접지방식
등록된 댓글이 없습니다.
17. 도면과 같은 회로에서 저항 RL을 통해 흐르는 전류는?

- ① Vs/R+RL
- ② Vs/RL
- ③ Vs/R
- ④

등록된 댓글이 없습니다.
18. 다음 논리식에서 옳지 않은 것은?
- ① A+A=A
- ② A*A=A
- ③

- ④

등록된 댓글이 없습니다.
19. 차동증폭기에서는 동상제거비(CMRR)가 클 수록 양호한 특성을 갖는다. 이상적으로 CMRR=∞ 인 차동증폭기에서는 회로에서 발생하는 잡음이 출력 단자에 어떻게 나타나는가?
- ① 발생한 잡음의 크기 그대로 나타난다.
- ② 발생한 잡음은 증폭되어 출력에 나타난다.
- ③ 발생한 잡음의 크기보다 작아져서 나타난다.
- ④ 잡음이 발생하여도 출력 단자에는 나타나지 않는다.
등록된 댓글이 없습니다.
20. (13)10을 Gray Code로 변환하면?
- ① 1001
- ② 1100
- ③ 1011
- ④ 1010
등록된 댓글이 없습니다.
2과목 : 전기자기학 및 회로이론
21. i=I1sinωt+I2cosωt의 최대값은?
- ① I1+I2
- ②

- ③

- ④

등록된 댓글이 없습니다.
22. 한변의 길이가 1m인 정방형 도체 회로에 전류 √2π[A]를 흘릴 때 회로의 중심에서 자계의 세기는 몇 AT/m 인가?
- ① 1
- ② 2
- ③ 3
- ④ 4
등록된 댓글이 없습니다.
23. 콘덴서를 그림과 같이 접속했을 때 CX의 정전용량은 몇 μF 인가? (단, C1=C2=C3=3μF이고 ab사이의 합성정전용량은 5μF이다.)

- ① 0.5
- ② 1
- ③ 2
- ④ 4
등록된 댓글이 없습니다.
24. 전류의 세기가 I[A], 반지름 r[m]인 원형 선전류 중심에 m[Wb]인 가상 점자극을 둘 때 원형 선전류가 받는 힘은 몇 N 인가?
- ① mI/2r
- ② mI/2πe
- ③ mI2/2πr
- ④ mI/2r2
등록된 댓글이 없습니다.
25. 그림과 같이 동심 도체구에서 내구 A를 접지하고 외구 B에만 전하를 줄 때 전기력선의 분포에 대한 설명 중 옳은 것은?

- ① 전기력선은 외구 밖에만 존재한다.
- ② 전기력선은 내구와 외구사이에만 존재한다.
- ③ 전기력선은 내구와 외구사이뿐만 아니라 외구 밖에도 존재한다.
- ④ 전기력선은 어느 곳에도 존재하지 않는다.
등록된 댓글이 없습니다.
26. R-L 직렬 회로에서 교류 전압을 가했더니 R 양단에 4[V], L 양단에 3[V]가 나타났다.이 때 인가 전압은?
- ① 4√3V
- ② 2√3V
- ③ 7V
- ④ 5V
등록된 댓글이 없습니다.
27. 일정한 정현파 전류가 일정한 용량을 갖는 인덕터의 양단에 인가되고 있다. 만약, 인덕터의 인덕턴스가 증가되었을 경우 이 때의 유도전압은?
- ① 감소한다.
- ② 변화가 없다.
- ③ 증가한다.
- ④ 차단된다.
등록된 댓글이 없습니다.
28. 투자율 1000μo[H/m]인 철심에 코일을 감고 일정한 전류 15A를 흘리고 있다. 회로의 길이가 1m일 때 자기저항이 R1[AT/Wb]이고, 이 회로에 미소공극 1mm를 만들면 자기 저항이 R2가 되었다고 한다. R2는 R1의 몇 배인가?
- ① 1/2
- ② 2
- ③ 4
- ④ 10
등록된 댓글이 없습니다.
29. 회로의 전압 전달 함수는?

- ① LS/R+LS
- ② LS/R
- ③ R+LS/LS
- ④ 1
등록된 댓글이 없습니다.
30. 인덕턴스 L1, L2가 각 각 3[mH], 6[mH]인 두코일 간의 상호 인덕턴스 M이 4[mH]라고 하면 결합계수 K는?
- ① 약 0.11
- ② 약 0.94
- ③ 약 0.44
- ④ 약 0.67
등록된 댓글이 없습니다.
31. 진공 중에 있는 점전하 Q[C]으로부터 R[m] 떨어진 점의 전위는 몇 V 인가?
- ①

- ②

- ③

- ④

등록된 댓글이 없습니다.
32. 사용되는 전자파의 파장이 가장 긴 것부터 순서대로 나열한 것은?
- ① 전자렌지-살균 소독-사진 전송-레이다
- ② 레이다-사진 전송-살균 소독-전자렌지
- ③ 사진 전송-레이다-살균 소독-전자렌지
- ④ 전자렌지-살균 소독-레이다-사진 전송
등록된 댓글이 없습니다.
33. 옴(ohm)의 법칙에서 전압은?
- ① 전류에 비례한다.
- ② 전류에 반비례한다.
- ③ 전류의 제곱에 비례한다.
- ④ 전류와 무관하다.
등록된 댓글이 없습니다.
34. 평행판콘덴서의 극판사이가 진공일 때의 용량을 Co, 비유전률 εs의 유전체를 채웠을 때의 용량을 C 라할 때, 이들의 관계식은?
- ①

- ②

- ③

- ④

등록된 댓글이 없습니다.
35. 회로에서 전류 I와 저항 R에 흐르는 전류 IR 이 같을 때 정현파 전압의 주파수를 f라 하면 f, L, C의 관계는?

- ①

- ②

- ③

- ④

등록된 댓글이 없습니다.
36. 그림과 같은 대칭 T형 회로의 단락 임피던스 ZIS[Ω]은?

- ① 360
- ② 400
- ③ 800
- ④ 1000
등록된 댓글이 없습니다.
37. 2㎌의 콘덴서에 100V로 어떤 전하를 충전시킨뒤 콘덴서의 양단을 200Ω 의 저항으로 연결하면 저항에서 소모되는 총 에너지는 몇 J인가?
- ① 0.01
- ② 0.1
- ③ 1
- ④ 10
등록된 댓글이 없습니다.
38. F(S)=1의 역 Laplace 변환 f(t)는?
- ① 1
- ② u(t)
- ③ δ(t)
- ④ t
등록된 댓글이 없습니다.
39. 코일에 있어서 자기인덕턴스는 다음의 어떤 매질 상수에 비례하는가?
- ① 저항률
- ② 유전률
- ③ 투자율
- ④ 도전률
등록된 댓글이 없습니다.
40. 자위의 단위에 해당되는 것은?
- ① A
- ② J/C
- ③ N/Wb
- ④ Gauss
등록된 댓글이 없습니다.
3과목 : 전자계산기일반
41. 2진 고정 소수점 수의 음수 표현 방식이 아닌 것은?
- ① Signed-magnitude
- ② Signed-one's Complement
- ③ Signed-two's Complement
- ④ Signed-zero's Complement
등록된 댓글이 없습니다.
42. ALU의 입력과 출력 자료의 임시 기억을 목적으로 하며, CPU 내에 연산용 레지스터가 한 개 뿐일 때를 무엇이라고 하는가?
- ① 인덱스 레지스터
- ② 어드레스 레지스터
- ③ 어큐뮬레이터
- ④ 명령 레지스터
등록된 댓글이 없습니다.
43. 레지스터 내의 비트 중 일부분을 보수화시킬 때 사용될 수 있는 마이크로 동작은?
- ① 마스크(mask)
- ② 배타적 OR
- ③ OR
- ④ 논리
등록된 댓글이 없습니다.
44. 마이크로프로세서를 구성하는 주요 3 부분 간의 상호 데이터 접속은 무엇을 통하여 이루어지는가?
- ① external bus
- ② memory bus
- ③ address bus
- ④ internal bus
등록된 댓글이 없습니다.
45. 입력 어드레스 선이 8개, 출력 데이터 선이 8개인 ROM의 기억 용량은 몇 바이트인가?
- ① 64
- ② 128
- ③ 256
- ④ 512
등록된 댓글이 없습니다.
46. 다음 도표의 기호는 순서도(flowchart)에서 무엇을 나타낼 때 사용되는가?

- ① 소트(sort)
- ② 서브처리(predefined process)
- ③ 자기드럼
- ④ 천공카드
등록된 댓글이 없습니다.
47. 마이크로프로세서, 메모리, 주변 인터페이스 상호간에 필요한 정보를 교신하는데 쓰이는 공동의 전송선로는?
- ① bus
- ② buffer
- ③ multiplexer
- ④ decoder
등록된 댓글이 없습니다.
48. MOS내에 전하로 기억시킨 내용을 자외선을 쬐여 그 내용을 지울 수 있고 다시 다른 내용을 기록할 수 있는 장치는?
- ① DRAM
- ② SRAM
- ③ PROM
- ④ EPROM
등록된 댓글이 없습니다.
49. 다음 연산의 종류를 단항(unary)연산과 이항(binary)연산으로 구별할 때 단항 연산을 하는 연산자가 아닌 것은?
- ① Complement
- ② Move
- ③ AND
- ④ Shift
등록된 댓글이 없습니다.
50. 어떤 시스템에서 데이터의 전송 속도가 200bps라고 할 때 이 시스템에 10초간 전송하는 데이터는 모두 몇 bit인가?
- ① 2
- ② 20
- ③ 200
- ④ 2000
등록된 댓글이 없습니다.
51. 컴퓨터 자료처리 방식의 분류에 속하지 않는 것은?
- ① 중앙집중식 처리
- ② 온라인 실시간처리
- ③ 시분할처리
- ④ 일괄처리
등록된 댓글이 없습니다.
52. 프로그램 인터럽트 요인 발생 시 반드시 확인해야 할 CPU 상태가 아닌 것은?
- ① 프로그램 카운터의 내용
- ② 모든 레지스터의 내용
- ③ 상태 조건의 내용
- ④ 현재 명령의 내용
등록된 댓글이 없습니다.
53. 패리티 비트(parity bit)에 대한 설명으로 옳지 않은 것은?
- ① 한 개의 비트만으로 간단하게 구현할 수 있다.
- ② 2 비트 이상의 오류를 검출할 수 있다.
- ③ 오류를 교정할 수 없다.
- ④ 데이터에 패리티 비트를 추가해서 사용한다.
등록된 댓글이 없습니다.
54. 프로그램의 서브루틴 호출과 복귀를 처리할 때 이용되는 것은?
- ① 스택
- ② 큐
- ③ ROM
- ④ 프로그램 카운터
등록된 댓글이 없습니다.
55. 어떤 명령이 실행되기 위해서 가장 먼저 이루어지는 마이크로 오퍼레이션은?
- ① MBR ← PC
- ② PC ← PC+1
- ③ IR ← MBR
- ④ MAR ← PC
등록된 댓글이 없습니다.
56. 데이터 통신용으로 널리 사용되고 마이크로 컴퓨터에서 많이 채택되고 있는 코드는?
- ① ASCII 코드
- ② BCD 코드
- ③ EBCDIC 코드
- ④ Gray 코드
등록된 댓글이 없습니다.
57. 1024× 8비트 ROM의 경우 최소한 몇 개의 Address line이 필요한가?
- ① 8
- ② 9
- ③ 10
- ④ 11
등록된 댓글이 없습니다.
58. 다음 덧셈 명령 가운데 2 주소(address) 명령 형식에 해당하는 것은?
- ① ADD R1,R2,R3
- ② ADD R1,R2
- ③ ADD R1
- ④ ADD
등록된 댓글이 없습니다.
59. 드 모르간(De Morgan)의 정리를 옳게 나타낸 것은?
- ①

- ②

- ③

- ④

등록된 댓글이 없습니다.
60. 다음 흐름도를 표시하는 기호 중 라인프린터 출력을 의미하는 것은?
- ①

- ②

- ③

- ④

등록된 댓글이 없습니다.
4과목 : 전자계측
61. 디지털 계측기에 관한 특징이 아닌 것은?
- ① 전압, 전류, 저항 값 등을 연속적으로 간단하게 측정한다.
- ② 표시되는 지시 값의 눈금을 읽는데 개인 오차를 가지기 쉽다.
- ③ 계수기의 진보와 함께 극히 정도가 높은 계측이 가능하다.
- ④ 시간적으로 빨리 측정할 수 있다.
등록된 댓글이 없습니다.
62. 가동철편형 계기에 대한 설명 중 옳지 않은 것은?
- ① 직류 전용이다.
- ② 눈금은 실효치로 되어 있다.
- ③ 전압계보다는 전류계로 많이 쓰인다.
- ④ 흡입형, 반발형 및 흡입 반발형이 있다.
등록된 댓글이 없습니다.
63. 피측정 주파수를 계수형 주파수계로 측정한 결과 1초에 반복한 횟수가 60번 이었다. 피측정 주파수는?
- ① 1 [Hz]
- ② 60 [Hz]
- ③ 1/60 [Hz]
- ④ 360 [Hz]
등록된 댓글이 없습니다.
64. 그림과 같은 교류 브리지가 평형 되었을 때 L의 값은?

- ①

- ② L=CR1R2
- ③

- ④

등록된 댓글이 없습니다.
65. 정전형 계기의 특징이 아닌 것은?
- ① 눈금이 자승눈금으로 된다.
- ② 실효치 눈금이므로 파형오차가 있다.
- ③ 교류, 직류 양용계기로 주파수 특성이 좋다.
- ④ 고전압 측정에 적합하다.
등록된 댓글이 없습니다.
66. 오차 백분율에 해당하는 식은?(단 M은 측정값, T는 참값이다.)
- ①

- ②

- ③

- ④

등록된 댓글이 없습니다.
67. 저주파 측정에 사용되는 측정법은?
- ① 공진 브리지법
- ② 레헤르선 주파수계
- ③ 흡수형 주파수계
- ④ 헤테로다인 주파수계
등록된 댓글이 없습니다.
68. 주파수의 영향이 가장 큰 계기는?
- ① 유도형
- ② 열전형
- ③ 전류력계형
- ④ 가동철편형
등록된 댓글이 없습니다.
69. 저주파 발진기에 흔히 쓰이는 빈 브리지의 장점이 아닌 것은?
- ① 일그러짐이 적다.
- ② 입력 특성이 좋다.
- ③ 출력 특성이 좋다.
- ④ 발진 주파수가 안정하다.
등록된 댓글이 없습니다.
70. 다음 그림과 같은 원리도를 가지는 주파수계는?

- ① 딥메터
- ② 공동 주파수계
- ③ 흡수형 주파수계
- ④ 헤테로다인 주파수계
등록된 댓글이 없습니다.
71. 가동 코일형 계기의 설명 중 옳지 않은 것은?
- ① 직류 전용이다.
- ② 소비 전력이 대단히 적다.
- ③ 감도가 대단히 우수하다.
- ④ 평등눈금이지만 만능계기로 적용되지 못한다.
등록된 댓글이 없습니다.
72. 소인 발진기를 사용할 때 병행하는 계기는?
- ① 고주파 발진기
- ② 감쇠기
- ③ 진공관 전압계
- ④ 오실로스코프
등록된 댓글이 없습니다.
73. 정밀 헤테로다인 주파수계의 측정 상 주의할 점 중 옳지 않은 것은?
- ① 전원 전압은 규정 값으로 유지할 것
- ② 피측정 회로에 너무 밀결합 시키지 말 것
- ③ 보간 발진기의 f - c 곡선은 수시 교정할 것
- ④ 교정 후 정밀 측정은 단 시간 내에 하지 않을 것
등록된 댓글이 없습니다.
74. 트리거 스위프식 오실로스코프의 회로구성에서 빈칸 안에 알맞은 것은?

- ① 적분회로
- ② 트리거회로
- ③ 차동증폭회로
- ④ 입력 절환회로
등록된 댓글이 없습니다.
75. 감쇠기의 입력전류 및 전압을 I1 및 V1, 출력전류 및 전압을 I2 및 V2라 하면 감쇠량은 어떤 값을 나타내는가?
- ①

- ②

- ③

- ④

등록된 댓글이 없습니다.
76. 전력 증폭기에서 출력 저항을 측정하는 주된 이유는?
- ① 전류 이득을 계산하기 위해서
- ② 전압 이득을 계산하기 위해서
- ③ 주파수 응답 특성을 알기 위해서
- ④ 부하 저항과의 정합을 이루기 위해서
등록된 댓글이 없습니다.
77. 그림과 같은 임피던스 브리지(Impedance Bridge)에서 Lx의 값은?

- ①

- ②

- ③

- ④

등록된 댓글이 없습니다.
78. 역률이 0.001인 콘덴서의 Q는?
- ① 10
- ② 100
- ③ 1,000
- ④ 10,000
등록된 댓글이 없습니다.
79. 진동편형 주파수계의 특징 중 옳지 않은 것은?
- ① 지시가 연속적이다.
- ② 지시의 신뢰성이 높다.
- ③ 1000[Hz] 이하에서 사용된다.
- ④ 구조가 간단하고, 전압의 파형에 영향이 없다.
등록된 댓글이 없습니다.
80. 내부 저항이 무한대인 전압계로 A-B간의 전압을 측정하면 얼마인가?

- ① 3V
- ② 6V
- ③ 10V
- ④ 15V
등록된 댓글이 없습니다.