정보통신기사(2009. 3. 1.) 시험일자 : 2009년 3월 1일
1과목 : 디지털 전자회로
1. 다음 중 시미트(Shmitt)트리거 회로의 응용이 아닌 것은?
- ① 구형파회로
- ② 증폭회로
- ③ 쌍안정회로
- ④ 전압비교회로
등록된 댓글이 없습니다.
2. 다음 회로에서 출력 Vo가 옳은 것은?

- ① 양(+)의 펄스
- ② 음(-)의 펄스
- ③ 대칭 펄스
- ④ 반파 대칭 펄스
등록된 댓글이 없습니다.
3. 다음 중 대수증폭기(logarithm Amp)로 적합한 것은?
- ①

- ②

- ③

- ④

등록된 댓글이 없습니다.
4. 트랜지스터 증폭기에서 바이어스(bias)에 대한 설명 중 가장 적합한 것은? (단, OP Amp는 이상적이다.)
- ① 희망하는 동작모드를 만들기 위해 트랜지스터 또는 소자에 직류전압을 인가하는 것을 말한다.
- ② 전류 캐리어로 자유전자와 정공에 의해 특성화되는 것을 말한다.
- ③ 베이스와 컬렉터 사이의 전류이득을 말한다.
- ④ 트랜지스터가 도통되지 않았을 때의 상태를 말한다.
등록된 댓글이 없습니다.
5. 다음 중 크로스오버왜곡(crossover distortion)이 생기는 증폭기는?
- ① A급 BJT(bipolar junction transistor) 증폭기
- ② B급 푸시-풀(push-pull) 증폭기
- ③ 이미터 공통(common-emitter) 증폭기
- ④ 컬렉터 골통(common-collector) 증폭기
등록된 댓글이 없습니다.
6. 그림과 같은 등가회로로 표시되는 발진회로의 발진 주파수는?

- ①

- ②

- ③

- ④

등록된 댓글이 없습니다.
7. 다음 중 ECL(Emitter Coupled Logic) 회로의 특성이 아닌 것은?
- ① TTL보다 소비전력이 크다.
- ② 트랜지스터를 포화시키지 않고 사용할 수 있다.
- ③ CMOS보다 동작 속도가 빠르다.
- ④ 기본적으로 NOT또는 NOR 게이트의 출력단자를 갖는다.
등록된 댓글이 없습니다.
8. 그림과 같은 회로에서 Zenner 다이오드의 파괴 전압은 50[V]이며, 그 전류 범위는 5 . 40[mA]이다. 부하저항 RL에 흐르는 전류 IL의 최대값은 얼마인가?

- ① 45[mA]
- ② 35[mA]
- ③ 25[mA]
- ④ 15[mA]
등록된 댓글이 없습니다.
9. 다음 중 PPL(위상동기루프)을 구성하는 요소와 관련 없는 것은?
- ① 위상 비교기
- ② LPF
- ③ 인코더
- ④ VCO
등록된 댓글이 없습니다.
10. 다음 중 C급 전력 증폭기에 관한 설명으로 틀린 것은?
- ① 입력신호의 전주기 동안에 컬렉터 전류가 흐르기 때문에 소비전력이 매우 크다.
- ② B급 증폭기보다 효율이 높다.
- ③ C급 증폭기의 컬렉터에 저항부하를 연결하면 펄스 형태에 가까운 출력이 나타난다.
- ④ 컬렉터에 연결한 저항대신 LC 병렬공진 회로를 사용하면 공진주파수의 전압 파형을 정현파로 만들 수 있다.
등록된 댓글이 없습니다.
11. 다음 중 Wien Bridge 발진기의 정궤환 요소는?
- ① RL 회로망
- ② LC 회로망
- ③ 전압분배기(voltage divider)망
- ④ 선행-지연회로망(lead-lag network)
등록된 댓글이 없습니다.
12. 다음 연산증폭기의 역할은? (단, R = R' 이고 다이오드는 이상적이다.)

- ① 발진회로
- ② 클램프회로
- ③ 전파정류기
- ④ 반파정류기
등록된 댓글이 없습니다.
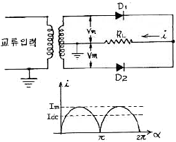
13. 다음 전파정류회로에서 전류 I = 2 sin a[A], 부하저항 RL=5[Ω], 다이오드 D1, D2의 정저항 R1=0 일 때 다이오드의 최대 역전압은?

- ① 5[V]
- ② 10[V]
- ③ 15[V]
- ④ 20[V]
등록된 댓글이 없습니다.
14. 다음 중 프리엠퍼시스(pre-emphasis) 회로와 관련 있는 것은?
- ① 저역통과필터
- ② 고역통과필터
- ③ 대역통과필터
- ④ 대역저지필터
등록된 댓글이 없습니다.
15. 다음과 같이 JK플립플롭을 결선하면 이는 어떤 플립플롭처럼 동작하는가?

- ① T
- ② D
- ③ RS
- ④ M/S-JK
등록된 댓글이 없습니다.
16. 상보대칭 SEPP(Complementary Symmetric Sjngle Ended Push-pull) 회로의 설명으로 옳지 않은 것은?
- ① 출력 변성기를 사용하지 않아도 된다.
- ② 전기적 특성이 똑같은 NPN과 PNP 트랜지스터를 사용한다.
- ③ 입력측에 위상반전회로가 필요 없다.
- ④ 두 개의 트랜지스터가 부하에 대해서 직렬로 연결된 회로이다.
등록된 댓글이 없습니다.
17. 그림과 같은 궤환 증폭기에 관한 설명 중 틀린 것은?

- ① 궤환으로 인하여 입력임피이던스 Ri은 감소한다.
- ② 궤환으로 인하여 출력임피이던스 Ro는 감소한다.
- ③ 궤환으로 인하여 전류이득 Io/Is의 크기는 감소한다.
- ④ Rf가 작을수록 Vo는 커진다.
등록된 댓글이 없습니다.
18. 다음 카르노 맵의 함수를 간략화한 것은?

- ①

- ②

- ③

- ④

등록된 댓글이 없습니다.
19. 시프트 레지스터에서 4로 나누려면 몇 비트 이동해야 하는 가?
- ① 오른쪽으로 2비트
- ② 왼쪽으로 2비트
- ③ 오른쪽으로 4비트
- ④ 왼쪽으로 4비트
등록된 댓글이 없습니다.
20. 필터법을 이용하여 DSB 파에서 SSB 파를 얻어내려면 어떤 종류의 필터를 사용해야 하는가?
- ① 저역필터(LPF)
- ② 전대역필터(APF)
- ③ 고역필터(HPF)
- ④ 대역필터(BPF)
등록된 댓글이 없습니다.
2과목 : 정보통신 시스템
21. ITU-T에서 권고된 신호방식 중 공통선 신호방식에 해당되는 것은?
- ① ITU-T No.5 신호방식
- ② ITU-T No.6 신호방식
- ③ ITU-T R1 신호방식
- ④ ITU-T R2 신호방식
등록된 댓글이 없습니다.
22. 프레임의 개시, 종료 등을 나타내는 플래그(flag)를 써서 투명성을 가능하게 한 것은?
- ① 비트방식 프로토콜
- ② 문자계수식 프로토콜
- ③ 문자방식 프로토콜
- ④ 무순서 프로토콜
등록된 댓글이 없습니다.
23. 디지털 이동통신 시스템에서 이동국(단말기)이 자신의 위치와 상태를 교환기에게 수시로 알려줌으로써 전체 시스템 부하를 줄여주고 이동국 착신호의 신뢰성을 증가시키는 것은?
- ① 호처리
- ② 핸드오프
- ③ 전력제어
- ④ 위치등록
등록된 댓글이 없습니다.
24. 다음 중 트랙픽 단위인 어랑(Erl)의 설명으로 옳은 것은?
- ① 1시간 계속해서 1회선을 점유하였을 때의 트래픽양
- ② 1분간 계속해서 1회선을 점유하였을 때의 트래픽양
- ③ 1초간 계속해서 1회선을 점유하였을 때의 트래픽양
- ④ 10분간 계속해서 1회선을 점유하였을 때의 트래픽양
등록된 댓글이 없습니다.
25. 50개국을 망형으로 구성할 경우 필요한 중계 회선수는?
- ① 25
- ② 49
- ③ 1200
- ④ 1225
등록된 댓글이 없습니다.
26. ITU-T의 1차군 비동기식 디지털 계위의 권고사항으로 옳은 것은?
- ① 북미 방식의 24채널, 1.544[Mbps]
- ② 유럽 방식의 24채널, 2.048[Mbps]
- ③ 북미 방식의 32채널, 2.048[Mbps]
- ④ 유럽 방식의 32채널, 1.544[Mbps]
등록된 댓글이 없습니다.
27. 64QAM으로 변조된 신호의 변조속도가 2400[baud]일 때 데이터 전송속도는 몇 [bps]인가?
- ① 4800
- ② 9600
- ③ 14400
- ④ 28800
등록된 댓글이 없습니다.
28. 인공위성망(Satellite Network)의 설명으로 틀린 것은?
- ① 인공위성을 중계기로 하여 수신이 어려운 지역에도 통신이 가능하다.
- ② 위성회선은 전송지연이 없기 때문에 재전송이나 데이터의 전송이 빠르다.
- ③ 지상의 재해에 영향이 적다.
- ④ 전송채널을 미리 확보해야 하며, 가능한 재전송이 없도록 해야 한다.
등록된 댓글이 없습니다.
29. 패킷 교환망에서 네트워크를 효율적으로 이용할 수 있도록하는 트래픽 제어기술이 아닌 것은?
- ① 교착상태회피(Deadlock Avoidance)
- ② 순서 제어(Sequence Control)
- ③ 혼잡 제어(Congestion Control)
- ④ 흐름 제어(Flow Control)
등록된 댓글이 없습니다.
30. HDLC 프레임을 구성하는 요소가 아닌 것은?
- ① 종료 플래그
- ② 53바이트 셀 필드
- ③ 주소 필드
- ④ FCS 필드
등록된 댓글이 없습니다.
31. IEEE 802에서 무선 근거리통신망(wireless LAN)을 규정한 표준은?
- ① IEEE 802. 1
- ② IEEE 802. 6
- ③ IEEE 802. 9
- ④ IEEE 802. 11
등록된 댓글이 없습니다.
32. 대역폭 W, 채널 잡음세력 N인 경우, 신호세력 S를 전송할 때 얻을 수 있는 통신용량 C는?
- ①

- ②

- ③

- ④

등록된 댓글이 없습니다.
33. 다음 중 PAD의 설명으로 옳은 것은?
- ① 패킷모드 단말기를 위한 장치이다.
- ② 비패킷모드 단말기를 위한 장치이다.
- ③ X.25는 PAD의 기본적인 특징을 규정하고 있다.
- ④ X.28은 PAD의 기본적인 특징을 규정하고 있다.
등록된 댓글이 없습니다.
34. 다음 중 경로설정(routing) 기능을 담당하는 계층은?
- ① 물리계층(physical layer)
- ② 세션계층(session layer)
- ③ 망계층 (network layer)
- ④ 전달계층(transport layer)
등록된 댓글이 없습니다.
35. 다음 중 데이터그램 패킷교환의 특징이 아닌 것은?
- ① 속도 및 코드변환이 가능하다.
- ② 메시지가 짧은 경우에 유리하다.
- ③ 대역폭 설정이 융통적이다.
- ④ 패킷의 도착순서가 고정적이다.
등록된 댓글이 없습니다.
36. 다음 중 전송품질의 척도가 아닌 것은?
- ① 통화당량
- ② 평점등가 감쇠량
- ③ 반복도
- ④ 실효전송당량
등록된 댓글이 없습니다.
37. 패킷 교환망과 패킷 교환망의 연결을 위한 망간의 접속 프로토콜은?
- ① X.29
- ② X.400
- ③ X.75
- ④ X.28
등록된 댓글이 없습니다.
38. 광섬유 케이블에서 레일리(Rayleigh) 산란손실과 파장과의 관계가 옳은 것은?
- ① 파장의 2승에 반비례한다.
- ② 파장의 2승에 비례한다.
- ③ 파장의 4승에 반비례한다.
- ④ 파장의 4승에 비례한다.
등록된 댓글이 없습니다.
39. 데이터링크 계층에서 ACK/NAK 응답처리 방법을 사용하지 않는 것은?
- ① Stop and Wait ARQ
- ② Selective Repeat ARQ
- ③ Go-Back-N ARQ
- ④ Synchronous Repeat ARQ
등록된 댓글이 없습니다.
40. CDMA 방식의 이동통신시스템에서 다중경로에 의한 페이딩을 방지하기 위해 사용되는 것은?
- ① 등화 수신기
- ② 자동이득조정 수신기
- ③ 감쇠 수신기
- ④ 레이크(rake) 수신기
등록된 댓글이 없습니다.
3과목 : 정보통신 기기
41. 다음 중 ISDN 기반에서 멀티미디어 화상회의 표준규격으로 적합한 것은?
- ① H.261
- ② H.320
- ③ T.120
- ④ H.231
등록된 댓글이 없습니다.
42. 단말기의 디지털 데이터를 디지털 신호로 전송하는 것은?
- ① CODEC
- ② MODEM
- ③ DSU
- ④ PAD
등록된 댓글이 없습니다.
43. 위성을 추적하기 위한 안테나의 추적방식 중 안테나 빔을 고정시켜 두고 단말 펄스의 전파에 따라 방위오차의 탐색이 가능한 방식은?
- ① Conical scanning
- ② Monopulse 방식
- ③ Beam switching 방식
- ④ Step tracking 방식
등록된 댓글이 없습니다.
44. 수퍼헤테로다인 수신기에 대한 설명으로 틀린 것은?
- ① 큰 이득을 얻을 수 있다.
- ② 양호한 선택도를 얻을 수 있다.
- ③ 영상신호 혼신이 일어나지 않는다.
- ④ 양호한 충실도를 얻을 수 있다.
등록된 댓글이 없습니다.
45. 다음 중 라우터의 경로제어 방식에서 수신된 정보를 인접된 게이트웨이로 보내어 게이트웨이에 의해 착신저점을 정하도록 하는 방법은?
- ① Direct routing
- ② Indirect routing
- ③ Forward routing
- ④ Routing solution
등록된 댓글이 없습니다.
46. 통계적 시분할 다중화장치의 특징으로 틀린 것은?
- ① 실제 데이터가 있는 부채널에만 시간폭을 할당하는 방식이다.
- ② 접속에 소요되는 시간이 단순한 시분할 다중화장치 보다 짧다.
- ③ 지능 다중화기 또는 비동기식 시분할 다중화기라고 한다.
- ④ 메시지를 일시 보관하기 위한 기억 장치가 필요하다.
등록된 댓글이 없습니다.
47. 다음 중 방송계 뉴미디어에 해당하는 것은?
- ① CATV
- ② ARS
- ③ WAN
- ④ VAN
등록된 댓글이 없습니다.
48. CDMA방식의 대역확산(Spread Spectrum)통신에서 사용되는 PN(의사잡음)부호의 기본적인 특성에 해당되지 않는 것은?
- ① 자기상관함수 특성
- ② 평형(Balance) 특성
- ③ 시퀀스(Sequence) 특성
- ④ 런(RUN) 특성
등록된 댓글이 없습니다.
49. 다음 중 CDMA의 특징이 아닌 것은?
- ① 상향 회선의 전력 조절이 불필요하다.
- ② 간섭신호의 배제 능력이 우수하다.
- ③ 통화의 비화성이 좋다.
- ④ 다중 전파로에 의한 페이딩의 영향을 적게 받는다.
등록된 댓글이 없습니다.
50. 다음 중 광대역의 마이크로웨이브 통신에서 송신출력의 증폭에 주로 사용되는 대전력 증폭기는?
- ① FET 증폭기
- ② 파라메트릭 증폭기
- ③ 자전관
- ④ 진행파관
등록된 댓글이 없습니다.
51. 이동전화 기지국이 가장 양호하게 이동전화의 호출 처리할 수 있는 지역을 의미하는 용어는?
- ① 핸드오프(Hand Off)
- ② 셀(Cell)
- ③ 로밍(Roaming)
- ④ 채널(Channel)
등록된 댓글이 없습니다.
52. CATV의 중계전송에서 광케이블 전송으로 적합하지 않은 것은?
- ① 아날로그 전송
- ② 디지털 전송
- ③ 위상분할다중 전송
- ④ 파장분할다중 전송
등록된 댓글이 없습니다.
53. 다음 중 시분할 다중화방식과 관계가 먼 것은?
- ① 비트 삽입식(bit interleaving)
- ② 문자 삽입식(character interleaving)
- ③ 가드밴드(guard band) 설정
- ④ Statistical TDM
등록된 댓글이 없습니다.
54. 다음 중 여러 장의 화상으로부터 동화상을 만들기 위하여 NTSC식 TV에서 사용하고 있는 비월주사 방식은?
- ① 매초당 30장의 화면을 반복하여 주사한다.
- ② 매초당 24장의 화면을 반복하여 주사한다.
- ③ 매초당 30장의 화면을 한 줄씩 걸러서 주사한다.
- ④ 매초당 60장의 화면을 한 줄씩 걸러서 주사한다.
등록된 댓글이 없습니다.
55. 팩스(FAX)의 부호화 방식으로 사용되지 않는 것은?
- ① MH(Modified Huffman) 방식
- ② MR(Modified Read) 방식
- ③ MMH (Modified MH) 방식
- ④ MMR(Modified HR) 방식
등록된 댓글이 없습니다.
56. 디지털 셀룰러 방식에서 페이딩에 의한 수비트의 연속적인 오류를 극복하기 위하여 오류정정부호와 함께 사용하는 기술은?
- ① 간접제거기술
- ② 인터리빙기술
- ③ 전력제어기술
- ④ 등화기술
등록된 댓글이 없습니다.
57. 다음 중 메시지처리시스템(MHS)의 구성 요소가 아닌 것은?
- ① MS(Message Store)
- ② UA(User Agent)
- ③ AU(Access Unit)
- ④ MH(Message Host)
등록된 댓글이 없습니다.
58. 다음 중 시분할 통화로 스위치로서 두 타임슬롯을 상호 교환해주는 것은?
- ① TSI(time slot interchange)
- ② Gateway
- ③ X-bar 스위치
- ④ Highway 스위치
등록된 댓글이 없습니다.
59. 뉴미디어(new media) 정보 전달방식의 분류에 해당하지 않는 것은?
- ① 케이블 TV 등의 유선계
- ② 텔레텍스트(teletext) 등의 무선계
- ③ 컴퓨터를 이용한 비디오텍스계
- ④ 비디오 디스크 등의 패키지계
등록된 댓글이 없습니다.
60. 다음 중 위성통신용 지구국의 기본적인 구성이 아닌 것은?
- ① 안테나계
- ② 송ㆍ수신계
- ③ 인터페이스계
- ④ 자세제어계
등록된 댓글이 없습니다.
4과목 : 정보전송 공학
61. 다음 중 전송특성 열화 요인에서 정상 열화 요인에 속하지 않는 것은?
- ① 위상 히트
- ② 군지연 왜곡
- ③ 주파수 편차
- ④ 고주파 왜곡
등록된 댓글이 없습니다.
62. 다음 중 디지털 망에서 1프레임 단위로 발생하는 slip을 말하는 것은?
- ① overflow slip
- ② elastic slip
- ③ underflow slip
- ④ controlled slip
등록된 댓글이 없습니다.
63. 다음 중 통신 용량을 증대 시키는 방법이 아닌 것은?
- ① 대역폭을 증가시킨다.
- ② 신호전력을 증대시킨다.
- ③ 잡음전력을 감소시킨다.
- ④ 회선수를 증가신킨다.
등록된 댓글이 없습니다.
64. 다음 중 베이스 밴드 전송 방식에 관한 설명으로 가장 적합한 것은?
- ① 광대역 신호 전송에 주로 사용한다.
- ② 디지털신호의 펄스열을 그래도 전송하는 방식이다.
- ③ 디지털신호를 반송파를 사용하여 전송하는 방식이다.
- ④ 일정한 주파수 대역을 통과하는 신호만을 전송하는 방식이다.
등록된 댓글이 없습니다.
65. 다음 중 엘리어싱(aliasing)에 대한 설명으로 적합하지 않은 것은?
- ① spectrum folding 이라고도 한다.
- ② 엘리어싱이 발생하면 원래의 신호를 정확히 재생할 수 없다.
- ③ 여과된 신호를 나이퀴스트 표본화 주파수 보다 높은 주파수로 표본화하면 엘리어싱 효과를 줄일 수 있다.
- ④ 표본화 전에 고역 필터를 사용하면 엘리어싱 효과를 줄일 수 있다.
등록된 댓글이 없습니다.
66. 다음 중 MSK에 대한 설명으로 적합하지 않은 것은?
- ① 일정한 포락선과 위상연속의 특성을 갖는다.
- ② 대역폭 효율이 우수하다.
- ③ 비동기검파가 가능하다.
- ④ FSK 중에서 가장 대역폭이 넓은 경우에 해당된다.
등록된 댓글이 없습니다.
67. 광케이블에서 단일모드가 되기 위한 조건을 나타내는 광학 파라미터는?
- ① 수광각
- ② 개구수(NA)
- ③ 비굴절률차
- ④ 규격화 주파수
등록된 댓글이 없습니다.
68. 다음 중 마이크로 웨이브 전송의 장점에 해당되지 않는 것은?
- ① 안테나를 소형으로 제작 가능
- ② 광대역 전송 가능
- ③ 보안에 강함
- ④ 회선 구성의 융통성이 큼
등록된 댓글이 없습니다.
69. 다음 중 광섬유 케이블이 광대역 통신망에 적합한 이유로 가장 적합한 것은?
- ① 전송 대역폭이 크다.
- ② 전송손실이 극히 적다.
- ③ 전자파나 라디오파의 유도장애를 받지 않는다.
- ④ 가볍고 취급이 용이하다.
등록된 댓글이 없습니다.
70. 변조속도가 1200[baud]이고 quard bit를 사용하는 경우 전송 속도는 몇 [bps] 인가?
- ① 2400[bps]
- ② 3600[bps]
- ③ 4800[bps]
- ④ 9600[bps]
등록된 댓글이 없습니다.
71. OTLP(zero Transmission Level point)를 기준으로 다른 위치의 전력레벨을 dBm 단위로 표현한 것을 dBmO라 한다. dBmO를 dBm과 상대레벨 단위 dBr을 이용하여 표시할 때 바르게 표현된 것은?
- ① dBr/dBm
- ② dBm/dBr
- ③ dBm + dBr
- ④ dBm - dBr
등록된 댓글이 없습니다.
72. OSI 참조모델에서 상위 계층과 하위 계층 사이에 주고받는 데이터 단위를 무엇이라 하는가?
- ① SDU
- ② PDU
- ③ PCI
- ④ HEADER
등록된 댓글이 없습니다.
73. 착오 검출 후 재전송하는 ARQ 방식의 일종으로 착오가 검출 된 해당 블록만을 재전송하는 방식은?
- ① Go Back ARQ
- ② 선택적(Selective) ARQ
- ③ Stop and Wait ARQ
- ④ 적응적(Adaptive) ARQ
등록된 댓글이 없습니다.
74. 다음 중 진폭과 위상을 변화시켜 정보를 전달하는 디지털 변조방식은?
- ① PSK
- ② QAM
- ③ FSK
- ④ ASK
등록된 댓글이 없습니다.
75. BPSK방식과 QPSK방식을 비교 설명한 것 중 적합하지 않은 것은?
- ① 비트 오류 확률은 두 방식이 같다.
- ② QPSK방식의 전송대역폭은 BPSK방식에 비해 1/2이다.
- ③ 전송속도는 QPSK방식이 BPSK방식에 비해 2배이다.
- ④ 심벌 오류 확률은 QPSK방식이 BPSK방식에 비해 우수하다.
등록된 댓글이 없습니다.
76. 다음 중 착오 제어(에러 제어) 평가 방법이 아닌 것은?
- ① 전송 에러율
- ② 비트 에러율
- ③ 블록 에러율
- ④ 문자 에러율
등록된 댓글이 없습니다.
77. 전송하려는 부호어들의 최소 해밍거리가 6일 때 수신시 정정할 수 있는 최대 오류의 수는?
- ① 1
- ② 2
- ③ 3
- ④ 6
등록된 댓글이 없습니다.
78. 표준직경이 30[μm]인 광섬유 케이블이 찌그러져 최대 직경이 32.6[μm], 최소 직경이 28.4[μm]가 되었을 때 이 광섬유 케이블의 비원률은 몇 [%] 인가?
- ① 7[%]
- ② 14[%]
- ③ 28[%]
- ④ 32[%]
등록된 댓글이 없습니다.
79. HDLC 전송 프로토콜의 국 사이에서 교환되는 데이터 전송 단위는?
- ① 블록(Block)
- ② 프레임(Frame)
- ③ 비트(Bits)
- ④ 패킷(Packet)
등록된 댓글이 없습니다.
80. HDLC 프로토콜에서 사용되는 프레임의 제어부가 8비트로 구성되어 있을 때 5번째 비트는 무엇을 나타내는가?
- ① 송신 순서번호
- ② 수신 순서번호
- ③ P/F 비트
- ④ 수식 기능비트
등록된 댓글이 없습니다.
5과목 : 전자계산기일반 및 정보통신설비기준
81. 다음 중 선점형 스케줄링이 아닌 것은?
- ① SJF 스케줄링
- ② RR 스케줄링
- ③ SRT 스케줄링
- ④ MFQ 스케줄링
등록된 댓글이 없습니다.
82. 기억공간을 효율적으로 분배하고 관리하기 위해 사용하는 기억공간 할당 기법 중 적재될 수 있는 공간 중에서 첫 번째 분할영역을 선택하여 할당하는 기법은?
- ① 최초적합(first fit) 기법
- ② 최적적합(best fit) 기법
- ③ 최악적합(worst fit) 기법
- ④ FIFO 기법
등록된 댓글이 없습니다.
83. 다음 자바언어에 대한 설명 중 틀린 것은?
- ① 분산환경을 지원하는 차세대 객체지향 언어이다.
- ② 다중 스레드(thread)를 지원하는 언어이다.
- ③ 프로그래밍 언어이다.
- ④ 메모리를 겹쳐쓰기(overwrite)할 수 있다.
등록된 댓글이 없습니다.
84. 마이크로프로세서는 크게 CISC(Complex Instruction Set Computer)와 RISC(Reduced Instruction Set Computer)로 나뉜다. 다음 중 RISC의 특징을 설명한 것으로 옳지 않은 것은?
- ① CISC보다 적은 양의 레지스터를 이용해 구동한다.
- ② 명령어의 길이가 일정하다.
- ③ 대부분의 명령어들은 한 개의 클럭 사이클로 처리된다.
- ④ 소수의 주소기법(addressing mode)을 사용한다.
등록된 댓글이 없습니다.
85. 하나 이상의 프로그램 또는 연속되어 있지 않은 저장 공간으로부터 데이터를 모은 다음, 데이터들을 메시지 버퍼에 집어 넣고, 특정 수신기나 프로그래밍 인터페이스에 맞도록 그 데이터를 조직화 하거나 미리 정해진 다른 형식으로 변환하는 과정을 일컫는 것은?
- ① streaming
- ② buffering
- ③ marshalling
- ④ porting
등록된 댓글이 없습니다.
86. 부동 소수점 수의 표현 구조로 적합한 것은?
- ① 부호 + 지수 + 소수점
- ② 부호 + 가수 + 소수점
- ③ 부호 + 지수 + 가수
- ④ 부호 + 지수 + 소수점 + 가수
등록된 댓글이 없습니다.
87. 다음 중 10진수 12를 그레이 코드(gray code)로 변환한 것으로 옳은 것은?
- ① 1110
- ② 1010
- ③ 1011
- ④ 1111
등록된 댓글이 없습니다.
88. 다음 중 용어에 대한 설명이 옳지 않은 것은?
- ① 비트(bit) : 두 가지 상태를 나타내는 정보표현의 최소 단위
- ② 바이트(byte) : 한 개의 영문자를 표현할 수 있는 단위
- ③ 풀워드(full word) : 8byte가 모여 이루어진 워드
- ④ 레코드(record) : 관련된 필드가 모여 하나의 레코드를 구성
등록된 댓글이 없습니다.
89. 다음 마이크로 연산은 어떤 사이클에서 수행되는 동작을 표현한 것인가?

- ① 인출
- ② 실행
- ③ 인터럽트
- ④ 간접
등록된 댓글이 없습니다.
90. 전자계산기의 중앙 제어 처리 장치의 직접 제어 상태에서 이루어지는 환경을 온라인 시스템 구조라 할 때, 이 때 요구되는 기술 사항 중 맞지 않는 것은?
- ① 응답 시간은 일반적으로 수초 이하 또는 수 밀리초 이다.
- ② 처리 요구 및 처리 종류는 시간적으로 랜덤하게 발생한다.
- ③ 입ㆍ출력이 행해지는 단말 장치의 수는 하나이고 그 입ㆍ출력은 병행하여 이루어진다.
- ④ 시스템 신뢰성 즉 MTBF, MTTR 등이 엄격하게 요구된다.
등록된 댓글이 없습니다.
91. 다음 중 정보통신공사업의 등록기준에 해당하지 않는 것은?
- ① 경영 능력
- ② 기술 능력
- ③ 자본금
- ④ 사무실
등록된 댓글이 없습니다.
92. 다음 중 정보통신공사업자 외의 자가 시공할 수 있는 경미한 공사의 범위에 해당하지 않는 것은?
- ① 실험국의 무선설비설치 공사
- ② 전기통신 시설물의 전력유도 방지 설비공사
- ③ 연면적 1천 제곱미터 이하의 건축물의 자가 유선 방송설비의 설비공사
- ④ 건축물에 설치되는 5회선 이하의 구내 통신선로 설비공사
등록된 댓글이 없습니다.
93. 유선ㆍ무선ㆍ광선 기타 전자적 방식에 의하여 부호ㆍ문자ㆍ음향 또는 영상 등의 정보를 저장ㆍ제어ㆍ처리하거나 송ㆍ수신하기 위한 기계ㆍ기구ㆍ선로 기타 필요한 설비를 말하는 것은?
- ① 전송설비
- ② 전기통신설비
- ③ 정보통신설비
- ④ 정보통신공사설비
등록된 댓글이 없습니다.
94. 다음 중 전기통신사업법에서 정하는 보편적 역무의 내용이 아닌 것은?
- ① 유선전화서비스
- ② 자가전기통신서비스
- ③ 긴급통신용 전화서비스
- ④ 장애인ㆍ저소득층 등에 요금감면 전화서비스
등록된 댓글이 없습니다.
95. 공사를 설계한 용역업자는 그가 작성한 실시설계도서를 해당 공사가 준공된 후 몇 년간 보관하여야 하는가?
- ① 1년
- ② 3년
- ③ 5년
- ④ 7년
등록된 댓글이 없습니다.
96. 다음 ( ) 안에 들어갈 내용으로 가장 적합한 것은?

- ① 설계도면
- ② 설계도서
- ③ 기술기준
- ④ 사내규격
등록된 댓글이 없습니다.
97. 다음 중 정보통신공사업을 등록할 수 있는 자는?
- ① 한정치산자
- ② 파산선고를 받고 복권되지 아니한 자
- ③ 전파법에 의하여 벌금형 선고를 받고 2년이 경과하지 않은 자
- ④ 정보통신공사업법에 의하여 정보통신공사업 등록이 취소된 후 2년을 경과하지 않은 자
등록된 댓글이 없습니다.
98. 다음 중 지식경제부장관이 전기통신기술의 진흥을 위하여 수립ㆍ시행하는 진흥계획에 포함되지 않아도 되는 것은?
- ① 전기통신기술의 연구ㆍ개발에 관한 사항
- ② 전기통신기술의 산업화 촉진에 관한 사항
- ③ 전기통신기술의 국제협력에 관한 사항
- ④ 전기통신기술을 연구하는 단체의 육성에 관한 사항
등록된 댓글이 없습니다.
99. 다음 ( ) 안에 들어갈 내용으로 가장 적합한 것은?

- ① 기술 기준
- ② 기술 규격
- ③ 표준 규격
- ④ 설계 도서
등록된 댓글이 없습니다.
100. 방송통신위원회가 전기통신의 원활한 발전과 정보화사회의 촉진을 위하여 수립하는 전기통신기본계획에 포함되지 않아도 되는 것은?
- ① 전기통신사업에 관한 사항
- ② 전기통신기술의 진흥에 관한 사항
- ③ 정보화사회 인력양성에 관한 사항
- ④ 전기통신의 질서유지에 관한 사항
등록된 댓글이 없습니다.