정보통신기사(2006. 3. 5.) 시험일자 : 2006년 3월 5일
1과목 : 디지털 전자회로
1. 증폭기 중에서 트랜지스터가 오직 반주기 동안만 활성영역에 있고 나머지 반주기 동안은 차단영역에 있는 증폭기는?
- ① A급 증폭기
- ② B급 증폭기
- ③ AB급 증폭기
- ④ C급 증폭기
등록된 댓글이 없습니다.
2. JK플립플롭(Flip-Flop)을 다음 그림과 같이 연결했을 때 어떤 것과 같은가?

- ① D 플립플롭
- ② RS 플립플롭
- ③ T 플립플롭
- ④ 래치(LATCH)
등록된 댓글이 없습니다.
3. one-short 멀티바이브레이터로부터 49[㎲]의 펄스폭이 주어질 때 이를 만드는데 필요한 대략 시정수는?
- ① 65 [㎲]
- ② 70 [㎲]
- ③ 75 [㎲]
- ④ 80 [㎲]
등록된 댓글이 없습니다.
4. 다음 로직회로(LOGIC CIRCUIT)의 출력은?

- ① AB
- ② AC
- ③ ABC
- ④ AB+AC
등록된 댓글이 없습니다.
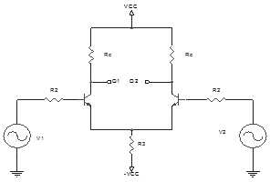
5. 차동증폭기의 동상제거비(COMMON MODE REJECTION RATIO)를 향상시키기 위한 방법으로 적합하지 않는 것은?

- ① hfe가 큰 트랜지스터를 선정한다.
- ② Emitter 저항 RE의 값을 높은 값으로 선정한다.
- ③ 입력 임피던스를 높이기 위해 RS를 크게 선정한다
- ④ Q1, Q2는 전기적 특성이 동일한 트랜지스터를 선정한다.
등록된 댓글이 없습니다.
6. 바이어스 전압에 따라 공간 전하용량이 달라지는 다이오드는?
- ① Zener Diode
- ② LCD
- ③ Tunnel Diode
- ④ Varactor Diode
등록된 댓글이 없습니다.
7. 증폭기 입력측에 구형파를 가하고 출력측에서 측정된 상승시간(rise time)이 0.35[㎲]였다. 이 증폭기의 고역3[㏈] 차단주파수는 몇[㎒]인가?
- ① 0.5
- ② 1
- ③ 2
- ④ 10
등록된 댓글이 없습니다.
8. 3개(A, B, C)의 입력 펄스에 대한 출력(X)동작은 어느 게이트에 해당하는가?

- ① AND
- ② NAND
- ③ OR
- ④ NOR
등록된 댓글이 없습니다.
9. 진폭변조에서 반송파의 주파수를 fc 변조신호의 주파수를 fs라고 할 때, AM파의 대역폭은 다음 중 어떤 수식으로 표현되는가?
- ① fc + fs
- ② fc – fs
- ③ fs
- ④ 2fs
등록된 댓글이 없습니다.
10. Q가 10 이고, 공진주파수가 1[㎒]인 동조회로의 공진시 임피던스(Impedance)는 약 얼마인가? (단, 1[mH] 라한다)
- ① 15.7[㏀]
- ② 38.2[㏀]
- ③ 51.4[㏀]
- ④ 62.8[㏀]
등록된 댓글이 없습니다.
11. 그림과 같은 OP증폭기의 출력전압 VO를 구하시오. (단, 임.)

- ①

- ②

- ③

- ④ VO = R1R2(V2-V1)
등록된 댓글이 없습니다.
12. 그림과 같은 연산증폭기의 –3[㏈] 저역 하한주파수는? (단, 주파수대역은 중역(midband) 에 속한다.)

- ① 1/2πRC
- ② 1/2πR'C
- ③ 1/2π(R + R’)C
- ④ 1/2πRR'C
등록된 댓글이 없습니다.
13. 다음 그림과 같은 비반전 연산 증폭기 회로에서 부하 R1에 흐르는 전류는? (단, R1=1㏀, R2=2㏀, RL=3㏀, VI=2V )

- ① 1mA
- ② 2mA
- ③ 3mA
- ④ 4mA
등록된 댓글이 없습니다.
14. 그림과 같은 발진회로의 출력파형은?

- ① 톱니파
- ② 정현파
- ③ 구형파
- ④ 펄스파
등록된 댓글이 없습니다.
15. 플립-플롭 4개로 구성된 계수기가 가질 수 있는 최대의 2진 상태는 몇 가지인가?
- ① 8가지
- ② 12가지
- ③ 16가지
- ④ 20가지
등록된 댓글이 없습니다.
16. 그림과 같은 증폭호로에서 커패시터 C의 주된 역할은?

- ① 기생진동 방지용
- ② 발진방지용
- ③ 정전용량 중화용
- ④ 저주파 특성 개선용
등록된 댓글이 없습니다.
17. 다음 Karnaugh도를 간략화 한 결과는?

- ①

- ②

- ③

- ④

등록된 댓글이 없습니다.
18. FM 변조에서 변조지수가 6이고 신호주파수가 3[㎑]일 때 주파수편이는 얼마인가?
- ① 6[㎑]
- ② 9[㎑]
- ③ 18[㎑]
- ④ 36㎑
등록된 댓글이 없습니다.
19. 부울방정식 Y = ABC + ABC + ABC 를 간단히 하면?
- ① AB
- ② AC
- ③ ABC
- ④ A(B+C)
등록된 댓글이 없습니다.
20. 다음과 같은 정논리회로의 게이트 기능은?

- ① NOR
- ② NOT
- ③ NAND
- ④ AND
등록된 댓글이 없습니다.
2과목 : 정보통신 시스템
21. HDLC(High-level Data Link Control)전송 제어절차의 특징이 아닌 것은?
- ① 통신 방식에 구애를 받는다.
- ② 신뢰성을 높일 수 있다.
- ③ 전송 제어상의 제한을 받지 않는다.
- ④ 다양한 데이터 링크 형태에 적용할 수 있다.
등록된 댓글이 없습니다.
22. 다음 중 LAN을 사용하는 시스템의 정량적인 평가척도로 올바른 것은?
- ① 운용시간, 통신소프트웨어
- ② 통신장비, 전송효율
- ③ 응답시간, 시스템신뢰도
- ④ 회선종류, 전송거리
등록된 댓글이 없습니다.
23. 그림은 프로토콜 계층구조에서 인접한 계층간의 데이터 전송을 나타낸 것이다. 빗금친 부분이 의미하는 것은?

- ① Protocol Data Unit
- ② Interface Data Unit
- ③ Service Data Unit
- ④ Protocol Control Information
등록된 댓글이 없습니다.
24. 고정 통신망과 같이 이동통신 분야에서도 디지털 방식의 상용화 서비스가 보편적으로 진행되고 있다. 이동 통신을 디지털화 하는 목적이 아닌 것은?
- ① 고품질의 서비스
- ② 비화의 용이성
- ③ 기기의 소형화
- ④ 통신량의 소용량화
등록된 댓글이 없습니다.
25. 광파장 분할 다중화방식(Wavelength Division Multiplexing)에 관한 것으로 가장 관계가 먼 것은?
- ① 양방향전송이 가능하다.
- ② 선로의 증설없이 회선의 증설이 용이하다.
- ③ TV와 음성신호의 동시전송이 가능하다.
- ④ PCM 방식에서만 가능하다.
등록된 댓글이 없습니다.
26. 시외전화용 통신망의 루트를 계획할 경우 우선 몇 개의 루트를 선정한 후 그 중에서 하나를 선택한다. 다음 설명 중 틀린 것은?
- ① 경제적으로 비교해서 가장 유리한 루트를 선택한다.
- ② 도로굴착허가를 받을 수 있는 루트를 선택한다.
- ③ 전기통신공사업자가 추진하는 루트를 선택한다.
- ④ 건설 후 유지 보수가 용이한 루트를 선택한다.
등록된 댓글이 없습니다.
27. 메시지 통신시스템(Message Handling System)의 주서비스 기능과 관계가 없는 것은?
- ① 복수의 수신자에게 같은 메시지를 전달
- ② 메시지의 발신시각, 부호화 정보형태 등의 표시
- ③ 이기종 단말간 통신
- ④ ITU-T X.800 권고에 의한 프로토콜 적용
등록된 댓글이 없습니다.
28. 비동기식 시스템의 액세스 제어기술 방식이 아닌 것은?
- ① 라운드-로빈(Round-Robin)방식
- ② 예약(Reservation)방식
- ③ 경쟁(Contention)방식
- ④ 회선교환방식
등록된 댓글이 없습니다.
29. OSI 망관리시스템에서 요구사항에 해당되지 않는 것은?
- ① 망관리 기능에 의해서 네트워크 성능을 심각하게 저하 시켜서는 안된다.
- ② 상세한 모니터링 기능과 제어기능을 제공한다.
- ③ 망에서 요구될 수 있는 광범위한 종류의 관리기능을 제공 한다.
- ④ 망관리에 필요한 결정사항 및 제어를 위한 절차들은 망 환경이 변경된 이후에 이루어져야 한다.
등록된 댓글이 없습니다.
30. 통신서비스 구현에 사용되는 교환방법 중 동기식 트래픽 전송에 가장 적합한 방법은?
- ① 패킷교환
- ② 회선교환
- ③ 메시지교환
- ④ 데이터그램
등록된 댓글이 없습니다.
31. 4[㎑]까지의 음성신호를 완전히 재생시키기 위한 표본화 주기는 몇[㎲]인가?
- ① 250
- ② 200
- ③ 125
- ④ 100
등록된 댓글이 없습니다.
32. 다음 중 SSB 통신방식의 특징과 가장 관계 없는 것은?
- ① 주파수 안정도가 낮아도 양질의 통신이 가능하다.
- ② 작은 전력으로 양질의 통신이 가능하다.
- ③ 비화성을 유지할 수 있다.
- ④ DSB에 비해 3dB 정도의 S/N비가 개선 된다.
등록된 댓글이 없습니다.
33. 다음 중 ISDN 의 기본인터페이스 채널 구조는?
- ① 23B+D
- ② 30B+D
- ③ 2B+D
- ④ 8B+D
등록된 댓글이 없습니다.
34. 인터넷 폰에서 가장 중요하게 고려해야 할 전송 특징은?
- ① 지연
- ② 잡음
- ③ 간섭
- ④ 손실
등록된 댓글이 없습니다.
35. 그림의 프레임 구조와 기술적으로 관련이 없는 것은?

- ① 비트 스터핑(Bit Stuffing)
- ② 동기형 프로토콜
- ③ HDLC
- ④ 문자지향 프로토콜
등록된 댓글이 없습니다.
36. 다음 중 전송망에서 무왜곡조건이란?
- ① RC=LG
- ② RG=

- ③ RL=CG
- ④ RC=

등록된 댓글이 없습니다.
37. OSI 7 계층 중 통신망내 연결의 설정, 유지, 해제 등을 제어하기 위한 기능과 절차를 제공하는 계층은?
- ① 물리계층
- ② 네트워크계층
- ③ 세션계층
- ④ 응용계층
등록된 댓글이 없습니다.
38. 다음 프로토콜 중 트랜스포트 계층에 속하는 것은?
- ① TCP(Transmission Control Protocol)
- ② MTP(MessageTransfer Protocol)
- ③ FTP(File Transfer Protocol)
- ④ VTP(Virtual Terminal Protocol)
등록된 댓글이 없습니다.
39. 디지털통신 시스템을 설계하는 경우 설계 목표가 아닌 것은?
- ① 최대의 데이터 전송률
- ② 최소의 에러
- ③ 최대의 전송 전력
- ④ 방해 신호에 대한 최대 방지
등록된 댓글이 없습니다.
40. 샤논(Shanon)정리인 회선 최대 통신용량(C)의 식을 바르게 표현한 것은? (단, W:주파수대역 S:신호전력레벨 , N: 잡음전력레벨)
- ① C= 2W log2(1+S/N)
- ② C= W log2(1+S/N)
- ③ C= 2W loge(1+S/N)
- ④ C= W loge(1+S/N)
등록된 댓글이 없습니다.
3과목 : 정보통신 기기
41. 다음 중 비디오 텍스의 특징이 아닌 것은?
- ① 컴퓨터와 통신에 대한 전문적인 지식이 없는 사용자도 정보 센터로부터 필요한 정보를 제공 받을 수 있다.
- ② 정보 센터에는 많은 양의 정보를 가지고 있으므로 사용자가 필요한 주제에 대한 충분한 정보 입수가 가능하다.
- ③ 정보 센터에서 정보를 갱신하면 언제나 새로운 정보를 얻을 수 있다.
- ④ 단방향 통신 기능으로 인해 다양한 서비스를 받을 수 없다.
등록된 댓글이 없습니다.
42. 프로토콜이 다른 LAN을 연결할 때 또는 LAN을 WAN에 접속할 경우 사용하며 동일한 망(Network) 내에서 주고받는 데이터는 망 내에서만 전송되도록 제한을 가하여 불필요한 작업량을 제거하여 주는 장비는?
- ① 허브(HUB)
- ② 스위치(Switch)
- ③ 라우터(Router)
- ④ 리피터(Repeater)
등록된 댓글이 없습니다.
43. 다음 중 광전펜으로 직접 입력 하거나 그림, 챠트 등을 직접 읽어 컴퓨터에 입력시키는기기는?
- ① FSS(Flying Spot Scanner)
- ② 드럼 스캐너
- ③ Digitizer
- ④ 더모그래프(Thermograph)
등록된 댓글이 없습니다.
44. 정보 통신 시스템의 구성요소 중에서 정보 전송계에 속하지 않는 것은?
- ① 단말장치
- ② 신호변환장치
- ③ 보조기억장치
- ④ 통신제어장치
등록된 댓글이 없습니다.
45. 전화기의 통화회로를 구성하는 요소가 아닌 것은?
- ① 유도선륜
- ② 벨(Bell)
- ③ 송화기
- ④ 수화기
등록된 댓글이 없습니다.
46. 두선으로 연결된 통신선로를 이용하여 ADSL(비대칭디지털가입자선) 단말기에서 상향 데이터와 하향 데이터를 구분해주는 단말기 구성부는?
- ① 반향 제거기
- ② 시분할 분석기
- ③ 파장 다중화기
- ④ 코드 분할 다중화기
등록된 댓글이 없습니다.
47. 다음은 CATV에 대한 설명이다. 옮지 않은 것은?
- ① CATV의 기본구성은 헤드엔드, 중계전송망 및 가입자 설비 등으로 구분된다.
- ② 쌍방향 CATV는 가입자측에서 센터로 정보 전송을 할 수 있도록 전송로를 구성하고 서비스를 고도화 한 것이다.
- ③ CATV의 중계전송망은 분기증폭기, 다중화기, 가입자측 모뎀 및 분배기 등으로 구성된다.
- ④ 쌍방향 CATV는 가입자장비에 프로세서와 RAM이 추가되어 정보통신서비스가 가능하다.
등록된 댓글이 없습니다.
48. 마이크로파 통신의 중계방식이 아닌 것은?
- ① 헤테로다인 중계방식
- ② 검파중계방식
- ③ 직접중계방식
- ④ 직렬중계방식
등록된 댓글이 없습니다.
49. 역다중화기(Inverse Multiplexer)에 대한 설명 중 틀린 것은?
- ① 2개 또는 6개 이상의 음성 대역 회선을 사용하여 고속 전송을 한다.
- ② 똑같은 통신 용량의 회선을 사용하므로 데이터 지연의 차이가 없다.
- ③ 라인플렉서 또는 바이플렉서 라고도 한다.
- ④ 통신회선의 고장 발생시 통신망의 경로 설정에 있어서 유연성을 가지고 있다.
등록된 댓글이 없습니다.
50. 컴퓨터 포트와 단말기 사이에서 사용하여 포트의 증가없이 다수의 단말기를 연결하여 평균 이용률이 낮은 포트에 입력 데이터를 전송하여 전처리기의 사용 효율을 얻을 수 있는 장치는?
- ① 포트 공동 이용기
- ② 포트 셀렉터
- ③ 모뎀 공동 이용기
- ④ 병렬 인터페이스 확장기
등록된 댓글이 없습니다.
51. 다음 공동이용기에 대한 설명 중 잘못 된 것은?
- ① 모뎀공동이용기를 이용하는 단말기는 거리에 제한이 있다.
- ② 모뎀공동이용기, 선로공동이용기, 포트공동이용기 등이 있다.
- ③ 다중화기보다는 구조가 복잡하고 비용이 증가된다.
- ④ 모뎀공동이용기는 인터페이스 선택 항목으로 RS-232C를 사용할 수 있다.
등록된 댓글이 없습니다.
52. 다음 중 CCTV의 설치와 관계가 먼 것은?
- ① CCTV를 아파트에서 난시청 해소용으로 설치하였다.
- ② CCTV를 지하철에 설치하였다.
- ③ CCTV를 은행금고에 설치하였다.
- ④ CCTV를 범죄발생률이 높은 지역에 설치하였다.
등록된 댓글이 없습니다.
53. 멀티포인트 모뎀에서의 지연 간 파라미터가 아닌 것은?
- ① 모뎀의 지연시간
- ② 단말기의 지연시간
- ③ 전송선로에 따른 지연시간
- ④ 거리에 따른 지연시간
등록된 댓글이 없습니다.
54. 다음 중 위성통신방식이 아닌 것은?
- ① 랜덤위성방식
- ② 위상위성방식
- ③ 정지위성방식
- ④ 이동위성방식
등록된 댓글이 없습니다.
55. 다음 중 텔레텍스트(TELETEXT)를 가장 잘 설명한 것은?
- ① 방송형태의 정보를 제공하는 서비스로 문자다중방송이라한다.
- ② 시스템은 정보제공자, 정보수용자, 정보가공, 축적, 분배자로 구성된다.
- ③ 필요한 정보를 전화와 텔레비전으로 받아본다.
- ④ 정보수요자 모두가 정보제공자가 될 수 있다.
등록된 댓글이 없습니다.
56. TDX-10 교환기의 하드웨어 구성요소가 아닌 것은?
- ① Access Switching Subsystem
- ② Interconnection Network Subsystem
- ③ Administrative Module Subsystem
- ④ Central Control Subsystem
등록된 댓글이 없습니다.
57. 다음 중 발진기의 주파수 안정도를 양호하게 하기 위한 설명이 아닌 것은?
- ① 부하변동의 영향을 막기 위해 완충증폭기를 사용한다.
- ② 수정 공진자를 항온조에 넣고 온도에 의한 영향을 감소시킨다.
- ③ 발진기의 후단증폭기를 동작시키는데 필요한 안정된 출력이 얻어질 것
- ④ 발진주파수의 변동을 방지하기 위하여 증폭전압을 사용한다.
등록된 댓글이 없습니다.
58. 디지털 전화기의 특징이 아닌 것은?
- ① 총통신비용의 고가격화
- ② 고품질 통화
- ③ 다기능 통화기능
- ④ 통신 기능의 확장
등록된 댓글이 없습니다.
59. EIA의 RS-232C 25 핀 접속규격 중 핀번호의 설명이 잘못된 것은?
- ① 핀2번 : 데이터 송신(TD)
- ② 핀4번 : 송신요구(RTS)
- ③ 핀6번 : 데이터 세트 준비완료(DSR)
- ④ 핀8번 : 데이터 단말 준비완료(DTR)
등록된 댓글이 없습니다.
60. 다음 중 위성에 장착하는 안테나와 가장 거리가 먼 것은?
- ① 파라볼라 안테나
- ② 혼 안테나
- ③ 카세그레인 안테나
- ④ 헤리컬 안테나
등록된 댓글이 없습니다.
4과목 : 정보전송 공학
61. ADM에 대한 설명 중 잘못된 것은?
- ① 적응형 양자화를 수행한다.
- ② DM 보다 양자화잡음 및 과부화잡음이 경감된다.
- ③ 1비트 양자화를 수행한다.
- ④ 양자화계단의 크기가 고정되어 있다.
등록된 댓글이 없습니다.
62. 광 파이버를 굴절율 분포에 따라 분류할 때 해당하지 않는 것은?
- ① Step index fiber
- ② Graded index fiber
- ③ Triangular index fiber
- ④ Saw index fiber
등록된 댓글이 없습니다.
63. 전송부호 형식이 갖는 성질로서 바람직하지 못한 것은?
- ① 비트(1bit)동기 정보의 추출이 용이할 것.
- ② 직류 차단 특성의 영향을 받지 않을 것.
- ③ 소요 전송대역폭이 클 것.
- ④ 회선감시가 가능할 것.
등록된 댓글이 없습니다.
64. 정보 비트의 전송률(bit/s)이 일정할 때, 채널 대역폭이 가장 큰 변조 방식은 어떤 것인가?
- ① BPSK
- ② QPSK
- ③ 8PSK
- ④ 16PSK
등록된 댓글이 없습니다.
65. 통신로의 전송 용량을 늘리는 방법 중 옳지 않은 것은?
- ① 대역폭을 늘린다.
- ② 신호전력을 높인다.
- ③ 진폭을 줄인다.
- ④ 잡음을 줄인다.
등록된 댓글이 없습니다.
66. 8비트 PCM에서 얻을 수 있는 신호대 잡음비는 대략 얼마인가?
- ① 28 dB
- ② 38 dB
- ③ 48 dB
- ④ 58 dB
등록된 댓글이 없습니다.
67. 8개의 위상과 2개의 진폭을 혼합하여 어느 신호를 변조하려 할 때 적당한 방법은?
- ① FSK(Frequency shift keying)
- ② FSK + AM
- ③ DPSK(Differential phase shift keying) + AM
- ④ DPSK
등록된 댓글이 없습니다.
68. 그림(a) 와 같은 구형파 입력 파형에 대한 변조 파형(b)와 같을때 변조방식은?

- ① ASK
- ② PSK
- ③ FSK
- ④ QAM
등록된 댓글이 없습니다.
69. HDLC에서 비트열“0111 1111 0000”을 전송할 때 비트스터핑(bit stuffing)의 결과는?
- ① 0111 1011 10000
- ② 0111 0111 10000
- ③ 0111 1100 110000
- ④ 0111 1101 10000
등록된 댓글이 없습니다.
70. 광섬유의 광손실 중 외부의 힘에 의한 손실은?
- ① 매크로 밴딩(Macro banding) 손실
- ② 마이크로 밴딩(Micro banding) 손실
- ③ 나노 밴딩(Nano banding) 손실
- ④ 피코 밴딩(Pico banding) 손실
등록된 댓글이 없습니다.
71. 베이스 밴드(Base band) 전송에서 전송 신호의 상태가 3종류로 나타나는 방식은?
- ① 단류 NRZ 스페이스 방식
- ② 바이페이즈(biphase) 방식
- ③ 바이폴라(bipolar) 방식
- ④ 복류 NRZ 방식
등록된 댓글이 없습니다.
72. 전송제어의 일종으로 모뎀과 같은 DCE를 감시 제어하는 것을 무엇이라 하는가?
- ① 흐름제어
- ② 회선제어
- ③ 동기제어
- ④ 에러제어
등록된 댓글이 없습니다.
73. 4상식 위상변조에서 변조속도가 1200[baud]일 때 데이터의 신호속도는?
- ① 1200[b/s]
- ② 2400[b/s]
- ③ 4800[b/s]
- ④ 9600[b/s]
등록된 댓글이 없습니다.
74. 데이터전송의 일괄처리방식을 맞게 설명한 것은?
- ① 데이터가 발생하는 즉시 처리하여 그 결과를 받아볼 수 있는 방식
- ② 일정량이나 일정기간의 데이터 전송량을 기억장치에 모았다가 처리하는 방식
- ③ 통신회선으로 단말과 원격지의 컴퓨터 사이를 전기적으로 직접 결합하여 데이터를 처리하는 방식
- ④ 대부분의 은행업무나 좌석예약 업무 등의 데이터 전송에서 일반적으로 이 방식을 사용한다.
등록된 댓글이 없습니다.
75. 레이저(Laser) 광의 특징이 아닌 것은?
- ① 단색성을 갖는다.
- ② 편광 현상이 없다.
- ③ 고휘도이다.
- ④ 지향성을 갖는다.
등록된 댓글이 없습니다.
76. 시분할 다중화기법 중 음성 30채널을 갖는 E1급 회선의 부호펄스의 주파수(클럭주파수)는?
- ① 1.544 Mbps
- ② 2.048 Mbps
- ③ 6.312 Mbps
- ④ 8.448 Mbps
등록된 댓글이 없습니다.
77. 불평형 선로이기 때문에 저주파에 있어서는 외부로부터 방해를 받기 쉬우나 정전계, 전자계를 외부에 개방하지 않은 폐쇄성 선로이고, 외부도체의 차폐작용 때문에 고주파에 있어서 차폐성이 우수하고, 손실이 적어 장거리와 광대역 전송에 적합한 전송로는?
- ① 광케이블
- ② 동축케이블
- ③ UTP 케이블
- ④ 나선케이블
등록된 댓글이 없습니다.
78. 디지털복조(M진 PSK)에서 수신기의 임계값은 어떤 범위내에 위치해야 하는가?
- ① ± π/M
- ② ± π/2M
- ③ ± π/4M
- ④ ± 2π/M
등록된 댓글이 없습니다.
79. HDLC 전송제어에서 사용하는 동작 모드가 아닌 것은?
- ① 정규응답모드(NRM)
- ② 초기모드(IM)
- ③ 비동기 평형모드(ABM)
- ④ 비동기 응답모드(ARM)
등록된 댓글이 없습니다.
80. 검출 후 재전송방식(ARQ)들 중에서 수신측에서 적절한 전송 프레임의 길이를 결정하여 전송효율을 높일 수 있는 재전송방식?
- ① go – back - n ARQ
- ② stop – and - wait ARQ
- ③ adaptive - ARQ
- ④ selective - repeat ARQ
등록된 댓글이 없습니다.
5과목 : 전자계산기일반 및 정보통신설비기준
81. 2진수 1100101을 8진수로 변환한 것은?
- ① (102)8
- ② (107)8
- ③ (141)8
- ④ (145)8
등록된 댓글이 없습니다.
82. 마이크로프로세서에서 어큐뮬레이터의 설명 중 틀린 것은?
- ① 기억 소자이다.
- ② 연산한 결과를 저장 할 수 있다.
- ③ 보조메모리 소자로서 저장용량이 크다.
- ④ 연산에 사용할 수 있다.
등록된 댓글이 없습니다.
83. 정보를 나타내는 부호에 여분으로 한 자리를 추가하여 사용하는 검출용 비트는?
- ① 패리티 비트(parity bit)
- ② 워드 패리티(word parity)
- ③ 체크 비트(check bit)
- ④ 에러 비트(error bit)
등록된 댓글이 없습니다.
84. 다음 중 인터럽트를 발생시키는 장치들을 우선순위가 가장 높은 장치를 선두로 하여 우선순위에 따라 직렬로 연결한 하드웨어적인 우선 순위체제와 가장 관계 깊은 것은?
- ① 폴링(polling)
- ② 인터럽트 마스크(interrupt mask)
- ③ 데이지 체인(daisy chain)
- ④ 스풀링(spooling)
등록된 댓글이 없습니다.
85. CPU가 무엇인가를 하고 있는가를 나타내는 상태를 메이저상태라고 하는데 다음 중 메이저 상태의 종류에 해당되지 않는 것은?
- ① Fetch 상태
- ② indirect 상태
- ③ timing 상태
- ④ interrupt 상태
등록된 댓글이 없습니다.
86. 다음 중 컴퓨터에서 뺄셈 연산을 수행할 시 주로 사용되는 것은?
- ① 엔코더(encoder)
- ② 보수기
- ③ 디코더(decoder)
- ④ 누산기
등록된 댓글이 없습니다.
87. 다음 프로그램 중 제어프로그램이 아닌 것은?
- ① 자료, 파일관리 프로그램
- ② 작업관리 프로그램
- ③ 언어번역 프로그램
- ④ 기억영역관리 프로그램
등록된 댓글이 없습니다.
88. File의 개념을 옳게 표현한 것은?
- ① Code의 집합을 말한다.
- ② Record의 집합을 말한다.
- ③ Field의 집합을 말한다.
- ④ Character의 수를 말한다.
등록된 댓글이 없습니다.
89. 원시프로그램(source program)을 컴파일(compile)하여 얻어지는 프로그램은?
- ① 실행 프로그램
- ② 목적 프로그램
- ③ 유틸리티 프로그램
- ④ 시스템 프로그램
등록된 댓글이 없습니다.
90. 다음 중 데이터를 연산할 때 스텍(stack)을 사용하는 인스트럭션은?
- ① 0 주소 인스트럭션
- ② 1 주소 인스트럭션
- ③ 2 주소 인스트럭션
- ④ 3 주소 인스트럭션
등록된 댓글이 없습니다.
91. 전기통신의 표준화에 관한 업무를 효율적으로 추진하기 위하여 설립한 법인은?
- ① 통신위원회
- ② 한국정보통신기술협회
- ③ 형식승인위원회
- ④ 한국통신품질보증단
등록된 댓글이 없습니다.
92. 기간통신사업자가 전기통신업무에 제공되는 선로 등을 설치하기 위하여 타인의 토지 등을 사용하여야 할 때 필요한 조치로 적합하지 않은 것은?
- ① 소유자 또는 점유자와 미리 협의하여야 한다.
- ② 사유 토지 등은 사용이 가능하나 국유 토지 등은 사용이 불가능하다.
- ③ 협의가 성립되지 않거나 협의를 할 수 없는 경우에는 관계법에 의하여 사용할 수 있다.
- ④ 토지 등의 일시사용기간은 6월을 초과할 수 없다.
등록된 댓글이 없습니다.
93. 전기통신기본법의 규정 내용으로 틀린 것은?
- ① 전기통신기술의 진흥에 관한 사항
- ② 전기통신기자재의 관리에 관한 사항
- ③ 전기통신설비에 관한 사항
- ④ 전기통신사업에 관한 사항
등록된 댓글이 없습니다.
94. 정보화촉진 등에 관한 사항을 심의하기 위하여 국무총리 소속하에 설치한 기구는?
- ① 정보화추진위원회
- ② 정보통신연구진흥원
- ③ 한국전산원
- ④ 한국정보통신진흥협회
등록된 댓글이 없습니다.
95. 다음 중 용어와 그 단위가 틀린 것은?
- ① 평형도 : 네퍼(Nep)
- ② 절대레벨 : 디비엠(dBm)
- ③ 음량정격 : 데시벨(dB)
- ④ 음압레벨 : 디비에스피엘(dBSPL)
등록된 댓글이 없습니다.
96. 다음은 전력유도방지를 위한 전송설비 및 선로설비의 전력유도전압이다. 각 전압 중에서 제한치를 초과한 것은?
- ① 이상시 유도위험전압 : 650 볼트
- ② 상시 유도위험종전압 : 110 볼트
- ③ 기기 오동작 유도종전압 : 15 볼트
- ④ 잡음전압 : 1 밀리볼트
성2024. 6. 7. 13:36삭제
잡음전압 0.5mv
97. 정부가 정보화촉진을 위하여 수립하는 제반 시책의 기본원칙이 아닌 것은?
- ① 정부 투자의 확대와 공정 경쟁
- ② 교육, 문화, 과학기술, 환경분야의 정보화 촉진
- ③ 정보통신기반의 고도화
- ④ 정보화촉진에 대한 국제협력
등록된 댓글이 없습니다.
98. 정보통신망에 관련된 기술 및 기기의 호환성과 연동성을 확보하기 위하여 기술기준을 제정하여 시행한다. 이 기술 기준을 제정하는 자는?
- ① 산업자원부장관
- ② 과학기술부장관
- ③ 정보통신부장관
- ④ 한국전산원장
등록된 댓글이 없습니다.
99. 정보통신공사업법 시행령에서 정하고 있는 공사의 구분이 아닌 것은?
- ① 통신설비공사
- ② 무선설비공사
- ③ 정보설비공사
- ④ 방송설비공사
등록된 댓글이 없습니다.
100. 정보통신윤리위원회에 대한 설명 중 잘못 된것은?
- ① 정보통신윤리에 대한 기본강령을 제시한다.
- ② 위원회의 조직과 운영에 관한 필요한 사항은 대통령령으로 정한다.
- ③ 위원회는 공중파 방송의 위해 사항을 심의한다.
- ④ 위원은 정보통신부장관이 위촉한다.
등록된 댓글이 없습니다.