정보통신산업기사(2007. 9. 2.) 시험일자 : 2007년 9월 2일
1과목 : 디지털전자회로
1. 다이오드를 사용하여 그림과 같은 회로를 구성하고 입력전압(Vi)을 -6[V]에서 6[V]까지 변화시킬 때 출력전압(Vo)의 변화는? (단, 다이오드의 Gutin 전압은 0.6[V]이다.)

- ① 0.6[V] ~ 6[V]
- ② -6[V] ~ 6[V]
- ③ -6[V] ~ 0[V]
- ④ -6[V] ~ 0.6[V]
등록된 댓글이 없습니다.
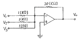
2. 그림과 같은 연산 증폭기에서 V1=0.1[V], V2=0.2[V], V3=0.3[V]일 때, 출력전압 VO[V]는?

- ① -2
- ② -6
- ③ -12
- ④ -18
등록된 댓글이 없습니다.
3. 이미터 접지일 때, 전류증폭율이 각각 hFE1, hFE2인 두 개의 트랜지스터 Q1과 Q2를 그림과 같이 접속하였을 때의 컬렉터 전류 IC는?

- ① IC=hFE1·hFE2·IB
- ② IC=hFE1/hFE2IB
- ③ IC=hFE2(hFE1+1)IB
- ④ IC=hFE1·IB+hFE2(hFE1+1)IB
등록된 댓글이 없습니다.
4. 그림과 같은 논리회로의 출력 D는?

- ①

- ② ABC
- ③ AB + BC
- ④

등록된 댓글이 없습니다.
5. 전파정류기의 DC 출력전력[W]은 반파정류기 전력의 몇 배가 되는가?
- ① 2
- ② 4
- ③ 8
- ④ 16
등록된 댓글이 없습니다.
6. 그림과 같은 회로가 수행할 수 있는 논리 동작은? (단, 부논리이며 A, B는 입력단자이다.)

- ①

- ② Y = AB
- ③ Y = A + B
- ④

등록된 댓글이 없습니다.
7. 다음 그림과 같이 NAND 게이트가 연결되어 있다. 이 회로와 등가인 게이트는?

- ① OR 게이트
- ② AND 게이트
- ③ NOR 게이트
- ④ NAND 게이트
등록된 댓글이 없습니다.
8. FM 방식에서 변조를 깊게 하여 초대 주파수 편이가 ⊿f 라고 했을 때 주파수 대역폭 B는?
- ① B = ⊿f
- ② B = 2⊿f
- ③ B = 3⊿f
- ④ B = 4⊿f
등록된 댓글이 없습니다.
9. JK 플립플롭을 사용하여 D형 플립플롭을 만들려면 외부 결선은 어떻게 하는 것이 옳은가?
- ①

- ②

- ③

- ④

등록된 댓글이 없습니다.
10. 다음 회로에서 저항 τE의 역할로 옳은 것은?

- ① 전압이득과 왜율을 모두 감소시킨다.
- ② 전압이득을 증가시킨다.
- ③ 전압이득은 증가시키고 왜율은 감소시킨다.
- ④ 전압이득은 감소시키고 왜율은 증가시킨다.
등록된 댓글이 없습니다.
11. 다음은 수정편의 리액턴스 특성이다. 발진에 이용되는 주파수 범위는?

- ① ws < w < wp
- ② wp < w
- ③ ws > w
- ④ ws = w
등록된 댓글이 없습니다.
12. 다음 콜피츠 발진회로의 발진주파수를 나타내는 식은?

- ①

- ②

- ③

- ④

등록된 댓글이 없습니다.
13. 그림과 같은 회로에서 기전력 E를 가하고 SW를 ON하였을 때 저항 양단의 전압 VR은 t초 후에 어떻게 되는가?

- ①

- ②

- ③

- ④

등록된 댓글이 없습니다.
14. 1[kHz] 신호파로 710[kHz] 반송파를 진폭 변조했을 때 피변조파에 포함되지 않는 주파수 [kHz]는?
- ① 700
- ② 709
- ③ 710
- ④ 711
등록된 댓글이 없습니다.
15. 트랜지스터를 증폭작용에 이용할 경우의 동작상태는?
- ① 포화 상태
- ② 활성 상태
- ③ 차단 상태
- ④ 역활성 상태
등록된 댓글이 없습니다.
16. RC 결합 저주파 증폭회로에서 낮은 주파수의 이득이 감소되는 주된 원인은?
- ① 병렬 커패시턴스 때문에
- ② 이미터의 저항 때문에
- ③ 컬렉터의 저항 때문에
- ④ 결합 커패시턴스의 영향 때문에
등록된 댓글이 없습니다.
17. 다음 중 DC 결합과 AC 결합이 함께 사용되는 발진기는?
- ① 비안정 멀티바이브레이터
- ② 단안정 멀티바이브레이터
- ③ 쌍안정 멀티바이브레이터
- ④ 블로킹 발진기
등록된 댓글이 없습니다.
18. 두 입력을 비교하여 A > B 이면 출력이 1이고, A ≤ B 이면, 출력이 0이 되는 논리회로를 설계하고자 한다. 이 조건을 만족하는 논리식은?
- ①

- ② AB
- ③ A + B
- ④

등록된 댓글이 없습니다.
19. 다음 그림에서 합(s)에 대한 논리식이 옳은 것은?

- ① (X + Y)⊕Z
- ② (X⊕Y)⊕Z
- ③ XZ + Y
- ④ XY⊕YZ
등록된 댓글이 없습니다.
20. 다음 중 소비전력이 가장 적은 소자는?
- ① TTL
- ② ECL
- ③ RTL
- ④ CMOS
등록된 댓글이 없습니다.
2과목 : 정보통신기기
21. 다음 중 터미널의 기본적인 구성 중 출력장치에 속하는 것은?
- ① MICR
- ② OCR
- ③ OMR
- ④ CRT
등록된 댓글이 없습니다.
22. 다음 중 수신기의 기본회로가 아닌 것은?
- ① 고주파 증폭부
- ② 중간주파 증폭부
- ③ 복조부
- ④ 완충 증폭부
등록된 댓글이 없습니다.
23. 다음 중 5회선 이내의 국선이나 구내 교환기의 내선을 여러 대의 내선전화로 사용할 수 있는 다기능 전화기는?
- ① 키폰 전화기
- ② 내부 통화 전화기
- ③ 푸시버튼 전화기
- ④ Hot-line 전화장치
등록된 댓글이 없습니다.
24. 주파수 분할 다중화(FDM)에서 다른 데이터 내역으로부터 신호의 간섭을 줄여주기 위한 완충 내역은 어느 것인가?
- ① 보호 대역
- ② 데이터 대역
- ③ 유도 대역
- ④ 감시 대역
등록된 댓글이 없습니다.
25. FAX의 기본 과정에서 공간적으로 2차원으로 분포한 원화 정보를 1차원적인 신호로 변환하는 것을 송신주사라고 한다. 송신주사방식 중 기계적 주사방식이 아닌 것은?
- ① 원통 주사
- ② 원호면 주사
- ③ 평면 주사
- ④ 고체 주사
등록된 댓글이 없습니다.
26. 다음 중 TV의 주사방식에 대한 설명으로 옳은 것은?
- ① 순차주사 : 주사선 전체를 우에서 좌로 주사시키는 방법
- ② 수직주사 : 주사선을 좌에서 우로 주사시키는 방법
- ③ 비월주사 : 주사선을 한 개씩 건너뛰어 주사 후 다시 빠진 주사선을 주사하는 방법
- ④ 수평주사 : 주사선을 위에서 아래쪽으로 주사시키는 방법
등록된 댓글이 없습니다.
27. 전자교환기에서 사용되고 있는 호 처리 프로그램이 아닌 것은?
- ① 트래픽 측정 프로그램
- ② 입력처리 프로그램
- ③ 출력처리 프로그램
- ④ 서브루틴 프로그램
등록된 댓글이 없습니다.
28. 데이터통신 시스템의 구성장치 중 통신제어장치의 기능에 대한 설명으로 옳지 않은 것은?
- ① 수신데이터의 처리 및 축적 기능
- ② 전송에러를 제어하는 기능
- ③ 중앙처리장치와의 데이터 송ㆍ수신을 제어하는 기능
- ④ 통신제어장치와 다수의 통신회선을 다중화 처리로 제어하는 기능
등록된 댓글이 없습니다.
29. 주파수변조의 송ㆍ수신 회로에 대한 설명 중 옳은 것은?
- ① IDC : 음성 데이터의 진폭을 일정한 레벨로 증폭, 조절한다.
- ② DISCREMINATOR : 진폭신호에 따라 주파수 변화로 변환시킨다.
- ③ PRE-EMIPHASIS : 음성데이터의 고역주파수를 강조시켜 변환한다.
- ④ AFC : 자동적으로 수신이득을 일정한 레벨로 조절한다.
등록된 댓글이 없습니다.
30. 다음 중 AM 송신기의 송신장치의 조건이 아닌 것은?
- ① 발사 주파수의 안정도가 높을 것
- ② 불요파일 스퓨리어스의 발사가 적을 것
- ③ 일그러짐이나 왜곡 등의 잡음이 적을 것
- ④ 점유 주파수 대역폭이 가능한 한 최대일 것
등록된 댓글이 없습니다.
31. 포트 공동 이용기(port sharing unit)에 대한 설명 중 틀린 것은?
- ① 컴퓨터에 여러 개의 터미널들이 하나의 포트를 공유한다.
- ② 거리 제한이 있어 컴퓨터와 근거리에 있는 터미널들이 사용된다.
- ③ 호스트 컴퓨터와 모뎀 사이에 설치된다.
- ④ 컴퓨터 포트의 과부하를 조절하는 기능을 갖고 있다.
등록된 댓글이 없습니다.
32. 다음 중 멀티미디어 관련 정보처리의 요구사항이 아닌 것은?
- ① 영상정보의 압축 기술 필요
- ② 영상정보의 실시간 전송을 위한 고속 통신망 구축
- ③ 통합된 다중 처리를 위한 아날로그화 변환 기술의 확보
- ④ 다량의 멀티미디어 정보 처리를 위한 대용량 저장장치가 필요
등록된 댓글이 없습니다.
33. 다음 중 DSU(Digital Service Unit)의 특징이 아닌 것은?
- ① 디지털 전송로에서 사용한다.
- ② 단극성 신호를 양극성 신호로 변환한다.
- ③ 비용이 모뎀보다 저렴하다.
- ④ 왜곡 및 잡음 등을 보상해주는 등화기능이 있다.
등록된 댓글이 없습니다.
34. 다음 중 전화극의 다중화기 채널에 가입자를 직접 수용할 수 있는 장비는?
- ① DSU(Digital Sharing Unit)
- ② CSU(Channel Service Unit)
- ③ CPU(Central Processing Unit)
- ④ CCU(Communication Control Unit)
등록된 댓글이 없습니다.
35. 이동하고 있는 수신국의 전방에서 오는 전파의 주파수는 높아지고, 뒤에서 되돌아오는 전파의 주파수는 낮아져 송신지점에서 단일 주파수 일지라도 수신점에서는 여러 주파수가 도래하는 것으로 에러발생의 원인 중 하나인 것은?
- ① 페이딩 현상
- ② 도플러 현상
- ③ 채널 간섭
- ④ 맥놀이 현상
등록된 댓글이 없습니다.
36. 모뎀(MODEM)이 갖추어야 할 조건이 아닌 것은?
- ① 호환성
- ② 회선 교환 기능
- ③ 상호간 신뢰성
- ④ 에러 검출 및 정정
등록된 댓글이 없습니다.
37. 정보 단말기의 기능이 아닌 것은?
- ① 입ㆍ출력 기능
- ② 입ㆍ출력 제어기능
- ③ 회선 제어 기능
- ④ 송ㆍ수신 제어기능
등록된 댓글이 없습니다.
38. TV 채널대역 내에서 영상신호 및 음성신호 대역으로 사용되지 않는 부분을 이용하는 방식은?
- ① 텔레텍스트
- ② 비디오텍스
- ③ 정지화방송
- ④ 텔레텍스
등록된 댓글이 없습니다.
39. MHS(Message Handing System)의 구성요소로서 텔레텍스나 팩시밀리 등의 텔레매틱스 User가 이용하도록 하는 기능을 제공하는 것은?
- ① UA(User Agent)
- ② MTA(Message Transfer Agent)
- ③ MS(Message Store)
- ④ AU(Access Unit)
등록된 댓글이 없습니다.
40. 화상을 전기신호로 변환하여 보내진 신호를 수신측에서 빛의 명암으로 변환하여 원 화상을 재현하는 기기는?
- ① TV
- ② 전화
- ③ PDA
- ④ FAX
등록된 댓글이 없습니다.
3과목 : 정보전송개론
41. PCM 통신방식에서 수신단에만 설치하는 회로는?
- ① 표본화 회로
- ② 양자화 회로
- ③ 부보화 회로
- ④ 복호화 회로
등록된 댓글이 없습니다.
42. 한 개의 광섬유에 파장이 각기 다른 신호를 단일 빔으로 모아서 전송하는 광 다중 전송 방식은?
- ① WDM
- ② PPM
- ③ PFM
- ④ TDM
등록된 댓글이 없습니다.
43. PCM 통신의 부호화 과정에서 널리 사용되고 있는 부호는?
- ① Gray 부호
- ② BCD 부호
- ③ Biquinary 부호
- ④ Hamming 부호
등록된 댓글이 없습니다.
44. NRZ 코드방식에 대한 설명 중 옳지 않은 것은?
- ① RZ 코드방식보다 넓은 대역폭이 필요하다.
- ② RZ 코드방식보다 duty cycle이 길다.
- ③ 직류성분이 존재하며, RZ 코드방식보다 동기화 능력이 떨어진다.
- ④ 잡음에 대한 성능면에서 RZ 코드방식보다 우수하다.
등록된 댓글이 없습니다.
45. 다음 중에서 동일한 신호대 잡음비에 대하여 비트 오류율(bit error rate)이 가장 적은 디지털 전송방식은?
- ① ASK
- ② FSK
- ③ PSK
- ④ DPSK
등록된 댓글이 없습니다.
46. 직렬 전송과 비교하여 병렬 전송의 특징으로 옳은 것은?
- ① 전송 속도가 느리다.
- ② 단말 장치와의 인터페이스 구성이 복잡하다.
- ③ 진송 매체의 비용이 높다.
- ④ 병렬 신호를 직렬 신호로 변환해야 한다.
등록된 댓글이 없습니다.
47. 기지국의 서비스 지역을 확대시키기 위한 방법이 아닌 것은?
- ① 송신 출력을 증가시킨다.
- ② 기지국 안테나 높이를 감소시킨다.
- ③ 지형에 맞는 안테나를 사용한다.
- ④ 고이득 또는 지향성 안테나를 사용한다.
등록된 댓글이 없습니다.
48. 어떤 코드의 최소 해밍거리가 8일 때, 수신측에서 정정할 수 있는 오류의 개수는?
- ① 2
- ② 3
- ③ 4
- ④ 8
등록된 댓글이 없습니다.
49. 아날로그 신호를 표본화했을 때 얻어지는 신호는?
- ① PPM
- ② PWM
- ③ PCM
- ④ PAM
등록된 댓글이 없습니다.
50. 다음 중 스펙트럼 확산 통신의 원리를 이용하는 다중화 방식은 어느 것인가?
- ① 부호분할 다중화
- ② 시분할 다중화
- ③ 공간분할 다중화
- ④ 주파수분할 다중화
등록된 댓글이 없습니다.
51. 전진 에러 수정 코드(Forward Error Correction)의 특징에 해당하지 않는 것은?
- ① 데이터의 오류를 검출하고 정정할 수 있다.
- ② 정보 비트열에 잉여 비트열을 부가한 부호를 사용한다.
- ③ 역채널이 필요 없고 연속적인 데이터 전송이 가능하다.
- ④ 에러정정 시간이 짧아 비트효율이 높다.
등록된 댓글이 없습니다.
52. 다음 중 OSI 2계층 프로토콜에 해당하지 않는 것은?
- ① HDLC
- ② PPP
- ③ SLIP
- ④ SNMP
등록된 댓글이 없습니다.
53. 양자화에 있어 계단 크기(step size)를 작게하면 양자화 잡음과 경사과부화 잡음은 각각 어떻게 되는가? (단, 양자화 폭은 일정하다고 가장)
- ① 양자화 잡음은 작아지고 경사과부하 잡음은 커진다.
- ② 양자화 잡음은 커지고 경사과부하 잡음은 작아진다.
- ③ 양자화 잡음도 커지고 경사과부하 잡음도 커진다.
- ④ 양자화 잡음도 작아지고 경사과부하 잡음도 작아진다.
등록된 댓글이 없습니다.
54. 광케이블에서 사용되는 규격화 주파수에 대한 설명 중 바르지 못한 것은?
- ① V number라고도 한다.
- ② 광케이블에서 생기는 광신호의 위상변화를 의미한다.
- ③ 2.405보다 작아야한다.
- ④ 광케이블이 단일모드 광케이블인지 다중모드 광케이블인지 구분하는데 이용한다.
등록된 댓글이 없습니다.
55. 신호가 가지는 주파수가 200~5000Hz일 때 최소 표본화 주파수는 얼마인가?
- ① 400[Hz]
- ② 9600[Hz]
- ③ 10000[Hz]
- ④ 10400[Hz]
등록된 댓글이 없습니다.
56. 꼬임 상선(twisted-pair cable)을 꼬인 모양으로 만드는 이유로 가장 적합한 것은?
- ① 케이블의 강도를 높이기 위하여
- ② 전송거리를 늘리기 위하여
- ③ 디지털 전송방식을 사용하기 위하여
- ④ 누화를 방지하기 위하여
등록된 댓글이 없습니다.
57. HDLC 전송제어절차에서 프레임을 구성하는 각 필드의 명칭을 순서대로 올바르게 배치한 항은 어느 것인가?
- ① 주소필드 - 제어필드 - 정보필드 - 플래그필드 - 오류검사필드 - 플래그필드
- ② 플래그필드 - 주소필드 - 제어필드 - 정보필드 - 오류검사필드 - 플래그필드
- ③ 플래그필드 - 제어필드 - 주소필드 - 정보필드 - 오류검사필드 - 플래그필드
- ④ 오류검사필드 - 주소필드 - 플래그필드 - 정보필드 - 제어필드 - 플래그필드
등록된 댓글이 없습니다.
58. 광섬유의 분산에 대한 설명으로 틀린 것은?
- ① 멀티모드 광섬유에서는 색분산이 문제가 되고 싱글모드 광섬유에서는 모드분산이 문제가 된다.
- ② 일반적인 광섬유에서 0 분산은 1310[mm] 파장대에서만 존재한다.
- ③ 장거리 전송을 위해서는 분산이 0 일 때 최적이다.
- ④ 분산은 광섬유에서 광 펄스를 입사하면 광섬유를 통과하면서 빛이 퍼지는 현상이다.
등록된 댓글이 없습니다.
59. 데이터 전송에서 다수의 에러를 검출하고 정정할 수 있는 부호방식은 어느 것인가?
- ① ARQ
- ② CRC
- ③ Reed-Solomon code
- ④ parity check
등록된 댓글이 없습니다.
60. 다음 중 통신로의 용량을 결정하는 것은?
- ① 대역폭과 BER
- ② 대역폭과 전송속도
- ③ 전송속도와 신호대 잡음비
- ④ 대역폭과 신호대 잡음비
등록된 댓글이 없습니다.
4과목 : 전자계산기일반 및 정보설비기준
61. 다음 중 자외선을 이용하여 내용을 지울 수 있는 ROM은?
- ① 마스크 ROM
- ② EEROM
- ③ PROM
- ④ EPROM
등록된 댓글이 없습니다.
62. UNIX의 운영체제(OS)에 주로 사용된 언어는?
- ① 어셈블리 언어
- ② BASIC 언어
- ③ C 언어
- ④ LISP 언어
등록된 댓글이 없습니다.
63. 컴퓨터가 프로그램을 수행하고 있는 동안 컴퓨터의 내부나 외부에서 응급상태가 발생하여 현재 수행중인 프로그램을 일시적으로 중지하고 응급상태를 처리하는 기법은?
- ① DMA
- ② Time sharing
- ③ Subroutine
- ④ Interrupt
등록된 댓글이 없습니다.
64. 다음 중 현재 수행중인 명령어를 기억하는 레지스터는?
- ① MAR(Memory Address Register)
- ② IR(Instruction Register)
- ③ PC(Program Counter)
- ④ Accumulator
등록된 댓글이 없습니다.
65. 마이크로컴퓨터의 직렬 입ㆍ출력 인터페이스가 아닌 것은?
- ① SIO
- ② USART
- ③ USB
- ④ PPI
등록된 댓글이 없습니다.
66. 데이터 접근방법이 순차적으로 접근되는 기억장치로서 가장 적합하지 않은 것은?
- ① FIFO 메모리
- ② LIFO 메모리
- ③ 자기 테이프
- ④ HDD
등록된 댓글이 없습니다.
67. 명령 사이클 중에서 일반적으로 프로그램 카운터(PC)값이 증가되는 사이클은?
- ① fetch cycle
- ② indirect cycle
- ③ execute cycle
- ④ direct cycle
등록된 댓글이 없습니다.
68. 다음 중 이항 연산이 아닌 것은?
- ① OR
- ② AND
- ③ Complement
- ④ 산술 연산
등록된 댓글이 없습니다.
69. 다음 16진수 73C.4E를 10진수로 변환한 것 중 가장 근사치는?
- ① 185.23
- ② 1852.305
- ③ 18523.05
- ④ 123.25
등록된 댓글이 없습니다.
70. 다음 주소 지정 방식(Addressing Mode) 중에서 프로그램 카운터에 명령어의 주소부분을 더해서 실제 주소를 구하는 방식은?
- ① 직접 번지 방식
- ② 즉시 번지 방식
- ③ 상대 번지 방식
- ④ 레지스터 번지 방식
등록된 댓글이 없습니다.
71. 다음 중 우리나라 전기통신사업의 구분에 속하지 않는 것은?
- ① 기간통신사업
- ② 별정통신사업
- ③ 부가통신사업
- ④ 특정통신사업
등록된 댓글이 없습니다.
72. 정보통신부장관이 전기통신기본계획 수립시 포함되지 않은 사항은?
- ① 전기통신의 질서유지에 관한 사항
- ② 전기통신기술 보호에 관한 사항
- ③ 전기통신사업에 관한 사항
- ④ 전기통신의 이용효율화에 관한 사항
등록된 댓글이 없습니다.
73. 정보통신공사업자 이외의 자가 시공할 수 있는 공사는?
- ① 통신구 설비공사
- ② 방송관리시스템 설비공사
- ③ 지능망 설비공사
- ④ 아마추어국의 무선설비 설치공사
등록된 댓글이 없습니다.
74. 정보통신공사의 종류에서 정보설비공사에 해당되지 않는 것은?
- ① 철도통신신호 설비공사
- ② 방송전송선로 설비공사
- ③ 정보매체 설비공사
- ④ 항공ㆍ항만통신 설비공사
등록된 댓글이 없습니다.
75. 정보통신부장관이 관계중앙행정기관별 부문계획을 종합하여 수립하는 정보화촉진기본계획에 포함되는 사항이 아닌 것은?
- ① 정보화 촉진 등과 관련된 국제협력에 관한 사항
- ② 정보통신기반의 고도화에 관한 사항
- ③ 정보화 촉진 등에 대한 시책의 기본 방향
- ④ 전기통신설비의 통합추진에 관한 사항
등록된 댓글이 없습니다.
76. 실시간으로 동영상정보를 주고받을 수 있는 고속ㆍ대용량의 정보통신망은?
- ① 초고속정보통신망
- ② 종합디지털정보통신망
- ③ 광대역종합정보통신망
- ④ 실시간 고속인터넷통신망
등록된 댓글이 없습니다.
77. 전기통신의 표준화에 관한 업무를 효율적으로 추진하기 위하여 설립한 기관은?
- ① 한국정보사회진흥원
- ② 전파연구소
- ③ 한국정보보호진흥원
- ④ 한국정보통신기술협회
등록된 댓글이 없습니다.
78. 다음 중 전기통신사업자의 보편적 역무의 구체적 내용을 정할 때 고려할 사항이 아닌 것은?
- ① 정보화 촉진
- ② 전기통신역무의 보급 정도
- ③ 공공의 이익과 안전
- ④ 전기통신역무의 개발 정도
등록된 댓글이 없습니다.
79. 기간통신사업자로부터 전기통신설비를 임차하여 기간 통신 역무 외에 전기통신역무를 제공하는 사업은?
- ① 부가통신사업
- ② 설비임차사업
- ③ 별정통신사업
- ④ 특정통신사업
등록된 댓글이 없습니다.
80. 컴퓨터 등 정보처리능력을 가진 장치에 의하여 전자적인 형태로 작성되어 송ㆍ수신 또는 저장된 문서형식의 자료로서 표준화된 것을 무엇이라 하는가?
- ① 개인정보
- ② 전문
- ③ 전자결재
- ④ 전자문서
등록된 댓글이 없습니다.