정보통신산업기사(2005. 5. 29.) 시험일자 : 2005년 5월 29일
1과목 : 디지털전자회로
1. 변조도 60[%]인 진폭변조 회로에서 반송파의 평균출력이 300[㎽]일 때 피변조파의 평균 출력은?
- ① 180[㎽]
- ② 300[㎽]
- ③ 354[㎽]
- ④ 420[㎽]
등록된 댓글이 없습니다.
2. 미분회로에 삼각파를 입력했을 때 출력파형은?
- ① 정현파
- ② 여현파
- ③ 삼각파
- ④ 구형파
등록된 댓글이 없습니다.
3. 다음 중 레지스터(register)의 기능은?
- ① 펄스(pulse) 발생기이다.
- ② 카운터의 대용으로 쓰인다.
- ③ 회로를 동기시킨다.
- ④ 데이터(data)를 일시 저장한다.
등록된 댓글이 없습니다.
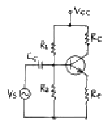
4. 그림과 같은 회로의 명칭은?

- ① 슈미트트리거회로
- ② 차동증폭회로
- ③ 푸슈풀증폭회로
- ④ 부트스트랩회로
등록된 댓글이 없습니다.
5. 시간폭과 진폭이 일정한 펄스의 시간적 위치를 신호파의 파형에 대응하여 변화시키는 펄스 변조방식은?
- ① PAM
- ② PPM
- ③ PCM
- ④ PNM
등록된 댓글이 없습니다.
6. 연산 증폭기(OP Amp)의 특징으로서 맞는 것은?
- ① 전압 이득이 적다.
- ② 입력 임피던스가 낮다.
- ③ 출력 임피던스가 높다.
- ④ 주파수대역이 크다.
등록된 댓글이 없습니다.
7. 를 간단히 하면?
- ①

- ②

- ③

- ④

등록된 댓글이 없습니다.
8. 쌍안정 멀티바이브레이터의 결합저항에 병렬로 부가한 콘덴서의 사용 목적은?
- ① 증폭도를 높인다.
- ② 스위칭 속도를 높인다.
- ③ 베이스 전위를 일정하게 유지시킨다.
- ④ 에미터 전위를 일정하게 유지시킨다.
등록된 댓글이 없습니다.
9. 다음 회로의 출력전압은 얼마인가?

- ① -5[V]
- ② -10[V]
- ③ -15[V]
- ④ -25[V]
등록된 댓글이 없습니다.
10. 다음에 열거한 인터페이스의 종류 중에서 회선의 개수가 많지만 속도가 가장 빠른 인터페이스는?
- ① SISO
- ② SIPO
- ③ PISO
- ④ PIPO
등록된 댓글이 없습니다.
11. 회로내의 분포용량, 표유 인덕턴스 또는 회로 정수의 불평형에 의하여 증폭하려는 주파수와 다른 주파수간에 발진이 생기는 현상은?
- ① 자기 발진
- ② 이완 발진
- ③ 다이나트론 발진
- ④ 기생 발진
등록된 댓글이 없습니다.
12. 반가산기(Half-adder)의 구성 요소로 맞는 것은?
- ① JK 플립플롭
- ② 두개의 AND 게이트
- ③ EOR과 AND 게이트
- ④ 1개의 반동시 회로와 OR 게이트
등록된 댓글이 없습니다.
13. 그림과 같은 회로에서 입력임피던스의 근사값은? (단, 입력임피던스는 TR의 베이스와 접지간을 의미하며, TR의 hie = 1[㏀], hfe = 50 이다.)

- ① 52[㏀]
- ② 62[㏀]
- ③ 82[㏀]
- ④ 100[㏀]
등록된 댓글이 없습니다.
14. 다음과 같은 NOR GATE로 구성된 기본적인 플립-플롭회로에 서 S=1, R=0 인 상태일 때 Q, Q'의 상태는?

- ① 1, 0
- ② 0, 1
- ③ 0, 0
- ④ 1, 1
등록된 댓글이 없습니다.
15. 다음 카아르노프도의 간략식은?

- ① Y = A
- ② Y = B
- ③

- ④

등록된 댓글이 없습니다.
16. 다음 회로에서 Re의 값과 관계가 없는 사항은? (단, 출력전압 및 전류는 콜렉터측임)

- ① Re가 크면 클수록 입력 임피이던스는 커진다.
- ② Re가 크면 클수록 안정계수 S는 적어진다.
- ③ Re가 크면 클수록 증폭된 콜렉터 전류는 적어진다.
- ④ Re가 크면 클수록 전압증폭도는 커진다.
등록된 댓글이 없습니다.
17. FET를 사용한 이상(phase shift) CR발진기에서 발진을 지속하기 위해 FET의 증폭도는 최소 얼마 이상이어야 하는가?
- ① 10
- ② 29
- ③ 100
- ④ 156
등록된 댓글이 없습니다.
18. RC결합 저주파 증폭회로의 이득이 낮은 주파수에서 감소되는 이유는?
- ① 출력회로의 병렬 캐패시턴스 때문
- ② 에미터 저항 때문
- ③ 콜렉터 저항 때문
- ④ 결합 캐패시턴스의 영향 때문
등록된 댓글이 없습니다.
19. 제너 다이오드를 주로 사용하는 회로는?
- ① 증폭회로
- ② 검파회로
- ③ 전압안정회로
- ④ 저주파발진회로
등록된 댓글이 없습니다.
20. 그림과 같은 게이트 회로의 명칭은?

- ① NOR 회로
- ② AND 회로
- ③ OR 회로
- ④ NAND 회로
등록된 댓글이 없습니다.
2과목 : 정보통신기기
21. 전자교환 시스템의 통화로 단말회로의 공통된 기능이 아닌 것은?
- ① 발신호 검출
- ② 통화전류 공급
- ③ 통화로 유지
- ④ 통화로계 운용모드 관리
등록된 댓글이 없습니다.
22. 컴퓨터시스템에 입력시키고 그 결과를 사람의 음성으로 출력시켜서 인간에게 전달하는 음성입출력장치 중에서 직접적으로 음성파형을 만드는 장치는?
- ① 음성인식기
- ② 음성합성기
- ③ 음성입력기
- ④ 음성분석기
등록된 댓글이 없습니다.
23. CCTV(폐쇄회로 TV)의 특성을 설명한 내용이 아닌 것은?
- ① 불특정 다수인 일반 가입자를 대상으로 하는 통신 시스템이다.
- ② 호텔, 병원, 학교 등 특정 대상에 대해 특정 프로그램을 제공하는 시스템이다.
- ③ 공장, 은행, 백화점 및 사람이 접근할 수 없는 산업현장의 감시용 시스템이다.
- ④ 시스템의 기본 구성은 촬상장치, 전송장치, 표시장치, 기록장치로 되어 있다.
등록된 댓글이 없습니다.
24. DTE와 디지털 데이터 교환 회선망을 접속하기 위한 DSU의 기능에 알맞지 않은 것은?
- ① 신호 파형의 변환
- ② 신호 전송속도의 변환
- ③ 제어 신호의 삽입
- ④ 프레임의 시분할 다중화
등록된 댓글이 없습니다.
25. 위성통신의 특징이 아닌 것은?
- ① 많은 통신용량을 가지고 있다.
- ② 전송 오류율이 감소한다.
- ③ SHF 주파수를 사용한다.
- ④ 고품질의 협대역 통신이 가능하다.
등록된 댓글이 없습니다.
26. 주파수 분할 다중화기에서는 다중신호는?
- ① 시간을 분할하여 전송한다.
- ② 공동대역폭을 나누어서 전송한다.
- ③ 다중코딩을 사용하여 전송한다.
- ④ 디지털 신호로 변조한다.
등록된 댓글이 없습니다.
27. 문자나 도형을 입력하기 위하여 평면 모양으로 구성된 입력면내를 지시 펜으로 지시함으로서 그 위치 정보를 입력할 수 있는 입력기기는?
- ① OCR
- ② 바코드 리더
- ③ 스캐너
- ④ 태블릿
등록된 댓글이 없습니다.
28. 일반적인 무선송신기의 기본적인 구성을 가장 옳게 나타낸 것은?
- ① 발진부, 증폭부, 체배부, 전원부
- ② 발진부, 변조부, 증폭부, 전원부
- ③ 전원부, 증폭부, 체배부, 안테나부
- ④ 발진부, 체배부, 복조부, 전원부
등록된 댓글이 없습니다.
29. TV 방송전파를 이용하여 TV 방송과 함께 문자 또는 도형 형태의 정보를 제공하는 정보통신 서비스는?
- ① 텔리텍스
- ② 팩시밀리
- ③ 텔리텍스트
- ④ 위성통신
등록된 댓글이 없습니다.
30. CATV의 특징 중 옳은 것은?
- ① 쌍방향 통신의 서비스가 가능하다.
- ② 채널의 수가 극히 제한된다.
- ③ 홈뱅킹등 정보화가 불가하다.
- ④ 전송은 공중 전기 통신망을 이용한다.
등록된 댓글이 없습니다.
31. 고속 동기식 모뎀과 시분할 다중화기를 하나의 장비로 만든 것으로 모뎀의 최대 전송 속도 이내에서 각 포트가 전송속도를 나누어 사용할 수 있는 모뎀은 무엇인가?
- ① 멀티포인트(multi-point) 모뎀
- ② 멀티포트(multi-port) 모뎀
- ③ 제한 거리 모뎀
- ④ 멀티채널(multi-channel) 모뎀
등록된 댓글이 없습니다.
32. 디지탈신호 재생중계기의 기능에 해당되지 않는 것은?
- ① 에러정정
- ② 타이밍
- ③ 파형등화
- ④ 식별재생
등록된 댓글이 없습니다.
33. 검색형 AV(Audio Visual)분류에서 상호 정보 교환을 취급하는 것은 AVI서비스시스템인데, 다음 중 AVI시스템이 취급하는 미디어 종류를 맞게 연결한 것은?
- ① 지각 대상 미디어 : 상호교환 정보의 데이터 타입
- ② 축척미디어 : 이용자가 알 수 있는 정보의 모습, 음악, 회화, Texe 및 정지 화상 등
- ③ 표현미디어 : 데이터의 축척 수단인 FD, HD, 광디스크
- ④ 전송미디어 : 데이터 전달의 물리적 수단인 2P케이블, 동축케이블, 광 Fiber 등
등록된 댓글이 없습니다.
34. 다음 중 멀티미디어 시스템을 만들 때 고려할 사항으로 관계가 적은 것은?
- ① 집적화
- ② 표준화
- ③ 동기화
- ④ 다중화
등록된 댓글이 없습니다.
35. 정보단말기로서 휴대전화기능, 휴대형 컴퓨터기능, 팩스기능, 전자수첩기능을 갖춘 단말기는?
- ① PC-FAX
- ② PDA
- ③ PCS
- ④ MIX-MODE
등록된 댓글이 없습니다.
36. 변복조기 공동이용기와 선로공동이용기에 대한 설명 중 옳은 것은?
- ① 변복조기 공동이용기와 선로공동이용기는 폴/셀렉트 프로토콜을 이용한다.
- ② 집중화기보다 네트워크구성이 복잡하고, 소프트웨어의 기능이 다양하다.
- ③ 변복조기 공동이용기는 원거리에서 사용되고, 선로공동이용기는 근거리에서 사용된다.
- ④ 변복조기 공동이용기는 타이밍소스가 있고 선로공동이용기는 내부에 타이밍소스가 없다.
등록된 댓글이 없습니다.
37. 수신기의 성능을 측정하는 변수가 아닌 것은?
- ① 감도
- ② 선택도
- ③ 변조도
- ④ 충실도
등록된 댓글이 없습니다.
38. 이동 통신 망의 주요 기능인 위치 등록이 수행 되는 경우가 아닌 것은?
- ① 전원을 끌 때 등록
- ② 위치 영역 변경 등록
- ③ 단말기를 수리하기 위하여 등록
- ④ 거리 기준 등록
등록된 댓글이 없습니다.
39. 다음은 문자표시 단말장치중 CRT 단말기의 4가지 기본적인 용도를 설명한 것이다. 용도와 거리가 먼 것은?
- ① 감시관리
- ② 데이터 검색
- ③ 프로토콜 변환
- ④ 질의 응답
등록된 댓글이 없습니다.
40. ATM교환방식의 설명중 옳지 않은 것은?
- ① 정적으로 대역폭을 할당한다.
- ② 셀을 53바이트로 세분화하여 유연성을 갖게 한다.
- ③ 모든 정보의 통합화된 서비스가 가능하다.
- ④ 현재 제공중인 서비스와 앞으로 요구될 서비스의 융통성을 확보할 수 있다.
등록된 댓글이 없습니다.
3과목 : 정보전송개론
41. 전송제어의 5단계 중 4단계는?
- ① 회선의 접속
- ② 링크의 설정
- ③ 링크의 해제
- ④ 정보의 전송
등록된 댓글이 없습니다.
42. 중계선로의 잡음레벨을 측정한 결과 잡음전압이 0.02[V]이고, 통화전압이 2[V]라면 신호대 잡음비는 얼마인가?
- ① 40[dB]
- ② 20[dB]
- ③ 60[dB]
- ④ 30[dB]
등록된 댓글이 없습니다.
43. 전송제어 문자의 설명이 틀린 것은?
- ① STX : 텍스트의 시작을 표시한다.
- ② ETB 블록의 완료를 표시한다.
- ③ ENQ : 질의가 끝났음을 알린다.
- ④ SOH : 헤딩의 시작을 표시한다.
등록된 댓글이 없습니다.
44. 최근에 많이 사용되고 있는 xDSL 관련 기술을 보기에 열거하였다. 이중에 상, 하향 속도가 같은 대칭적인 전송서비스가 가능한 기술만을 바르게 나타낸 것은?

- ① ADSL, VDSL
- ② ADSL, HDSL
- ③ VDSL, UADSL
- ④ SDSL, HDSL
등록된 댓글이 없습니다.
45. PCM 변환과정을 올바르게 나타낸 것은?
- ① 양자화 → 표본화 → 부호화
- ② 양자화 → 부호화 → 표본화
- ③ 표본화 → 양자화 → 부호화
- ④ 표본화 → 부호화 → 양자화
등록된 댓글이 없습니다.
46. 다음 그림의 전송방식은?

- ① 단류 NRZ 방식
- ② 복류 NRZ 방식
- ③ 단류 RZ 방식
- ④ 복류 RZ 방식
등록된 댓글이 없습니다.
47. 전송로에서 사용되는 재생중계기의 3R 기능이 아닌 것은?
- ① 식별재생
- ② 타이밍 재생
- ③ 파형정형
- ④ 신호전송
등록된 댓글이 없습니다.
48. 균일 양자화 PCM 에서 양자화를 위한 비트를 1개씩 추가할 때마다 개선되는 신호대 양자화 잡음전력비는 몇[dB]씩 개선되는가?
- ① 3
- ② 4
- ③ 6
- ④ 8
등록된 댓글이 없습니다.
49. 우수 패리티를 가진 해밍 코우드에서 착오는 몇번 행에 있는가?

- ① 3
- ② 5
- ③ 6
- ④ 7
등록된 댓글이 없습니다.
50. 전송 기술에 대한 분류가 잘못된 것은?
- ① 전송 방향에 따른 전송 방식 : 단향 통신, 반이중 통신, 전이중 통신
- ② 동기 방법에 따른 전송 방식 : 비동기식 전송, 동기식전송, 혼합형 동기 전송
- ③ 아날로그 전송 방식 : 기저대역(base band) 전송, 비트동기식 전송, 문자 동기식 전송
- ④ 회선 구성에 따른 전송 방식 : 포인트-투-포인트 방식, 멀티 포인트 방식
등록된 댓글이 없습니다.
51. OSI-7 통신 프로토콜의 각 계층별 설명 중 잘못된 것은?
- ① 제2계층(물리 계층) : 물리적 연결, 활성화와 비활성화
- ② 제3계층(네트웍 계층) : 통신망 내 및 통신망 사이의 경로선택과 중계기능
- ③ 제4계층(트랜스포트 계층) : 종단 상호간의 에러검출 및 서비스 품질 감시
- ④ 제5계층(세션 계층) : 회화관리 및 동기 기능 수행
등록된 댓글이 없습니다.
52. 신호대 잡음의 비가 15이고, 대역폭이 3400[Hz]라고 하면 통신용량은 몇[bps]인가?
- ① 11500
- ② 12500
- ③ 12900
- ④ 13600
등록된 댓글이 없습니다.
53. HDLC 프로토콜에서 사용되는 국(station)의 이름을 바르게 나타낸 것은?
- ① 주국, 종국, 종속국
- ② 총괄국, 집중국, 단국
- ③ 1차국, 2차국, 복합국
- ④ 상위국, 중간국, 하위국
등록된 댓글이 없습니다.
54. 동축케이블에서 가장 감쇠를 적게 하기 위해서는 내부도체의 외경(d)과 외부도체의 내경(D)과의 비(ratio) D/d의 값을 얼마로 만드는 것이 가장 좋은가?
- ① 1.8
- ② 3.6
- ③ 5.8
- ④ 7.2
등록된 댓글이 없습니다.
55. 다음 디지털 변조 방식중 가장 빠른 데이터 전송에 적용될 수 있는 방식은?
- ① QAM
- ② FSK
- ③ PSK
- ④ ASK
등록된 댓글이 없습니다.
56. 발광소자에서 파장이 다른 광신호를 광결합기로 결합하여 전송하고 광분파기로 분리하는 다중화방식은?
- ① FDM
- ② TDM
- ③ SDM
- ④ WDM
등록된 댓글이 없습니다.
57. 전송로에 디지탈 신호를 양극 부호펄스 형태로 전송 시키는 가장 큰 이유는?
- ① 직류성분을 추가한다.
- ② 타이밍 신호를 넣을 수 없다.
- ③ 직류성분이 없다.
- ④ 연속하는 0을 취급하지 않는다.
등록된 댓글이 없습니다.
58. 단일모드 광섬유(single mode fiber)에 대한 다음 설명 중 틀린 것은?
- ① 색분산이 존재한다.
- ② 모드가 한 개밖에 존재하지 않아 고속, 대용량 전송이 어렵다.
- ③ 제조 및 접속이 어렵다.
- ④ 모드간 간섭이 없다.
등록된 댓글이 없습니다.
59. 다음 PSK(Phase Shift Keying)방식의 특징에 대한 설명 중 틀린 것은?
- ① 디지털신호 0 또는 1에 따라 반송파의 위상을 변화 시킨다.
- ② ASK보다 속도가 높은 데이터 전송에 사용된다.
- ③ ASK, FSK에 비해 에러 확률이 적다.
- ④ 케리어주파수가 일정하여 costas loop가 필요 없다.
등록된 댓글이 없습니다.
60. 이동통신의 채널에서 일어나는 현상이 아닌 것은?
- ① 도플러 현상
- ② 표피효과
- ③ 지연확산
- ④ 페이딩
등록된 댓글이 없습니다.
4과목 : 전자계산기일반 및 정보설비기준
61. 다음 중 컴퓨터에서 뺄셈 연산 수행시 주로 사용되는 것은?
- ① 엔코드(encoder)
- ② 디코드(decoder)
- ③ 보수기
- ④ 누산기
등록된 댓글이 없습니다.
62. 기억장치에 정보를 기억시키거나 기억된 내용을 읽어내는데 소요되는 시간은?
- ① access time
- ② seek time
- ③ search time
- ④ run time
등록된 댓글이 없습니다.
63. 다음 중 중앙처리장치의 개입없이 기억장치와 외부장치간에 직접 자료를 전달할 수 있는 것은?
- ① 인터럽트(Interrupt)
- ② 풀링(Polling)
- ③ 스풀링(Spooling)
- ④ DMA(Direct Memory Access)
등록된 댓글이 없습니다.
64. 다음 중 고급언어로 쓴 프로그램을 기계어로 처리할 수 있는 Code 의 프로그램으로 번역하기 위한 Program은?
- ① Processor
- ② Generator
- ③ Compiler
- ④ 자동번역기
등록된 댓글이 없습니다.
65. 캐시 메모리를 사용하는 이유로 가장 타당한 것은?
- ① 평균 액세스 시간을 증가시키기 위하여 사용한다.
- ② 프로그램의 총 실행 시간을 단축시킬 수 있다.
- ③ 기억 용량을 증가시키기 위하여 사용한다.
- ④ 주기억장치를 대체하기 위하여 사용한다.
등록된 댓글이 없습니다.
66. 컴퓨터 시스템에서 보통 0-주소, 1-주소, 2-주소, 3-주소로 분류할 때 기준이 되는 것은?
- ① 명령어의 수
- ② 오퍼랜드의 수
- ③ 레지스터의 수
- ④ 기억 장치의 수
등록된 댓글이 없습니다.
67. 2진수 1001의 1의 보수에 해당하는 것은?
- ① 0001
- ② 0110
- ③ 0111
- ④ 0101
등록된 댓글이 없습니다.
68. 2개 이상의 프로그램을 단일 계산기에서 동시에 실행하는 방법을 무엇이라 하는가?
- ① Multi Programming
- ② Double Programming
- ③ Multi accessing
- ④ Processing Programming
등록된 댓글이 없습니다.
69. 블록과 블록 사이를 구분 짓는 공백은?
- ① 스페이스
- ② IRG
- ③ 필드
- ④ IBG
등록된 댓글이 없습니다.
70. 32비트로 2의 보수법을 사용하여 표현할 때 최대로 표현할 수 있는 양수의 범위는?
- ① 232
- ② 232-1
- ③ 231
- ④ 231-1
등록된 댓글이 없습니다.
71. 통신용 관로의 매설시 가스관 등 다른 매설물과의 간격을 얼마 이상으로 유지하여야 하는가?
- ① 30㎝ 이상
- ② 50㎝ 이상
- ③ 1m 이상
- ④ 1.5m 이상
등록된 댓글이 없습니다.
72. 다음 중 전기통신사업법의 가장 적합한 설명은?
- ① 국가 전기통신의 주권을 규정한 법률이다.
- ② 전기통신사업의 운영을 위한 기본원칙을 규정한다.
- ③ 전기통신설비의 설치 및 보전을 위한 부령이다.
- ④ 통신사업자의 건전한 육성 발전을 위한 약관이다.
등록된 댓글이 없습니다.
73. 전기통신설비 및 전기통신 기자재에 관한 기술기준은 어느 법령에 규정함을 원칙으로 하는가?
- ① 법률이다.
- ② 대통령령이다.
- ③ 국무총리령이다.
- ④ 정보통신부령이다.
등록된 댓글이 없습니다.
74. 정보통신부장관으로부터 전기통신에 관한 표준화 업무를 위탁받은 기관은?
- ① 한국소프트웨어진흥원
- ② 한국통신
- ③ 한국정보통신기술협회
- ④ 한국전산원
등록된 댓글이 없습니다.
75. 다음 중 정보통신정책심의위원회의 심의대상 주요정책이 아닌 것은?
- ① 전기통신기본계획
- ② 기술진흥시행계획
- ③ 기간통신사업의 허가
- ④ 전기통신설비의 변경신고
등록된 댓글이 없습니다.
76. 정보통신공사업자 이외의 자가 시공할 수 없는 공사는?
- ① 데이터단말기 설치공사
- ② 구내교환기 설치공사
- ③ 전화기 설치공사
- ④ 아마추어국 무선설비 설치공사
등록된 댓글이 없습니다.
77. 다음 중 정보통신공사업법령에 의한 정보통신공사가 아닌 것은?
- ① 전화국의 수전설비 설치공사
- ② 경부고속철도의 정보통신시스템 설치공사
- ③ 이동통신회사의 기지국과 교환기를 광케이블로 연결하는 공사
- ④ 아파트 지하주차장의 방범을 위한 폐쇄회로 텔레비전(CCTV) 설치공사
등록된 댓글이 없습니다.
78. 다음 중 비트오율을 바르게 설명한 것은?
- ① 통신회선의 중심점과 대지와의 사이에 발생되는 전압
- ② 하나의 전력을 1밀리와트에 대한 대수비로 표시한 것
- ③ 송신된 비트수에 대한 잘못 수신된 비트수의 비율
- ④ 전신부호의 소자의 길이가 늘어나거나 짧아지는 비율
등록된 댓글이 없습니다.
79. 기간통신사업자가 전기통신설비의 설치와 보전시 필요한 토지 등의 일시 사용기간은?
- ① 30일 이내
- ② 3월 이내
- ③ 60일 이내
- ④ 6월 이내
등록된 댓글이 없습니다.
80. 우리나라의 전기통신에 관한 사항의 관장은 누가 하는가?
- ① 대통령
- ② 정보통신부장관
- ③ 한국통신사장
- ④ 전기통신사업자
등록된 댓글이 없습니다.