철도신호기사(2019. 9. 21.) 시험일자 : 2019년 9월 21일
1과목 : 전자공학
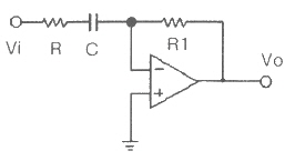
1. 그림과 같은 연산회로에서 전달함수를 구하면?

- ①

- ②

- ③

- ④

등록된 댓글이 없습니다.
2. 적분회로와 미분 회로를 연결한 회로의 출력(Vo)은?

- ① 0
- ②

- ③ Vi
- ④

등록된 댓글이 없습니다.
3. JK 플립플롭에 대한 설명으로 틀린 것은?
- ① J=1, K=0 이면, 출력(Q)은 1 이다.
- ② J=1, K=1 이면, 출력(Q)은 토글 된다.
- ③ J=0, K=1 이면, 출력(Q)은 0 이다.
- ④ J=0, K=0 이면, 출력(Q)은 변한다.
등록된 댓글이 없습니다.
4. 다음 중 그레이 코드(grey code) 10110110을 2진수 코드로 옳게 표시한 것은?
- ① 01101011
- ② 10101101
- ③ 01001100
- ④ 11011011
등록된 댓글이 없습니다.
5. 다음 중 CMRR(Common Mode Rejection Ratio)에 대한 설명으로 틀린 것은?
- ① 으로 정의된다.

- ② 실제의 차동 증폭기의 성능을 평가할 중요한 파라미터이다.
- ③ CMRR는 작을수록 차동 증폭기의 성능이 좋다.
- ④ 이상적인 차동 증폭기에서 출력이 차신호에 비례하므로 동위상 이득은 0이어야 한다.
등록된 댓글이 없습니다.
6. 공통 이미터 접지(CE) 트랜지스터 회로에 있어서 입력신호와 출력신호 간의 위상차는?
- ① 위상차가 없다.
- ② 90도의 위상차가 있다..
- ③ 180도의 위상차가 있다.
- ④ 270도의 위상차가 있다.
등록된 댓글이 없습니다.
7. 상승시간(rise time)은 펄스 높이가 몇 % 에서 몇 % 까지 걸리는 시간인가?
- ① 0 ~ 90%
- ② 10 ~ 90%
- ③ 0 ~ 100%
- ④ 10 ~ 100%
등록된 댓글이 없습니다.
8. 진폭변조는 변조입력에 따라 무엇이 변동되는가?
- ① 변조파의 진폭
- ② 변조파의 주파수
- ③ 반송파의 주파수
- ④ 반송파의 진폭
등록된 댓글이 없습니다.
9. 다음 중 PN 접합 다이오드에서 공핍층이 생기는 원인으로 옳은 것은?
- ① 전자와 정공의 확산에 의해서 생긴다.
- ② (-)전압만 가할 때 생긴다.
- ③ 다수 반송자가 많이 모여 있는 순간 생긴다.
- ④ 전압을 걸지 않을 때 생긴다.
등록된 댓글이 없습니다.
10. 진폭이 12V인 교류의 단상 전파 정류된 전압 평균값은 약 몇 V 인가?
- ① 3.82
- ② 7.64
- ③ 15.28
- ④ 18.84
등록된 댓글이 없습니다.
11. 다음은 어떤 회로의 입출력 관계식이다. 이 회로의 특성와 가장 가까운 필터는?

- ① LPF(Low Pass Filter)
- ② HPF(High Pass Filter)
- ③ BPF(Band Pass Filter)
- ④ BRF(Band Reject Filter)
등록된 댓글이 없습니다.
12. 어떤 2진 카운터를 이용하여 255까지 카운트하려고 할 때, 최소로 필요한 플립플롭의 개수는 몇 개인가?
- ① 2
- ② 4
- ③ 8
- ④ 16
등록된 댓글이 없습니다.
13. 다음 회로에서 제너 다이오드에 흐르는 전류는 몇 A인가? (단, 제너 다이오드의 제너항복전압은 10V이다.)

- ① 0.05
- ② 0.45
- ③ 1.45
- ④ 1.5
등록된 댓글이 없습니다.
14. 공진주파수 f0와 대역폭 BW 및 선택도 Q 사이의 올바른 관계식은?
- ① BW = Q / f0
- ② BW = f0 + Q
- ③ BW = f0 / Q
- ④ BW = f0Q
등록된 댓글이 없습니다.
15. 다음 중 발진회로를 이용하지 않는 것은?
- ① 동기 검파
- ② 다이오드 검파
- ③ 링 변조
- ④ 헤테로다인 검파
등록된 댓글이 없습니다.
16. SR 플립플롭의 두 입력이 모두 “1”일 때 불안정하다는 단점을 해결하기 위한 방법으로, S와 R 모두 “1”이 되지 않게 개선한 것으로 두 개의 입력을 가진 것은?
- ① JK 플립플롭
- ② 시프트레지스터
- ③ D 플립플롭
- ④ 어큐뮬레이터
등록된 댓글이 없습니다.
17. 다음 연산증폭기 회로에서 입력을 Vi인 경우에 출력 Vo는?

- ①

- ②

- ③

- ④

등록된 댓글이 없습니다.
18. 사인파 발진기에 속하는 것은?
- ① LC 발진기
- ② 멀티 바이브레이터
- ③ 블로킹 발진기
- ④ 톱니파 발생기
등록된 댓글이 없습니다.
19. 연산증폭기 응용회로의 종류로 틀린 것은?
- ① 반가산기
- ② 가산 증폭기
- ③ 적분기
- ④ 미분기
등록된 댓글이 없습니다.
20. 다음 중 접합용량이 역바이어스 전압에 따라 변하는 다이오드는?
- ① 제너 다이오드
- ② 터널 다이오드
- ③ 쇼트키 다이오드
- ④ 바렉터 다이오드
등록된 댓글이 없습니다.
2과목 : 회로이론 및 제어공학
21. 그림과 같은 회로의 임피던스 파라미터 Z22는?

- ① Z1
- ② Z2
- ③ Z1 + Z2
- ④

등록된 댓글이 없습니다.
22. 불평형 3상 전압(Va, Vb, Vc) 에 대한 영상분(V0), 정상분(V1), 역상분(V2)을 모두 더하면?
- ① 0
- ② 1
- ③ Va
- ④ Va + 1
등록된 댓글이 없습니다.
23. RC직렬회로에 t=0일 때 직류전압 100V를 인가하면, 0.2초에 흐르는 전류(mA)는? (단, R = 1000Ω, C = 50μF 이고, 커패시터의 초기충전 전하는 없다.)
- ① 1.83
- ② 1.37
- ③ 2.98
- ④ 3.25
등록된 댓글이 없습니다.
24. 2차 선형 시불변 시스템의 전달함수 에서 ωn이 의미하는 것은?
- ① 감쇠계수
- ② 비례계수
- ③ 고유 진동 주파수
- ④ 공진 주파수
등록된 댓글이 없습니다.
25. 그림과 같은 직류회로에서 저항 R(Ω)의 값은?

- ① 10
- ② 20
- ③ 30
- ④ 40
등록된 댓글이 없습니다.
26. 전원과 부하가 모두 Δ결선된 3상 평형 회로에서 선간 전압이 400V, 부하 임피던스가 4 + j3(Ω)인 경우 선전류의 크기는 몇 A 인가?
- ① 80
- ②

- ③

- ④ 80√3
등록된 댓글이 없습니다.
27. R = 50Ω, L = 200 mH 의 직렬회로에서 주파수 50Hz의 교류전원에 의한 역률은 약 몇 % 인가?
- ① 62.3
- ② 72.3
- ③ 82.3
- ④ 92.3
등록된 댓글이 없습니다.
28. 무한장 평행 2선 선로에 주파수 4 MHz의 전압을 가하였을 때 전압의 위상정수는 약 몇 rad/m 인가? (단, 전파속도는 3×108 m/s 이다.)
- ① 0.0634
- ② 0.0734
- ③ 0.0838
- ④ 0.0934
등록된 댓글이 없습니다.
29. 2개의 전력계를 사용하여 3상 평형부하의 역률을 측정하고자 한다. 전력계의 지시 값이 각각 P1, P2 일 때 이 회로의 역률은?
- ①

- ②

- ③

- ④

등록된 댓글이 없습니다.
30. 기본파의 40%인 제3고조파와 20%인 제5고조파를 포함하는 전압의 왜형률은?
- ①

- ②

- ③

- ④

등록된 댓글이 없습니다.
31. 그림과 같은 블록선도의 등가 전달함수는?

- ①

- ②

- ③

- ④

등록된 댓글이 없습니다.
32. 주파수 전달함수가 인 계에서 ω = 0.1 rad/s 때의 이득(dB)과 위상각 θ(deg)는 각각 얼마인가?
- ① 20dB, 90°
- ② 40dB, 90°
- ③ -20dB, -90°
- ④ -40dB, -90°
등록된 댓글이 없습니다.
33. , 인 시스템에서 상태 천이행렬(state transition matrix)을 구하면?
- ①

- ②

- ③

- ④

등록된 댓글이 없습니다.
34. 정상상태 응답특성과 응답의 속응성을 동시에 개선시키는 제어는?
- ① P제어
- ② PI제어
- ③ PD제어
- ④ PID제어
등록된 댓글이 없습니다.
35. z변환을 이용한 샘플 값 제어계가 안정하려면 특성방정식의 근의 위치가 있어야 할 위치는?
- ① z평면의 좌반면
- ② z평면의 우반면
- ③ z평면의 단위원 내부
- ④ z평면의 단위원 외부
등록된 댓글이 없습니다.
36. 특성방정식이 s3+Ks2+2s+K+1=0으로 주어진 제어계가 안정하기 위한 K의 범위는?
- ① K > 0
- ② K > 1
- ③ -1 < K < 1
- ④ K > -1
등록된 댓글이 없습니다.
37. 2차 제어시스템의 특성방정식이 인 경우, s가 서로 다른 2개의 실근을 가졌을 때의 제동 특성은?
- ① 과제동
- ② 무제동
- ③ 부족제동
- ④ 임계제동
등록된 댓글이 없습니다.
38. 자동제어계 구성 중 제어요소에 해당되는 것은?
- ① 검출부
- ② 조절부
- ③ 기준입력
- ④ 제어대상
등록된 댓글이 없습니다.
39. 논리식 를 간소화한 식은?
- ① Z
- ② XZ
- ③ YZ
- ④

등록된 댓글이 없습니다.
40. 에서 근궤적의 수는?
- ① 1
- ② 2
- ③ 3
- ④ 4
등록된 댓글이 없습니다.
3과목 : 신호기기
41. 레일 전위가 50V인 레일의 누설저항이 100Ω·km일 때 누설전류는 몇 A/km인가?
- ① 0.5
- ② 2
- ③ 5
- ④ 20
등록된 댓글이 없습니다.
42. 직류 직권전동기가 전동차에 사용되는 이유는?
- ① 속도가 빠를 때 토크가 크다.
- ② 가변속도이고 토크가 작다.
- ③ 토크가 클 때 속도가 느리다.
- ④ 불변속도이고 기동 토크가 크다.
등록된 댓글이 없습니다.
43. 전동차단기에서 전동기의 클러치 조정은 차단봉 교체시 시행하여야 하며 전동기의 슬립전류는 몇 A 이하로 하여야 하는가?
- ① 5
- ② 6
- ③ 7
- ④ 8
등록된 댓글이 없습니다.
44. 건널목 전동차단기의 동작 제어전압 범위로 옳은 것은?
- ① 정격값의 0.8 ~ 1.1배로 한다.
- ② 정격값의 0.9 ~ 1.2배로 한다.
- ③ 정격값의 1.0 ~ 1.3배로 한다.
- ④ 정격값의 1.1 ~ 1.4배로 한다.
등록된 댓글이 없습니다.
45. 3300V, 60Hz용 변압기의 와류손이 720W이다. 이 변압기를 2750V, 50Hz의 주파수에 사용할 때 와류손(W)은?
- ① 600
- ② 500
- ③ 350
- ④ 250
등록된 댓글이 없습니다.
46. 고압임펄스궤도회로의 설비는 어느 궤도회로의 구성방식인가?
- ① AF식
- ② 코드식
- ③ 단궤조식
- ④ 복궤조식
등록된 댓글이 없습니다.
47. 변압기의 부하가 증가할 때의 현상으로 틀린 것은?
- ① 동손이 증가한다.
- ② 철손이 증가한다.
- ③ 온도가 상승한다.
- ④ 여자 전류는 변함없다.
등록된 댓글이 없습니다.
48. 전력용 반도체 소자 중 사이리스터에 속하지 않는 것은?
- ① SCR
- ② GTO
- ③ Diode
- ④ SSS
등록된 댓글이 없습니다.
49. 회전자 입력 10kW, 슬립 4%인 3상 유도전동기의 2차 동손은 몇 kW 인가?
- ① 0.4
- ② 1.6
- ③ 4.0
- ④ 9.6
등록된 댓글이 없습니다.
50. 열차의 차축에 의하여 궤도회로의 전원을 단락하였을 때 전원장치에 과전류가 흐르는 것을 제한하고 전압을 조정하기 위해서 설치하는 것은?
- ① 점퍼선
- ② 레일본드
- ③ 전원장치
- ④ 한류장치
등록된 댓글이 없습니다.
51. 직류전동기의 회전속도에 관한 설명으로 틀린 것은?
- ① 공급전압이 감소하면 회전속도도 증가한다.
- ② 자속이 증가하면 회전속도도 증가한다.
- ③ 전기자 저항이 증가하면 회전속도는 감소한다.
- ④ 전기자 전류가 증가하면 회전속도는 감소한다.
등록된 댓글이 없습니다.
52. 직류전동기의 속도 제어법에서 정출력 제어에 속하는 것은?
- ① 전압 제어법
- ② 계자 제어법
- ③ 전기자 저항법
- ④ 워드 레오나드 제어법
등록된 댓글이 없습니다.
53. 복선구간 건널목경보장치에서, 바깥쪽 궤도의 중심으로부터 통행인의 정지위치까지의 거리 5m, 선로간격 5m, 자동차길이 15m, 안전확인에 필요한 시간 5초, 건널목횡단속도 5m/s일 때 건널목 횡단에 필요한 시간(초)은?
- ① 10
- ② 11
- ③ 13
- ④ 20
등록된 댓글이 없습니다.
54. 전기 선로전환기의 쇄정장치에 해당되지 않는 것은?
- ① 동작간
- ② 쇄정간
- ③ 쇄정자
- ④ 마찰클러치
등록된 댓글이 없습니다.
55. 다음 그림(도식) 기호의 명칭은?

- ① 삽입형 완방 계전기
- ② 거치형 완동 계전기
- ③ 거치형 유극 계전기
- ④ 삽입형 자기유지 계전기
등록된 댓글이 없습니다.
56. 건널목 전동차단기에 사용하는 계전기의 특성에 관한 설명으로 옳은 것은?
- ① 정격전류 62mA, 접점 수 NR2
- ② 정격전류 92mA, 접점 수 NR2
- ③ 정격전류 62mA, 접점 수 NR3
- ④ 정격전류 92mA, 접점 수 NR3
등록된 댓글이 없습니다.
57. 신호용 계전기 접점에 대한 설명으로 틀린 것은?
- ① C는 공통 접점
- ② N은 정위 또는 여자 접점
- ③ R은 반위 또는 무여자 접점
- ④ N은 가동 접점, C는 고정 접점
등록된 댓글이 없습니다.
58. 교류 NS형 전기선로전환기 장치 내부에 없는 것은?
- ① 제어 계전기
- ② 회로 제어기
- ③ 전철제어 계전기
- ④ 유도 전동기
등록된 댓글이 없습니다.
59. 건널목 단선 궤도회로방식에서 평상시 동작 상태에 있는 계전기가 아닌 것은?
- ① R1
- ② APR
- ③ BPR
- ④ SLR
등록된 댓글이 없습니다.
60. 건널목 제어유니트의 전원부 정격특성 중 균등 충전전압은?
- ① 1.2 V/Cell
- ② 1.6 V/Cell
- ③ 2 V/Cell
- ④ 2.4 V/Cell
등록된 댓글이 없습니다.
4과목 : 신호공학
61. 건널목 지장물검지장치에서 수광기와 발광기 간의 거리 상한치(m)는?
- ① 30
- ② 35
- ③ 40
- ④ 45
등록된 댓글이 없습니다.
62. 열차자동제어장치(ATC)는 속도정보와 열차운행과 관련된 정보를 연속, 불연속으로 전송하기위한 장치이다. 다음 중 불연속으로 전송되는 정보가 아닌 것은?
- ① 실제운행 속도와 허용 속도의 비교 검토 정보 제공
- ② 양방향 운전을 허용하기 위한 운행방향 변경
- ③ 터널 진 출입시 차량 내 기밀장치 동작
- ④ 절대 정지구간 제어
등록된 댓글이 없습니다.
63. 열차운행 진로 내의 선로전환시가 열차 도착 전에 해정될 수 있는 선로전환기를 쇄정시키는데 알맞은 쇄정법은?
- ① 진로구분쇄정
- ② 접근쇄정
- ③ 시간쇄정
- ④ 철사쇄정
등록된 댓글이 없습니다.
64. 신호기의 확인거리로 옳은 것은?
- ① 수신호등 : 600m 이상
- ② 원방신호기 : 200m 이상
- ③ 유도신호기 : 500m 이상
- ④ 진로표시기 : 주신호용 250m 이상
등록된 댓글이 없습니다.
65. 선로전환기의 정ㆍ반위 결정법 중 옳은 것은?
- ① 본선과 측선의 경우 본선 방향이 반위
- ② 탈선 선로전환기는 탈선하는 방향이 반위
- ③ 본선과 안전측선의 경우 본선이 정위
- ④ 본선과 본선의 경우 주요한 방향이 정위
등록된 댓글이 없습니다.
66. 전자연동장치(SSI) 중 신호의 기본연동을 관리하는 컴퓨터 모듈은?
- ① 조작판처리모듈
- ② 다중처리모듈
- ③ 진단모듈
- ④ 선로변기능모듈
등록된 댓글이 없습니다.
67. 자동진로제어장치(PRC)의 진로 제어 구조로 볼 수 없는 것은?
- ① 열차 추적
- ② DIA 관리
- ③ 고장구간 판정
- ④ 진로 제어
등록된 댓글이 없습니다.
68. 궤도회로 기능의 양부를 판단할 목적으로 궤도회로 내의 임의의 레일 사이를 저항으로 단락하여 궤도계전기의 여자상태를 시험하는 것은?
- ① 단락 저항
- ② 단락 감도
- ③ 단락 계수
- ④ 단락 임피던스
등록된 댓글이 없습니다.
69. 고속철도신호 안전설비 차축온도검지장치에 대한 설명으로 거리가 먼 것은?
- ① 차축온도검지장치 설치간격은 40km로 한다.
- ② 차축 검지기는 레일의 내측에 설치한다.
- ③ 차축온도 측정용 센서는 레일의 외측에 설치한다.
- ④ 전자랙은 궤도의 방향에 따라 주소를 정확히 설정한다.
등록된 댓글이 없습니다.
70. 신호용 정류기의 효율시험시 입력전압을 규정값으로 유지하고 출력측을 조정하여 출력전압과 전류를 정격값으로 놓았을 때의 효율(%)의 산출식은?
- ①

- ②

- ③

- ④

등록된 댓글이 없습니다.
71. 장내신호기를 설치할 때 가장 바깥쪽 선로전환기가 열차에 대하여 배향이 되는 경우 또는 선로의 교차가 있을 때 이에 부대하는 차량접촉한계표지에서 몇 m 이상의 간격을 두어야 하는가?
- ① 5
- ② 10
- ③ 30
- ④ 60
등록된 댓글이 없습니다.
72. 폐색취급시간 2분, 선로이용률 0.5, 역 사이의 평균 열차운행시간이 4분일 때 단선구간의 선로용량은?
- ① 120
- ② 220
- ③ 320
- ④ 420
등록된 댓글이 없습니다.
73. ATS 지상자 공진주파수 f0 = 800 Hz, 주파수 밴드폭 BW(Bandwidth) = 200Hz일 경우 ATS 지상자의 선택도는?
- ① 1
- ② 2
- ③ 3
- ④ 4
등록된 댓글이 없습니다.
74. 건널목 보안장치의 경보기와 전동차단기를 병설하고자 한다. 경보기의 설치위치는 내측궤도 중심에서 몇 m 위치에 설치하여야 하는가?
- ① 2.5
- ② 3.5
- ③ 4.0
- ④ 4.5
등록된 댓글이 없습니다.
75. MJ81형 전기선로전환기에서 텅레일 전환에 따른 분기기의 전환력은 몇 daN을 초과하지 않아야 하는가?
- ① 50
- ② 150
- ③ 400
- ④ 600
등록된 댓글이 없습니다.
76. ATS 지상자를 설치할 때 가드 레일과의 간격은 몇 mm 이상 이격하여야 하는가?
- ① 100
- ② 200
- ③ 300
- ④ 400
등록된 댓글이 없습니다.
77. 연동 도표 기재사항으로 거리가 먼 것은?
- ① 출발점 및 도착점의 취급버튼
- ② 접근 또는 보류쇄정
- ③ 신호기 명칭
- ④ 전원공급장치의 종류
등록된 댓글이 없습니다.
78. 경부고속선 분기기에 설치된 MJ81형 전기선로전환기에 관한 내용으로 틀린 것은?
- ① 사용전원은 3상 교류 380V 또는 단상 교류 220V 이다.
- ② 사용전원이 교류 380V 이고 부하가 200kg 일 때 정격전류는 7A 이하이다.
- ③ 최대동정은 260mm 이다.
- ④ 전동기의 절연등급은 F종 절연이다.
등록된 댓글이 없습니다.
79. 고전압 임펄스 궤도회로장치의 구성기기가 아닌 것은?
- ① 임피던스본드
- ② 전압안정기
- ③ 수신기
- ④ 동조유니트
등록된 댓글이 없습니다.
80. 전철 쇄정 계전기를 나타낸 기호는?
- ① WLR
- ② WR
- ③ ZR
- ④ KR
등록된 댓글이 없습니다.