철도신호기사(2007. 9. 2.) 시험일자 : 2007년 9월 2일
1과목 : 전자공학
1. 다음 중 PN 접합 다이오드에서 공핍층이 생기는 원인으로 옳은 것은?
- ① 전자와 정공의 확산에 의해서 생긴다.
- ② (-)전압만 가할 때 생긴다.
- ③ 다수 반송자가 많이 모여 있는 순간 생긴다.
- ④ 전압을 걸지 않을 때 생긴다.
등록된 댓글이 없습니다.
2. 차동 증폭기에서 우수한 차동 특성을 나타낼 수 있는 동상 제거비의 조건으로 옳은 것은?
- ① 클수록 좋다.
- ② 10 미만 이어야 좋다.
- ③ 1 이하 이어야 좋다.
- ④ 0(zero) 이어야 좋다.
등록된 댓글이 없습니다.
3. 반송파 ec=Eccos(wct)이고, 신호파 es=Escos(wst) 일 때 진폭 변조된 피변조파의 진폭 E는?
- ① E = Es + Eccos(wct)
- ② E = Ec + Essin(wst)
- ③

- ④

등록된 댓글이 없습니다.
4. 다음 중 트랜지스터의 베이스 폭을 얇게 하는 이유는 어떤 특성을 좋게 하기 위한 것인가?
- ① 온도특성
- ② 주파수특성
- ③ 잡음특성
- ④ 전도특성
등록된 댓글이 없습니다.
5. JK 플립플롭에 대한 설명으로 틀린 것은?
- ① J=1, K=0 이면, 출력(Q)은 1 이다.
- ② J=1, K=1 이면, 출력(Q)은 토글 된다.
- ③ J=0, K=1 이면, 출력(Q)은 0 이다.
- ④ J=0, K=0 이면, 출력(Q)은 변한다.
등록된 댓글이 없습니다.
6. 부궤환 증폭기의 장점으로 볼 수 없는 것은?
- ① 증폭 동작이 안정된다.
- ② 전력 효율이 개선된다.
- ③ 왜곡이 감소한다.
- ④ 주파수 특성이 개선된다.
등록된 댓글이 없습니다.
7. 다음 회로에서 저항 R의 양단 전압은 몇 V 인가? (단, 저항 R은 1㏀)

- ① 0
- ② 1
- ③ 5
- ④ 100
등록된 댓글이 없습니다.
8. 전압이득이 A인 연산증폭기 회로에서 입력을 Vi라 하면 출력 Vo는?

- ①

- ②

- ③

- ④

등록된 댓글이 없습니다.
9. PN 접합 다이오드에 대한 설명으로 적합하지 않은 것은?
- ① 커패시터 등과 결합하여 교류를 직류로 정류할 수 있다.
- ② 단방향 특성을 갖는다.
- ③ 방향성을 이용해 주로 직류를 교류로, 교류를 직류로 정류하는 데 사용된다.
- ④ PN 접합에 역방향 전압을 가하면 전류가 흐르지 않는다.
등록된 댓글이 없습니다.
10. 어떤 증폭기의 전압이득이 250 인 경우 약 몇 ㏈에 해당 되는 가?
- ① 48㏈
- ② 33㏈
- ③ 24㏈
- ④ 15㏈
등록된 댓글이 없습니다.
11. 다음 중 이상적인 연산증폭기의 특성으로 틀린 것은?
- ① 입력 바이어스 전류는 0(zero) 이다.
- ② 입력저항은 무한대이다.
- ③ 출력저항은 무한대이다.
- ④ 전압이득은 무한대이다.
등록된 댓글이 없습니다.
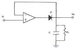
12. 그림과 같은 회로는 어떤 회로인가?

- ① DC 전압플로워
- ② 피크검출기
- ③ 대수증폭기
- ④ 전류-전압변환기
등록된 댓글이 없습니다.
13. 다음 중 아날로그 신호를 디지털 신호로 변환할 때 사용하는 회로는?
- ① 미분회로
- ② 시미트 트리거 회로
- ③ 클램프회로
- ④ 적분회로
등록된 댓글이 없습니다.
14. 다음 중 프로그래머블 논리장치가 아닌 것은?
- ① PROM
- ② PAL
- ③ PLA
- ④ ROM
등록된 댓글이 없습니다.
15. 다음 중 정현파 발진기에 속하지 않는 것은?
- ① 수정발진기
- ② 블로킹발진기
- ③ LC발진기
- ④ CR발진기
등록된 댓글이 없습니다.
16. 다음 중 FM을 AM과 비교할 때 틀린 것은?
- ① 잡음이 적다.
- ② 에코의 영향이 많다.
- ③ 점유 주파수 대역이 넓다.
- ④ 초단파대 통신에 적합하다.
등록된 댓글이 없습니다.
17. 이상형 RC 발진회로의 발진주파수를 표시하는 식은?
- ①

- ②

- ③

- ④

등록된 댓글이 없습니다.
18. 다음 중 스위칭 소자가 갖추어야 할 조건으로 적합한 것은?
- ① 상승시간이 길어야 한다.
- ② 턴-오프 시간이 느려야 한다.
- ③ 축적시간이 길어야 한다.
- ④ 상승속도가 빨라야 한다.
등록된 댓글이 없습니다.
19. 다음 중 LC 발진회로의 주파수 안정도를 높이기 위한 방법으로 적합한 것은?
- ① 바이어스를 걸어준다.
- ② 동조회로의 Q를 높인다.
- ③ 동조회로의 공진주파수를 높인다.
- ④ 동조회로의 R 성분을 키운다.
등록된 댓글이 없습니다.
20. 다음 중 아날로그 변조 방식이 아닌 것은?
- ① 펄스부호변조
- ② 진폭변조
- ③ 위상변조
- ④ 주파수변조
등록된 댓글이 없습니다.
2과목 : 회로이론 및 제어공학
21. △결선된 대칭 3상 부하가 있다. 역률이 0.8(지상)이고, 전소비전력이 1800[W]이다. 한 상의 선로저항이 0.5[Ω]이고 발생하는 전선로손실이 50[W]이면 부하단자의 전압[V]은?
- ① 630
- ② 876
- ③ 300
- ④ 225
등록된 댓글이 없습니다.
22. 파형이 반파 정류파 일 때 파고율은?
- ① 0.5
- ② 2.0
- ③ 1.57
- ④ 1.73
등록된 댓글이 없습니다.
23. RL 직렬회로에 를 가할 때 전류[A]의 실효값은 약 얼마인가? (단, R=4[Ω], wL=1[Ω] 이다.)
- ① 24.2
- ② 26.3
- ③ 28.3
- ④ 30.2
등록된 댓글이 없습니다.
24. 3상 불평형 전압에서 영상전압이 140[V]이고, 정상전압이 600[V], 역상전압이 280[V] 이라면 전압의 불평형율은?
- ① 2.144
- ② 0.566
- ③ 0.466
- ④ 0.233
등록된 댓글이 없습니다.
25. △결선된 3상 회로에서 상전류가 다음과 같을 때 선전류 I1, I2, I3 중에서 그 크기가 가장 큰 것은 몇 [A]인가?

- ① 2.31
- ② 4.0
- ③ 6.93
- ④ 8.0
등록된 댓글이 없습니다.
26. 다음 결합 회로의 4단자 정수 ABCD 파라미터 행렬은?

- ①

- ②

- ③

- ④

등록된 댓글이 없습니다.
27. R=100[Ω], C=30[㎌]의 직렬회로에 f=60[㎐], V=100[V]의 교류전압을 가할 때 전류[A]는 약 얼마인가?
- ① 133.5
- ② 88.4
- ③ 75
- ④ 0.75
등록된 댓글이 없습니다.
28. 무손실 선로에서 단위 길이에 대한 직렬 인덕턴스를 L, 병렬 커패시턴스를 C, 감쇠정수를 α, 위상 정수를 β, 전원의 각 주파수를 ω라 할 때 다음 관계가 성립하는 것은?
- ①

- ②

- ③

- ④

등록된 댓글이 없습니다.
29. 다음 내용 중 옳지 않은 것은?
- ① 회로의 임펄스 응답은 회로도를 알면 결정된다.
- ② 회로의 임펄스 응답과 입력을 알면 출력을 알 수 있다.
- ③ 초기조건에 따라 임펄스 응답이 결정된다.
- ④ 출력은 입력과 초기조건에 따라 결정된다.
등록된 댓글이 없습니다.
30. R-L-C 직렬회로의 과도상태에서 저항의 값이 다음 중 어느 값일 때 진동이 되는가?
- ①

- ②

- ③

- ④

등록된 댓글이 없습니다.
31. 에 대응되는 라플라스 변환함수는?
- ①

- ②

- ③

- ④

등록된 댓글이 없습니다.
32. 의 나이퀴스드 선도를 도시한 것은? (단, K > 0)
- ①

- ②

- ③

- ④

등록된 댓글이 없습니다.
33. 그림의 신호 흐름 선도에서 를 구하면?

- ①

- ②

- ③

- ④

등록된 댓글이 없습니다.
34. 프로세스 제어의 제어량이 아닌 것은?
- ① 물체의 자세
- ② 압력
- ③ 유량
- ④ 온도
등록된 댓글이 없습니다.
35. 다음의 전달함수를 갖는 회로가 진상 보상회로의 특성을 가지려면 그 조건은 어떠한가?

- ① a > b
- ② a < b
- ③ a > 1
- ④ b > 1
등록된 댓글이 없습니다.
36. 다음 방정식으로 표시되는 제어계가 있다. 이 계를 상태방정식 로 나타내면 A는 어떻게 되는가?

- ①

- ②

- ③

- ④

등록된 댓글이 없습니다.
37. 그림과 같은 미분요소에 입력으로 단위계단 함수를 사용하면 출력 파형으로 알맞은 것은?

- ① 임펄스파형
- ② 사인파형
- ③ 삼각파형
- ④ 톱니파형
등록된 댓글이 없습니다.
38. 다음 진리표의 게이트(gate)는?

- ① AND
- ② OR
- ③ NOR
- ④ NAND
등록된 댓글이 없습니다.
39. 그림과 같은 블록선도로 표시되는 제어계는?

- ① 0형
- ② 1형
- ③ 2형
- ④ 3형
등록된 댓글이 없습니다.
40. G(s)H(s)가 다음과 같이 주어지는 부궤환계에서 근궤적 점근선의 실수축과의 교차점은?

- ① -3
- ② -2
- ③ -1
- ④ 0
등록된 댓글이 없습니다.
3과목 : 신호기기
41. 유도 전동기를 기동하여 △를 Y로 전환했을 때 토크는 몇 배가 되는가?
- ① 1/3
- ② 3
- ③ √3
- ④ 1/√3
등록된 댓글이 없습니다.
42. 권선형 유도 전동기의 기동법은?
- ① Y-△기동
- ② 기동보상기에 의한 기동
- ③ 2차 저항기동
- ④ 직입기동
등록된 댓글이 없습니다.
43. 직류전동기에서 보극을 사용하는 가장 적합한 이유는?
- ① 역회전방지
- ② 정류개선
- ③ 섬락방지
- ④ 불꽃방지
등록된 댓글이 없습니다.
44. 변압기의 내부 고장 보호에 쓰이는 계전기는?
- ① O.C.R
- ② 역상계전기
- ③ 접지계전기
- ④ 부흐홀쯔계전기
등록된 댓글이 없습니다.
45. 교류 NS형 전기 전철기에 사용하는 전동기는?
- ① 직류분권 전동기
- ② 교류 3상유도전동기
- ③ 콘덴서 기동형 유도전동기
- ④ 가동복권 전동기
등록된 댓글이 없습니다.
46. 유도 전동기에서 비례추이가 되지 않는 것은?
- ① 효율
- ② 역률
- ③ 전류
- ④ 동기와트
등록된 댓글이 없습니다.
47. 다음 중 건널목 전동차단기에 대한 설명으로 옳은 것은?
- ① 제어전압은 정격값의 0.9~1.2배 이다.
- ② 하강시간은 12초 이하 이다.
- ③ 상승시간은 8±2초 이하 이다.
- ④ 정격전압은 교류 24[V] 이다.
등록된 댓글이 없습니다.
48. 직류 전동기의 속도제어 방법 중 광범위한 속도 제어가 가능하며 운전 효율이 가장 좋은 것은?
- ① 직렬저항제어
- ② 전압제어
- ③ 병렬저항제어
- ④ 계자제어
등록된 댓글이 없습니다.
49. 여자 전류가 끊어진 후 얼마간 시간(시소)이 경과된 후부터 N 접점이 낙하하는 계전기는?
- ① 유극 3위 계전기
- ② 무극선조 계전기
- ③ 완동 계전기
- ④ 완방계전기
등록된 댓글이 없습니다.
50. 출력 3[㎾], 1500[rpm]인 유도전동기의 토크는 약 몇 [㎏ㆍm] 인가?
- ① 4.22
- ② 3.51
- ③ 2.43
- ④ 1.95
등록된 댓글이 없습니다.
51. 8극 60[㎐], 400[㎾], 유도전동기가 있다. 전부하시의 슬립이 2.5[%]인 때 회전수[rpm]는 약 얼마인가?
- ① 977
- ② 877
- ③ 777
- ④ 677
등록된 댓글이 없습니다.
52. 진행신호 현시일 때 ATS-S형의 차상자 발진주파수[㎑]는?
- ① 78
- ② 98
- ③ 105
- ④ 130
등록된 댓글이 없습니다.
53. 변압기의 병렬 운전 조건으로 요구되지 않는 것은?
- ① 임피던스 전압이 같을 것
- ② 극성이 같을 것
- ③ 정격 출력이 같을 것
- ④ 정격 전압과 권수비가 같을 것
등록된 댓글이 없습니다.
54. 건널목 전동차단기에는 어떤 전동기가 주로 사용되는가?
- ① 직류 직권전동기
- ② 직류 분권전동기
- ③ 단상 유도전동기
- ④ 직류 복권전동기
등록된 댓글이 없습니다.
55. 다음 사이리스터 중 3 단자 사이리스터가 아닌 것은?
- ① SCR
- ② LASCR
- ③ GTO
- ④ SCS
등록된 댓글이 없습니다.
56. 임피던스 전압을 걸 때의 입력은?
- ① 정격용량
- ② 철손
- ③ 임피던스 왓트
- ④ 전부하시의 전손실
등록된 댓글이 없습니다.
57. 어떤 변압기의 1차 환산임피던스 Z12=400[Ω]이고, 이것을 2차로 환산하면 Z21=1[Ω]이 된다. 2차 전압이 300[V]이면 1차 전압[V]은?
- ① 4500
- ② 6000
- ③ 7500
- ④ 8000
등록된 댓글이 없습니다.
58. 다음 계전기에서 결선도용 기호의 명칭은?

- ① 삽입형 완방완동
- ② 삽입형 바이어스
- ③ 거치형 완방완동
- ④ 거치형 완방
등록된 댓글이 없습니다.
59. 부하가 변하면 심하게 속도가 변하는 직류 전동기는?
- ① 직권전동기
- ② 분권전동기
- ③ 차동복권전동기
- ④ 가동복권전동기
등록된 댓글이 없습니다.
60. 직류궤도회로에 사용되는 한류장치는 무엇으로 사용하는가?
- ① 리액터
- ② 콘덴서
- ③ 가변저항기
- ④ 코일
등록된 댓글이 없습니다.
4과목 : 신호공학
61. 점제어식 ATS-S형(열차용)에서 지상자가 공진작용을 할 때의 신호현시는?
- ① 진행
- ② 감속
- ③ 주의
- ④ 정지
등록된 댓글이 없습니다.
62. 3현시 구간에서 열차사이의 최소 운전 시격 TR[sec]을 구하는 계산식으로 옳은 것은? (단, B : 폐색구간의 길이[m], L : 열차의 길이[m], C : 신호현시 확인에 요하는 최소 거리[m], t : 선행 열차가 1의 신호기를 통과할 때부터 3의 신호기가 진행신호를 현시할 때 까지의 시간[sec], V : 열차속도[㎞/h] 이다.)
- ①

- ②

- ③

- ④

등록된 댓글이 없습니다.
63. 다음 중 비자동 구간의 장내신호기에 종속하며, 주체 신호기의 운행조건을 예지할 수 있는 신호기로 필요 없는 제동을 방지하여 열차의 원활한 운전에 기여하는 신호기는?
- ① 원방신호기
- ② 엄호신호기
- ③ 폐색신호기
- ④ 입환신호기
등록된 댓글이 없습니다.
64. 그림과 같은 도식기호에 대한 설명으로 옳은 것은?

- ① 진로표시기가 없는 입환신호기
- ② 4번 선로의 입환표지
- ③ 4번으로 상시 개통되는 입환신호기
- ④ 4진로가 있는 진로표시기가 붙은 입환표지
등록된 댓글이 없습니다.
65. 최고 속도 108㎞/h 를 달리는 여객열차의 지상자 제어거리는 최소 약 몇 m 이상인가?
- ① 486
- ② 532
- ③ 584
- ④ 823
등록된 댓글이 없습니다.
66. 전기선로 전환기의 전동기 특성곡선으로 가장 타당한 것은?
- ①

- ②

- ③

- ④

등록된 댓글이 없습니다.
67. 전기 연동장치의 진로조사 계전기 회로에 삽입하지 않는 계전기는?
- ① 전철선별계전기
- ② 정자 및 압구반응계전기
- ③ 전철표시계전기
- ④ 전철제어계전기
등록된 댓글이 없습니다.
68. 연동폐색식에 대한 설명으로 틀린 것은?
- ① 복선과 단선구간에 모두 사용한다.
- ② 폐색장치에는 출발폐색, 진행중, 장내폐색의 3가지 표시등이 있다.
- ③ 신호기와 연동시켜 신호현시와 폐색취급을 단일화 한 방식이다.
- ④ 연동폐색 승인을 요구할 때 전원은 반드시 출발역의 전원에 의해 승인한다.
등록된 댓글이 없습니다.
69. 궤도회로에 2V-1A의 전원을 가했을 때 착전전압이 1.96V인 경우 사리누설저항은 몇 Ω 인가?
- ① 0.4
- ② 0.04
- ③ 4
- ④ 40
등록된 댓글이 없습니다.
70. 진로선별식 전기연동장치에서 신호제어회로의 구비조건으로 틀린 것은?
- ① TR 여자 접점
- ② ASR 무여자 접점
- ③ TLSR 여자 접점
- ④ WLR 무여자 접점
등록된 댓글이 없습니다.
71. 정거장 구내에서 궤도회로의 명칭을 정하는 방법으로 옳은 것은?
- ① 도착선의 궤도회로를 2개소 이상으로 분할하는 경우는 번호 또는 기호 끝에 영문자 A, B, C 를 붙인다.
- ② 도착선의 본선이나 측선인 궤도회로는 역사쪽으로부터 정해진 선로번호로 한다.
- ③ 궤도회로내에 선로전환기가 설비되어 있을 경우에는 그 선로전환기와 다른 번호 또는 기호를 붙인다.
- ④ 궤도회로의 명칭이 정해지면 그 번호와 기기의 끝에 영문자 M 을 붙인다.
등록된 댓글이 없습니다.
72. 궤도회로를 구성할 때는 레일간을 절연하는데 레일간을 절연하는 방법 중 양쪽 레일을 모두 절연하는 방식은?
- ① 단궤조식
- ② 개전로식
- ③ 복궤조식
- ④ 폐전로식
등록된 댓글이 없습니다.
73. 교류 궤도회로의 단락감도 향상을 위한 방법을 설명한 것으로 틀린 것은?
- ① 레일을 용접, 장대 레일화 하여 전압강하를 없앤다.
- ② 송전전압을 증가하고, 한류장치의 저항 또는 리액터를 증가한다.
- ③ 궤도계전기에 병렬로 저항을 삽입하고, 반위접점으로 단락한다.
- ④ 위상을 적당히 하여 열차 단락시의 회전역률을 최대 회전역률에서 이동시킨다.
등록된 댓글이 없습니다.
74. 다음 중 정거장 진입시 운전시격을 단축시키는 방법으로 사용되는 것은?
- ① 도착선의 상호 사용
- ② 사구간 보완회로 구성
- ③ 송전단측의 전압 증대
- ④ 신호현시 감소
등록된 댓글이 없습니다.
75. CTC 운전모드 중 제어권한이 현장 역의 역 조작반에 있어 취급자가 직접 제어를 조작하는 모드는?
- ① Local 모드
- ② Center 모드
- ③ Auto 모드
- ④ LD 모드
등록된 댓글이 없습니다.
76. 3위식 신호기의 5현시 방법으로 옳은 것은?
- ① R, RY, Y, YG, G
- ② R, YY, Y, YG, G
- ③ R, YY, Y, RG, G
- ④ R, WY, Y, WG, G
등록된 댓글이 없습니다.
77. 열차운행관리시스템에서 정보처리장치인 EDP로부터 실시 DIA 를 기본으로 CTC 로부터 입력된 대상 선구내 열차의 운행 정보에 의해 각 열차의 출발시각과 진로 등을 판단하고 CTC를 통해서 해당 열차의 진로를 제어하는 장치는?
- ① DTE
- ② DCE
- ③ PRC
- ④ TTC
등록된 댓글이 없습니다.
78. 전자연동장치를 중앙 레벨(Central level), 현장 레벨(Local level), 선로변 레벨(Trackside level)로 구분할 때 현장 레벨에 속하는 것은?
- ① 역 정보처리장치
- ② 전기선로전환기
- ③ 전기통신 모듈
- ④ 쇄정 취소 스위치
등록된 댓글이 없습니다.
79. 경부고속철도 구간에서 정보전송장치로부터 수신된 불연속 정보를 선로에 따라 포설한 루프코일을 통하여 차상장치로 전송하는 내용이 아닌 것은?
- ① 실제운행 속도와 허용속도의 비교 검토 정보 제공
- ② 양방향 운전을 허용하기 위한 운행방향 변경
- ③ 터널 진출입시 차량내 기밀장치 동작
- ④ 절대 정지구간 제어 및 전차선 절연구간 정보 제공
등록된 댓글이 없습니다.
80. 열차자동운전장치(ATO)의 기능이 아닌 것은?
- ① 지상신호방식
- ② 정속도 운행제어
- ③ 정위치 정지제어
- ④ 감속 제어
등록된 댓글이 없습니다.