철도신호산업기사(2007. 5. 13.) 시험일자 : 2007년 5월 13일
1과목 : 전자공학
1. 전류증폭률 α가 0.95인 트랜지스터의 전류증폭률 β는 얼마인가?
- ① 18
- ② 19
- ③ 29
- ④ 28
등록된 댓글이 없습니다.
2. 다음 그림은 어떤 소자의 등가회로이다. 이 소자의 명칭은 무엇인가?

- ① SCS
- ② SSS
- ③ SCR
- ④ SUS
등록된 댓글이 없습니다.
3. 회로에서 연산 차등증폭기의 출력전압은 몇 V인가? (단, R1=1kΩ, R2=10kΩ, R3=1kΩ, R4=10kΩ, V1=10.5V, V2=10V이다.)

- ① 3
- ② -3
- ③ 5
- ④ -5
ㅇㅇ2023. 7. 15. 02:45삭제
R2/R1(V2-V1)
4. 트랜지스터가 증폭기로 동작하기 위해 어떻게 바이어스 되어야 하는가?
- ① 베이스와 이미터는 순방향 바이어스, 켈렉터와 베이스는 역방향 바이어스
- ② 베이스와 이미터는 순방향 바이어스, 켈렉터와 베이스는 순방향 바이어스
- ③ 베이스와 이미터는 역방향 바이어스, 켈렉터와 베이스는 역방향 바이어스
- ④ 베이스와 이미터는 역방향 바이어스, 켈렉터와 베이스는 순방향 바이어스
등록된 댓글이 없습니다.
5. 바리스터에 대한 설명으로 가장 적합한 것은?
- ① 온도에 따라 전압을 변화시키는 소자
- ② 온도에 따라 저항값이 크게 변하는 소자
- ③ 전류변화에 따라서만 저항값이 변하는 소자
- ④ 가해지는 전압에 따라 저항값이 변하는 소자
등록된 댓글이 없습니다.
6. 다음 중 N형 반도체를 만들기 위한 불순물로 사용되지 않는 원소는?
- ① P
- ② As
- ③ Sb
- ④ Al
등록된 댓글이 없습니다.
7. 다음 검파기 중 SSB검파에 가장 적합한 것은?
- ① 링 검파기
- ② 다이오드 검파기
- ③ 궤드래처 검파가
- ④ 비 검파기
등록된 댓글이 없습니다.
8. 다음 회로는 출력이 제한되는 비교기이다. 입력파형이 정현파로 주어질 때 출력파형으로 가장 적합한 것은? (단, 연산증폭기의 개방상태의 전압이득은 무한대이다.)

- ①

- ②

- ③

- ④

등록된 댓글이 없습니다.
9. 이미터플로어에 대한 설명으로 옳지 않은 것은?
- ① 입력임피던스는 매우 높고 출력임피던스는 낮다.
- ② 전압 이득은 1보다 크다.
- ③ 입력전압과 출력전압의 위상은 동상이다.
- ④ 임피던스 정합용으로 많이 사용된다.
등록된 댓글이 없습니다.
10. 8진수 347(8)을 10진수로 표현하면?
- ① 95
- ② 160
- ③ 191
- ④ 231
등록된 댓글이 없습니다.
11. 단상 반파 정류회로에서 정류기의 이론적 최대효율은 약 몇 %인가?
- ① 20.3
- ② 40.6
- ③ 60.9
- ④ 81.2
등록된 댓글이 없습니다.
12. 전압증폭도가 각각 10, 100인 저주파 증폭기를 직렬로 접속한 경우 종합전압이득은 몇 데시벨[dB]인가?
- ① 60
- ② 70
- ③ 80
- ④ 90
등록된 댓글이 없습니다.
13. 볼 대수를 활용하여 논리식 A(A+B+C)를 간단히 하면?
- ① B+C
- ② A+B+C
- ③ 1
- ④ A
등록된 댓글이 없습니다.
14. 슈머트 틀리거회로에 대한 설명 중 틀린 것은?
- ① 구형파 발생기의 일종이다.
- ② D-A 변환회로에 많이 이용된다.
- ③ 쌍안정 멀티바이브레이터의 일종이다.
- ④ 입력전압이 일정한 값 이상으로 되면 출력펄스가 상승하고, 입력전압이 일정한 값 이하로 되면 출력펄스가 하강(감소)하는 동작 회로이다.
등록된 댓글이 없습니다.
15. 다음의 발진회로에서 23에 L(인덕터)을 연결하였을 때 발진하기 위한 조건으로 가장 적합한 것은?

- ① Z1, Z2 : 용량성
- ② Z1, Z2 : 유도성
- ③ Z1 : 유도성, Z2 : 용량성
- ④ Z1 : 용량성, Z2 : 유도성
등록된 댓글이 없습니다.
16. 송신 전력증폭기에서 A급이 잘 이용되지 않는다. 그 주된 이유로 가장 적합한 것은?
- ① S/N 비가 나쁘기 때문이다.
- ② 주파수 특성이 나쁘기 때문이다.
- ③ 효율이 나쁘기 때문이다.
- ④ 발진주파수가 불안정 하기 때문이다.
등록된 댓글이 없습니다.
17. 멀티바이브레이터에 대한 설명 중 틀린 것은?
- ① 부궤환을 이용한 발진기의 일종이다.
- ② 전원전압이 조금 변해도 발진주파수는 크게 변하지 않는다.
- ③ 계수회로나 구형파 발생회로 등에 사용된다.
- ④ 쌍안정, 단안정, 비안정회로 등으로 구분한다.
등록된 댓글이 없습니다.
18. FM 방식에 대한 설명 중 올바르지 않은 것은?
- ① AM 방식에 비해 주파수 대역폭이 넓다.
- ② 신호입력에 따라 반송파 주파수가 변한다.
- ③ 일반적으로 신호대 잡음비를 개선하기 위해 수신기에 프리엠퍼시스 회로를 사용한다.
- ④ 변조지수가 1보다 클 경우 AM 방식에 비해 수신 잡음 개선율이 높다.
등록된 댓글이 없습니다.
19. 다음 그림은 어떤 파형을 발생하기 위한 회로이다. 이 회로의 명칭은?

- ① 미분기
- ② 적분기
- ③ 가산기
- ④ 비교기
등록된 댓글이 없습니다.
20. 펄스의 평균전력이 5W일 때 펄스의 첨주전력은 몇 W인가? (단, 펄스의 주파수는 100Hz, 펄스의 폭은 2ms 이다.)
- ① 5
- ② 10
- ③ 20
- ④ 25
dd2023. 7. 15. 02:51삭제
첨두전력= 주파수*평균전력/폭
2과목 : 신호기기
21. 75kVA, 6000/200V의 단상변압기의 % 임피던스 강하가 4%이다. 2차 단락전류는 몇 A인가?
- ① 312.5
- ② 412.5
- ③ 512.5
- ④ 621.7
신호가자2021. 7. 15. 23:46삭제
Is = 100/%Z * In
22. 3상 유도전등기의 원선도를 그리는데 필요하지 않은 시험은?
- ① 슬립측정
- ② 구속시험
- ③ 무부하시험
- ④ 저항측정
등록된 댓글이 없습니다.
23. 주파수 60Hz의 유도 전동기가 있다. 전부하에서의 회전수가 매분 1164회이면 극 수는 어떻게 되는가? (단, 슬립은 3%이다.)
- ① 6
- ② 8
- ③ 12
- ④ 16
신호가자2021. 7. 16. 00:09삭제
N=120F/P*(1-S)
24. 맥동 주파수가 가장 많고 맥동률이 가장 적은 정류방식은?
- ① 3상 전파 정류
- ② 3상 반파 정류
- ③ 단상 전파 정류
- ④ 단상 반파 정류
등록된 댓글이 없습니다.
25. 진로선별 계전기는 선로전환기의 어디에 설치 하는가?
- ① 반위배향
- ② 정위배향
- ③ 정위대향
- ④ 반위대향
등록된 댓글이 없습니다.
26. 변압기의 누설리액턴스를 줄이는 가장 효과적인 방법은 어느 것인가?
- ① 권선을 분할하여 조립한다.
- ② 권선을 동심 배치한다.
- ③ 철심의 단면적을 크게 한다.
- ④ 코일의 단면적을 크게 한다.
등록된 댓글이 없습니다.
27. NS형 전기선로전환기의 전동기는 어느 것을 사용하는 것이 가장 좋은가?
- ① 직권전동기
- ② 비동기모터
- ③ 동기모터
- ④ 콘덴서 기동형 단상유도전동기
등록된 댓글이 없습니다.
28. 건널목 전동차단기에 사용하는 전동기로서 가장 많이 사용하는 전동기는?
- ① 직류직권전동기
- ② 직류분권전동기
- ③ 직류가동복권전동기
- ④ 직류차동복권전동기
등록된 댓글이 없습니다.
29. 21PNR은 계전기의 기호이다. 여기에서 P는 무엇을 의미하는가?
- ① 신호기명칭
- ② 선로전환기 번호
- ③ 진로방향
- ④ 선로전환기(Point)
등록된 댓글이 없습니다.
30. 전기 전철기에서 감속기어 장치에 해당하지 않는 것은?
- ① 마찰클러치
- ② 중간기어
- ③ 쇄정자
- ④ 전환기어
등록된 댓글이 없습니다.
31. 변압기의 여자전류에 가장 많이 포함된 고조파는?
- ① 제2고조파
- ② 제3고조파
- ③ 제4고조파
- ④ 제5고조파
등록된 댓글이 없습니다.
32. 직류기 정류 작용에서 전압 정류의 역할을 하는 것은?
- ① 보상권선
- ② 보극
- ③ 탄소브러시
- ④ 전기자
등록된 댓글이 없습니다.
33. 전기자 반작용이 보상되지 않는 이유는 무엇인가?
- ① 계차 기지력 증대
- ② 보극 권선 설치
- ③ 전기자 전류감소
- ④ 보상 권선 설치
등록된 댓글이 없습니다.
34. 다음 중 직류전동기에서 사용하는 속도제어 방법이 아닌 것은?
- ① 저항제어법
- ② 계자제어법
- ③ 전압제어법
- ④ 2차여자법
등록된 댓글이 없습니다.
35. 출력 3kW, 1500rpm인 전동기의 토크는 약 몇 kg·m인가?
- ① 2
- ② 3
- ③ 6
- ④ 10
등록된 댓글이 없습니다.
36. 다음 중 3단자 사이리스터가 아닌 것은?
- ① TRIAC
- ② SCR
- ③ GTO
- ④ SCS
등록된 댓글이 없습니다.
37. 무부하 전압 250V, 정격전압 210V인 발전기의 전압 변동을 약 몇 %인가?
- ① 16
- ② 17
- ③ 19
- ④ 22
등록된 댓글이 없습니다.
38. 한류 장치는 직류궤도 회로에서는 가변저항기가 사용되고 있고 교류 궤도 회로에서는 무엇이 사용되고 있는가?
- ① 레일본드
- ② 리액터
- ③ 축전지
- ④ 계전기
등록된 댓글이 없습니다.
39. 사이리스터의 게이트 신호제어는 무엇을 변화시키는 것인가?
- ① 위상각
- ② 전류
- ③ 주파수
- ④ 전압
등록된 댓글이 없습니다.
40. 3상 변압기의 병렬운전이 불가능한 것은?
- ① △-△와 △-△
- ② △-△와 △-Y
- ③ △-Y와 Y-△
- ④ Y-△와 Y-△
등록된 댓글이 없습니다.
3과목 : 신호공학
41. 수도권 CTC 구간에서 폐색신호기의 진행신호현시 중 주필라멘트가 단선되었다면 신호현시는?
- ① G현시
- ② YG현시
- ③ Y현시
- ④ R현시
등록된 댓글이 없습니다.
42. 궤도회로의 어느 한 곳으로부터 떨어진 동극성의 다른 레일 상호간을 접속한 전선을 무엇이라 하는가?
- ① 신호선
- ② 레일본드
- ③ 점퍼선
- ④ 임피던스본드
등록된 댓글이 없습니다.
43. 철도신호 전용 변압기의 고압측 1측지락전류의 값이 150A일 때, 일반적인 경우의 접지저항은 몇 Ω이하로 유지하여야 하는가? (단, 일반적인 경우라 함은 고압측과 저압측의 혼측 등은 고려하지 않는 것을 말한다.)
- ① 1
- ② 5
- ③ 10
- ④ 50
등록된 댓글이 없습니다.
44. 연동장치에서 해당 진로상의 각 선로전환기가 정해진 방향으로 개통되어 있는가를 조사하는 회로는?
- ① 진로선별계전기회로
- ② 진로조사계전기회로
- ③ 전철제어계전기회로
- ④ 진로쇄정계전기회로
등록된 댓글이 없습니다.
45. 계전연동장치에 사용되는 21WLR 계전기의 명칭은?
- ① 선로전환기 21호의 전철표시계전기
- ② 선로전환기 21호의 정위 전철표시반응계전기
- ③ 선로전환기 21호의 쇄정하는 전철쇄정계전기
- ④ 선로전환기 21호의 제어하는 전철제어계전기
등록된 댓글이 없습니다.
46. AF 궤도회로에서 임피던스본드와 기계실간에 설치된 케이블의 정전용량을 보상하는 역할을 하는 것은?
- ① 송신기
- ② 수신기
- ③ 분류기
- ④ 동조유니트
등록된 댓글이 없습니다.
47. 복선구간에만 채용되는 폐색방식은?
- ① 동표 폐색식
- ② 차내 신호 폐색식
- ③ 자동 폐색식
- ④ 연동 폐색식
등록된 댓글이 없습니다.
48. 단선제어자방식 건널목 경보제어회로에 대한 설명 중 틀린 것은?
- ① 2420 구간에 열차기 있으면 경보한다.
- ② 2420 구간에 열차기 있으면 SR이 복귀된다.
- ③ 2420 구간에 열차기 있을 때는 경보하지 않는다.
- ④ 2420 구간에 잠파선이 단선되면 계속 경보한다.
등록된 댓글이 없습니다.
49. 열차자동제어장치의 약호에 해당되는 것은?
- ① ATS
- ② ATC
- ③ ABS
- ④ ARC
등록된 댓글이 없습니다.
50. 고전압 임펄스 궤도회로에 대한 설명으로 틀린 것은?
- ① 전차선의 귀선전류는 레일을 통하여 변전소로 흘러 보낸다.
- ② 전차선과 팬터그래프와의 이선, 낙뢰 등의 발생으로 이상전압 유기시 절언내력이 극히 작다.
- ③ 신호전류는 임피던스본드에서 차단한다.
- ④ 비전철구간에서도 사용이 가능하다.
등록된 댓글이 없습니다.
51. 무절연 궤도회로방식은 궤조절연을 사용하지 않고 직접 레일에 주파수를 흘려 궤도 임계점에서 상호 주파수에 대한 어떤 회로를 이용한 궤도회로인가?
- ① 정합회로
- ② 발진회로
- ③ 정류회로
- ④ 공진회로
등록된 댓글이 없습니다.
52. 다음 중 궤도계전기에 대한 설명으로 틀린 것은?
- ① 궤도계전기는 여자전류가 다소 변동하더라도 확실히 여자되어야 한다.
- ② 궤도계전기의 동작전류가 커야 동작이 확실하며, 손실이 없게 된다.
- ③ 궤도계전기 제어구간의 길이는 가급적 긴 것이 바람직하다.
- ④ 소비전력이 적은 궤도계전기가 바람직하다.
등록된 댓글이 없습니다.
53. 정거장 구내에서 신호기에 대한 절연 위치는?
- ① 신호기 외방 6m 이내
- ② 신호기 외방 12m 이내
- ③ 신호기 내방 6m 이내
- ④ 신호기 내방 12m 이내
등록된 댓글이 없습니다.
54. 다음 중 안전축 동작(Fail safe)을 좌상으로 고려한 회로는?
- ①

- ②

- ③

- ④

등록된 댓글이 없습니다.
55. 신호기를 현시별로 분류할 때 신호기의 현시를 중지, 진행 또는 주의, 진행으로 점등하여 주는 것은?
- ① 1위식 신호기
- ② 2위식 신호기
- ③ 3위식 신호기
- ④ 4위식 신호기
등록된 댓글이 없습니다.
56. 어느 직류 궤도회로의 송전전압이 1.6V, 착전전압이 0.9V이었다. 계전기의 단자전압을 0.6V로 정하고자 하면 몇 Ω의 저항을 송전단에 삽입하여야 하는가? (단, 이 때의 송전전류는 0.2A이다.)
- ① 1.4
- ② 3
- ③ 3.5
- ④ 8
등록된 댓글이 없습니다.
57. CTC 장치에서 현장 역의 각종 데이터를 수집해서 중앙으로 정보를 전송해 주는 장치는?
- ① SSC
- ② PRC
- ③ CDTS
- ④ LDTS
등록된 댓글이 없습니다.
58. 다음 중 장내신호기 접근쇄정의 해정시분은?
- ① 30초 ± 10%
- ② 60초 ± 10%
- ③ 90초 ± 10%
- ④ 120초 ± 10%
등록된 댓글이 없습니다.
59. 복선 자동폐색구간의 부본선에 설치된 장내신호기의 정위로 맞는 것은?
- ① 진행신호 현시
- ② 주의신호 현시
- ③ 정지신호 현시
- ④ 소등신호 현시
등록된 댓글이 없습니다.
60. 고속철도 신호설비에서 매칭유니트(Matching Unit)가 하는 역할로 옳은 것은?
- ① 궤도와 UN71 궤도회로장치의 송신기나 수신기사이의 임피던스를 정합시킨다.
- ② 궤도와 UN71 궤도회로장치 선로의 인덕턴스 효과를 제한시킨다.
- ③ 궤도와 UN71 궤도회로장치 선로의 동조회로에 대한 특성계수를 개선시킨다.
- ④ 궤도와 UN71 궤도회로장치의 송신기 및 수신기의 전압을 일정하게 보상하고 주파수를 놀게 해 준다.
등록된 댓글이 없습니다.
4과목 : 회로이론
61. 다음 중 테브난의 정리와 쌍대의 관계가 있는 것은?
- ① 일만의 정리
- ② 중첩의 원리
- ③ 노튼의 정리
- ④ 보상의 정리
등록된 댓글이 없습니다.
62. 전원과 부하가 다 같이 △결선된 3상 평형 회로가 있다. 전원 전압이 200V, 부하 임피던스가 6+j8Ω인 경우 선전류는 몇 A인가?
- ① 20
- ② 20/√3
- ③ 20√3
- ④ 10√3
등록된 댓글이 없습니다.
63. 정현파 교류의 실효값을 구하는 식이 잘못된 것은?
- ①

- ② 파고율×평균치
- ③ 최대치/√2
- ④

등록된 댓글이 없습니다.
64. 2개의 교류 전압 V1=100 sin(377t+π/6)[V]와 V2=100√2 sin(377t+π/3)[V]가 있다. 옳게 표시된 것은?
- ① V1과 V2의 주기는 모두 1/60[sec]이다.
- ② V1과 V2의 주파수는 377[Hz]이다.
- ③ V1과 V2는 동삼이다.
- ④ V1과 V2의 실효값은 100[V], 100√2[V]이다.
등록된 댓글이 없습니다.
65. R= 10Ω, L=0.045H의 직렬 회로에 실효값 140V, 주파수 25Hz의 정현파 교류전압을 가했을 때 임피던스[Ω]의 크기는 얼마인가?
- ① 17.25
- ② 15.31
- ③ 12.25
- ④ 10.41
등록된 댓글이 없습니다.
66. 그림의 사다리꼴 회로에서 출력전압 VL은 몇 V인가?

- ① 2
- ② 3
- ③ 4
- ④ 6
등록된 댓글이 없습니다.
67. 그림 ab간에 40V의 전압을 가할 떄 10A의 전류가 흐른다. r1 및 r2에 흐르는 전류비를 1:2로 하려면 r1 및 r2의 저항 [Ω]은 각각 얼마인가?

- ① r1=6, r2=3
- ② r1=3, r2=6
- ③ r1=4, r2=2
- ④ r1=2, r2=4
등록된 댓글이 없습니다.
68. 파고율의 관계식이 바르게 표시된 것은?
- ① 최대값/실효값
- ② 실효값/최대값
- ③ 평균값/실효값
- ④ 실효값/평균값
등록된 댓글이 없습니다.
69. 주기적인 구형파 신호의 성분은 어떻게 되는가?
- ① 성분 분석이 불가능하다.
- ② 직류분만으로 합성된다.
- ③ 무수히 많은 주파수의 함성이다.
- ④ 교류 합성을 갖지 않는다.
등록된 댓글이 없습니다.
70. 비사인파의 실효값은 어떻게 되는가?
- ① 각 고조파의 실효값의 합
- ② 각 고조파의 실효값 제곱의 합의 제곱근
- ③ 기본파의 3고조파 성분의 합
- ④ 각 고조파의 실효값의 합의 평균
등록된 댓글이 없습니다.
71. 봉평형 3상전류 Ia=10 + j2[A], Ib=-20 -j24[A], Ic=-5 + j10[A] 일 때 영상전류 Io값은 얼마인가?
- ① 15 + j2[A]
- ② -5 - j4[A]
- ③ -15 - j12[A]
- ④ -45 - j36[A]
등록된 댓글이 없습니다.
72. 이상적인 변압기로 구성된 4단자 회로에서 정수 D를 구하면?

- ① 1
- ② 0
- ③ n
- ④ 1/n
등록된 댓글이 없습니다.
73. 회로에서 단자 1-1‘에서 본 구동점 임피던스 Z11은 몇 Ω인가?

- ① 5
- ② 8
- ③ 10
- ④ 15
등록된 댓글이 없습니다.
74. 에서 모든 초기조건을 0으로 하고 라플라스 변환하면 어떻게 되는가?
- ①

- ②

- ③

- ④

등록된 댓글이 없습니다.
75. 일 때 f(t)의 최종값은?
- ① 0
- ② 1
- ③ 2
- ④ 3
등록된 댓글이 없습니다.
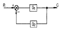
76. 그림과 같은 피드백 회로의 전달함수는?

- ①

- ②

- ③

- ④

등록된 댓글이 없습니다.
77. R-C직렬회로의 시정수는 RC이다. 시정수의 단위는 어떻게 되는가?
- ① Ω
- ② Ω㎌
- ③ sec
- ④ Ω/F
등록된 댓글이 없습니다.
78. R-L-C 직렬회로에서 L=0.1×10-3[H], R=100[Ω], C=0.1×10-6[F]일 때 이 회로는?
- ① 비진동적이다.
- ② 진동적이다.
- ③ 정현파로 진동한다.
- ④ 진동과 비진동을 반복한다.
등록된 댓글이 없습니다.
79. 회로방정식의 특성근과 회로의 시정수에 대하여 바르게 서술된 것은?
- ① 특성근과 시정수는 같다.
- ② 특성근이 역(逆)과 회로의 시정수는 같다.
- ③ 특성근의 절대값의 역과 회로의 시정수는 같다.
- ④ 특성근과 회로의 시정수는 서로 상관되지 않는다.
등록된 댓글이 없습니다.
80. 어느 3상 회로의 선간전압을 측정하니 Va=12[V], Vb=-60-j80[V], Vc=-60+j80[V]이었다. 불평형률[%]은?
- ① 13
- ② 27
- ③ 34
- ④ 41
등록된 댓글이 없습니다.