가스산업기사(2015. 9. 19.) 시험일자 : 2015년 9월 19일
1과목 : 연소공학
1. 고압가스설비의 퍼지(purging)방법 중 한 쪽 개구부에 퍼지가스를 가하고 다른 개구부로 혼합가스를 대기 또는 스크러버로 빼내는 공정은?
- ① 진공퍼지(vacuum purging)
- ② 압력퍼지(pressure purging)
- ③ 사이폰퍼지(siphon purging)
- ④ 스위프퍼지(sweep-through pursing)
등록된 댓글이 없습니다.
2. 메탄(CH4)에 대한 설명으로 옳은 것은?
- ① 고온에서 수증기와 작용하면 일산화탄소와 수소를 생성 한다.
- ② 공기 중 메탄성분이 60% 정도 함유되어 있는 혼합기체는 점화되면 폭발한다.
- ③ 부취제와 메탄을 혼합하면 서로 반응한다.
- ④ 조연성가스로서 유기화합물을 연소시킬 때 발생한다.
등록된 댓글이 없습니다.
3. 다음 중 산소 공급원이 아닌 것은?
- ① 공기
- ② 산화제
- ③ 환원제
- ④ 자기연소성 물질
등록된 댓글이 없습니다.
4. 연소에 대한 설명으로 옳지 않은 것은?
- ① 착화온도는 인화온도보다 항상 낮다.
- ② 인화온도가 낮을수록 위험성이 크다.
- ③ 착화온도는 물질의 종류에 따라 다르다.
- ④ 기체의 착화온도는 산소의 함유량에 따라 달라진다.
등록된 댓글이 없습니다.
5. 메탄(CH4)의 기체 비중은 약 얼마인가?
- ① 0.55
- ② 0.65
- ③ 0.75
- ④ 0.85
등록된 댓글이 없습니다.
6. 상온, 상압에서 프로판-공기의 가연성 혼합기체를 완전연소시킬 때 프로판 1kg을 연소시키기 위하여 공기는 약 몇 kg이 필요한가? (단, 공기 중 산소는 23.15wt%이다.)
- ① 13.6
- ② 15.7
- ③ 17.3
- ④ 19.2
해설2022. 6. 24. 21:41삭제
https://ywpop.tistory.com/21610
7. 다음 중 폭발 범위가 가장 좁은 것은?
- ① 이황화탄소
- ② 부탄
- ③ 프로판
- ④ 시안화수소
등록된 댓글이 없습니다.
8. 1atm, 27℃의 밀폐된 용기에 프로판과 산소가 1 : 5 부피비로 혼합되어 있다. 프로판이 완전연소하여 화염의 온도가 1000℃가 되었다면 용기 내에 발생하는 압력은?
- ① 1.95atm
- ② 2.95atm
- ③ 3.95atm
- ④ 4.95 atm
해설2022. 6. 25. 09:37삭제
https://ywpop.tistory.com/21612
9. LPG 저장탱크의 배관이 파손되어 가스로 인한 화재가 발생하였을 때 안전관리자가 긴급차단장치를 조작하여 LPG 저장탱크로 부터의 LPG 공급을 차단하여 소화하는 방법은?
- ① 질식소화
- ② 억제소화
- ③ 냉각소화
- ④ 제거소화
등록된 댓글이 없습니다.
10. 어떤 기체가 168kJ의 열을 흡수하면서 동시에 외부로부터 20kJ의 열을 받으면 내부에너지의 변화는 약 얼마인가?
- ① 20kJ
- ② 148kJ
- ③ 168kJ
- ④ 188 kJ
등록된 댓글이 없습니다.
11. 프로판(C3H8)가스 1Sm3를 완전연소시켰을 대의 건조 연소가스량은 약 몇 Sm3인가? (단, 공기 중 산소의 농도는 21 vol%이다.)
- ① 19.8
- ② 21.8
- ③ 23.8
- ④ 25.8
등록된 댓글이 없습니다.
12. 연소로(燃燒爐) 내의 폭발에 의한 과압을 안전하게 방출 시켜 노의 파손에 의한 피해를 최소화하기 위해 폭연벤트 (deflagration vent)를 설치한다. 이에 대한 설명으로 옳지 않은 것은?
- ① 가능한 한 곡절부에 설치한다.
- ② 과압으로 손쉽게 열리는 구조로 한다.
- ③ 과압을 안전한 방향으로 방출시킬 수 있는 장소를 선택 한다.
- ④ 크기와 수량은 노의 구조와 규모 등에 의해 결정한다.
등록된 댓글이 없습니다.
13. 가연물의 위험성에 대한 설명으로 틀린 것은?
- ① 비등점이 낮으면 인화의 위험성이 높아진다.
- ② 파라핀 등 가연성 고체는 화제 시 가연성 액체가 되어 화재를 확대한다.
- ③ 물과 혼합되기 쉬운 가연성 액체는 물과 혼합되면 증기압이 높아져 인화점이 낮아진다.
- ④ 전기전도도가 낮은 인화성 액체는 유동이나 여과 시 정전기를 발생하기 쉽다.
등록된 댓글이 없습니다.
14. 연소에 대한 설명으로 옳지 않은 것은?
- ① 열, 빛을 동반하는 발열반응이다.
- ② 반응에 의해 발생하는 열에너지가 반자발적으로 반응이 계속되는 현상이다.
- ③ 활성물질에 의해 자발적으로 반응이 계속되는 현상이다.
- ④ 분자 내 반응에 의해 열에너지를 발생하는 발열 분해 반응도 연소의 범주에 속한다.
등록된 댓글이 없습니다.
15. 용기 내부에 공기 또는 불활성가스 등의 보호가스를 압입하여 용기 내의 압력이 유지됨으로써 외부로부터 폭발성가스 또는 증기가 침입하지 못하도록 한 방폭구조는?
- ① 내압방폭구조
- ② 압력방폭구조
- ③ 유입방폭구조
- ④ 안전증방폭구조
등록된 댓글이 없습니다.
16. 공기와 연료의 혼합기체의 표시에 대한 설명 중 옳은 것은?
- ① 공기비(excess air ratio)는 연공비의 역수와 같다.
- ② 연공비(fuel air ratio)라 함은 가연 혼합기중의 공기와 연료의 질량비로 정의된다.
- ③ 공연비(air fuel ratio)라 함은 가연 혼합기중의 연료와 공기의 질량비로 정의된다.
- ④ 당량비(equivalence ratio)는 이론 연공비 대비 실제연공 비로 정의한다.
등록된 댓글이 없습니다.
17. 석탄이나 목재가 연소 초기에 화염을 내면서 연소하는 형태는?
- ① 표면연소
- ② 분해연소
- ③ 증발연소
- ④ 확산연소
등록된 댓글이 없습니다.
18. 연소가스량 10Nm3/kg, 비열 0.325kcal/Nm3·℃인 어떤 연료의 저위 발열량이 6700kcal/kg이었다면 이론 연소온도는 약 몇 ℃인가?
- ① 1962℃
- ② 2062℃
- ③ 2162℃
- ④ 2262 ℃
등록된 댓글이 없습니다.
19. 자연발화(自然發火)의 원인으로 옳지 않은 것은?
- ① 건초의 발효열
- ② 활성탄의 흡수열
- ③ 셀룰로이드의 분해열
- ④ 불포화유지의 산화열
등록된 댓글이 없습니다.
20. 발화지연시간(Ignition delay time)에 영향을 주는 요인으로 가장 거리가 먼 것은?
- ① 온도
- ② 압력
- ③ 폭발하한 값
- ④ 가연성가스의 농도
등록된 댓글이 없습니다.
2과목 : 가스설비
21. 20kg 용기(내용적 47L)를 3.1MPa 수압으로 내압시험 결과 내용적이 47.8L로 증가하였다. 영구(항구) 증가율은 얼마인가? (단, 압력을 제거하였을 때 내용적은 47.1L 이었다.)
- ① 8.3%
- ② 9.7%
- ③ 11.4%
- ④ 12.5%
등록된 댓글이 없습니다.
22. LiBr - H2O 계 흡수식 냉동기에서 가열원으로서 가스가 사용되는 곳은?
- ① 증발기
- ② 흡수기
- ③ 재생기
- ④ 응축기
등록된 댓글이 없습니다.
23. 용기내장형 LP가스 난방기용 압력조정기에 사용되는 다이어프램의 물성시험에 대한 설명으로 틀린 것은?
- ① 인장강도는 12MPa 이상인 것으로 한다.
- ② 인장응력은 3.0MPa 이상인 것으로 한다.
- ③ 신장영구 늘음율은 20% 이하인 것으로 한다.
- ④ 압축영구 줄음율은 30% 이하인 것으로 한다.
등록된 댓글이 없습니다.
24. 배관의 부식과 그 방지에 대한 설명으로 옳은 것은?
- ① 매설되어 있는 배관에 있어서 일반적인 강관이 주철관보다 내식성이 좋다.
- ② 구상흑연 주철관의 인장강도는 강관과 거의 같지만 내식성은 강관보다 나쁘다.
- ③ 전식이란 땅속으로 흐르는 전류가 배관으로 흘러 들어간 부분에 일어나는 전기적인 부식을 한다.
- ④ 전식은 일반적으로 천공성 부식이 많다.
등록된 댓글이 없습니다.
25. 안지름 10㎝의 파이프를 플랜지에 접속하였다. 이 파이프 내에 40kgf/cm2의 압력으로 볼트 1개에 걸리는 힘을 300kgf/cm2이하로 하고자 할 때 볼트의 수는 최소 몇 개 필요한가?
- ① 7개
- ② 11개
- ③ 15개
- ④ 19개
등록된 댓글이 없습니다.
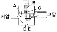
26. 다음 [그림]은 압력조정기의 기본 구조이다. 옳은 것으로만 나열된 것은?

- ① A : 다이아프램, B : 안전장치용 스프링
- ② B : 안전장치용 스프링, C : 압력조정용 스프링
- ③ C : 압력조정용 스프링, D : 레버
- ④ D : 레버, E : 감압실
등록된 댓글이 없습니다.
27. 구형저장 탱크의 특징이 아닌 것은?
- ① 모양이 아름답다.
- ② 기초구조를 간단하게 할 수 있다.
- ③ 동일 용량, 동일 압력의 경우 원통형 탱크보다 두께가 두껍다.
- ④ 표면적이 다른 탱크보다 적으며 강도가 높다.
등록된 댓글이 없습니다.
28. 다음 보기의 특징을 가진 오토클레이브는?

- ① 교반형
- ② 진탕형
- ③ 회전형
- ④ 가스교반형
등록된 댓글이 없습니다.
29. 도시가스 정압기의 일반적인 설치 위치는?
- ① 입구밸브와 필터사이
- ② 필터와 출구밸브사이
- ③ 차단용 바이패스 밸브 앞
- ④ 유량조절용 바이패스 밸브 앞
등록된 댓글이 없습니다.
30. 도시가스 공급방식에 의한 분류방법 중 저압공급 방식이란 어떤 압력을 뜻하는가?
- ① 0.1MPa 미만
- ② 0.5MPa 미만
- ③ 1MPa 미만
- ④ 0.1MPa 이상 1MPa미만
등록된 댓글이 없습니다.
31. 도시가스 제조공정 중 가열방식에 의한 분류로 원료에 소량의 공기와 산소를 혼합하여 가스발생의 반응기에 넣어 원료의 일부를 연소시켜 그 열을 열원으로 이용하는 방식은?
- ① 지열식
- ② 부분연소식
- ③ 축열식
- ④ 외열식
등록된 댓글이 없습니다.
32. 정압기의 유량특성에서 메인밸브의 열림(스트로그 리프트)과 유량의 관계를 말하는 유량특성에 해당되지 않는 것은?
- ① 직선형
- ② 2차형
- ③ 3차형
- ④ 평방근형
등록된 댓글이 없습니다.
33. 배관 설비에 있어서 유속을 5m/s, 유량을 20m3/s 이라고 할 때 관경의 직경은?
- ① 175㎝
- ② 200㎝
- ③ 225㎝
- ④ 250㎝
등록된 댓글이 없습니다.
34. 정류(Rectification)에 대한 설명으로 틀린 것은?
- ① 비점이 비슷한 혼합물의 분리에 효과적이다.
- ② 상층의 온도는 하층의 온도보다 높다.
- ③ 환류비를 크게 하면 제품의 순도는 좋아진다.
- ④ 포종탑에서는 액량이 거의 일정하므로 접촉효과가 우수 하다.
등록된 댓글이 없습니다.
35. 시안화수소를 용기에 충전하는 경우 품질검사 시 합격 최저 순도는?
- ① 98%
- ② 98.5%
- ③ 99%
- ④ 99.5%
등록된 댓글이 없습니다.
36. 왕복식 압축기의 특징에 대한 설명으로 틀린 것은?
- ① 기체의 비중에 영향이 없다.
- ② 압축하면 맥동이 생기기 쉽다.
- ③ 원심형이어서 압축 효율이 낮다.
- ④ 토출압력에 의한 용량 변화가 적다.
등록된 댓글이 없습니다.
37. 고온, 고압 장치의 가스배관 플렌지 부분에서 수소가스가 누출되기 시작하였다. 누출원인으로 가장 거리가 먼 것은?
- ① 재료 부품이 적당하지 않았다.
- ② 수소 취성에 의한 균열이 발생하였다.
- ③ 플렌지 부분의 가스켓이 불량하였다.
- ④ 온도의 상승으로 이상 압력이 되었다.
등록된 댓글이 없습니다.
38. 도시가스의 배관의 굴착으로 인하여 20m 이상 노출된 배관에 대하여 누출된 가스가 체류하기 쉬운 장소에 설치하는 가스누출경보기는 몇 m 마다 설치하여야 하는가?
- ① 10
- ② 20
- ③ 30
- ④ 50
등록된 댓글이 없습니다.
39. 가스충전구가 왼나사 구조인 가스밸브는?
- ① 질소용기
- ② 엘피지용기
- ③ 산소용기
- ④ 암모니아 용기
등록된 댓글이 없습니다.
40. 금속재료에 대한 충격시험의 주된 목적은?
- ① 피로도 측정
- ② 인성 측정
- ③ 인장강도 측정
- ④ 압축강도 측정
등록된 댓글이 없습니다.
3과목 : 가스안전관리
41. 다음 보기 중 용기 제조자의 수리범위에 해당하는 것을 모두 옳게 나열된 것은?

- ① Ⓐ, Ⓑ
- ② Ⓒ, Ⓓ
- ③ Ⓐ, Ⓑ, Ⓒ
- ④ Ⓐ, Ⓑ, Ⓒ, Ⓓ
등록된 댓글이 없습니다.
42. 가연성가스와 공기혼합물의 점화원이 될 수 없는 것은?
- ① 정전기
- ② 단열압축
- ③ 융해열
- ④ 마찰
등록된 댓글이 없습니다.
43. 고압가스특정제조시설에서 안전구역안의 고압가스설비는 그 외면으로부터 다른 안전구역 안에 있는 고압가스설비의 외면까지 몇 m 이상의 거리를 유지하여야 하는가?
- ① 10 m
- ② 20 m
- ③ 30 m
- ④ 50 m
등록된 댓글이 없습니다.
44. 공기액화분리에 의한 산소와 질소 제조시설에 아세틸렌가스가 소량 혼입되었다. 이때 발생 가능한 현상으로 가장 유의하여야 할 사항은?
- ① 산소에 아세틸렌이 혼합되어 순도가 감소한다.
- ② 아세틸렌이 동결되어 파이프를 막고 밸브를 고장 낸다.
- ③ 질소와 산소 분리 시 비점차이의 변화로 분리를 방해한 다.
- ④ 응고되어 이동하다가 구리 등과 접촉하면 산소 중에서 폭발할 가능성이 있다.
등록된 댓글이 없습니다.
45. 이동식 부탄연소기와 관련된 사고가 액화석유가스 사고의 약 10%수준으로 발생하고 있다. 이를 예방하기 위한 방법으로 가장 부적당한 것은?
- ① 연소기에 접합용기를 정확히 장착한 후 사용한다.
- ② 과도한 조리기구를 사용하지 않는다.
- ③ 잔가스 사용을 위해 용기를 가열하지 않는다.
- ④ 사용한 접합용기는 파손되지 않도록 조치한 후 버린다.
등록된 댓글이 없습니다.
46. 다음 중 고압가스 충전용기 운반 시 운반책임자의 동승이 필요한 경우는? (단, 독성가스는 허용농도가 100만분의 200을 초과한 경우이다.)
- ① 독성압축가스 100m3 이상
- ② 독성액화가스 500kg 이상
- ③ 가연성압축가스 100m3 이상
- ④ 가연성액화가스 1000kg 이상
등록된 댓글이 없습니다.
47. 독성가스 충전용기를 운반하는 차량의 경계표지 크기의 가로 치수는 차체 폭의 몇 % 이상으로 하는가?
- ① 5%
- ② 10%
- ③ 20%
- ④ 30%
등록된 댓글이 없습니다.
48. 가연성 가스에 대한 정의로 옳은 것은?
- ① 폭발한계의 하한 20%이하, 폭발범위 상한과 하한의 차가 20% 이상인 것
- ② 폭발한계의 하한 20%이하, 폭발범위 상한과 하한의 차가 10% 이상인 것
- ③ 폭발한계의 하한 10%이하, 폭발범위 상한과 하한의 차가 20% 이상인 것
- ④ 폭발한계의 하한 10%이하, 폭발범위 상한과 하한의 차가 10% 이상인 것
등록된 댓글이 없습니다.
49. 용기에 의한 액화석유가스 사용시설에서 용기보관실을 설치하여야 할 기준은?
- ① 용기 저장능력 50kg 초과
- ② 용기 저장능력 100kg 초과
- ③ 용기 저장능력 300kg 초과
- ④ 용기 저장능력 500kg 초과
등록된 댓글이 없습니다.
50. 가스안전사고를 방지하기 위하여 내압시험압력이 25MPa인 일반가스용기에 가스를 충전할 때는 최고충전압력을 얼마로 하여야 하는가?
- ① 42MPa
- ② 25MPa
- ③ 15MPa
- ④ 12 MPa
등록된 댓글이 없습니다.
51. 허가를 받아야 하는 사업에 해당되지 않는 자는?
- ① 압력조정기 제조사업을 하고자 하는 자
- ② LPG자동차 용기 충전사업을 하고자 하는 자
- ③ 가스난방기용 용기 제조사업을 하고자 하는 자
- ④ 도시가스용 보일러 제조사업을 하고자 하는 자
등록된 댓글이 없습니다.
52. 고압가스용 용접용기제조의 기준에 대한 설명으로 틀린 것은?
- ① 용기동판의 최대 두께와 최소두께의 차이는 평균두께의 20% 이하로 한다.
- ② 용기의 재료는 탄소, 인 및 황의 함유량이 각각 0.33%, 0.04%, 0.05% 이하인 강으로 한다.
- ③ 액화석유가스용 강제용기와 스커트 접속부의 안쪽 각도는 30도 이상으로 한다.
- ④ 용기에는 그 용기의 부속품을 보호하기 위하여 프로텍트 또는 캡을 부착한다.
등록된 댓글이 없습니다.
53. 고압가스 사업소에 설치하는 경계표지에 대한 설명으로 틀린 것은?
- ① 경계표지는 외부에서 보기 쉬운 곳에 게시한다.
- ② 사업소 내 시설 중 일부만이 같은 법의 적용을 받더라도 사업소 전체에 경계표지를 한다.
- ③ 충전용기 및 잔가스 용기 보관장소는 각각 구획 또는 경계선에 따라 안전확보에 필요한 용기상태를 식별할 수 있도록 한다.
- ④ 경계표지는 법의 적용을 받는 시설이란 것을 외부사람이 명확히 식별할 수 있어야 한다.
등록된 댓글이 없습니다.
54. 냉장고 수리를 위하여 아세틸렌 용접작업 중 산소가 떨어지자 산소에 연결된 호스를 뽑아 얼마 남지 않은 것으로 생각되는 LPG용기에 연결하여 용접 토치에 불을 붙이자 LPG 용기가 폭발하였다. 그 원인으로 가장 가능성이 높을 것으로 예상되는 경우는?
- ① 용접열에 의한 폭발
- ② 호스 속의 산소 또는 아세틸렌이 역류되어 역화에 의한 폭발
- ③ 아세틸렌과 LPG가 혼합된 후 반응에 의한 폭발
- ④ 아세틸렌 불법 제조에 의한 아세틸렌 누출에 의한 폭발
등록된 댓글이 없습니다.
55. 다음 그림은 LPG저장탱크의 최저부이다. 이는 어떤 기능을 하는가?

- ① 대량의 LPG가 유출되는 것을 방지한다.
- ② 일정압력 이상 시 압력을 낮춘다.
- ③ LPG내의 수분 및 불순물을 제거한다.
- ④ 화재 증에 의해 온도가 상승 시 긴급 차단한다.
등록된 댓글이 없습니다.
56. 자동차 용기 충전시설에서 충전용 호스의 끝에 반드시 설치하여야 하는 것은?
- ① 긴급차단장치
- ② 가스누출경보기
- ③ 정전기 제거장치
- ④ 인터록 장치
등록된 댓글이 없습니다.
57. 액화석유가스 저장탱크에 가스를 충전할 때 액체 부피가 내용적의 90%를 넘지 않도록 규제하는 가장 큰 이유는?
- ① 액체팽창으로 인한 탱크의 파열을 방지하기 위하여
- ② 온도상승으로 인한 탱크의 취약방지를 위하여
- ③ 등적팽창으로 인한 온도상승 방지를 위하여
- ④ 탱크내부의 부압(negative pressure)발생방지를 위하여
등록된 댓글이 없습니다.
58. 액화석유가스가스집단공급시설의 점검기준에 대한 설명으로 옳은 것은?
- ① 충전용주관의 압력계는 매분기 1회 이상 국가표준 기본법에 따른 교정을 받은 압력계로 그 기능을 검사한다.
- ② 안전밸브는 매월 1회 이상 설정되는 압력이하의 압력에서 작동하도록 조정한다.
- ③ 물분무장치, 살수장치와 소화전은 매월 1회 이상 작동상황을 점검한다.
- ④ 집단공급시설 중 충전설비의 경우에는 매월 1회 이상 작동상황을 점검한다.
등록된 댓글이 없습니다.
59. 용기의 각인 기호에 대해 잘못 나타낸 것은?
- ① V : 내용적
- ② W : 용기의 질량
- ③ TP : 기밀시험압력
- ④ FP : 최고충전압력
등록된 댓글이 없습니다.
60. 다음 가스안전성평가기법 중 정성적 안전성 평가기법은?
- ① 체크리스트 기법
- ② 결함수 분석 기법
- ③ 원인결과 분석 기법
- ④ 작업자실수 분석 기법
등록된 댓글이 없습니다.
4과목 : 가스계측
61. 최대 유량이 10m3/h인 막식가스미터기를 설치하고 도시 가스를 사용하는 시설이 있다. 가스렌지 2.5m3/h를 1일 8 시간 사용하고 가스보일러 6m3/h를 1일 6시간 사용했을 경우 월 가스사용량은 약 몇 m3인가?(단,1개월은 31일이다.)
- ① 1570
- ② 1680
- ③ 1736
- ④ 1950
등록된 댓글이 없습니다.
62. 가스는 분자량에 따라 다른 비중 값을 갖는다. 이 특성을 이용하는 가스분석기기는?(오류 신고가 접수된 문제입니다. 반드시 정답과 해설을 확인하시기 바랍니다.)
- ① 자기식 O2 분석기기
- ② 밀도식 CO2 분석기기
- ③ 적외선식 가스분석기기
- ④ 광화학 발광식 NOx 분석기기
등록된 댓글이 없습니다.
63. 가스폭발 등 급속한 압력변화를 측정하는 데 가장 적합한 압력계는?
- ① 다이어프램 압력계
- ② 벨로우즈 압력계
- ③ 부르동관 압력계
- ④ 피에조 전기압력계
등록된 댓글이 없습니다.
64. 직접적으로 자동제어가 가장 어려운 액면계는?
- ① 유리관식
- ② 부력검출식
- ③ 부자식
- ④ 압력검출식
등록된 댓글이 없습니다.
65. 압력계의 부품으로 사용되는 다이어프램의 재질로서 가장 부적당한 것은?
- ① 고무
- ② 청동
- ③ 스테인리스
- ④ 주철
등록된 댓글이 없습니다.
66. 오리피스 유량계는 어떤 형식의 유량계인가?
- ① 용적식
- ② 오벌식
- ③ 면적식
- ④ 차압식
등록된 댓글이 없습니다.
67. 열전도형 진공계 중 필라멘트의 열전대로 측정하는 열전대 진공계의 측정 범위는?
- ① 10-5 ~ 10-3 torr
- ② 10-3 ~ 0.1 torr
- ③ 10-3 ~ 1 torr
- ④ 10~100 torr
등록된 댓글이 없습니다.
68. 자동조정의 제어량에서 물리량의 종류가 다른 것은?
- ① 전압
- ② 위치
- ③ 속도
- ④ 압력
등록된 댓글이 없습니다.
69. 습도에 대한 설명으로 틀린 것은?
- ① 상대습도는 포화증기량과 습가스 수증기와의 중량비이다.
- ② 절대습도는 습공기 1kg에 대한 수증기의 양과의 비율이다.
- ③ 비교습도는 습공기의 절대습도와 포화증기의 절대습도와의 비이다.
- ④ 온도가 상승하면 상대습도는 감소한다.
등록된 댓글이 없습니다.
70. 전자밸브(solenoid valve)의 작동 원리는?
- ① 토출압력에 의한 작동
- ② 냉매의 과열도에 의한 작동
- ③ 냉매 또는 유압에 의한 작동
- ④ 전류의 자기작용에 의한 작동
등록된 댓글이 없습니다.
71. 다음 보기에서 나타내는 제어동작은? (단, Y : 제어출력신호, ps : 전 시간에서의 제어 출력신호, Kc : 비례상수, e : 오차를 나타낸다.)

- ① O 동작
- ② D 동작
- ③ I 동작
- ④ P 동작
등록된 댓글이 없습니다.
72. 가스미터 선정 시 고려할 사항으로 틀린 것은?
- ① 가스의 최대사용유량에 적합한 계량능력인 것을 선택 한다.
- ② 가스의 기밀성이 좋고 내구성이 큰 것을 선택한다.
- ③ 사용 시 기차가 커서 정확하게 계량할 수 있는 것을 선택한다.
- ④ 내열성, 내압성이 좋고 유지관리가 용이한 것을 선택 한다.
등록된 댓글이 없습니다.
73. 메탄, 에틸알코올, 아세톤 등을 검지하고자 할 때 가장 적합한 검지법은?
- ① 시험지법
- ② 검지관법
- ③ 흡광광도법
- ④ 가연성 가스검출기법
등록된 댓글이 없습니다.
74. 가스크로마토그래피에 사용되는 운반기체의 조건으로 가장 거리가 먼 것은?(오류 신고가 접수된 문제입니다. 반드시 정답과 해설을 확인하시기 바랍니다.)
- ① 습도가 높아야 한다.
- ② 비활성이어야 한다.
- ③ 독성이 없어야 한다.
- ④ 기체 확산을 최대로 할 수 있어야 한다.
등록된 댓글이 없습니다.
75. 차압유량계의 특징에 대한 설명으로 틀린 것은?
- ① 액체, 기체, 스팀 등 거의 모든 유체의 유량 측정이 가능하다.
- ② 관로의 수축부가 있어야 하므로 압력손실이 비교적 높은 편이다.
- ③ 정확도가 우수하고, 유량측정 범위가 넓다.
- ④ 가동부가 없어 수명이 길고 내구성도 좋으나 마모에 의한 오차가 있다.
등록된 댓글이 없습니다.
76. 가스미터의 원격계측(검침) 시스템에서 원격계측 방법으로 가장 거리가 먼 것은?
- ① 제트식
- ② 기계식
- ③ 펄스식
- ④ 전자식
등록된 댓글이 없습니다.
77. 적외선분광분석법으로 분석이 가능한 가스는?
- ① N2
- ② CO2
- ③ O2
- ④ H2
등록된 댓글이 없습니다.
78. 오르자트 분석기에 의한 배기가스의 성분을 계산하고자 한다. 아래 보기의 식은 어떤 가스의 함량 계산식인가?

- ① CO2
- ② CO
- ③ O2
- ④ N2
등록된 댓글이 없습니다.
79. 어떤 잠수부가 바다에서 15m 아래 지점에서 작업을 하고 있다. 이 잠수부가 바닷물에 의해 받는 압력은 몇 kPa인가? (단, 해수의 비중은 1.025이다.)
- ① 46
- ② 102
- ③ 151
- ④ 252
등록된 댓글이 없습니다.
80. 루트미터에서 회전자는 회전하고 있으나 미터의 지침이 작동하지 않는 고장의 형태로서 가장 옳은 것은?
- ① 부동
- ② 불통
- ③ 기차불량
- ④ 감도불량
등록된 댓글이 없습니다.