컴퓨터응용선반기능사(2008. 3. 30.) 시험일자 : 2008년 3월 30일
1과목 : 기계재료 및 요소
1. 다음 중 주물용 알루미늄 합금과 가장 거리가 먼 것은?
- ① 라우탈(lautal)
- ② 실루민(silumin)
- ③ 알팍스(alpax)
- ④ 델타메탈(delta metal)
등록된 댓글이 없습니다.
2. 피치 3㎜인 3줄 나사의 리드는 몇 ㎜인가?
- ① 1
- ② 2.87
- ③ 3.14
- ④ 9
등록된 댓글이 없습니다.
3. 다음 중 강에 S, Pb 등의 특수원소를 첨가하여 절삭할 때 칩을 잘게 하고 피삭성을 좋게 만드는 특수강은?
- ① 내일강
- ② 내식강
- ③ 쾌삭강
- ④ 내마모강
등록된 댓글이 없습니다.
4. 강을 Ac3(아공석강) 또는 Ac1(과공석강) 이상의 고온에서 가열하여 이것을 노(爐) 중에서 서서히 냉각하는 열 처리는?
- ① 담금질
- ② 풀림
- ③ 퀜칭
- ④ 저온뜨임
등록된 댓글이 없습니다.
5. 둥근 축 또는 원뿔 축과 보스의 둘레에 같은 간격으로 가공된 나사산의 모양을 갖는 수많은 작은 삼각형의 스플라인을 무엇이라 하는가?
- ① 각형 스플라인
- ② 반달키
- ③ 묻힘키
- ④ 세레이션
등록된 댓글이 없습니다.
6. 다음 중 평 벨트와 비교한 V벨트 전동의 특성으로 틀린 것은?
- ① 설치면적이 넓어 큰 공간이 필요하다.
- ② 비교적 작은 장력으로 큰 회전력을 전달할 수 있다.
- ③ 운전이 조용하다.
- ④ 마찰력이 크고 미끄럼이 적다.
등록된 댓글이 없습니다.
7. 치직각 방식에서 모듈이 m=4, 잇수 z=72인 헬리컬 기어의 피치원 지름은 약 몇 ㎜인가?(단. 비틀림 각은 30°이다.)
- ① 132
- ② 233
- ③ 333
- ④ 432
등록된 댓글이 없습니다.
8. "밀링에 사용하는 엔드밀의 재료는 일반적으로 SKH2를 사용한다"에서 SKH는 어떤 재료를 나타내는 KS 기호인가?
- ① 일반 구조용 압연 강재
- ② 고속도 공구강 강재
- ③ 기계 구조용 탄소 강재
- ④ 탄소 공구 강재
등록된 댓글이 없습니다.
9. 60%Cu ~ 40%Zn 합금으로 상온조직이 α + β상이고 탈아연 부식을 일으키기 쉬우나 강도응 요하는 볼트, 너트, 열간 단조품 등에 쓰이며, 상온에서 전연성이 낮은 합금은?
- ① 켈밋
- ② 문쯔메탈
- ③ 톰백
- ④ 하이드로날륨
등록된 댓글이 없습니다.
10. 주철의 일반적 설명으로 적당하지 않은 것은?
- ① 강에 비하여 취성이 크고 강도가 비교적 높다.
- ② 고온에서 소성변형이 곤란하나 주조성이 우수하여 복잡한 형상을 쉽게 생산할 수 있다.
- ③ 주철은 파면상으로 분류하면 회주철, 백주철, 반주철로 구분할 수 있다.
- ④ 주철 중의 탄소를 흑연화시키기 위한 인자로서는 전(全) 탄소량 및 규소의 함량이 중요하다.
등록된 댓글이 없습니다.
11. 다음 중 하물을 감아올릴때 제동 작용은 하지 않고 클러치 작용을 하며, 내릴때는 하물 자중에 의한 브레이크 작용을 하는 것은?
- ① 블록 브레이크
- ② 밴드 브레이크
- ③ 자동하중 브레이크
- ④ 축압 브레이크
등록된 댓글이 없습니다.
12. 다음 중 스프링 상수의 단위로 옳은 것은?
- ① Nㆍ㎜
- ② N/㎜
- ③ Nㆍ㎟
- ④ N/㎟
등록된 댓글이 없습니다.
13. 다음 중 섬유강화 플라스틱으로 불리며 항공기, 선반, 자동차 등에 쓰이는 복합재료는?
- ① Optical Fiber
- ② 세라믹
- ③ FRP
- ④ 초전도체
등록된 댓글이 없습니다.
14. 다음 KS 규격에 의한 구름베어링의 호칭번호 중 기본 기호에 해당하지 않는 것은?
- ① 봉입 그리스 기호
- ② 형식 기호
- ③ 치수계열 기호
- ④ 안지름 번호
등록된 댓글이 없습니다.
15. 다음 중 하중이 작용하는 방향이 단면(斷面)에 평행한 하중은?
- ① 인장하중
- ② 압축하중
- ③ 전단하중
- ④ 휨하중
등록된 댓글이 없습니다.
16. 보기와 같은 정투상도의 평면도로 적합한 형상은?

- ①

- ②

- ③

- ④

등록된 댓글이 없습니다.
2과목 : 기계제도(절삭부분)
17. 보기와 같이 축에 가공되어 있는 키 홈의 형상을 투상한 투상도의 명칭으로 가장 적합한 것은?

- ① 회전 투상도
- ② 국부 투상도
- ③ 부분 확대도
- ④ 대칭 투상도
등록된 댓글이 없습니다.
18. 헐거운 끼워 맞춤인 경우 구멍의 최소 허용치수에서 축의 최대 허용 치수를 뺀 값은?
- ① 최소 틈새
- ② 최대 틈새
- ③ 최소 죔새
- ④ 최대 죔새
등록된 댓글이 없습니다.
19. KS 나사 표시 방법에서 G 1/2 A로 기입된 기호의 올바른 해독은?
- ① 가스용 암나사로 인치 단위이다.
- ② 관용 평행 암나사로 등급이 A 급이다.
- ③ 관용 평행 수나사로 등급이 A 급이다.
- ④ 가스용 수나사로 인치 단위이다.
등록된 댓글이 없습니다.
20. KS 기계제도의 치수 표시법에서 이론적으로 정확한 치수의 표시방법으로 옳은 것은?
- ①

- ②

- ③

- ④

등록된 댓글이 없습니다.
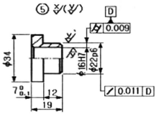
21. 보기 도면에서 ø34㎜ 부분의 외경가공은 표면 거칠기 값을 얼마로 해야 하는가?

- ① 부품번호 옆에는 급

- ② 부품번호 옆에 ( )밖에 있는 급

- ③ 부품번호 옆에 ( )에 있는 급

- ④ 가공하지 않은 상태 그대로
등록된 댓글이 없습니다.
22. 절단면을 사용하여 대상물을 절단하였다고 가정하고 절단면의 앞 부분을 제거하고 그리는 도형은?
- ① 전개도
- ② 입체도
- ③ 단면도
- ④ 투시도
등록된 댓글이 없습니다.
23. 굵은 1점 쇄선을 사용하는 선으로 가장 적합한 것은?
- ① 도형의 대칭선
- ② 수면, 유면 등의 위치를 표시하는 선
- ③ 표면처리 부분을 표시하는 특수지정선
- ④ 치수선을 긋기 위하여 도형에서 인출해낸 선
등록된 댓글이 없습니다.
24. 기하 공차의 종류 구분에서 자세 공차인 것은?
- ① 위치도 공차
- ② 직각도 공차
- ③ 동심도 공차
- ④ 대칭도 공차
등록된 댓글이 없습니다.
25. 평행도가 기준(데이텀) B에 대하여 지정길이 100㎜에 대한 0.05㎜의 허용 값을 가지는 것을 나타낸 것은?
- ①

- ②

- ③

- ④

등록된 댓글이 없습니다.
26. 가공물의 표면 거칠기를 나쁘게 하고 공구의 수명을 단축시키며 진동 등의 원인이 되는 구성 인선 발생을 억제 할 수 있는 것은?
- ① 절삭 깊이를 크게 한다.
- ② 윤활성이 좋게 절삭유를 사용한다.
- ③ 절삭 속도를 작게 한다.
- ④ 공구의 윗면 경사각을 작게 한다.
등록된 댓글이 없습니다.
27. 대표적인 것으로 세텔라이트가 있으며, 단조나 열처리가 되지 않으면서도 경도가 매우 높은 공구 재료는?
- ① 탄소 공구강
- ② 고속도강
- ③ 초경 합금
- ④ 주조 경질합금
등록된 댓글이 없습니다.
28. 선반의 종류별 용도에 대한 설명 중 틀린 것은?
- ① 정면 선반 - 길이가 짧고 지름이 큰 공작물 절삭에 사용
- ② 보통 선반 - 공작 기계중에서 가장 많이 사용되는 범용 선반
- ③ 탁상 선반 - 대형 공작물의 절삭에 사용
- ④ 수직 선반 - 주축이 수직으로 되어 있으며 중량이 큰 공작물 가공에 사용
등록된 댓글이 없습니다.
29. 다음 중 플레이너에서 가공하기 부적합한 작업은?
- ① 원통면 절삭
- ② 수평면 절삭
- ③ 수직면 절삭
- ④ 홈 절삭
등록된 댓글이 없습니다.
30. 진원도를 측정할 때 가장 적당한 측정기는?
- ① 게이지 블록
- ② 한계 게이지
- ③ 다이얼 게이지
- ④ 오토 콜리미터
등록된 댓글이 없습니다.
3과목 : 기계공작법
31. 금속으로 만든 작은 덩어리를 공작물 표면에 고속도로 분사하여 피로 강도를 증가시키기 위한 냉간 가공법으로 반복하중을 받는 스프링, 기어, 축과 대형 공작물 등을 성형하는 방법으로 사용되는 가공법은?
- ① 쇼트 피닝
- ② 버니싱
- ③ 배럴 다듬질
- ④ 슈퍼 피니싱
등록된 댓글이 없습니다.
32. 선반 작업에서 테이퍼 부분의 길이가 짧고 경사각이 큰 일감의 테이퍼 가공에 사용되는 방법은?
- ① 심압대 편위에 의한 방법
- ② 복식 공구대에 의한 방법
- ③ 체이싱 다이얼에 의한 방법
- ④ 방진구에 의한 방법
등록된 댓글이 없습니다.
33. 밀링 커터의 지름이 100㎜, 회전수가 200rpm일 때 절삭 속도는 약 몇 ㎜/min인가?
- ① 62.8
- ② 125.6
- ③ 263.7
- ④ 636.8
등록된 댓글이 없습니다.
34. 숫돌바퀴는 균질하지 못하거나 공작물의 영향을 받아 모양이 점차 변한다. 이렇게 변형된 숫돌바퀴를 정확한 모양으로 가공하는 것을 무엇이라 하는가?
- ① 트루잉(truing)
- ② 드레싱(dressing)
- ③ 무딤(glazing)
- ④ 눈메움(loading)
등록된 댓글이 없습니다.
35. 선반의 부속장치 중 3개의 조가 방사형으로 같은 거리를 동시에 움직이므로 원형, 정삼각형, 정육각형의 단면을 가진 공작물을 고정하는데 편리한 척은?
- ① 단동척
- ② 마그네틱 척
- ③ 연동척
- ④ 콜릿척
등록된 댓글이 없습니다.
36. 측정기 선택 조건으로 가장 적합하지 않은 것은?
- ① 제품 공차
- ② 제품 수량
- ③ 측정 범위
- ④ 제작 회사
등록된 댓글이 없습니다.
37. 공작 기계의 절삭 운동 중 일감을 회전시켜서 가공하는 공작 기계는?
- ① 셰이퍼
- ② 밀링 머신
- ③ 호닝 머신
- ④ 선반
등록된 댓글이 없습니다.
38. 절삭 공구를 사용하여 공작물을 가공할 때 불연속형 칩이 나올 절삭 조건은?
- ① 절삭 속도가 빠를 때
- ② 공구의 윗면 경사각이 작을 때
- ③ 재질이 연한 공작물을 가공할 때
- ④ 칩 두께가 얇을때
등록된 댓글이 없습니다.
39. 밀링 공작 기계에서 스핀들의 회전 운동을 수직 왕복 운동으로 변환시켜주는 부속 장치는?
- ① 수직 밀링 장치
- ② 슬로팅 장치
- ③ 만능 밀링 장치
- ④ 래크 밀링 장치
등록된 댓글이 없습니다.
40. 다음 중 리머 작업에 대한 설명으로 틀린 것은?
- ① 리밍(reaming)이란 드릴로 뚫은 구멍의 내면을 매끈하고 정확하게 가공하는 작업을 말한다.
- ② 일반적인 리머의 가공 여유는 0.5 ~ 0.8㎜ 정도를 준다.
- ③ 리머는 모양에 따라 솔리드 리머, 셀 리머, 조정 리머, 팽창 리머로 분류한다.
- ④ 리머의 재질은 보통 고속도강이다.
등록된 댓글이 없습니다.
4과목 : CNC공작법 및 안전관리
41. 수평 밀링 머신의 플레인 커터 작업에서 상향 절삭에 대한 하향 절삭의 장점은?
- ① 날의 마멸이 적고 수명이 길다.
- ② 기계에 무리를 주지 않는다.
- ③ 절삭열에 의한 치수 정밀도의 변화가 작다.
- ④ 이송 기구의 백래시가 자연히 제거된다.
등록된 댓글이 없습니다.
42. 센터리스 연삭기의 장점으로 볼 수 없는 것은?
- ① 중공물의 원통 연삭에 편리하다.
- ② 가늘고 긴 공작물의 연삭에 알맞다.
- ③ 숫골의 마모가 적고 수명이 길다.
- ④ 연삭에 상당한 숙련이 요구된다.
등록된 댓글이 없습니다.
43. 다음은 CAD/CAM 정보 처리 흐름도 이다. ( ) 안에 알맞은 것은?

- ① 도형 정의
- ② 가공 데이터 생성
- ③ 곡선 정의
- ④ CNC 가공
등록된 댓글이 없습니다.
44. 프로그램의 종료를 표시하는 보조기능이 아닌 것은?
- ① M02
- ② M30
- ③ M05
- ④ M99
등록된 댓글이 없습니다.
45. 다음 그림은 머시닝 센터의 가공용 도면이다. 절대 명령에 의한 이동 지령을 바르게 나타낸 것은?

- ① F1 : G90 G01 X40. Y60. F100 ;
- ② F2 : G91 G01 X40. Y40. F100 ;
- ③ F3 : G90 G01 X10. Y0 F100 ;
- ④ F4 : G91 G01 X30. Y60. F100 ;
등록된 댓글이 없습니다.
46. CNC 공작기계에서 사용되고 있는 서보기구 시스템에 해당하지 않는 것은?
- ① 개방회로 방식
- ② 반폐쇄회로 방식
- ③ 복합회로 방식
- ④ 반개방회로 방식
등록된 댓글이 없습니다.
47. C S K P R 25 25 M 12는 선반용 툴의 홀더의 ISO 구격이다. 두번째 S는 무엇을 의미하는가?
- ① 클래핑 방식
- ② 인서트 형상
- ③ 인서트의 여유각
- ④ 생성 넓이
등록된 댓글이 없습니다.
48. 다음 중 기계 원점으로 자동 복귀하는 기능은?
- ① G27
- ② G28
- ③ G29
- ④ G30
등록된 댓글이 없습니다.
49. CNC 공작기계로 가공할 때 안전 사항으로 틀린 것은?
- ① 기계 가공하기 전에 일상 점검을 유의하고 윤활유 양이 적으면 보충한다.
- ② 일감의 재질과 공구의 재종에 따라 회전수와 절삭속도를 결정하여 프로그램을 작성한다.
- ③ 절삭 공구, 바이스 및 공작물은 정확하게 고정하고 확인한다.
- ④ 절삭 중 가공 상태를 확인하기 위하여 앞쪽에 있는 문을 열고 작업을 한다.
등록된 댓글이 없습니다.
50. 다음은 CNC 공작기계와 범용 공작기계에 의한 절삭 가공의 특징을 비교한 것이다. 틀린 것은?
- ① CNC 공작기계는 공정관리, 공구관리 등 작업의 표준화에 대응이 용이하다.
- ② 범용 공작기계는 정밀가공을 위해 오랜 경험이 필요하다.
- ③ 범용 공작기계에서는 가공 노하우의 축적과 전승이 쉽다.
- ④ CNC 공작기계는 비교적 단기간에, 기계조작이나 가공이 가능하다.
등록된 댓글이 없습니다.
51. 다음 중 소수점 입력이 가능한 어드레스로 구성된 것은?
- ① X, I, R, F
- ② Y, J, G, F
- ③ Z, K, T, S
- ④ X, Y, Z, M
등록된 댓글이 없습니다.
52. CNC 선반에서 안지름과 바깥지름의 거친 가공 사이클을 나타내는 준비 기능은?
- ① G70
- ② G71
- ③ G74
- ④ G76
등록된 댓글이 없습니다.
53. 그림은 CNC 선반 도면이다. P점에서 원호 R3을 가공하는 프로그램으로 맞는 것은?

- ① G02 X44. Z25. R3. F0.2 ;
- ② G03 X50. Z25. R3. F0.2 ;
- ③ G02 X47. Z22. R3. F0.2 ;
- ④ G03 X50. Z22. R3. F0.2 ;
등록된 댓글이 없습니다.
54. CNC 선반에서 피치가 1.0㎜인 2줄 나사를 가공할 때 이송속도(F)는?
- ① F 1.0
- ② F 2.0
- ③ F 3.0
- ④ F 4.0
등록된 댓글이 없습니다.
55. CNC 공작기게에서 전원 투입 후 기계운전의 안전을 위하여 첫 번째로 해야 하는 조작은?
- ① 기계 원점 복귀
- ② 공구 보정값 설정
- ③ 공구 교환
- ④ 공작물 좌표계 설정
등록된 댓글이 없습니다.
56. CNC 선반에서 절삭속도가 130㎜/min로 일정 제어되면서 주축이 정회전 되도록 지령된 것은?
- ① G97 S130 M03 ;
- ② G96 S130 M03 ;
- ③ G97 S130 M04 ;
- ④ G96 S130 M04 ;
등록된 댓글이 없습니다.
57. 다음 그림에서 A에서 B까지의 경로를 가공할 때 공구경 보정 준비기능으로 맞는 것은?

- ① G40
- ② G41
- ③ G42
- ④ G43
등록된 댓글이 없습니다.
58. 다음과 같은 CNC 선반 프로그램에서 2회전의 휴지(Dwell)시간을 주려고 할 때 ( )속에 적합한 단어(Word)는?

- ① X0.14
- ② P0.24
- ③ X1.5
- ④ P1.5
등록된 댓글이 없습니다.
59. 다음 머시닝센터 프로그램에서 공구 지름 보정에 사용된 보정번호는?

- ① D11
- ② T01
- ③ M06
- ④ H01
등록된 댓글이 없습니다.
60. 선반 작업시 안전 수칙 중 잘못된 것은?
- ① 작업 중 일감이 튀어나오지 않도록 확실히 고정시킨다.
- ② 작업 중 회전 가공물에 말려들지 않도록 복장을 단정하게 한다.
- ③ 절삭 가공을 할 때에는 반드시 보안경을 착용한다.
- ④ 바이트는 가공시간의 절약을 위해 가공 중에 교환한다.
등록된 댓글이 없습니다.