토목기사(2019. 3. 3.) 시험일자 : 2019년 3월 3일
1과목 : 응용역학
1. 아래 그림과 같은 기둥에서 좌굴하중의 비 (a) : (b) : (c) : (d)는? (단, EI와 기둥의 길이(ℓ)는 모두 같다.)

- ① 1 : 2 : 3 : 4
- ② 1 : 4 : 8 : 12
- ③ : 2 : 4 : 8

- ④ 1 : 4 : 8 : 16
등록된 댓글이 없습니다.
2. 양단 고정보에 등분포 하중이 작용할 때 A점에 발생하는 휨 모멘트는?

- ①

- ②

- ③

- ④

등록된 댓글이 없습니다.
3. 직사각형 단면 보의 단면적을 A, 전단력을 V라고 할 때 최대 전단응력 τmax은?
- ①

- ②

- ③

- ④

등록된 댓글이 없습니다.
4. 지름이 d인 원형 단면의 회전반경은?
- ① d/2
- ② d/3
- ③ d/4
- ④ d/8
등록된 댓글이 없습니다.
5. 단주에서 단면의 핵이란 기둥에서 인장응력이 발생되지 않도록 재하되는 편심거리로 정의된다. 지름 40cm인 원형단면의 핵의 지름은?
- ① 2.5cm
- ② 5.0cm
- ③ 7.5cm
- ④ 10.0cm
등록된 댓글이 없습니다.
6. 각 변의 길이가 a로 동일한 그림 A, B 단면의 성질에 관한 내용으로 옳은 것은?

- ① 그림 A는 그림 B보다 단면계수는 작고, 단면 2차 모멘트는 크다.
- ② 그림 A는 그림 B보다 단면계수는 크고, 단면 2차 모멘트는 작다.
- ③ 그림 A는 그림 B보다 단면계수는 크고, 단면 2차 모멘트는 같다.
- ④ 그림 A는 그림 B보다 단면계수는 작고, 단면 2차 모멘트는 같다.
등록된 댓글이 없습니다.
7. 그림과 같은 내민보에서 자유단의 처짐은? (단, EI = 3.2 × 1011kg·cm2)

- ① 0.169cm
- ② 16.9cm
- ③ 0.338cm
- ④ 33.8cm
등록된 댓글이 없습니다.
8. 다음 그림과 같은 구조물에서 C점의 수직처짐은? (단, AC 및 BC 부재의 길이는 L, 단면적은 A, 탄성계수는 E이다.)

- ①

- ②

- ③

- ④

등록된 댓글이 없습니다.
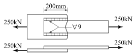
9. 다음에서 부재 BC에 걸리는 응력의 크기는?

- ① t/cm2

- ② 1 t/cm2
- ③ t/cm2

- ④ 2 t/cm2
등록된 댓글이 없습니다.
10. 그림과 같이 단순보에 이동하중이 재하될 때 절대 최대 모멘트는 약 얼마인가?

- ① 33t·m
- ② 35t·m
- ③ 37t·m
- ④ 39t·m
등록된 댓글이 없습니다.
11. 주어진 보에서 지점 A의 휨모멘트(MA) 및 반력(RA)의 크기로 옳은 것은?

- ①

- ②

- ③

- ④

등록된 댓글이 없습니다.
12. 다음 정정보에서의 전단력도(SFD)로 옳은 것은?

- ①

- ②

- ③

- ④

등록된 댓글이 없습니다.
13. 다음 중 단위 변형을 일으키는데 필요한 힘은?
- ① 강성도
- ② 유연도
- ③ 축강도
- ④ 프아송비
등록된 댓글이 없습니다.
14. 탄성계수가 2.0 × 106 kg/cm2인 재료로 된 경간 10m의 켄틸레버 보에 W=120kg/m의 등분포하중이 작용할 때, 자유단의 처짐각은? (단, IN : 중립축에 관한 단면 2차 모멘트)
- ①

- ②

- ③

- ④

등록된 댓글이 없습니다.
15. 다음 라멘의 수직반력 RB는?

- ① 2t
- ② 3t
- ③ 4t
- ④ 5t
등록된 댓글이 없습니다.
16. 분포하중(W), 전단력(S) 및 굽힘 모멘트(M) 사이의 관계가 옳은 것은?
- ①

- ②

- ③

- ④

등록된 댓글이 없습니다.
17. 다음 그림과 같은 보에서 C점의 휨 모멘트는?

- ① 0 t·m
- ② 40 t·m
- ③ 45 t·m
- ④ 50 t·m
등록된 댓글이 없습니다.
18. 아래에서 설명하는 정리는?

- ① Lami의 정리
- ② Green의 정리
- ③ Pappus의 정리
- ④ Varignon의 정리
등록된 댓글이 없습니다.
19. 그림과 같은 트러스에서 부재 U의 부재력은?

- ① 1.0kN(압축)
- ② 1.2kN(압축)
- ③ 1.3kN(압축)
- ④ 1.5kN(압축)
등록된 댓글이 없습니다.
20. 20cm × 30cm인 단면의 저항 모멘트는? (단, 재료의 허용 휨 응력은 70kg/cm2이다.)
- ① 2.1 t·m
- ② 3.0 t·m
- ③ 4.5 t·m
- ④ 6.0 t·m
등록된 댓글이 없습니다.
2과목 : 측량학
21. 항공사진의 주점에 대한 설명으로 옳지 않은 것은?
- ① 주점에서는 경사사진의 경우에도 경사각에 관계없이 수직사진의 축척과 같은 축척이 된다.
- ② 인접사진과의 주점길이가 과고감에 영향을 미친다.
- ③ 주점은 사진의 중심으로 경사사진에서는 연직점과 일치하지 않는다.
- ④ 주점은 연직점, 등각점과 함께 항공사진의 특수3점이다.
등록된 댓글이 없습니다.
22. 철도의 궤도간격 b=1.067m, 곡선반지름 R=600m인 원곡선 상을 열차가 100km/h로 주행하려고 할 때 캔트는?
- ① 100mm
- ② 140mm
- ③ 180mm
- ④ 220mm
등록된 댓글이 없습니다.
23. 교각(I) 60°, 외선 길이(E) 15m인 단곡선을 설치할 때 곡선길이는?
- ① 85.2m
- ② 91.3m
- ③ 97.0m
- ④ 101.5m
등록된 댓글이 없습니다.
24. 수준측량에서 발생하는 오차에 대한 설명으로 틀린 것은?
- ① 기계의 조정에 의해 발생하는 오차는 전시와 후시의 거리를 같게 하여 소거할 수 있다.
- ② 표척의 영눈금 오차는 출발점의 표척을 도착점에서 사용하여 소거할 수 있다.
- ③ 측지삼각수준측량에서 곡률오차와 굴절오차는 그 양이 미소하므로 무시할 수 있다.
- ④ 기포의 수평조정이나 표척면의 읽기는 육안으로 한계가 있으나 이로 인한 오차는 일반적으로 허용오차 범위 안에 들 수 있다.
등록된 댓글이 없습니다.
25. 일반적으로 단열삼각망으로 구성하기에 가장 적합한 것은?
- ① 시가지와 같이 정밀을 요하는 골조측량
- ② 복잡한 지형의 골조측량
- ③ 광대한 지역의 지형측량
- ④ 하천조사를 위한 골조측량
등록된 댓글이 없습니다.
26. 삼각측량의 각 삼각점에 있어 모든 각의 관측시 만족되어야 하는 조건이 아닌 것은?
- ① 하나의 측점을 둘러싸고 있는 각의 합은 360°가 되어야 한다.
- ② 삼각망 중에서 임의의 한 변의 길이는 계산의 순서에 관계없이 같아야 한다.
- ③ 삼각망 중 각각 삼각형 내각의 합은 180°가 되어야 한다.
- ④ 모든 삼각점의 포함면적은 각각 일정하여야 한다.
등록된 댓글이 없습니다.
27. 초점거리 20cm의 카메라로 평지로부터 6000m의 촬영고도로 찍은 연직 사진이 있다. 이 사진에 찍혀 있는 평균 표고 500m인 지형의 사진 축척은?
- ① 1 : 5000
- ② 1 : 27500
- ③ 1 : 29750
- ④ 1 : 30000
등록된 댓글이 없습니다.
28. 수준측량의 야장 기입법에 관한 설명으로 옳지 않은 것은?
- ① 야장 기입법에는 고차식, 기고식, 승강식이 있다.
- ② 고차식은 단순히 출발점과 끝점의 표고차만 알고자 할 때 사용하는 방법이다.
- ③ 기고식은 계산과정에서 완전한 검산이 가능하여 정밀한 측량에 적합한 방법이다.
- ④ 승강식은 앞 측점의 지반고에 해당 측점의 승강을 합하여 지반고를 계산하는 방법이다.
등록된 댓글이 없습니다.
29. 위성측량의 DOP(Dilution of Precision)에 관한 설명 중 옳지 않은 것은?
- ① 기하학적 DOP(GDOP), 3차원위치 DOP(PDOP), 수직위치 DOP(VDOP), 평면위치 DOP(HDOP), 시간 DOP(TDOP) 등이 있다.
- ② DOP는 측량할 때 수신 가능한 위성의 궤도정보를 항법메시지에서 받아 계산할 수 있다.
- ③ 위성측량에서 DOP가 작으면 클 때보다 위성의 배치상태가 좋은 것이다.
- ④ 3차원위치 DOP(PDOP)는 평면위치 DOP(HDOP)와 수직위치 DOP(VDOP)의 합으로 나타난다.
등록된 댓글이 없습니다.
30. 완화곡선에 대한 설명으로 옳지 않은 것은?
- ① 곡선반지름은 완화곡선의 시점에서 무한대, 종점에서 원곡선의 반지름으로 된다.
- ② 완화곡선의 접선은 시점에서 직선에, 종점에서 원호에 접한다.
- ③ 완화곡선에 연한 곡선반지름의 감소율은 캔트의 증가율의 2배가 된다.
- ④ 완화곡선 종점의 캔트는 원곡선의 캔트와 같다.
등록된 댓글이 없습니다.
31. 축척 1 : 500 지형도를 기초로 하여 축척 1 : 5000의 지형도를 같은 크기로 편찬하려 한다. 축척 1 : 5000 지형도의 1장을 만들기 위한 축척 1 : 500 지형도의 매수는?
- ① 50매
- ② 100매
- ③ 150매
- ④ 250매
등록된 댓글이 없습니다.
32. 거리와 각을 동일한 정밀도로 관측하여 다각측량을 하려고 한다. 이때 각 측량기의 정밀도가 10″ 라면 거리측량기의 정밀도는 약 얼마 정도이어야 하는가?
- ① 1/15000
- ② 1/18000
- ③ 1/21000
- ④ 1/25000
등록된 댓글이 없습니다.
33. 지오이드(Geoid)에 대한 설명으로 옳은 것은?
- ① 육지와 해양의 지형면을 말한다.
- ② 육지 및 해저의 요철(凹凸)을 평균한 매끈한 곡면이다.
- ③ 회전타원체와 같은 것으로서 지구의 형상이 되는 곡면이다.
- ④ 평균해수면을 육지내부까지 연장했을 때의 가상적인 곡면이다.
등록된 댓글이 없습니다.
34. 평야지대에서 어느 한 측점에서 중간 장애물이 없는 26km 떨어진 측점을 시준할 때 측점에 세울 표척의 최소 높이는? (단, 굴절계수는 0.14이고 지구곡률반지름은 6370km 이다.)
- ① 16m
- ② 26m
- ③ 36m
- ④ 46m
등록된 댓글이 없습니다.
35. 다각측량 결과 측점 A, B, C의 합위거, 합경거가 표와 같다면 삼각형 A, B, C의 면적은?

- ① 40000 m2
- ② 60000 m2
- ③ 80000 m2
- ④ 120000 m2
등록된 댓글이 없습니다.
36. A, B, C 세 점에서 P점의 높이를 구하기 위해 직접수준측량을 실시하였다. A, B, C점에서 구한 P점의 높이는 각각 325.13m, 325.19m, 325.02m이고 AP=BP=1km, CP=3km일 때 P점의 표고는?
- ① 325.08m
- ② 325.11m
- ③ 325.14m
- ④ 325.21m
등록된 댓글이 없습니다.
37. 비행장이나 운동장과 같이 넓은 지형의 정지공사시에 토량을 계산하고자 할 때 적당한 방법은?
- ① 점고법
- ② 등고선법
- ③ 중앙단면법
- ④ 양단면 평균법
등록된 댓글이 없습니다.
38. 방위각 265°에 대한 측선의 방위는?
- ① S85°W
- ② E85°W
- ③ N85°E
- ④ E85°N
등록된 댓글이 없습니다.
39. 100m2인 정사각형 토지의 면적을 0.1m2까지 정확하게 구현하고자 한다면 이에 필요한 거리관측의 정확도는?
- ① 1/2000
- ② 1/1000
- ③ 1/500
- ④ 1/300
등록된 댓글이 없습니다.
40. 지형측량에서 지성선(地性線)에 대한 설명으로 옳은 것은?
- ① 등고선이 수목에 가려져 불명확할 때 이어주는 선을 의미한다.
- ② 지모(地貌)의 골격이 되는 선을 의미한다.
- ③ 등고선에 직각방향으로 내려 그은 선을 의미한다.
- ④ 곡선(谷線)이 합류되는 점들을 서로 연결한 선을 의미한다.
등록된 댓글이 없습니다.
3과목 : 수리학 및 수문학
41. 흐르지 않는 물에 잠긴 평판에 작용하는 전수압(全水壓)의 계산 방법으로 옳은 것은? (단, 여기서 수압이란 단위 면적당 압력을 의미)
- ① 평판도심의 수압에 평판면적을 곱한다.
- ② 단면의 상단과 하단 수압의 평균값에 평판면적을 곱한다.
- ③ 작용하는 수압의 최대값에 평판면적을 곱한다.
- ④ 평판의 상단에 작용하는 수압에 평판면적을 곱한다.
등록된 댓글이 없습니다.
42. 직사각형 단면의 위어에서 수두(h) 측정에 2%의 오차가 발생했을 때, 유량(Q)에 발생되는 오차는?
- ① 1%
- ② 2%
- ③ 3%
- ④ 4%
등록된 댓글이 없습니다.
43. 물체의 공기 중 무게가 750N이고 물속에서의 무게는 250N일 때 이 물체의 체적은? (단, 무게 1kg중=10N)
- ① 0.05 m3
- ② 0.06 m3
- ③ 0.50 m3
- ④ 0.60 m3
등록된 댓글이 없습니다.
44. 그림과 같은 병열관수로 ㉠, ㉡, ㉢에서 각 관의 지름과 관의 길이를 각각 D1, D2, D3, L1, L2, L3 라 할 때 D1 > D2 > D3이고 L1 > L2 > L3 이면 A점과 B점 사이의 손실수두는?

- ① ㉠의 손실수두가 가장 크다.
- ② ㉡의 손실수두가 가장 크다.
- ③ ㉢에서만 손실수두가 발생한다.
- ④ 모든 관의 손실수두가 같다.
등록된 댓글이 없습니다.
45. 지름 200mm인 관로에 축소부 지름이 120mm인 벤츄리미터(venturimeter)가 부착되어 있다. 두 단면의 수두차가 1.0m, C=0.98일 때의 유량은?
- ① 0.00525 m3/s
- ② 0.0525 m3/s
- ③ 0.525 m3/s
- ④ 5.250 m3/s
등록된 댓글이 없습니다.
46. 수조의 수면에서 2m 아래 지점에 지름 10cm의 오리피스를 통하여 유출되는 유량은? (단, 유량계수 C = 0.6)
- ① 0.0152 m3/s
- ② 0.0068 m3/s
- ③ 0.0295 m3/s
- ④ 0.0094 m3/s
등록된 댓글이 없습니다.
47. 유량 147.6L/s를 송수하기 위하여 안지름 0.4m의 관을 700m의 길이로 설치하였을 때 흐름의 에너지 경사는? (단, 조도계수 n=0.012, Manning 공식 적용)
- ① 1/700
- ② 2/700
- ③ 3/700
- ④ 4/700
등록된 댓글이 없습니다.
48. 단위도(단위 유량도)에 대한 설명으로 옳지 않은 것은?
- ① 단위도의 3가지 가정은 일정기저시간 가정, 비례 가정, 중첩 가정이다.
- ② 단위도는 기저유량과 직접유출량을 포함하는 수문곡선이다.
- ③ S-Curve를 이용하여 단위도의 단위시간을 변경할 수 있다.
- ④ Snyder는 합성단위도법을 연구 발표하였다.
등록된 댓글이 없습니다.
49. 지하수에서 Darcy 법칙의 유속에 대한 설명으로 옳은 것은?
- ① 영향권의 반지름에 비례한다.
- ② 동수경사에 비례한다.
- ③ 동수반지름(hydraulic radius)에 비례한다.
- ④ 수심에 비례한다.
등록된 댓글이 없습니다.
50. 유출(runoff)에 대한 설명으로 옳지 않은 것은?
- ① 비가 오기 전의 유출을 기저유출이라 한다.
- ② 우량은 별도의 손실 없이 그 전량이 하천으로 유출된다.
- ③ 일정기간에 하천으로 유출되는 수량의 합을 유출량이라 한다.
- ④ 유출량과 그 기간의 강수량과의 비(比)를 유출계수 또는 유출률이라 한다.
등록된 댓글이 없습니다.
51. 상류(subcritical flow)에 관한 설명으로 틀린 것은?
- ① 하천의 유속이 장파의 전파속도보다 느린 경우이다.
- ② 관성력이 중력의 영향보다 더 큰 흐름이다.
- ③ 수심은 한계수심보다 크다.
- ④ 유속은 한계유속보다 작다.
등록된 댓글이 없습니다.
52. 그림과 같은 굴착정(artesian well)의 유량을 구하는 공식은? (단, R : 영향원의 반지름, K : 투수계수, m : 피압대수층의 두께)

- ①

- ②

- ③

- ④

등록된 댓글이 없습니다.
53. 개수로의 흐름에서 비에너지의 정의로 옳은 것은?
- ① 단위 중량의 물이 가지고 있는 에너지로 수심과 속도수두의 합
- ② 수로의 한 단면에서 물이 가지고 있는 에너지를 단면적으로 나눈 값
- ③ 수로의 두 단면에서 물이 가지고 있는 에너지를 수심으로 나눈 값
- ④ 압력 에너지와 속도 에너지의 비
등록된 댓글이 없습니다.
54. 대규모 수송구조물의 설계우량으로 가장 적합한 것은?
- ① 평균면적우량
- ② 발생가능최대강수량(PMP)
- ③ 기록상의 최대우량
- ④ 재현기간 100년에 해당하는 강우량
등록된 댓글이 없습니다.
55. 댐의 상류부에서 발생되는 수면 곡선으로 흐름 방향으로 수심이 증가함을 뜻하는 곡선은?
- ① 배수 곡선
- ② 저하 곡선
- ③ 수리특성 곡선
- ④ 유사량 곡선
등록된 댓글이 없습니다.
56. 관속에 흐르는 물의 속도수두를 10m로 유지하기 위한 평균 유속은?
- ① 4.9m/s
- ② 9.8m/s
- ③ 12.6m/s
- ④ 14.0m/s
등록된 댓글이 없습니다.
57. 층류와 난류(亂流)에 관한 설명으로 옳지 않은 것은?
- ① 층류란 유수(流水)중에서 유선이 평행한 층을 이루는 흐름이다.
- ② 층류와 난류를 레이놀즈 수에 의하여 구별할 수 있다.
- ③ 원관 내 흐름의 한계 레이놀즈 수는 약 2000 정도이다.
- ④ 층류에서 난류로 변할 때의 유속과 난류에서 층류로 변할 때의 유속은 같다.
등록된 댓글이 없습니다.
58. 물리량의 차원이 옳지 않은 것은?
- ① 에너지 : [ML-2 T-2]
- ② 동점성계수 : [L2 T-1]
- ③ 점성계수 : [ML-1 T-1]
- ④ 밀도 : [FL-4 T2]
등록된 댓글이 없습니다.
59. 수문에 관련한 용어에 대한 설명 중 옳지 않은 것은?
- ① 침투란 토양면을 통해 스며든 물이 중력에 의해 계속 지하로 이동하여 불투수층 까지 도달하는 것이다.
- ② 증산(transpiration)이란 식물의 옆면(葉面)을 통해 물이 수증기의 형태로 대기 중에 방출되는 현상이다.
- ③ 강수(precipitation)란 구름이 응축되어 지상으로 떨어지는 모든 형태의 수분을 총칭한다.
- ④ 증발이란 액체상태의 물이 기체상태의 수증기로 바뀌는 현상이다.
등록된 댓글이 없습니다.
60. 개수로에서 한계수심에 대한 설명으로 옳은 것은?
- ① 사류 흐름의 수심
- ② 상류 흐름의 수심
- ③ 비에너지가 최대일 때의 수심
- ④ 비에너지가 최소일 때의 수심
등록된 댓글이 없습니다.
4과목 : 철근콘크리트 및 강구조
61. 다음 중 철근콘크리트 보에서 사인장철근이 부담하는 주된 응력은?
- ① 부착응력
- ② 전단응력
- ③ 지압응력
- ④ 휨인장응력
등록된 댓글이 없습니다.
62. 그림과 같은 인장철근을 갖는 보의 유효 깊이는? (단, D19철근의 공칭단면적은 287mm2이다.)(오류 신고가 접수된 문제입니다. 반드시 정답과 해설을 확인하시기 바랍니다.)

- ① 350mm
- ② 410mm
- ③ 440mm
- ④ 500mm
등록된 댓글이 없습니다.
63. 길이 6m의 단순지지 보통중량 철근콘크리트 보의 처짐을 계산하지 않아도 되는 보의 최소두께는? (단, fck=21MPa, fy=350MPa이다.)
- ① 349mm
- ② 356mm
- ③ 375mm
- ④ 403mm
등록된 댓글이 없습니다.
64. 그림과 같은 캔틸레버 옹벽의 최대 지반 반력은?

- ① 10.2 t/m2
- ② 20.5 t/m2
- ③ 6.67 t/m2
- ④ 3.33 t/m2
등록된 댓글이 없습니다.
65. 강도설계법에 의한 휨 부재의 등가사각형 압축응력 분포에서 fck=40MPa일 때 β1의 값은?
- ① 0.766
- ② 0.801
- ③ 0.833
- ④ 0.850
부갈루2024. 2. 17. 15:39삭제
0.8이 정답이다
66. 그림과 같은 직사각형 단면의 프리텐션 부재에 편심배치한 직선 PS강재를 760kN 긴장했을 때 탄성수축으로 인한 프리스트레스의 감소량은? (단, I=2.5×109mm4, n=6이다.)

- ① 43.67 MPa
- ② 45.67 MPa
- ③ 47.67 MPa
- ④ 49.67 MPa
등록된 댓글이 없습니다.
67. 표준갈고리를 갖는 인장 이형철근의 정착에 대한 설명으로 옳지 않은 것은? (단, db는 철근의 공칭지름이다.)
- ① 갈고리는 압축을 받는 경우 철근정착에 유효하지 않은 것으로 본다.
- ② 정착길이는 위험단면부터 갈고리의 외측단까지 길이로 나타낸다.
- ③ fsp값이 규정되어 있지 않은 경우 모래경량콘크리트의 경량콘크리트계수 λ는 0.7이다.
- ④ 기본 정착 길이에 보정계수를 곱하여 정착길이를 계산하는 데 이렇게 구한 정착길이는 항상 8db이상, 또한 150mm 이상이어야 한다.
등록된 댓글이 없습니다.
68. 용접작업 중 일반적인 주의사항에 대한 내용으로 옳지 않은 것은?
- ① 구조상 중요한 부분을 지정하여 집중 용접한다.
- ② 용접은 수축이 큰 이음을 먼저 용접하고, 수축이 작은 이음은 나중에 한다.
- ③ 앞의 용접에서 생긴 변형을 다음 용접에서 제거할 수 있도록 진행시킨다.
- ④ 특히 비틀어지지 않게 평행한 용접은 같은 방향으로 할 수 있으며 동시에 용접을 한다.
등록된 댓글이 없습니다.
69. 옹벽의 구조해석에 대한 내용으로 틀린 것은?
- ① 부벽식 옹벽의 전면벽은 3변 지지된 2방향 슬래브로 설계할 수 있다.
- ② 캔틸레버식 옹벽의 전면벽은 저판에 지지된 캔틸레버로 설계할 수 있다.
- ③ 뒷부벽은 T형 보로 설계하여야 하며, 앞부벽은 직사각형 보로 설계하여야 한다.
- ④ 부벽식 옹벽의 저판은 정밀한 해석이 사용되지 않는 한, 부벽의 높이를 경간으로 가정한 고정보 또는 연속보로 설계할 수 있다.
등록된 댓글이 없습니다.
70. 아래와 같은 맞대기 이음부에 발생하는 응력의 크기는? (단, P=360kN, 강판두께=12mm)

- ① 압축응력 fc=14.4MPa
- ② 인장응력 ft=3000MPa
- ③ 전단응력 τ=150MPa
- ④ 압축응력 fc=120MPa
등록된 댓글이 없습니다.
71. 단철근 직사각형 보의 설계휨강도를 구하는 식으로 옳은 것은? (단, 이다.)
- ①

- ②

- ③

- ④

등록된 댓글이 없습니다.
72. 철근콘크리트 부재의 비틀림철근 상세에 대한 설명으로 틀린 것은? (단, Ph : 가장 바깥의 횡방향 폐쇄스터럽 중심선의 둘레(mm)이다.)
- ① 종방향 비틀림철근은 양단에 정착하여야 한다.
- ② 횡방향 비틀림철근의 간격은 Ph/4 보다 작아야 하고, 또한 200mm보다 작아야 한다.
- ③ 종방향 철근의 지름은 스터럽 간격의 1/24 이상이어야 하며, 또한 D10 이상의 철근이어야 한다.
- ④ 비틀림에 요구되는 종방향 철근은 폐쇄스터럽의 둘레를 따라 300mm 이하의 간격으로 분포시켜야 한다.
등록된 댓글이 없습니다.
73. 철근 콘크리트에서 콘크리트의 탄성계수로 쓰이며, 철근 콘크리트 단면의 결정이나 응력을 계산할 때 쓰이는 것은?
- ① 전단 탄성계수
- ② 할선 탄성계수
- ③ 접선 탄성계수
- ④ 초기접선 탄성계수
등록된 댓글이 없습니다.
74. 단철근 직사각형 보에서 폭 300mm, 유효깊이 500mm, 인장철근 단면적 1700mm2일 때 강도해석에 의한 직사각형 압축응력 분포도의 깊이(a)는? (단, fck=20MPa, fy=300MPa이다.)
- ① 50mm
- ② 100mm
- ③ 200mm
- ④ 400mm
등록된 댓글이 없습니다.
75. 강도설계법에서 강도감소계수(ø)를 규정하는 목적이 아닌 것은?
- ① 부정확한 설계 방정식에 대비한 여유를 반영하기 위해
- ② 구조물에서 차지하는 부재의 중요도 등을 반영하기 위해
- ③ 재료 강도와 치수가 변동할 수 있으므로 부재의 강도 저하 확률에 대비한 여유를 반영하기 위해
- ④ 하중의 변경, 구조해석 할 때의 가정 및 계산의 단순화로 인해 야기될지 모르는 초과하중에 대비한 여유를 반영하기 위해
등록된 댓글이 없습니다.
76. 그림과 같은 필렛 용접에서 일어나는 응력으로 옳은 것은?(문제 오류로 실제 시험에서는 모두 정답처리 되었습니다. 여기서는 1번을 누르면 정답 처리 됩니다.)

- ① 97.3 MPa
- ② 98.2 MPa
- ③ 99.2 MPa
- ④ 100.0 MPa
등록된 댓글이 없습니다.
77. 다음 그림과 같은 직사각형 단면의 단순보에 PS강재가 포물선으로 배치되어 있다. 보의 중앙단면에서 일어나는 상연응력(㉠) 및 하연응력(㉡)은? (단, PS강재의 긴장력은 3300kN이고, 자중을 포함한 작용하중은 27kN/m이다.)

- ① ㉠ : 21.21 MPa, ㉡ : 1.8 MPa
- ② ㉠ : 12.07 MPa, ㉡ : 0 MPa
- ③ ㉠ : 8.6 MPa, ㉡ : 2.45 MPa
- ④ ㉠ : 11.11 MPa, ㉡ : 3.00 MPa
등록된 댓글이 없습니다.
78. 캔틸레버식 옹벽(역 T형 옹벽)에서 뒷굽판의 길이를 결정할 때 가장 주가 되는 것은?
- ① 전도에 대한 안정
- ② 침하에 대한 안정
- ③ 활동에 대한 안정
- ④ 지반 지지력에 대한 안정
등록된 댓글이 없습니다.
79. 콘크리트 슬래브 설계 시 직접설계법을 적용할 수 있는 제한사항에 대한 설명 중 틀린 것은?
- ① 각 방향으로 3경간 이상 연속되어야 한다.
- ② 각 방향으로 연속한 받침부 중심간 경간 차이는 긴 경간의 1/3 이하이어야 한다.
- ③ 슬래브 판들은 단변 경간에 대한 장변 경간의 비가 2 이하인 직사각형이어야 한다.
- ④ 연속한 기둥 중심선을 기준으로 기둥의 어긋남은 그 방향 경간의 15% 이하이어야 한다.
등록된 댓글이 없습니다.
80. 철근콘크리트 구조물의 균열에 관한 설명으로 옳지 않은 것은?
- ① 하중으로 인한 균열의 최대폭은 철근 응력에 비례한다.
- ② 인장측에 철근을 잘 분배하면 균열폭을 최소로 할 수 있다.
- ③ 콘크리트 표면의 균열폭은 철근에 대한 피복두께에 반비례한다.
- ④ 많은 수의 미세한 균열보다는 폭이 큰 몇개의 균열이 내구성에 불리하다.
등록된 댓글이 없습니다.
5과목 : 토질 및 기초
81. 다음 중 Rankine 토압이론의 기본가정에 속하지 않는 것은?
- ① 흙은 비압축성이고 균질의 입자이다.
- ② 지표면은 무한히 넓게 존재한다.
- ③ 옹벽과 흙과의 마찰을 고려한다.
- ④ 토압은 지표면에 평행하게 작용한다.
등록된 댓글이 없습니다.
82. 다음의 투수계수에 대한 설명 중 옳지 않은 것은?
- ① 투수계수는 간극비가 클수록 크다.
- ② 투수계수는 흙의 입자가 클수록 크다.
- ③ 투수계수는 물의 온도가 높을수록 크다.
- ④ 투수계수는 물의 단위중량에 반비례한다.
등록된 댓글이 없습니다.
83. 보링(boring)에 관한 설명으로 틀린 것은?
- ① 보링(boring)에는 회전식(rotary boring)과 충격식(percussion boring)이 있다.
- ② 충격식은 굴진속도가 빠르고 비용도 싸지만 분말상의 교란된 시료만 얻어진다.
- ③ 회전식은 시간과 공사비가 많이 들뿐만 아니라 확실한 코어(core)도 얻을 수 없다.
- ④ 보링은 지반의 상황을 판단하기 위해 실시한다.
등록된 댓글이 없습니다.
84. 아래 그림과 같은 모래지반에서 깊이 4m 지점에서의 전단강도는? (단, 모래의 내부마찰각 ø = 30°이며, 점착력 C = 0)

- ① 4.50 t/m2
- ② 2.77 t/m2
- ③ 2.32 t/m2
- ④ 1.86 t/m2
등록된 댓글이 없습니다.
85. 시료가 점토인지 아닌지 알아보고자 할 때 가장 거리가 먼 사항은?
- ① 소성지수
- ② 소성도표 A선
- ③ 포화도
- ④ 200번체 통과량
등록된 댓글이 없습니다.
86. 비중이 2.67, 함수비가 35%이며, 두께 10m인 포화점토층이 압밀 후에 함수비가 25%로 되었다면, 이 토층 높이의 변화량은 얼마인가?
- ① 113cm
- ② 128cm
- ③ 135cm
- ④ 155cm
등록된 댓글이 없습니다.
87. 100% 포화된 흐트러지지 않은 시료의 부피가 20.5cm3이고 무게는 34.2g이었다. 이 시료를 오븐(Oven)건조 시킨 후의 무게는 22.6g이었다. 간극비는?
- ① 1.3
- ② 1.5
- ③ 2.1
- ④ 2.6
등록된 댓글이 없습니다.
88. 흙의 강도에 대한 설명으로 틀린 것은?
- ① 점성토에서는 내부마찰각이 작고 사질토에서는 점착력이 작다.
- ② 일축압축 시험은 주로 점성토에 많이 사용한다.
- ③ 이론상 모래의 내부마찰각은 0 이다.
- ④ 흙의 전단응력은 내부마찰각과 점착력의 두 성분으로 이루어진다.
등록된 댓글이 없습니다.
89. 흙댐에서 상류면 사면의 활동에 대한 안전율이 가장 저하되는 경우는?
- ① 만수된 물의 수위가 갑자기 저하할 때이다.
- ② 흙댐에 물을 담는 도중이다.
- ③ 흙댐이 만수되었을 때이다.
- ④ 만수된 물이 천천히 빠져나갈 때이다.
등록된 댓글이 없습니다.
90. 어떤 사질 기초지반의 평판재하 시험결과 항복강도가 60t/m2, 극한강도가 100t/m2 이었다. 그리고 그 기초는 지표에서 1.5m 깊이에 설치 될 것이고 그 기초 지반의 단위중량이 1.8t/m3일 때 지지력계수 Nq=5 이었다. 이 기초의 장기 허용지지력은?
- ① 24.7 t/m2
- ② 26.9 t/m2
- ③ 30 t/m2
- ④ 34.5 t/m2
등록된 댓글이 없습니다.
91. Meyerhof의 일반 지지력 공식에 포함되는 계수가 아닌 것은?
- ① 국부전단계수
- ② 근입깊이계수
- ③ 경사하중계수
- ④ 형상계수
등록된 댓글이 없습니다.
92. 세립토를 비중계법으로 입도분석을 할 때 반드시 분산제를 쓴다. 다음 설명 중 옳지 않은 것은?
- ① 입자의 면모화를 방지하기 위하여 사용한다.
- ② 분산제의 종류는 소성지수에 따라 달라진다.
- ③ 현탁액이 산성이면 알칼리성의 분산제를 쓴다.
- ④ 시험도중 물의 변질을 방지하기 위하여 분산제를 사용한다.
등록된 댓글이 없습니다.
93. 다음 지반 개량공법 중 연약한 점토지반에 적당하지 않은 것은?
- ① 샌드 드레인 공법
- ② 프리로딩 공법
- ③ 치환 공법
- ④ 바이브로 플로테이션 공법
등록된 댓글이 없습니다.
94. 흙의 다짐시험을 실시한 결과 다음과 같았다. 이 흙의 건조단위중량은 얼마인가?

- ① 1.35 g/cm3
- ② 1.56 g/cm3
- ③ 1.31 g/cm3
- ④ 1.42 g/cm3
등록된 댓글이 없습니다.
95. 연약점토지반에 성토제방을 시공하고자 한다. 성토로 인한 재하속도가 과잉간극수압이 소산되는 속도보다 빠를 경우, 지반의 강도정수를 구하는 가장 적합한 시험방법은?
- ① 압밀 배수시험
- ② 압밀 비배수시험
- ③ 비압밀 비배수시험
- ④ 직접전단시험
등록된 댓글이 없습니다.
96. 기초가 갖추어야 할 조건이 아닌 것은?
- ① 동결, 세굴 등에 안전하도록 최소의 근입깊이를 가져야 한다.
- ② 기초의 시공이 가능하고 침하량이 허용치를 넘지 않아야 한다.
- ③ 상부로부터 오는 하중을 안전하게 지지하고 기초지반에 전달하여야 한다.
- ④ 미관상 아름답고 주변에서 쉽게 구득할 수 있는 재료로 설계되어야 한다.
등록된 댓글이 없습니다.
97. 유선망의 특징을 설명한 것 중 옳지 않은 것은?
- ① 각 유로의 투수량은 같다.
- ② 인접한 두 등수두선 사이의 수두손실은 같다.
- ③ 유선망을 이루는 사변형은 이론상 정사각형이다.
- ④ 동수경사는 유선망의 폭에 비례한다.
등록된 댓글이 없습니다.
98. 유효응력에 관한 설명 중 옳지 않은 것은?
- ① 포화된 흙인 경우 전응력에서 공극수압을 뺀 값이다.
- ② 항상 전응력보다는 작은 값이다.
- ③ 점토지반의 압밀에 관계되는 응력이다.
- ④ 건조한 지반에서는 전응력과 같은 값으로 본다.
등록된 댓글이 없습니다.
99. 말뚝에서 부마찰력에 관한 설명 중 옳지 않은 것은?
- ① 아래쪽으로 작용하는 마찰력이다.
- ② 부마찰력이 작용하면 말뚝의 지지력은 증가한다.
- ③ 압밀층을 관통하여 견고한 지반에 말뚝을 박으면 일어나기 쉽다.
- ④ 연약지반에 말뚝을 박은 후 그 위에 성토를 하면 일어나기 쉽다.
등록된 댓글이 없습니다.
100. 흙이 동상을 일으키기 위한 조건으로 가장 거리가 먼 것은?
- ① 아이스 렌즈를 형성하기 위한 충분한 물의 공급이 있을 것
- ② 양(+)이온을 다량 함유 할 것
- ③ 0°C 이하의 온도가 오랫동안 지속될 것
- ④ 동상이 일어나기 쉬운 토질일 것
등록된 댓글이 없습니다.
6과목 : 상하수도공학
101. 취수보에 설치된 취수구의 구조에서 유입속도의 표준으로 옳은 것은?
- ① 0.5 ~ 1.0cm/s
- ② 3.0 ~ 5.0cm/s
- ③ 0.4 ~ 0.8m/s
- ④ 2.0 ~ 3.0m/s
등록된 댓글이 없습니다.
102. 하수의 배제방식에 대한 설명 중 옳지 않은 것은?
- ① 합류식은 2계통의 분류식에 비해 일반적으로 건설비가 많이 소요된다.
- ② 합류식은 분류식보다 유량 및 유속의 변화폭이 크다.
- ③ 분류식은 관로내의 퇴적이 적고 수세효과를 기대할 수 없다.
- ④ 분류식은 관로오접의 철저한 감시가 필요하다.
등록된 댓글이 없습니다.
103. 호기성 처리방법과 비교하여 혐기성 처리방법의 특징에 대한 설명으로 틀린 것은?
- ① 유용한 자원인 메탄이 생성된다.
- ② 동력비 및 유지관리비가 적게 든다.
- ③ 하수찌꺼기(슬러지) 발생량이 적다.
- ④ 운전조건의 변화에 적응하는 시간이 짧다.
등록된 댓글이 없습니다.
104. 관로별 계획하수량에 대한 설명으로 옳지 않은 것은?
- ① 오수관로에서는 계획시간최대오수량으로 한다.
- ② 우수관로에서는 계획우수량으로 한다.
- ③ 합류식 관로는 계획시간최대오수량에 계획우수량을 합한 것으로 한다.
- ④ 차집관로는 계획1일최대오수량에 우천시 계획우수량을 합한 것으로 한다.
등록된 댓글이 없습니다.
105. 그림은 유효저수량을 결정하기 위한 유량누가곡선도이다. 이 곡선의 유효저수용량을 의미하는 것은?

- ① MK
- ② IP
- ③ SJ
- ④ OP
등록된 댓글이 없습니다.
106. 계획수량에 대한 설명으로 옳지 않은 것은?
- ① 송수시설의 계획송수량은 원칙적으로 계획1일최대급수량을 기준으로 한다.
- ② 계획취수량은 계획1일최대급수량을 기준으로 하며, 기타 필요한 작업용수를 포함한 손실수량 등을 고려한다.
- ③ 계획배수량은 원칙적으로 해당 배수구역의 계획1일최대급수량으로 한다.
- ④ 계획정수량은 계획1일최대급수량을 기준으로 하고, 여기에 정수장내 사용되는 작업용수와 기타용수를 합산 고려하여 결정한다.
등록된 댓글이 없습니다.
107. 정수과정에서 전염소처리의 목적과 거리가 먼 것은?
- ① 철과 망간의 제거
- ② 맛과 냄새의 제거
- ③ 트리할로메탄의 제거
- ④ 암모니아성 질소와 유기물의 처리
등록된 댓글이 없습니다.
108. 양수량이 15.5m3/min이고 전양정이 24m 일 때, 펌프의 축동력은? (단, 펌프의 효율은 80%로 가정한다.)
- ① 75.95kW
- ② 7.58kW
- ③ 4.65kW
- ④ 46.57kW
등록된 댓글이 없습니다.
109. 반송찌꺼기(슬러지)의 SS농도가 6000mg/L 이다. MLSS 농도를 2500mg/L로 유지하기 위한 찌꺼기(슬러지)반송비는?
- ① 25%
- ② 55%
- ③ 71%
- ④ 100%
등록된 댓글이 없습니다.
110. 정수장으로 유입되는 원수의 수역이 부영양화되어 녹색을 띠고 있다. 정수방법에서 고려할 수 있는 가장 우선적인 방법으로 적합한 것은?
- ① 침전지의 깊이를 깊게 한다.
- ② 여과사의 입경을 작게 한다.
- ③ 침전지의 표면적을 크게 한다.
- ④ 마이크로 스트레이너로 전처리 한다.
등록된 댓글이 없습니다.
111. 도수 및 송수 관로 내의 최소 유속을 정하는 주요이유는?
- ① 관로 내면의 마모를 방지하기 위하여
- ② 관로 내 침전물의 퇴적을 방지하기 위하여
- ③ 양정에 소모되는 전력비를 절감하기 위하여
- ④ 수격작용이 발생할 가능성을 낮추기 위하여
등록된 댓글이 없습니다.
112. 펌프의 비속도(비교회전도, Ns)에 대한 설명으로 틀린 것은?
- ① Ns가 작으면 유량이 많은 저양정의 펌프가 된다.
- ② 수량 및 전양정이 같다면 회전수가 클수록 Ns가 크게 된다.
- ③ 1m /min의 유량을 1m 양수하는데 필요한 회전수를 의미한다.
- ④ Ns가 크게 되면 사류형으로 되고 계속 커지면 축류형으로 된다.
등록된 댓글이 없습니다.
113. 침전지의 유효수심이 4m, 1일 최대 사용수량이 450m3, 침전시간이 12시간일 경우 침전지의 수면적은?
- ① 56.3 m2
- ② 42.7 m2
- ③ 30.1 m2
- ④ 21.3 m2
등록된 댓글이 없습니다.
114. 1개의 반응조에 반응조와 이차침전지의 기능을 갖게 하여 활성슬러지에 의한 반응과 혼합액의 침전, 상징수의 배수, 침전찌꺼기(슬러지)의 배출공정 등을 반복해 처리하는 하수처리공법은?
- ① 수정식폭기조법
- ② 장시간폭기법
- ③ 접촉안정법
- ④ 연속회분식활성슬러지법
등록된 댓글이 없습니다.
115. 수원의 구비요건에 대한 설명으로 옳지 않은 것은?
- ① 수량이 풍부해야 한다.
- ② 수질이 좋아야 한다.
- ③ 가능하면 낮은 곳에 위치해야 한다.
- ④ 상수 소비지에서 가까운 곳에 위치해야 한다.
등록된 댓글이 없습니다.
116. 하수도의 계획오수량에서 계획1일최대오수량 산정식으로 옳은 것은?
- ① 계획배수인구 + 공장폐수량 + 지하수량
- ② 계획인구 × 1인1일최대오수량 + 공장폐수량 + 지하수량 + 기타 배수량
- ③ 계획인구 × (공장폐수량 + 지하수량)
- ④ 1인1일최대오수량 + 공장폐수량 + 지하수량
등록된 댓글이 없습니다.
117. 어느 지역에 비가 내려 배수구역내 가장 먼 지점에서 하수거의 입구까지 빗물이 유하하는데 5분이 소요되었다. 하수거의 길이가 1200m, 관내 유속이 2m/s일 때 유달시간은?
- ① 5분
- ② 10분
- ③ 15분
- ④ 20분
등록된 댓글이 없습니다.
118. 수격작용(water hammer)의 방지 또는 감소대책에 대한 설명으로 틀린 것은?
- ① 펌프의 토출구에 완만히 닫을 수 있는 역지밸브를 설치하여 압력상승을 적게 한다.
- ② 펌프 설치 위치를 높게 하고 흡입양정을 크게 한다.
- ③ 펌프에 플라이휠(fly wheel)을 붙여 펌프의 관성을 증가시켜 급격한 압력강하를 완화한다.
- ④ 토출측 관로에 압력조절수조를 설치한다.
등록된 댓글이 없습니다.
119. 하수도 계획의 원칙적인 목표년도로 옳은 것은?
- ① 10년
- ② 20년
- ③ 30년
- ④ 40년
등록된 댓글이 없습니다.
120. 도수 및 송수관로 계획에 대한 설명으로 옳지 않은 것은?
- ① 비정상적 수압을 받지 않도록 한다.
- ② 수평 및 수직의 급격한 굴곡을 많이 이용하여 자연유하식이 되도록 한다.
- ③ 가능한 한 단거리가 되도록 한다.
- ④ 가능한 한 적은 공사비가 소요되는 곳을 택한다.
등록된 댓글이 없습니다.