토목기사(2017. 9. 23.) 시험일자 : 2017년 9월 23일
1과목 : 응용역학
1. 그림과 같이 강선과 동선으로 조립되어 있는 구조물에 200㎏의 하중이 작용하면 강선에 발생하는힘은? (단 강선과 동선의 단면적은 같고, 강선의 탄성계수는 2.0×106㎏/cm2, 동선의 탄성계수는 1.0×106㎏/cm2임)

- ① 66.7㎏
- ② 133.3㎏
- ③ 166.7㎏
- ④ 233.3㎏
등록된 댓글이 없습니다.
2. 그림과 같이 밀도가 균일하고 무게가 W인 구(球)가 마찰이 없는 두 벽만 사이에 놓여 있을 때 반력 RB의 크기는?

- ① 0.5W
- ② 0.577W
- ③ 0.866W
- ④ 1.155W
등록된 댓글이 없습니다.
3. 지름 D인 원형단면보에 휨모멘트 M이 작용할 때 최대 휨응력은?
- ①

- ②

- ③

- ④

등록된 댓글이 없습니다.
4. 그림과 같은 트러스에서 부재력이 0인 부재는 몇 인가?

- ① 3개
- ② 4개
- ③ 5개
- ④ 7개
등록된 댓글이 없습니다.
5. 주어진 T형 단면의 캔틸러베보에서 최대 전단 응력을 구하면?(단, T형보 단면의 I=86.8cm4이다)

- ① 1256.8㎏/cm2
- ② 1797.2㎏/cm2
- ③ 2079.5㎏/cm2
- ④ 2433.2㎏/cm2
등록된 댓글이 없습니다.
6. 아래 그림과 같은 연속보가 있다. B점과 C점 중간에 10t의 하중이 작용할 때 B점에서의 휨모멘트는? (단, EI는 전구간에 걸쳐 일정하다.)

- ① -5 t∙m
- ② -7.5t∙m
- ③ -10t∙m
- ④ -12.5t∙m
등록된 댓글이 없습니다.
7. 보의 탄성변형에서 내력이 한 일을 그 지점의 반력으로 1차 편미분한 것은 “0”이 된다는 정리는 다음 중 어느 것인가?
- ① 중첩의 원리
- ② 맥스웰베티의 상반원리
- ③ 최소일의 원리
- ④ 카스틸리아노의 제 1정리
등록된 댓글이 없습니다.
8. 그림과 같은 구조물에서 부재 AB가 받는 힘의 크기는?

- ① 3166.7 ton
- ② 3274.2 ton
- ③ 3368.5 ton
- ④ 3485.4 ton
등록된 댓글이 없습니다.
9. 아래와 같은 라멘에서 휨모텐트도(B.M.D)를 옳게 나타낸 것은?

- ①

- ②

- ③

- ④

등록된 댓글이 없습니다.
10. 중앙에 집중하중 P를 받는 그림과 같은 단순보에서 지점 A로부터 ℓ/4인 지점(점 D)의 처짐각(θD과 수직처짐량(δp)은? (단, EI는 일정)

- ①

- ②

- ③

- ④

등록된 댓글이 없습니다.
11. 양단이 고정된 기둥에 축방향력에 의한 좌굴하중 Pδ을 구하면? (E:탄성계수, I:단면2차모멘트 L:기둥의 길이)
- ①

- ②

- ③

- ④

등록된 댓글이 없습니다.
12. 그림과 같은 부정정보에 집중하중이 작용할 때 A점에 휨모멘트 MA 를 구한 값은?

- ① -5.7t∙m
- ② -3.6t∙m
- ③ -4.2t∙m
- ④ -2.6t∙m
등록된 댓글이 없습니다.
13. 탄성계수 E=2.1×106㎏/cm2, 프와송비 v=0.25일 때 전단 탄성계수는?
- ① 8.4×105㎏/cm2
- ② 1.1×106㎏/cm2
- ③ 1.7×106㎏/cm2
- ④ 2.1×106㎏/cm2
등록된 댓글이 없습니다.
14. 아래와 같은 단순보의 지점 A에 모멘트 Ma가 작용할 경우 A점과 B점의 처짐각 비()의 크기는?

- ① 1.5
- ② 2.0
- ③ 2.5
- ④ 3.0
등록된 댓글이 없습니다.
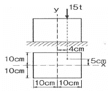
15. 그림과 같은 단주에 편심하중이 작용할 때 최대 압축응력은?

- ① 138.75㎏/cm2
- ② 172.65㎏/cm2
- ③ 245.75㎏/cm2
- ④ 317.65㎏/cm2
등록된 댓글이 없습니다.
16. 아래 그림과 같은 보에서 A지점의 반력은?

- ① HA=87.1kg(←), VA=40㎏(↑)
- ② HA=40kg(←), VA=87.1kg(↑)
- ③ HA=69.3kg(←), VA=87.1㎏(↑)
- ④ HA=40kg(←), VA=69.3㎏(↑)
등록된 댓글이 없습니다.
17. 단순보 AB위에 그림과 같은 이동하중이 지날 때 A점으로부터 10m 떨어진 C점의 최대 휨모멘트는?

- ① 85tㆍm
- ② 95tㆍm
- ③ 100tㆍm
- ④ 115tㆍm
등록된 댓글이 없습니다.
18. 그림과 같은 단면의 단면 상승모멘트(Ixy) 는?

- ① 7.75㎝4
- ② 9.25㎝4
- ③ 12.25㎝4
- ④ 15.75㎝4
등록된 댓글이 없습니다.
19. 그림과 같은 내민보에서 C점의 휨 모멘트가 영(零)이 되게 하기 위해서는 x가 얼마가 되어야 하는가?

- ①

- ②

- ③

- ④

등록된 댓글이 없습니다.
20. 단면적이 A이고, 단면 2차 모멘트가 I인 단면의 단면 2차 반경(r)은?
- ①

- ②

- ③

- ④

등록된 댓글이 없습니다.
2과목 : 측량학
21. 측점 A에 토털스테이션을 정치하고 B점에 설치한 프리즘을 관측하였다. 이때 기계고 1.7m, 고저각 +15°, 시준고 3.5m 경사거리가 2000m 이었다면, 두 측점의 고처차는?
- ① 495.838m
- ② 515.838m
- ③ 535.838m
- ④ 555.838m
등록된 댓글이 없습니다.
22. 100m2의 정사각형 토지면적을 0.2m2까지 정확하게 계산하기 위한 한 변의 최대허용오차는?
- ① 2mm
- ② 4mm
- ③ 5mm
- ④ 10mm
등록된 댓글이 없습니다.
23. 트래버스 측량의 결과로 위거오차 0.4m, 경거오차 0.3m를 얻었다. 총 측선의 길이가 1500m이었다면 폐합비는?
- ① 1/2000
- ② 1/3000
- ③ 1/4000
- ④ 1/5000
등록된 댓글이 없습니다.
24. 측량에 있어 미지갑을 관측할 경우 나타나는 오차와 관련된 설명으로 틀린 것은?
- ① 경중률은 분산에 반비례한다.
- ② 경중률은 반복 관측일 경우 각 관측값 간의 편차를 의미한다.
- ③ 일반적으로 큰 오차가 생길 확률은 작은 오차가 생길 확률보다 매우 작다.
- ④ 표준편차는 각과 거리 같은 1차원의 경우에 대한 정밀도의 척도이다.
등록된 댓글이 없습니다.
25. 도면에서 곡선에 둘러싸여 있는 부분의 면적을 구하기 가장 적합한 것은?
- ① 좌표법에 의한 방법
- ② 배횡거법에 의한 방법
- ③ 삼사법에 의한 방법
- ④ 구적기에 의한 방법
등록된 댓글이 없습니다.
26. 하천측량에 대한 설명으로 옳지 않은 것은?
- ① 수위관측소의 위치는 지천의 합류점 및 분류점으로서 수위의 변화가 일어나기 쉬운 곳이 적당하다.
- ② 하천측량에서 수준측량을 할 때의 거리표는 하천의 중심에 직각 방향으로 설치한다.
- ③ 심천측량은 하천의 수심 및 유수부분의 하저 상황을 조사하고 횡단면도를 제작하는 측량을 말한다.
- ④ 하천측량 시 처음에 할 일은 도상 조사로서 유로 상황, 지역면적, 지형, 토지이용 상황 등을 조사하여야 한다.
등록된 댓글이 없습니다.
27. 캔트가 C인 노선에서 설계속도와 반지름을 모두 2배로 할 경우, 새로운 캔트 C′는?
- ① C/2
- ② C/4
- ③ 2C
- ④ 4C
등록된 댓글이 없습니다.
28. 그림과 같은 수준환에서 직접수준측량에 의하여 표와 같은 결과를 얻었다. D점의 표고는? (단, A점의 표고는 20m, 경중률은 동일)

- ① 6.877m
- ② 8.327m
- ③ 9.749m
- ④ 10.586m
등록된 댓글이 없습니다.
29. 지형측량에서 등고선의 성질에 대한 설명으로 옳지 않은 것은?
- ① 등고선은 절대 교차하지 않는다.
- ② 등고선은 지표의 최대 경사선 방향과 직교한다.
- ③ 동일 등고선 상에 있는 모든 점은 같은 높이이다.
- ④ 등고선간의 최단거리의 방향은 그 지표면의 최대 경사의 방향을 가리킨다.
등록된 댓글이 없습니다.
30. 지오이드(geoid)에 대한 설명 중 옳지 않은 것은?
- ① 평균해수면을 육지까지 연장한 가상적인 곡면을 지오이드라 하며 이것은 지구타원체와 일치한다.
- ② 지오이드는 중력장의 동포텐셜면으로 볼 수 있다.
- ③ 실제로 지오이드면은 굴곡이 심하므로 측지측량의 기준으로 채택하기 어렵다.
- ④ 지구타원체의 법선과 지오이드의 법선 간의 차이를 연직선 편차라 한다.
등록된 댓글이 없습니다.
31. 노선측량으로 곡선을 설치할 때에 교각(I) 60°, 외선 길이(E) 30m로 단곡선을 설치할 경우 곡선반지름(R)은?
- ① 103.7m
- ② 120.7m
- ③ 150.9m
- ④ 193.9m
등록된 댓글이 없습니다.
32. 홍수 때 급히 유속을 측정하기에 가장 알맞은 것은?
- ① 봉부자
- ② 이중부자
- ③ 수중부자
- ④ 표면부자
등록된 댓글이 없습니다.
33. 트래버스 측량의 각 관측방법 중 방위각법에 대한 설명으로 틀린 것은?
- ① 진북을 기준으로 어느 측선까지 시계방향으로 측정하는 방법이다.
- ② 험준하고 복잡한 지역에서는 적합하지 않다.
- ③ 각이 독립적으로 관측되므로 오차 발생 시, 개별 각의 오차는 이후의 측량에 영향이 없다.
- ④ 각 관측값의 계산과 제도가 편리하고 신속히 관측할 수 있다.
등록된 댓글이 없습니다.
34. 삼각측량과 삼변측량에 대한 설명으로 틀린 것은?
- ① 삼변측량은 변 길이를 관측하여 삼각점의 위치를 구하는 측량이다.
- ② 삼각측량의 삼각망 중 가장 정확도가 높은 망은 사변형삼각망이다.
- ③ 삼각점의 선점 시 기계나 측표가동요할 수 있는 습지나 하상은 피한다.
- ④ 삼각점의 등급을 정하는 주된 목적은 표석설치를 편리하게 하기 위함이다.
등록된 댓글이 없습니다.
35. 수준측량의 부정오차에 해당되는 것은?
- ① 기포의 순간 이동에 의한 오차
- ② 기계의 불완전 조정에 의한 오차
- ③ 지구곡률에 의한 오차
- ④ 빛의 굴절에 의한 오차
등록된 댓글이 없습니다.
36. 촬영고도 3000m에서 초점거리 153mm의 카메라를 사용하여 고도 600m의 평지를 촬영할 경우의 사진축척은?
- ① 1/14865
- ② 1/15686
- ③ 1/16766
- ④ 1/17568
등록된 댓글이 없습니다.
37. 표고 300m의 지역(800㎢)을 촬영고도 3300m에서 초점거리 152㎜의 카메라로 촬영했을 때 필요한 사진 매수는? (단, 사진크기 23㎝ × 23㎝, 종중복도 60%, 횡중복도 30%, 안전율 30%임.)
- ① 139매
- ② 140매
- ③ 181매
- ④ 281매
등록된 댓글이 없습니다.
38. GNSS 측량에 대한 설명으로 틀린 것은?
- ① 다양한 항법위성을 이용한 3차원 측위방법으로 GPS, GLONASS, Galileo 등이 있다.
- ② VRS 측위는 수신기 1대를 이용한 절대 측위 방법이다.
- ③ 지구질량중심을 원점으로 하는 3차원 직교좌표체계를 사용한다.
- ④ 정지측량, 신속정지측량, 이동측량 등으로 측위방법을 구분할 수 있다.
등록된 댓글이 없습니다.
39. 노선측량에 관한 설명으로 옳은 것은?
- ① 일반적으로 단곡선 설치 시 가장 많이 이용하는 방법은 지거법이다.
- ② 곡률이 곡선길이에 비례하는 곡선을 클로소이드 곡선이라 한다.
- ③ 완화곡선의 접선은 시점에서 원호에, 종점에서 직선에 접한다.
- ④ 완화곡선의 반지름은 종점에서 무한대이고 시점에서는 원곡선의 반지름이 된다.
등록된 댓글이 없습니다.
40. 지형측량의 순서로 옳은 것은?
- ① 측량계획 - 골조측량 - 측량원도작성 - 세부측량
- ② 측량계획 - 세부측량 - 측량윈도작성 - 골조측량
- ③ 측량계획 - 측량윈도작성 - 골조측량 - 세부측량
- ④ 측량계획 - 골조측량 - 세부측량- 측량윈도작성
등록된 댓글이 없습니다.
3과목 : 수리학 및 수문학
41. 미소진폭파(small-ampitude Wave)이론을 가정할때, 일정 수심 h의 해역을 전파하는 파장 L, 파고H, 주기 T의 파랑에 대한 설명으로 틀린 것은?
- ① h/L이 0.05보다 작을 때, 천해파로 정의한다.
- ② h/L이 1.0보다 클 때, 심해파로 정의한다.
- ③ 분산관계식은 L,h 및 T 사이의 관계를 나타낸다.
- ④ 파랑의 에너지는 H2에 비례한다.
등록된 댓글이 없습니다.
42. 개수로에서 단면적이 일정할 때 수리학적으로 유리한 단면에 해당되지 않는 것은? (단, H: 수심, Rh: 동수반경, ℓ: 측면의 길이. B: 수면폭, P: 윤변, Θ: 측면의 경사)
- ① H를 반지름으로 하는 반원에 외접하는 직사각형 단면
- ② Rh가 최대 또는 P가 최소인 단면
- ③ H=B/2이고 Rh=B/2인 직사각형 단면
- ④ ℓ=B/2, Rh=H/2, Θ=60° 사다리꼴 단면
등록된 댓글이 없습니다.
43. 밀도가 p인 유체가 일정한 유속 Vo로 수평방향으로 흐르고 있다. 이 유체 속에 지름 d, 길이 ℓ인 원주가 그림과 같이 놓였을 때 원주에 작용되는 항력(抗力)을 구하는 공식은? (단, CD는 항력계수)(오류 신고가 접수된 문제입니다. 반드시 정답과 해설을 확인하시기 바랍니다.)

- ①

- ②

- ③

- ④

등록된 댓글이 없습니다.
44. 그림과 같이 정수 중에 있는 판에 작용하는 전수압을 계산하는 식은?

- ①

- ②

- ③

- ④

등록된 댓글이 없습니다.
45. 정상류의 흐름에 대한 설명으로 옳은 것은?
- ① 흐름특성이 시간에 따라 변하지 않는 흐름이다.
- ② 흐름특성이 공간에 따라 변하지 않는 흐름이다.
- ③ 흐름특성이 단면에 관계없이 동일한 흐름이다.
- ④ 흐름특성이 시간에 따라 일정한 비율로 변하는 흐름이다.
등록된 댓글이 없습니다.
46. 지름이 4㎝인 원형관 속에 물이 흐르고 있다. 관로 길이 1.0m 구간에서 압력강하가 0.1N/m2이었다면 관벽의 마찰응력은?
- ① 0.001N/m2
- ② 0.002N/m2
- ③ 0.01N/m2
- ④ 0.02N/m2
등록된 댓글이 없습니다.
47. 그림에서 배수구의 면적이 5cm2일 때 물통에 작용하는 힘은? (단, 물의 높이는 유지되고 손실은 무시한다.)

- ① 1N
- ② 10N
- ③ 100N
- ④ 102N
등록된 댓글이 없습니다.
48. 지하수의 투수계수에 영향을 주는 인자로 거리가 먼 것은?
- ① 토양의 평균입정
- ② 지하수의 단위중량
- ③ 지하수의 점성계수
- ④ 토양의 단위중량
등록된 댓글이 없습니다.
49. 두께가 10m인 피압대수층에서 우물을 통해 양수한 결과, 50m 및 100m 떨어진 두 지점에서 수면 강하가 각각 20m 및 10m로 관측되었다. 정상상태를 가정할 때 우물의 양수량은? (단, 두수계수는 0.3m/hr)
- ① 7.6×10-2m3/s
- ② 6,0×10-3m3/s
- ③ 9.4m3/s
- ④ 21.6m3/s
등록된 댓글이 없습니다.
50. 폭이 넓은 하천에서 수심이 2m 이고 경사가 1/200인 흐름의 소류력(tractive force)은?
- ① 98N/m2
- ② 49N/m2
- ③ 196N/m2
- ④ 294N/m2
등록된 댓글이 없습니다.
51. 다음 중에서 차원이 다른 것은?
- ① 증발량
- ② 침투율
- ③ 강우강도
- ④ 유출량
등록된 댓글이 없습니다.
52. Thiessen 다각형에서 각각의 면적이 20㎢, 30㎢, 50㎢ 이고, 이에 대응하는 강우량이 각각 40㎜, 30㎜, 20㎜ 일 때, 이 지역의 면적평균 강우량은?
- ① 25㎜
- ② 27㎜
- ③ 30㎜
- ④ 32㎜
등록된 댓글이 없습니다.
53. 관수로 흐름에서 난류에 대한 설명으로 옳은 것은?
- ① 마찰손실계수는 레이놀즈수만 알면 구할 수 있다.
- ② 관벽 조도가 유속에 주는 영향은 층류일 때보다 작다.
- ③ 관성력의 점성력에 대한 비율이 층류의 경우보다 크다.
- ④ 에너지 손실은 주로 난류효과보다 유체의 점성 때문에 발생한다.
등록된 댓글이 없습니다.
54. 수면 높이차가 항상 20m인 두 수조가 지름 30㎝, 길이 500m, 마찰손실계수가 0.03인 수평관으로 연결되었다면 관 내의 유속은? (단, 마찰, 단면 급확대 및 급축소에 따른 손실을 고려한다.)
- ① 2.76m/s
- ② 2.04m/s
- ③ 2.19m/s
- ④ 2.34m/s
등록된 댓글이 없습니다.
55. 폭 3.5m, 수심 0.4m인 직사각형 수로의 Francis 공식에 의한 유량은? (단, 접근유속을 무시하고 양단수축이다.)
- ① 1.59m3/s
- ② 2.04m3/s
- ③ 2.19m3/s
- ④ 2.34m3/s
등록된 댓글이 없습니다.
56. 수심 H에 위치한 작은 오리피스(onifice)에서 물이 분출할 때 일어나는 손실수두(△h)의 계산식으로 틀린 것은? (단, Va는 오리피스에서 측정된 유속이며 Cg는 유속계수이다.)
- ①

- ②

- ③

- ④

등록된 댓글이 없습니다.
57. 개수로 흐름에 대한 설명으로 틀린 것은?
- ① 한계류 상태에서는 수심의 크기가 속도수두의 2배가 된다.
- ② 유량이 일정할 때 상류에서는 수심이 작아질수록 유속이 커진다.
- ③ 비에너지는 수평기준면을 기준으로 한 단위무게의 유수가 가진 에너지를 말한다.
- ④ 흐름이 사류에서 상류로 바뀔 때에는 도수와 함께 큰 에너지 손실을 동반한다.
등록된 댓글이 없습니다.
58. 강우량자료를 분석하는 방법 중 이중누가곡선법에 대한 설명으로 옳은 것은?
- ① 평균강수량을 산정하기 위하여 사용한다.
- ② 강수의 지속기간을 구하기 위하여 사용한다.
- ③ 결측자료를 보완하기 위하여 사용한다.
- ④ 강수량자료의 일관성을 검증하기 위하여 사용한다.
등록된 댓글이 없습니다.
59. 면적 10㎢인 저수지의 수면으로부터 2m 위에서 측정된 대기의 평균온도가 25℃ 상대습도가 65%, 풍속이 4m/s 일 때 증발률이 1.44㎜/day 이었다면 저수지 수면에서 일증발량은?
- ① 9360m3/day
- ② 3600m3/day
- ③ 7200m3/day
- ④ 14400m3/day
등록된 댓글이 없습니다.
60. 차원계를 [MLT]에서 [FLT]로 변환할 때 사용하는 식으로 옳은 것은?
- ① [M] = [LFT]
- ② [M] = [L-1FT2]
- ③ [M] = [LFT2]〕
- ④ [M] = [L2FT]
등록된 댓글이 없습니다.
4과목 : 철근콘크리트 및 강구조
61. 활화중 20kN/m, 고정하중 30kN/m를 지지하는 지간 8m의 단순보에서 계수모멘트(Mu) 는?
- ① 512kN/m
- ② 544kN/m
- ③ 576kN/m
- ④ 605kN/m
등록된 댓글이 없습니다.
62. As=3600mm2, As′=1200mm2로 배근된 그림과 같은 복철근 보의 탄성처짐이 12㎜라 할 때 5년 후 저속하중에 의해 유발되는 추가 장기처짐은 얼마인가?

- ① 36㎜
- ② 18㎜
- ③ 12㎜
- ④ 6㎜
등록된 댓글이 없습니다.
63. 순단면이 볼트이 구멍 하나를 제외한 단면(즉, A-B-C 단면)과 같도록 피치(s)를 결정하면? (단, 구멍의 직경은 22㎜이다.)

- ① 114.9㎜
- ② 90.6㎜
- ③ 66.3㎜
- ④ 50㎜
등록된 댓글이 없습니다.
64. 프레스트레스의 손실 원인 중 프리스트레스 도입후 시간이 경과함에 따라서 생기는 것은 어느 것인가?
- ① 콘크리트의 탄성수축
- ② 콘크리트의 크리프
- ③ PS 강재와 쉬스의 마찰
- ④ 정착단의 활동
등록된 댓글이 없습니다.
65. 아래의 표와 같은 조건의 경량콘크리트를 사용할경우 경량 콘크리트계수(λ)로 옳은 것은?

- ① 0.72
- ② 0.75
- ③ 0.79
- ④ 0.85
등록된 댓글이 없습니다.
66. 옹벽의 설계 및 해석에 대한 설명으로 틀린 것은?
- ① 옹벽 저판의 설계는 슬래브의 설계방법 규정에 따라 수행하여야 한다.
- ② 앞 부벽식 옹벽에서 앞 부벽은 직사각형 보로 설계한다.
- ③ 부벽식 옹벽의 전면벽은 3변 지지된 2방향 슬래브로 설계할 수 있다.
- ④ 옹벽은 상재하중, 뒷채움 흙의 중량, 옹벽의 자중및 옹벽에 작용하는 토압, 필요에 따라서 수압에 도 견디도록 설계하여야 한다.
등록된 댓글이 없습니다.
67. 유효깊이(d)가 910㎜인 아래 그림과 같은 단철근T형보의 설계휨강도(øMn)를 구하면? (단, 인장철근량(Aa)은 7652mm2, fck=21MPa, fy=3500MPa, 인장지배단면으로 ø0.85, 경간은 3040㎜이다.)(오류 신고가 접수된 문제입니다. 반드시 정답과 해설을 확인하시기 바랍니다.)

- ① 1803kN·m
- ② 1845kN·m
- ③ 1883kN·m
- ④ 1981kN·m
등록된 댓글이 없습니다.
68. 아래 그림과 같은 단철근 직사각형보에서 최외단 인장철근의 순인장변형률 는? (단, As=2028mm2, fck=35MPa, fy=400MPa)

- ① 0.00432
- ② 0.00648
- ③ 0.00863
- ④ 0.00934
등록된 댓글이 없습니다.
69. 폭(b)이 250㎜이고, 전체높이(h)가 500㎜인 직사각형 철근콘크리트 보의 단면에 균열을 일으키는 비틀림모멘트 Tcr는 약 얼마인가? (단, fck=28MPa이다.)
- ① 9.8KN·m
- ② 11.3KN·m
- ③ 12.5KN·m
- ④ 18.4KN·m
등록된 댓글이 없습니다.
70. 그림과 같은 복철근 보의 유효깊이(d)는? (단, 철근 1개의 단면적은 250mm2이다.)

- ① 730㎜
- ② 740㎜
- ③ 760㎜
- ④ 780㎜
등록된 댓글이 없습니다.
71. 계수전단력(Vu이 콘크리트에 의한 설계진단(øVC)의 1/2을 초과하는 철근콘크리트 휨부재에는 최소 전단철근을 배치하도록 규정하고 있다. 다음 중 이 규정에서 제외되는 경우에 대한 설명으로 틀린 것은?
- ① 슬래브와 기초판
- ② 전체 깊이가 400㎜이하인 보
- ③ I 형보, T형보에서 그 깊이가 플랜지 두께의 2.5배 또는 복부폭의 1/2중 큰 값 이하인 보
- ④ 교대 벽체 및 날개벽, 옹벽의 벽체, 암거 등과 같이 휨이 주거동인 판 부재
등록된 댓글이 없습니다.
72. 그림과 같은 맞대기 용접의 용접부에 발생하는 인장 응력은?

- ① 100MPa
- ② 150MPa
- ③ 200MPa
- ④ 220MPa
등록된 댓글이 없습니다.
73. 그림과 같은 포스트텐션 보에서 마찰에 의한 B점의 프리스트레스 감소량(ΔP)의 크기는? (단, 긴장단에서 긴장재의 긴장력(Ppj)=1000kN, 근사식을 사용하며, 곡률마찰계수(up) = 0.3/rad, 파장마찰계수(K)=0.0004/m)

- ① 54.68kN
- ② 81.23kN
- ③ 118.17kN
- ④ 141.74kN
등록된 댓글이 없습니다.
74. 이형 철근의 경착길에 대한 설명으로 틀린 것은? (단, db= 철근의 공청지름)
- ① 표준갈고리가 있는 인장 이형철근: 10db 이상, 또한 200㎜ 이상
- ② 인장 이형철근 : 300㎜ 이상
- ③ 압축 이형철근 : 200㎜ 이상
- ④ 확대머리 인장 이형철근 : 8db 이상, 또한 150㎜ 이상
등록된 댓글이 없습니다.
75. 1방향 슬래브에 대한 설명으로 틀린 것은?
- ① 1방향 슬래브의 두께는 최소 80㎜ 이상으로 하여야한다.
- ② 4번에 의해 지지되는 2방향 슬래브 중에서 단변에 대한 장변의 비가 2배를 넘으면 1방향 슬래브로서 해석한다.
- ③ 슬래브의 정포멘트 철근 및 부모멘트 철근의 2배 이하이어야 하고, 또한 300㎜ 이하 하여야 한다.
- ④ 슬래브의 정모멘트 철근 및 부모멘트 철근의 중심 간격은 위험단면을 제외한 단면에서는 슬래브 두께의 3배 이하이어야 하고, 또한 450㎜ 이하로 하여야 한다.
등록된 댓글이 없습니다.
76. 그림과 같이 단면의 중심에 PS강선이 배치된 부재에 자중을 포함한 계수하중(w) 30kN/m가 작용한다. 부재의 연단에 인장응력이 발생하지 않으려면 PS강선에 도입되어야 할 긴장력(P)은 최소 얼마 이상인가?

- ① 2005kN
- ② 2025kN
- ③ 2045kN
- ④ 2065kN
등록된 댓글이 없습니다.
77. 철근콘크리트 구조물에서 연속-휨부재의 모멘트재분배를 하는 방법에 대한 다음 설명 중 틀린 것은?
- ① 근사해법에 의하여 휨모멘트를 계산한 경우에는 연속 휨부재의 모멘트 재분배를 할 수 없다.
- ② 휨모멘트를 감소시킬 단면에서 최외단 인장철근의 순인장변형률 가 0.0075 이상인 경우에만 가능하다.

- ③ 경간내의 단면에 대한 휨모멘트의 계산은 수정된부모멘트를 사용하여야 한다.
- ④ 재분배량은 산정된 부모멘트의 이다.

등록된 댓글이 없습니다.
78. 다음과 같은 띠철근 단주 단면의 공칭 축하중 강도(Pn)는? (단, 종방향 철근(Ast) = 4-D29=2570mm2, fck =21MPa, fy=400MPa)

- ① 3331.7kN
- ② 3070.5kN
- ③ 2499.3kN
- ④ 2187.2kN
등록된 댓글이 없습니다.
79. 리벳으로 연결된 부재에서 리벳이 상ㆍ하 두 부분으로 절단되었다면 그 원인은?
- ① 연결부의 인장파괴
- ② 리벳의 압축파괴
- ③ 연결부의 지압파괴
- ④ 리벳의 전단파괴
등록된 댓글이 없습니다.
80. 강도설계법에 대한 기본가정 중 옳지 않은 것은?
- ① 철근 및 콘크리트의 변형률은 중립축으로부터의 거리 비례한다.
- ② 콘크리트의 인장강도는 휨계산에서 무시한다.
- ③ 압축 측 연단에서 콘크리트의 극한변형률은 0.003으로 가정한다.
- ④ 항복강도 fy이하에서 철근의 응력은 그 변형률에 관계없이 fy와같다고 가정한다.
등록된 댓글이 없습니다.
5과목 : 토질 및 기초
81. 기초 폭 4m인 연속기초에서 기초면에 작용하는 합력의 연직성분 10t이고 관심거리가 0.4m일 때, 기초지반에 작용하는 최대 압력은?
- ① 2t/m2
- ② 4t/m2
- ③ 6t/m2
- ④ 8t/m2
등록된 댓글이 없습니다.
82. 분사현상에 대한 안건율이 2.5 이상이 되기 위해서 는 Δh를 최대 얼마 이하로 하여야 하는가? (단, 간극률(n)=50%)

- ① 7.5㎝
- ② 8.9㎝
- ③ 13.2㎝
- ④ 16.5㎝
등록된 댓글이 없습니다.
83. 10m 두께의 점토층이 10년 만에 90% 압밀이 된다면, 40m 두께가 동일한 점토층이 90% 압밀에 도달하는 소요되는 기간은?
- ① 16년
- ② 80년
- ③ 160년
- ④ 240년
등록된 댓글이 없습니다.
84. 테르쟈기(Terzaghi)의 얕은 기초에 대한 지지력공식 qu=acNc+βr1BNr+r2DfNq에 대한 설명으로 틀린 것은?
- ① 계수 α,β를 형상계수라 하며 기초의 모양에 따라 결정한다.
- ② 기초의 깊이 Df가 클수록 극한지지력도 이와 더불어 커진다고 볼 수 있다.
- ③ Nc, Nr, Nq는 지지력계수라 하는데 내부마찰각과 점착력에 의해서 정해진다.
- ④ r1, r2는 흙의 단위 중량이며 지하수위 아래에서는 수중단위 중량을 써야 한다.
등록된 댓글이 없습니다.
85. 아래 그림과 같은 지표면에 2개의 집중하중이 작용하고 있다. 3t의 집중하중 작용점 하부 2m지점 A에서의 연직하중의 증가량은 약 얼마인가? (단, 영향계수는 소수점이하 넷째자리까지 구하여 계산하시오.)

- ① 0.37t/m2
- ② 0.89t/m2
- ③ 1,42t/m2
- ④ 1.94t/m2
등록된 댓글이 없습니다.
86. 다음 중 연약점토지반 개량공법이 아닌 것은?
- ① Preloading 공법
- ② Sand drain 공법
- ③ Paper drain공법
- ④ Vibro Floatation 공법
등록된 댓글이 없습니다.
87. 간극비(e)와 간극률(n, %)의 관계를 옳게 나타낸 것은?
- ①

- ②

- ③

- ④

등록된 댓글이 없습니다.
88. 옹벽배면의 지표면 경사가 수평이고, 옹벽배면 벽체의 기울기가 연적인 벽체에서 옹벽과 뒷세움 흙사의 벽면마찰각(δ)을 무시할 경우, Rankine토압과 Coulomb 토양의 크기를 비교하면?
- ① Rankine토압이 Coulomb토압 보다 크다.
- ② Coulomb토압이 Rankine토압 보다 크다.
- ③ Rankine토압과 Coulomb토압의 크기는 항상 같다.
- ④ 수동토압은 Rankine토압 더 크고, 수동토압은 Coulomb토압의 크기는 항상 같다.
등록된 댓글이 없습니다.
89. 샘플러(sampler)의 외경이 6cm, 내경이 5.5㎝ 일 때, 면식비(Ar)는?
- ① 8.3%
- ② 9.0%
- ③ 16%
- ④ 19%
등록된 댓글이 없습니다.
90. 아래 그림에서 투수계수 K=4.8×10-3㎝/sec일 때 Darey 유출속도(v)와 실제 물의 (침투속도, Vs)는?

- ① v=3.4×10-4㎝/sec, Vs=5.6×10-4㎝/sec
- ② v=3.4×10-4㎝/sec, Vs=9.4×10-4㎝/sec
- ③ v=5.8×10-4㎝/sec, Vs=10.8×10-4㎝/sec
- ④ v=5.8×10-4㎝/sec, Vs=13.2×10-4㎝/sec
등록된 댓글이 없습니다.
91. 수직방향의 투수계수가 4.5×10-6m/sec 이고, 수평방향의 투수계수가 1.6×10-6m/sec인 균질하고 비등방(比等方)인 흙댐의 유선망을 그린 결과 유로(流路)수가 4개이고 등수두선의 간격수가 18개이다. 단위길이(m)당 침투수량은?(단, 상하류 수면차 H=18m)
- ① 1.1×10-7m3/sec
- ② 2.3×10-7m3/sec
- ③ 2.3×10-6m3/sec
- ④ 1.5×10-6m3/sec
등록된 댓글이 없습니다.
92. 사면안정 해석방법에 대한 설명으로 틀린 것은?
- ① 일체법은 활동면의 위에 있는 흙덩어리를 하나의 물체로 보고 해석하는 방법이다.
- ② 절편법은 활동면 위에 있는 흙을 몇 개의 절편으로 분할하여 해석하는 방법이다.
- ③ 마찰원방법은 점착력과 마찰각을 동시에 갖고 있는 균질한 지반에 적용된다.
- ④ 절편법은 흙이 균질하지 않아도 적용이 가능하지만, 흙속에 간극수압이 있을 경우 적용이 불가능하다.
등록된 댓글이 없습니다.
93. 흙의 다짐에 대한 설명으로 틀린 것은?
- ① 조립토는 세립토보다 최대 건조단위 중량이 커진다.
- ② 습윤측 다짐을 하면 흙 구조가 면모구조가 된다.
- ③ 최적 함수비로 다질 때 최대 건조단위중량이 된다.
- ④ 동일한 다짐 에너지에 대해서는 건조측이 습윤측 보다 더 큰 강도를 보인다.
등록된 댓글이 없습니다.
94. 다음 중 시료재취에 대한 설명으로 틀린 것은?
- ① 오거보링(Auger Boring)은 흐트러지지 않은 시료를 채취하는데 적합하다.
- ② 교란된 흙은 자연상태의 흙보다 전단강도가 작다.
- ③ 액성한계 및 소성한계 시험에서는 교란시료를 사용하여도 괜찮다.
- ④ 입도분석시험에서는 교란시료를 사용하여도 괜찮다.
등록된 댓글이 없습니다.
95. 성토나 기초지반에 있어 특히 점성토 압밀완료 후추가 성토 시 단기 안정문제를 검토하고자 하는 경우 적용되는 시험법은?
- ① 비압밀 비배수시험
- ② 압밀 비배수시험
- ③ 압밀 배수시험
- ④ 일축 압축시험
등록된 댓글이 없습니다.
96. 어떤 군은 점토층을 깊이 7m까지 연직 절토하였다. 이 점토층의 일축압축강도가 1.4㎏/cm2, 흙의 단위중량이 2t/m3라 하면 파괴의 안전율은?(오류 신고가 접수된 문제입니다. 반드시 정답과 해설을 확인하시기 바랍니다.)
- ① 0.5
- ② 1.0
- ③ 1.5
- ④ 2.0
등록된 댓글이 없습니다.
97. 도로 연장이 3㎞ 건설 구간에서 7개 지점의 시료를 재취하여 다음과 같은 CBR을 구하였다. 이때의 설계 CBR은 얼마인가?

- ① 4
- ② 5
- ③ 6
- ④ 7
등록된 댓글이 없습니다.
98. 자연상태의 모래지반을 다져 emin에 이르도록 했다면 이 지반의 상대밀도는?
- ① 0%
- ② 50%
- ③ 75%
- ④ 100%
등록된 댓글이 없습니다.
99. 어떤 지반의 미소한 흙요소에 최대 및 최소 주응력이 각각 1kg/cm2 및 0.6㎏/cm2 일 때, 최소주응력면과 60°를 이루는 면상의 전단응력은?
- ① 0.10kg/cm2
- ② 0.17kg/cm2
- ③ 0.20kg/cm2
- ④ 0.27kg/cm2
등록된 댓글이 없습니다.
100. Sand drain공법의 지배 영역에 관한 Barron의 정사각형 배치에서 사주(Sand plie)의 간격을 d, 유효원의 지름을 de라 할 때 de를 구하는 식으로 옳은 것은?
- ① de=1.13
- ② de=1.05
- ③ de=1.03
- ④ de=1.50
등록된 댓글이 없습니다.
6과목 : 상하수도공학
101. 활성탄흡착 공정에 대한 설명으로 옳지 않은 것은?
- ① 활성탄은 비표면적이 높은 다공성의 탄소질 입자로 형상에 따라 입성활성탄과 분말활성탄으로 구분된다.
- ② 분말활성탄의 흡착능력이 떨어지면 재생공정을 통해 재활용한다.
- ③ 활성탄흡착을 통해 소수성의 유기물질을 제거할수 있다.
- ④ 모래여과 공정 전단에 활성탄흡착 공정을 두게 되면, 탁도 부하가 높아져서 활성탄 흡착효율이 떨어지거나 역세척을 자주 해야 할 필요가 있다.
등록된 댓글이 없습니다.
102. 인구 30만의 도시에 급수계획을 하고자한다. 계획 1인 1일 최대급수량을 350L로 하고 계획급수 보급률을 80%라고 할 때 계획 1일 평균 급수량은? (단, 이 도시는 중소도시로 계획, 첨두율은 1.5로 가정한다.)
- ① 126,000m3/day
- ② 84,000m3/day
- ③ 73,500m3/day
- ④ 56,000m3/day
등록된 댓글이 없습니다.
103. 배수면적 2km2인 유역 내 강우의 하수관거 유입 시간이 6분, 유출계수가 0.70일 때 하수관거내 유속이 2m/s인 1㎞ 길이의 하수관에서 유출되는 우수량은? (단, 강우강도 = 의 단위:[분])
- ① 0.3m3/s
- ② 2.6.m3/s
- ③ 34.6m3/s
- ④ 43.9m3/s
등록된 댓글이 없습니다.
104. 하수도계획의 목표연도는 원칙적으로 몇 년으로 설정하는가?
- ① 5년
- ② 10년
- ③ 15년
- ④ 20년
등록된 댓글이 없습니다.
105. 취수보의 취수구에서의 표준 유입속도는?
- ① 0.3 ~0.6 m/s
- ② 0.4 ~0.8 m/s
- ③ 0.5 ~1.0 m/s
- ④ 0.6 ~1.2 m/s
등록된 댓글이 없습니다.
106. 활성슬러지법과 비교하여 생물막법의 특징으로 옳지 않은 것은?
- ① 운전조작이 간단하다.
- ② 다량의 슬러시 유출에 따른 처리수 수질악화가 발생하지 않는다.
- ③ 반응조를 다단화하여 반응효율과 처리안정성 향상이 도모된다.
- ④ 생물종 분포가 단순하여 처리효율을 높일 수 있다.
등록된 댓글이 없습니다.
107. 하수관거의 설계기준에 대한 설명으로 틀린 것은?
- ① 경사는 상류에서 크게 하고 하류로 갈수록 감소시켜야 한다.
- ② 유속은 하류로 갈수록 작게 하여야 한다.
- ③ 오수관거의 최소관경은 200㎜를 표준으로 한다.
- ④ 관거의 최소 흙두께는 원칙적으로 1m로 한다.
등록된 댓글이 없습니다.
108. 펌프대수 결정을 위한 일반적인 고려사항에 대한 설명으로 옳지 않은 것은?
- ① 건설비를 절약하기 위해 예비는 가능한 대수를 적게하고 소용량으로 한다.
- ② 펌프의 설치태수는 유지관리상 가능한 적게하고 동일 용량의 것으로 한다.
- ③ 펌프는 가능한 최고효율점 부근에서 운전하도록 대수 및 용량을 정한다.
- ④ 펌프는 용량이 작을수록 효율이 높으므로 가능한 소용량의 것으로 한다.
등록된 댓글이 없습니다.
109. 물의 맛·냄새의 제거 방법으로 식물성 냄새, 생선 비린내, 황화수소냄새, 부패한 냄새의 제거에 효과가 있지만, 곰팡이 냄새 제거에는 효과가 없으며, 페놀류는 분해할 수 있지만, 약품냄새 중에는 아민류와 같이 냄새를 강하게 할 수도 있으므로 주의가 필요한 처리 방법은?
- ① 폭기방법
- ② 염소처리법
- ③ 오존처리법
- ④ 활성탄처리법
등록된 댓글이 없습니다.
110. 상수도 계획에서 계획 년차 결정에 있어서 일반적으로 고려해야 할 사항으로 틀린 것은?
- ① 장비 및 시설물의 내구년한
- ② 시설확장 시 난이도와 위치
- ③ 도시발전 상황과 물사용량
- ④ 도시급수지역의 전염병 발생상황
등록된 댓글이 없습니다.
111. Ripple's method에 의하여 저수지 용량을 결정하려고 할 때 그림에서 최대 갈수량을 대비한 저수개시 지점은? (단, 와 평행)

- ① ㉠시점
- ② ㉡시점
- ③ ㉢시점
- ④ ㉣시점
등록된 댓글이 없습니다.
112. 양수량이 8m3/min, 전양정이 4m, 회전수1160rpm인 펌프의 비교회전도는?
- ① 316
- ② 985
- ③ 1160
- ④ 1436
등록된 댓글이 없습니다.
113. 합류식과 분류식에 대한 설명으로 옳지 않은 것은?
- ① 합류식의 경우 관경이 커지기 때문에 2계통인 분류식보다 건설비용이 많이 든다.
- ② 분류식의 경우 오수와 우수를 별개의 관로로 배제하기 때문에 오수의 배제계획이 합리적이 된다.
- ③ 분류식의 경우 관거내 퇴적은 적으나 수세효과는 기대할 수 없다.
- ④ 합류식의 경우 일정량 이상이 되면 우천 시 오수가 원류한다.
등록된 댓글이 없습니다.
114. 상수도 배수관에 사용하는 관 종류와 특징으로 옳지 않은 것은?
- ① 경질폴리엄화비닐(PVC)관은 내구성이 크고 유기용제, 열 및 자외선에 강하다
- ② 덕타일주철관은 강도가 커서 충격에 강하나 비교적 무겁다.
- ③ 강관은 내압 및 충격에 강하나 부식에 약하며 처짐이 크다
- ④ 스테인리스강관은 강도가 크지만 다른 금속과의 절연처리가 필요하다.
등록된 댓글이 없습니다.
115. 다음 중 하수 고도처리의 주요 처리대상 물질에 해당 되는 것은?
- ① 질소, 인
- ② 유기물
- ③ 소득부산물
- ④ 미생물
등록된 댓글이 없습니다.
116. 완속여과자와 비교할 때, 급속여과지에 대한 설명으로 옳지 않은 것은?
- ① 유입수가 고탁도인 경우에 적합하다.
- ② 세균처리에 있어 확실성이 적다.
- ③ 유지관리비가 적게 들고 특별한 관리기술이 필요치 않다.
- ④ 대규모처리에 적합하다.
등록된 댓글이 없습니다.
117. 하수처리·재이용계획의 계획오수량에 대한 설명 중 옳지 않은 것은?
- ① 계획1일최대오수량은 1인1일최대오수량에 계획인구를 곱한 후, 공장폐수량, 지하수량 및 기타 배수량을 더한 것으로 본다.
- ② 계획오수량은 생활오수량, 공장폐수량, 지하수량으로 구분한다.
- ③ 지하수량은 1인1일최대오수량의 10~20%로 한다.
- ④ 대규모처리에 적합하다.
등록된 댓글이 없습니다.
118. 펌프의 토출량이 0.94m3/min이고, 흡입구의 유속이 2m/s라 가정할 때 펌프의 흡입구경은?
- ① 100㎜
- ② 200㎜
- ③ 250㎜
- ④ 300㎜
등록된 댓글이 없습니다.
119. 하수처리장 유입수의 SS농도는 200mg/L이다. 1차 침전지에서 30% 정도가 제거되고 2차침전지에서 85%의 제거효율을 갖고 있다. 하루 처리용량이 3000m3/day일 때 방류되는 총 SS량은?
- ① 6300㎏/day
- ② 6300㎎/day
- ③ 63㎏/day
- ④ 2800g/day
등록된 댓글이 없습니다.
120. 도수거에 대한 설명으로 틀린 것은?
- ① 개거나 암거인 경우에는 대개 30~50m 간격으로 시공조인트를 겸한 신축조인트를 설치한다.
- ② 개수로의 평균유속 공식 Manning공식을 주로 사용한다.
- ③ 도수거에서 평균유속의 최대한도는 5m/s로 한다.
- ④ 도수거의 최소유속은 0.3m/s로 한다.
등록된 댓글이 없습니다.