토목기사(2014. 5. 25.) 시험일자 : 2014년 5월 25일
1과목 : 응용역학
1. 그림과과 같은 3힌지 라멘의 휨모멘트도(BMD)는?

- ①

- ②

- ③

- ④

등록된 댓글이 없습니다.
2. 그림과 같은 단순보의 단면에 발생하는 최대 전단응력의 크기는?

- ① 35.2kgf/cm2
- ② 38.6kgf/cm2
- ③ 44.5kgf/cm2
- ④ 49.3kgf/cm2
등록된 댓글이 없습니다.
3. 직사각형 단면의 보가 최대휨모멘트 Mmax =2 tf⋅m 를 받을 때 A-A 단면의 휨응력은?

- ① 22.5kgf/cm2
- ② 37.5kgf/cm2
- ③ 42.5kgf/cm2
- ④ 46.5kgf/cm2
등록된 댓글이 없습니다.
4. 그림과 같은 캔틸레버보에서 휨모멘트에 의한 탄성변형에너지는? (단, EI는 일정)

- ①

- ②

- ③

- ④

등록된 댓글이 없습니다.
5. 그림의 수평부재 AB는 A지점은 힌지로 지지되고 B점에는 집중하중 Q가 작용하고 있다. C점과 D점에서는 끝단이 힌지로 지지된 길이가 L이고, 휨강성이 모두 EI로 일정한 기둥으로 지지되고 있다. 두 기둥의 좌굴에 의해서 붕괴를 일으키는 하중 Q의 크기는?

- ①

- ②

- ③

- ④

등록된 댓글이 없습니다.
6. 600kgf의 힘이 그림과 같이 A와 C의 모서리에 작용하고 있다. 이 두 힘에 의해서 발생하는 모멘트는?

- ① 163.9 kgf⋅m
- ② 169.7 kgf⋅m
- ③ 173.9 kgf⋅m
- ④ 179.7 kgf⋅m
등록된 댓글이 없습니다.
7. 다음 봉재의 단면적이 A이고 탄성계수가 E 일 때 C점의 수직처짐은?

- ① 4PL/EA
- ② 3PL/EA
- ③ 2PL/EA
- ④ PL EA
등록된 댓글이 없습니다.
8. 그림과 같은 단순보에서 AB 구간의 전단력 및 휨모멘트의 값은?

- ① S=10 tf, M=10 tf⋅m
- ② S=10 tf, M=20 tf⋅m
- ③ S=0, M=-10 tf⋅m
- ④ S=20 tf, M=-10 tf⋅m
등록된 댓글이 없습니다.
9. 캔틸레버 보의 끝 B점에 집중하중 P 와 우력모멘트 Mo가 작용하고 있다. B점에서의 연직변위는 얼마인가? (단, 보의 EI는 일정하다.)

- ①

- ②

- ③

- ④

등록된 댓글이 없습니다.
10. 양단 고정인 조건의 길이가 3m이고 가로 20cm, 세로 30cm인 직사각형 단면의 기둥이 있다. 이 기둥의 좌굴응력은 약 얼마인가? (단, E=2.1×105kgf/cm2, 이 기둥은 장주이다.)
- ① 2,432 kgf/cm2
- ② 3,070 kgf/cm2
- ③ 4,728 kgf/cm2
- ④ 6,909 kgf/cm2
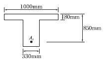
등록된 댓글이 없습니다.
11. 그림과 같은 단주에 편심하중이 작용할 때 최대 압축응력은?

- ① 138.75kgf/cm2
- ② 172.65kgf/cm2
- ③ 245.75kgf/cm2
- ④ 317.65kgf/cm2
등록된 댓글이 없습니다.
12. 그림과 같은 3힌지 아치의 중간 힌지에 수평하중 P가 작용할 때 A지점의 수직반력과 수평반력은? (단, A지점의 반력은 그림과 같은 방향을 정(+)으로 한다.)

- ①

- ②

- ③

- ④

등록된 댓글이 없습니다.
13. 그림과 같은 트러스에서 부재 U1 및 D1의 부재력은?

- ① U1=5tf(압축), D1=9tf(인장)
- ② U1=5tf(인장), D1=9tf(압축)
- ③ U1=9tf(압축), D1=5tf(인장)
- ④ U1=9tf(인장), D1=5tf(압축)
등록된 댓글이 없습니다.
14. 그림과 같은 단순보에서 허용 휨응력 σallow=50kgf/cm2 , 허용 전단응력 τallow=5kgf/cm2일 때 하중 P의 한계치는?

- ① 1,666.7kgf
- ② 2,516.7kgf
- ③ 2,500.0kgf
- ④ 2,314.8kgf
등록된 댓글이 없습니다.
15. 그림과 같이 1차 부정정보에 등간격으로 집중하중이 작용하고 있다. 반력 RA와 RB의 비는?

- ①

- ②

- ③

- ④

등록된 댓글이 없습니다.
16. 그림과 같은 구조물에서 부재 AB가 받는 힘의 크기는?

- ① 3,166.7tf
- ② 3,274.2tf
- ③ 3,368.5tf
- ④ 3,485.4tf
등록된 댓글이 없습니다.
17. 그림과 같은 단순보에 등분포하중 q가 작용할 때 보의 최대 처짐은? (단, EI 는 일정하다.)

- ①

- ②

- ③

- ④

등록된 댓글이 없습니다.
18. 2경간 연속보의 중앙지점 B에서의 반력은? (단, EI는 일정하다.)

- ① 1/25P
- ② 1/15P
- ③ 1/5P
- ④ 3/10P
등록된 댓글이 없습니다.
19. 전단중심(Shear Center)에 대한 다음 설명 중 옳지 않은 것은?
- ① 전단중심이란 단면이 받아내는 전단력의 합력점의 위치를 말한다.
- ② 1축이 대칭인 단면의 전단중심은 도심과 일치한다.
- ③ 하중이 전단중심점을 통과하지 않으면 보는 비틀린다.
- ④ 1축이 대칭인 단면의 전단중심은 그 대칭축 선상에 있다.
등록된 댓글이 없습니다.
20. 그림과 같은 4개의 힘이 작용할 때 G점에 대한 모멘트는?

- ① 3,825 tf⋅m
- ② 2,025 tf⋅m
- ③ 2,175 tf⋅m
- ④ 1,650 tf⋅m
등록된 댓글이 없습니다.
2과목 : 측량학
21. 두 점간의 고저차를 정밀하게 측정하기 위하여 A, B 두 사람이 각각 다른 레벨과 표척을 사용하여 왕복관측한 결과가 다음과 같다. 두 점간 고저차의 최확값은?

- ① 25.621m
- ② 25.577m
- ③ 25.498m
- ④ 25.449m
등록된 댓글이 없습니다.
22. 선측량에 관한 설명 중 옳은 것은?
- ① 일반적으로 단곡선 설치 시 가장 많이 이용하는 방법은 지거법이다.
- ② 곡률이 곡선길이에 비례하는 곡선을 클로소이드 곡선이라 한다.
- ③ 완화곡선의 접선은 시점에서 원호에, 종점에서 직선에 접한다.
- ④ 완화곡선의 반지름은 종점에서 무한대이고 시점에서는 원곡선의 반지름이 된다.
등록된 댓글이 없습니다.
23. 그림과 같은 트래버스에서 측선의 방위는? (단, 의 방위 = N 82°10′E, ∠ABC = 98°39′, ∠BCD = 67°14′이다.)

- ① S 6° 17' W
- ② S 83° 43' W
- ③ N 6° 17' W
- ④ N 83° 43' W
등록된 댓글이 없습니다.
24. 교각(I) 60°, 외선 길이(E) 15m인 단곡선을 설치할때 곡선길이는?
- ① 85.2m
- ② 91.3m
- ③ 97.0m
- ④ 101.5m
등록된 댓글이 없습니다.
25. 축척 1 : 50000 지형도 상에서 주곡선 간의 도상 길이가 1cm 이었다면 이 지형의 경사는?
- ① 4%
- ② 5%
- ③ 6%
- ④ 10%
등록된 댓글이 없습니다.
26. 평판측량의 전진법으로 측량하여 축척 1 : 300 도면을 작성하였다. 측점A를 출발하여 B, C, D, E, F를 지나 A점에 폐합시켰을 때 도상 오차가 0.6mm이었다면 측점E의 오차 배분량은? (단, 실제거리는 AB=40m, BC= 50m, CD=55m, DE=35m, EF=45m, FA=55m)
- ① 0.1mm
- ② 0.2mm
- ③ 0.4mm
- ④ 0.6mm
등록된 댓글이 없습니다.
27. 다음 중 도형이 곡선으로 둘러싸인 지역의 면적 계산방법으로 가장 적합한 것은?
- ① 좌표에 의한 계산법
- ② 방안지에 의한 방법
- ③ 배횡거(D.M.D)에 의한 방법
- ④ 두 변과 그 협각에 의한 방법
등록된 댓글이 없습니다.
28. 수준측량에서 발생하는 오차에 대한 설명으로 틀린 것은?
- ① 기계의 조정에 의해 발생하는 오차는 전시와 후시의 거리를 같게 하여 소거할 수 있다.
- ② 표척의 영눈금 오차는 출발점의 표척을 도착점에서 사용하여 소거할 수 있다.
- ③ 측지삼각수준측량에서 곡률오차와 굴절오차는 그 양이 미소하므로 무시할 수 있다.
- ④ 기포의 수평조정이나 표척면의 읽기는 육안으로 한계가 있으나 이로 인한 오차는 일반적으로 허용오차 범위 안에 들 수 있다.
등록된 댓글이 없습니다.
29. 캔트(cant)의 크기가 C인 노선을 곡선의 반지름만 2배로 증가시키면 새로운 캔트 C′의 크기는?
- ① 0.5C
- ② C
- ③ 2C
- ④ 4C
등록된 댓글이 없습니다.
30. 터널 내의 천정에 측점 A, B를 정하여 A점에서 B점으로 수준측량을 한 결과, 고저차 +20.42m, A점에서의 기계고 -2.5m, B점에서의 표척관측값 -2.25m를 얻었다. A점에 세운 망원경 중심에서 표척 관측점(B)까지의 사거리 100.25m에 대한 망원경의 연직각은?
- ① 10° 14' 12"
- ② 10° 53' 56"
- ③ 11° 53' 56"
- ④ 23° 14' 12"
등록된 댓글이 없습니다.
31. 100m2의 정사각형 토지면적을 0.2m2까지 정확하게 구하기 위한 1변의 최대허용오차는?
- ① 2mm
- ② 4mm
- ③ 5mm
- ④ 10mm
등록된 댓글이 없습니다.
32. 지구상의 △ABC를 측정한 결과, 두 변의 거리가 a=30km, b=20km이었고, 그 사잇각이 80°이었다면 이때 발생하는 구과량은? (단, 지구의 곡선반지름은 6400km로 가정한다.)
- ① 1.49"
- ② 1.62"
- ③ 2.04"
- ④ 2.24"
등록된 댓글이 없습니다.
33. 부자(float)에 의해 유속을 측정하고자 한다. 측정지점 제1단면과 제2단면간의 거리가 가장 적합한 것은? (단, 큰 하천의 경우)
- ① 1~5m
- ② 20~50m
- ③ 100~200m
- ④ 500~1000m
등록된 댓글이 없습니다.
34. 지형도 상에 나타나는 해안선의 표시기준은?
- ① 평균해면
- ② 평균고조면
- ③ 약최저저조면
- ④ 약최고고조면
등록된 댓글이 없습니다.
35. 사진의 기하학적 성질 중 공간상의 임의의 점P(Xp, Yp, Zp)와 그에 대응하는 사진 상의 점(x, y) 및 사진기의 촬영중심 0(Xo, Yo, Zo)가 동일 직선상에 있어야 하는 조건은?
- ① 수렴조건
- ② 샤임플러그 조건
- ③ 공선 조건
- ④ 소실점 조건
등록된 댓글이 없습니다.
36. 그림과 같은 유심 삼각망에서 만족하여야 할 조건이 아닌 것은?

- ① (① + ② + ⑨) - 180° = 0
- ② [① + ②] - [⑤ + ⑥] = 0
- ③ (⑨ + ⑩ + ⑪ + ⑫) - 360° = 0
- ④ (①+②+③+④+⑤+⑥+⑦+⑧) - 360° = 0
등록된 댓글이 없습니다.
37. 다음 중 지구의 형상에 대한 설명으로 틀린 것은?
- ① 회전타원체는 지구의 형상을 수학적으로 정의한 것이고, 어느 하나의 국가에 기준으로 채택한 타원체를 준거타원체라 한다.
- ② 지오이드는 물리적인 형상을 고려하여 만든 불규칙한 곡면이며, 높이 측정의 기준이 된다.
- ③ 임의 지점에서 회전타원체에 내린 법선이 적도면과 만나는 각도를 측지위도라 한다.
- ④ 지오이드 상에서 중력 포텐셜의 크기는 중력이상에 의하여 달라진다.
등록된 댓글이 없습니다.
38. 삼각측량에서 삼각점을 선점할 때 주의 사항으로 틀린 것은?
- ① 삼각형은 정삼각형에 가까울수록 좋다.
- ② 가능한 측점의 수를 많게 하고 거리가 짧을수록 유리하다.
- ③ 미지점은 최소 3개, 최대 5개의 기지점에서 정ㆍ반양방향으로 시통이 되도록 한다.
- ④ 삼각점의 위치는 다른 삼각점과 시준이 잘되어야 한다.
등록된 댓글이 없습니다.
39. 폐합트래버스 ABCD에서 각 측선의 경거, 위거가표와 같을 때, 측선의 방위각은?

- ① 133°
- ② 135°
- ③ 137°
- ④ 145°
등록된 댓글이 없습니다.
40. 초점거리가 200mm인 카메라로 촬영고도 1000m에서 촬영한 연직사진이 있다. 지상 연직점으로부터 200m 떨어진 곳의 비고 400m인 산정에 대한 사진 상의 기복 변위는?
- ① 16mm
- ② 18mm
- ③ 81mm
- ④ 82mm
등록된 댓글이 없습니다.
3과목 : 수리학 및 수문학
41. 다음 중 증발량 산정방법이 아닌 것은?
- ① 에너지수지(energy budget) 방법
- ② 물수지(water budget) 방법
- ③ IDF 곡선 방법
- ④ Penman 방법
등록된 댓글이 없습니다.
42. 물 속에 존재하는 임의의 면에 작용하는 정수압의 작용방향에 대한 설명으로 옳은 것은?
- ① 정수압은 수면에 대하여 수평방향으로 작용한다.
- ② 정수압은 수면에 대하여 수직방향으로 작용한다.
- ③ 정수압은 임의의 면에 직각으로 작용한다.
- ④ 정수압의 수직압은 존재하지 않는다.
등록된 댓글이 없습니다.
43. 도수 전후의 수심이 각각 1m, 3m일 때 에너지손실은?
- ① 1/3m
- ② 1/2m
- ③ 2/3m
- ④ 4/5m
등록된 댓글이 없습니다.
44. 사각형 단면의 광정 위어에서 월류수심 h=1m, 수로폭 b=2m, 접근유속 Va =2m/s일 때 위어의 월류량은? (단, 유량계수 C=0.65이고, 에너지 보정계수=1.0이다.)
- ① 1.76m3/s
- ② 2.21m3/s
- ③ 2.66m3/s
- ④ 2.92m3/s
등록된 댓글이 없습니다.
45. 지하수에 대한 Darcy 법칙의 유속에 대한 설명으로 옳은 것은?
- ① 영향권의 반지름에 비례한다.
- ② 동수경사에 비례한다.
- ③ 동수반경에 비례한다.
- ④ 수심에 비례한다.
등록된 댓글이 없습니다.
46. 그림과 같이 일정한 수위차가 계속 유지되는 두 수조를 서로 연결하는 관내를 흐르는 유속의 근사값은? (단, 관의 마찰손실계수=0.03, 관의 지름 D=0.3m, 관의 길이 ℓ=300m이고 관의 유입 및 유출 손실수두는 무시한다.)

- ① 1.6m/s
- ② 2.3m/s
- ③ 16m/s
- ④ 23m/s
등록된 댓글이 없습니다.
47. 수심에 비해 수로 폭이 매우 큰 사각형 수로에 유량 Q가 흐르고 있다. 동수경사를 I , 평균유속계수를 C 라고 할 때 Chezy 공식에 의한 수심은? (단, h : 수심, B : 수로 폭)
- ①

- ②

- ③

- ④

등록된 댓글이 없습니다.
48. 베르누이 정리(Bernoulli `s theorem)에 관한 표현식 중 틀린 것은? (단, z : 위치수두, p/w : 압력수두, v2/2g: 속도수두, He : 수차에 의한 유효낙차, Hp : 펌프의 총양정, h : 손실수두, 유체는 점1에서 점2로 흐른다.)
- ① 실제유체에서 손실수두를 고려할 경우

- ② 두 단면 사이에 수차(turbine)를 설치할 경우

- ③ 두 단면 사이에 펌프(pump)를 설치한 경우

- ④ 베르누이 정리를 압력항으로 표현할 경우

등록된 댓글이 없습니다.
49. 자유수면을 가지고 있는 깊은 우물에서 양수량 Q를 일정하게 퍼냈더니 최초의 수위 H가 h0로 강하하여 정상흐름이 되었다. 이 때의 양수량은? (단, 우물의 반지름 = r0, 영향원의 반지름= R, 투수계수= k)
- ①

- ②

- ③

- ④

등록된 댓글이 없습니다.
50. 비력(specific force)에 대한 설명으로 옳은 것은?
- ① 물의 충격에 의해 생기는 힘의 크기
- ② 비에너지가 최대가 되는 수심에서의 에너지
- ③ 한계수심으로 흐를 때 한 단면에서의 총 에너지 크기
- ④ 개수로의 어떤 단면에서 단위중량당 동수압과 정수 압의 합계
등록된 댓글이 없습니다.
51. 역면적이 25km2이고, 1시간에 내린 강우량이 120mm일 때 하천의 최대 유출량이 360m3/s이면 이 지역에 대한 합리식의 유출계수는?
- ① 0.32
- ② 0.43
- ③ 0.56
- ④ 0.72
등록된 댓글이 없습니다.
52. 한계수심에 대한 설명으로 틀린 것은?
- ① 한계유속으로 흐르고 있는 수로에서의 수심
- ② 흐루드 수(Froude Number)가 1인 흐름에서의 수심
- ③ 일정한 유량을 흐르게 할 때 비에너지를 최대로 하는 수심
- ④ 일정한 비에너지 아래에서 최대유량을 흐르게 할 수있는 수심
등록된 댓글이 없습니다.
53. DAD 곡선을 작성하는 순서가 옳은 것은?

- ① 가 -다 -나 - 라
- ② 나 -가 -라 - 다
- ③ 다 -나 -가 - 라
- ④ 라 -다 -나 - 가
등록된 댓글이 없습니다.
54. 다음 중 유효강우량과 가장 관계가 깊은 것은?
- ① 직접유출량
- ② 기저유출량
- ③ 지표면유출량
- ④ 지표하유출량
등록된 댓글이 없습니다.
55. 원형 관수로 내의 층류 흐름에 관한 설명으로 옳은 것은?
- ① 속도분포는 포물선이며, 유량은 지름의 4제곱에 반비례한다.
- ② 속도분포는 대수분포 곡선이며, 유량은 압력강하량에 반비례한다.
- ③ 마찰응력 분포는 포물선이며, 유량은 점성계수와 관의 길이에 반비례한다.
- ④ 속도분포는 포물선이며, 유량은 압력강하량에 비례한다.
등록된 댓글이 없습니다.
56. 오리피스에서 수축계수의 정의와 그 크기로 옳은 것은? (단, ao : 수축단면적, a : 오리피스 단면적, Vo : 수축단면의 유속, V : 이론유속)
- ①

- ②

- ③

- ④

등록된 댓글이 없습니다.
57. 관수로 흐름에서 난류에 대한 설명으로 옳은 것은?
- ① 마찰손실계수는 레이놀즈수만 알면 구할 수 있다.
- ② 관벽 조도가 유속에 주는 영향은 층류일 때보다 작다.
- ③ 관성력의 점성력에 대한 비율이 층류의 경우보다 크다.
- ④ 에너지 손실은 주로 난류효과보다 유체의 점성 때문에 발생된다.
등록된 댓글이 없습니다.
58. 강우자료의 변화요소가 발생한 과거의 기록치를 보정하기 위하여 전반적인 자료의 일관성을 조사하려고 할 때, 사용할 수 있는 가장 적절한 방법은?
- ① 정상연강수량비율법
- ② DAD분석
- ③ Thiessen의 가중법
- ④ 이중누가우량분석
등록된 댓글이 없습니다.
59. 물이 담겨 있는 그릇을 정지 상태에서 가속도 a로 수평으로 잡아당겼을 때 발생되는 수면이 수평면과 이루는 각이 30°이었다면 가속도 a는? (단, 중력가속도=9.8m/s2)
- ① 약 4.9m/s2
- ② 약 5.7m/s2
- ③ 약 8.5m/s2
- ④ 약 17.0m/s2
등록된 댓글이 없습니다.
60. 동점성계수의 차원으로 옳은 것은?
- ① [FL-2T]
- ② [L2 T-1]
- ③ [FT-4T-2]
- ④ [FL2]
등록된 댓글이 없습니다.
4과목 : 철근콘크리트 및 강구조
61. 아래 그림과 같은 단철근 T형보의 공칭휨모멘트 강도(Mn)은 얼마인가? (단, fck=24 MPa, fy=400 MPa이고, As=4500mm2)

- ① 1123.13 kNㆍm
- ② 1289.15 kNㆍm
- ③ 1449.18 kNㆍm
- ④ 1590.32 kNㆍm
등록된 댓글이 없습니다.
62. 아래 그림과 같은 두께 19mm 평판의 순단면적을 구하면? (단, 볼트 체결을 위한 강판 구멍의 작은 직경은 25mm이다.)

- ① 3270mm2
- ② 3800mm2
- ③ 3920mm2
- ④ 4530mm2
등록된 댓글이 없습니다.
63. 구조물을 해석하여 설계하고자 할 때 계수고정하중은 항상 작용하고 있으므로 모든 경간에 재하시키면 되지만, 계수활하중은 그렇지 않을 수도 있다. 계수활하중을 배치하는 방법 중에서 적절하지 않은 방법은?
- ① 해당 바닥판에만 재하된 것으로 보아 해석한다.
- ② 고정하중과 활하중의 하중조합은 모든 경간에 재하된 계수고정하중과 두 인접 경간에 만재된 계수활하중의 조합하중으로 해석한다.
- ③ 고정하중과 활하중의 하중조합은 모든 경간에 재하된 계수고정하중과 한 경간씩 건너서 만재된 계수활하중과의 조합하중으로 해석한다.
- ④ 고정하중과 활하중의 하중조합은 모든 경간에 재하된 계수고정하중과 모든 경간에 만재된 계수활하중의 조합하중으로 해석한다.
등록된 댓글이 없습니다.
64. 부분적 프리스트레싱(Partial Prestressing)에 대한 설명으로 옳은 것은?
- ① 구조물에 부분적으로 PSC부재를 사용하는 것
- ② 부재단면의 일부에만 프리스트레스를 도입하는 것
- ③ 설계하중의 일부만 프리스트레스에 부담시키고 나머지는 긴장재에 부담시키는 것
- ④ 설계하중이 작용할 때 PSC부재단면의 일부에 인장 응력이 생기는 것
등록된 댓글이 없습니다.
65. 콘크리트의 설계기준압축강도(fck)가 50MPa인 경우 콘크리트 탄성계수 및 크리프 계산에 적용되는 콘크리트의 평균압축강도(fcu)는?
- ① 54MPa
- ② 55MPa
- ③ 56MPa
- ④ 57MPa
등록된 댓글이 없습니다.
66. 1방향 슬래브의 구조상세에 대한 설명으로 틀린 것은?
- ① 1방향 슬래브의 두께는 최소 100mm 이상으로 하여야 한다.
- ② 슬래브의 단변방향 보의 상부에 부모멘트로 인해 발생하는 균열을 방지하기 위하여 슬래브의 장변방향으로 슬래브 상부에 철근을 배치하여야 한다.
- ③ 슬래브의 정모멘트 철근 및 부모멘트 철근의 중심 간격은 위험단면에서는 슬래브 두께의 2배 이하이어야 하고, 또한 300mm 이하로 하여야 한다.
- ④ 슬래브의 정모멘트 철근 및 부모멘트 철근의 중심 간격은 위험단면을 제외한 단면에서는 슬래브 두께의 4배 이하이어야 하고, 또한 600mm 이하로 하여야 한다.
등록된 댓글이 없습니다.
67. 나선철근 압축부재 단면의 심부지름이 400mm, 기둥단면 지름이 500mm인 나선철근 기둥의 나선철근비는 최소 얼마 이상이어야 하는가? (단, 나선철근의 설계기 준항복강도(fyt) = 400MPa, fck = 21MPa)
- ① 0.0133
- ② 0.0201
- ③ 0.0248
- ④ 0.0304
등록된 댓글이 없습니다.
68. 철근 콘크리트 휨 부재설계에 대한 일반원칙을 설명한 것으로 틀린 것은?
- ① 인장철근이 설계기준항복강도에 대응하는 변형률에 도달하고 동시에 압축 콘크리트가 가정된 극한 변형률인 0.003에 도달할 때, 그 단면이 균형변형률 상태에 있다고 본다.
- ② 철근의 항복강도가 400MPa 이하인 경우, 압축연단 콘크리트가 가정된 극한 변형률인 0.003에 도달할 때 최외단 인장철근 순인장변형률이 0.005의 인장지배변형률 한계 이상인 단면을 인장지배단면이라고 한다.
- ③ 철근의 항복강도가 400MPa을 초과하는 경우, 인장 지배변형률한계를 철근 항복변형률의 1.5배로 한다.
- ④ 순인장변형률이 압축지배변형률 한계와 인장지배변 형률 한계 사이인 단면은 변화구간단면이라고 한다.
등록된 댓글이 없습니다.
69. 아래 그림과 같은 리벳이음에서 필요한 최소 리벳수를 구하면? (단, 리벳의 허용 전단응력은 100MPa, 허용 지압응력은 200MPa이고, φ22mm이다.)

- ① 4개
- ② 5개
- ③ 6개
- ④ 7개
등록된 댓글이 없습니다.
70. 아래 그림과 같은 복철근 직사각형보에 대한 설명으로 옳은 것은? (단, fck=21MPa fy=300MPa, 압축부콘크리트의 최대변형률은 0.003이고 인장철근의 응력은fy에 도달한다.)

- ① 압축철근은 항복응력에 도달하지 못한다.
- ② 등가직사각형 응력블록의 깊이(a)는 280.1mm이다.
- ③ 이 단면의 변화구간에 속한다.
- ④ 이 단면의 공칭휨강도(Mn)는 788.4 kNㆍm이다.
등록된 댓글이 없습니다.
71. 복철근으로 설계해야 할 경우를 설명한 것으로 잘못된 것은?
- ① 단면이 넓어서 철근을 고루 분산시키기 위해
- ② 정, 부 모멘트를 교대로 받는 경우
- ③ 크리프에 의해 발생하는 장기처짐을 최소화하기 위해
- ④ 보의 높이가 제한되어 철근의 증가로 휨강도를 증가 시키기 위해
등록된 댓글이 없습니다.
72. 아래 그림과 같은 필렛용접의 현상에서 s=9mm일 때 목두께 a의 값으로 가장 적당한 것은?

- ① 5.46mm
- ② 6.36mm
- ③ 7.26mm
- ④ 8.16mm
등록된 댓글이 없습니다.
73. bw=300, d=500mm인 단철근직사각형 보가 있다. 강도설계법으로 해석할 때 최소철근량은 얼마인가? (단, fck=35MPa, fy=400MPa이다.)
- ① 555mm2
- ② 525mm2
- ③ 505mm2
- ④ 485mm2
등록된 댓글이 없습니다.
74. 경간이 8m인 직사각형 PSC보(b=300mm, h=500mm)에 계수하중 w=40kN/m가 작용할 때 인장측의 콘크리트 응력이 0이 되려면 얼마의 긴장력으로 PS강재를 긴장해야 하는가? (단, PS강재는 콘크리트 단면도심에 배치되어 있음)

- ① P=1250kN
- ② P=1880kN
- ③ P=2650kN
- ④ P=3840kN
등록된 댓글이 없습니다.
75. 직사각형 보에서 계수 전단력 Vu=70kN을 전단철근 없이 지지하고자 할 경우 필요한 최소 유효깊이 d는 약 얼마인가? (단, bw=400mm, f ck=21MPa, fy=350MPa)
- ① d=426mm
- ② d=556mm
- ③ d=611mm
- ④ d=751mm
등록된 댓글이 없습니다.
76. 그림에 나타난 직사각형 단철근 보의 설계휨강도(φMn)를 구하기 위한 강도감소계수( φ )는 얼마인가? (단, fck=28MPa, fy=400MPa)

- ① 0.85
- ② 0.84
- ③ 0.82
- ④ 0.79
등록된 댓글이 없습니다.
77. 그림과 같은 정사각형 독립확대 기초 저면에 작용하는 지압력이 q=100kPa 일 때 휨에 대한 위험단면의 휨모멘트 강도는 얼마인가?

- ① 216 kNㆍm
- ② 360 kNㆍm
- ③ 260 kNㆍm
- ④ 316 kNㆍm
등록된 댓글이 없습니다.
78. 길이가 3m인 캔틸레버보의 자중을 포함한 계수등분 포하중이 100kN/m일 때 위험단면에서 전단철근이 부담해야 할 전단력은 약 얼마인가? (단, fck=24MPa, fy= 300MPa, b=300mm, d=500mm)
- ① 185kN
- ② 211kN
- ③ 227kN
- ④ 239kN
등록된 댓글이 없습니다.
79. 부재의 최대모멘트 Ma와 균열모멘트 Mcr의 비(Ma/Mcr)가 0.95인 단순보의 순간처짐을 구하려고 할때 사용되는 유효단면 2차모멘트( I e )의 값은? (단, 철근을 무시한 중립축에 대한 총단면의 단면2차모멘트는 Ig=540000cm4이고, 균열 단면의 단면2차모멘트 Icr =345080cm4이다.)
- ① 200738cm4
- ② 345080cm4
- ③ 540000cm4
- ④ 570724cm4
등록된 댓글이 없습니다.
80. 단면이 400×500mm이고 150mm2의 PSC강선 4개를 단면 도심축에 배치한 프리텐션 PSC부재가 있다. 초기 프리스트레스가 1000MPa일 때 콘크리트의 탄성변형에 의한 프리스트레스 감소량의 값은? (단, n=6)
- ① 22MPa
- ② 20MPa
- ③ 18MPa
- ④ 16MPa
등록된 댓글이 없습니다.
5과목 : 토질 및 기초
81. 흙의 내부마찰각( φ)은 20°, 점착력(c)이 2.4t/m2이고, 단위중량(γt)은 1.93t/m3인 사면의 경사각이 45°일 때 임계높이는 약 얼마인가? (단, 안정수 m=0.06)
- ① 15m
- ② 18m
- ③ 21m
- ④ 24m
등록된 댓글이 없습니다.
82. 그림에서 정사각형 독립기초 2.5m×2.5m가 실트질 모래 위에 시공되었다. 이때 근입깊이가 1.50m인 경우 허용지지력은 약 얼마인가? (단, Nc=35, Nγ=Nq=20, 안전율은 3)

- ① 25t/m2
- ② 30t/m2
- ③ 35t/m2
- ④ 45t/m2
등록된 댓글이 없습니다.
83. jaky의 정지토압계수를 구하는 공식 K0=1-sinφ'가 가장 잘 성립하는 토질은?
- ① 과압밀점토
- ② 정규압밀점토
- ③ 사질토
- ④ 풍화토
등록된 댓글이 없습니다.
84. φ=33°인 사질토에 25°경사의 사면을 조성하려고 한다. 이 비탈면의 지표까지 포화되었을 때 안전율을 계산 하면?(단, 사면 흙의 γsat=1.8t/m3)
- ① 0.62
- ② 0.70
- ③ 1.12
- ④ 1.41
등록된 댓글이 없습니다.
85. Terzaghi의 1차 압밀에 대한 설명으로 틀린 것은?
- ① 압밀방정식은 점토 내에 발생하는 과잉간극수압의 변화를 시간과 배수거리에 따라 나타낸 것이다.
- ② 압밀방정식을 풀면 압밀도를 시간계수의 함수로 나타낼 수 있다.
- ③ 평균압밀도는 시간에 따른 압밀침하량을 최종압밀침 하량으로 나누면 구할 수 있다.
- ④ 하중이 증가하면 압밀침하량이 증가하고 압밀도도 증가한다.
등록된 댓글이 없습니다.
86. 아래 그림에서 투수계수 K=4.8×10-3cm/sec일 때 Darcy 유출속도 v 와 실제 물의 속도(침투속도) vs는?

- ① v=3.4×10-4cm/sec, vs=5.6×10-4cm/sec
- ② v=3.4×10-4cm/sec, vs=9.4 ×10-4cm/sec
- ③ v=5.8×10-4cm/sec, vs=10.8×10-4cm/sec
- ④ v=5.8×10-4cm/sec, vs=13.2×10-4cm/sec
등록된 댓글이 없습니다.
87. 점토광물에서 점토입자의 동형치환(同形置換)의 결과로 나타나는 현상은?
- ① 점토입자의 모양이 변화되면서 특성도 변하게 된다.
- ② 점토입가가 음(-)으로 대전된다.
- ③ 점토입자의 풍화가 빨리 진행된다.
- ④ 점토입자의 화학성분이 변화되었으므로 다른 물질로 변한다.
등록된 댓글이 없습니다.
88. 토립자가 둥글고 입도분포가 나쁜 모래지반에서 표준관입시험을 한 결과 N치는 10이었다. 이 모래의 내부 마찰각을 Dunham의 공식으로 구하면?
- ① 21°
- ② 26°
- ③ 31°
- ④ 36°
등록된 댓글이 없습니다.
89. 연약점성토층을 관통하여 철근콘크리트 파일을 박았을 때 부마찰력(Negateive friction)은? (단, 이때 지반의 일축압축강도 qu=2t/m2, 파일직경 D=50cm, 관입깊이 l=10m이다.)
- ① 15.71t
- ② 18.53t
- ③ 20.82t
- ④ 24.24t
등록된 댓글이 없습니다.
90. 다음은 전단시험을 한 응력경로이다. 어느 경우인가?

- ① 초기단계의 최대주응력과 최소주응력이 같은 상태에서 시행한 삼축압축시험의 전응력 경로이다.
- ② 초기단계의 최대주응력과 최소주응력이 같은 상태에서 시행한 일축압축시험의 전응력 경로이다.
- ③ 초기단계의 최대주응력과 최소주응력이 같은 상태에서 Ko=0.5인 조건에서 시행한 삼축압축시험의 전응력 경로이다.
- ④ 초기단계의 최대주응력과 최소주응력이 같은 상태에서 Ko=0.7인 조건에서 시행한 일축압축시험의 전응력 경로이다.
등록된 댓글이 없습니다.
91. 다음 그림에서 분사현상에 대한 안전율을 구하면?

- ① 1.01
- ② 1.33
- ③ 1.66
- ④ 2.01
등록된 댓글이 없습니다.
92. 단위중량(γt)=1.9t/m3, 내부마찰각( φ)=30°, 정지토압계수(Ko)=0.5인 균질한 사질토지반이 있다. 지하수위면이 지표면 아래 2m 지점에 있고 지하수위면 아래의 단위중량(γsat)=2.0t/m3이다. 지표면 아래 4m 지점에서 지반내 응력에 대한 다음 설명 중 틀린 것은?
- ① 간극수압(u)은 2.0t/m2이다.
- ② 연직응력(σv)은 8.0t/m2이다.
- ③ 유효연직응력(σv)은 5.8t/m2이다.
- ④ 유효수평응력(σh)은 2.9t/m2이다.
등록된 댓글이 없습니다.
93. 그림과 같이 6m 두께의 모래층 밑에 2m 두께의 점토층이 존재한다. 지하수면은 지표아래 2m지점에 존재한다. 이때, 지표면에 ΔP=5.0t/m2의 등분포하중이 작용하여 상당한 시간이 경과한 후, 점토층의 중간높이 A점에 피에조미터를 세워 수두를 측정한 결과, h=4.0m로 나타났다면 A점의 압밀도는?

- ① 20%
- ② 30%
- ③ 50%
- ④ 80%
등록된 댓글이 없습니다.
94. 다음은 주요한 Sounding(사운딩)의 종류를 나타낸 것이다. 이 가운데 사질토에 가장 적합하고 점성토에서도 쓰이는 조사법은?
- ① 더치 콘(Dutch Cone) 관입시험기
- ② 베인 시험기(Vave tester)
- ③ 표준관입시험기
- ④ 이스키메타(Iskymeter)
등록된 댓글이 없습니다.
95. 모래지반에 30cm×30cm의 재하실험을 한 결과 10t/m2의 극한 지지력을 얻었다. 4m×4m의 기초를 설치할 때 기대되는 극한지지력은?
- ① 10t/m2
- ② 100t/m2
- ③ 133t/m2
- ④ 154t/m2
등록된 댓글이 없습니다.
96. 흙의 다짐에 관한 설명으로 틀린 것은?
- ① 다짐에너지가 클수록 최대건조단위중량 γdmax)은 커진다.
- ② 다짐에너지가 클수록 최적함수비(wopt)는 커진다.
- ③ 점토를 최적함수비(wopt)보다 작은 함수비로 다지면 면모구조를 갖는다.
- ④ 투수계수는 최적함수비( wopt) 근처에서 거의 최소값을 나타낸다.
등록된 댓글이 없습니다.
97. 통일분류법에 의한 분류기호와 흙의 성질을 표현한 것으로 틀린 것은?
- ① GP – 입도분포가 불량한 자갈
- ② GC– 점토 섞인 자갈
- ③ CL – 소성이 큰 무기질 점토
- ④ SM– 실트 섞인 모래
등록된 댓글이 없습니다.
98. 정규압밀점토에 대하여 구속응력 1kg/cm2로 압밀배수 시험한 결과 파괴시 축차응력이 2kg/cm2이었다. 이흙의 내부마찰각은?
- ① 20°
- ② 25°
- ③ 30°
- ④ 40°
등록된 댓글이 없습니다.
99. 무게 320kg인 드롭 햄머(drop hammer)로 2m의 높이에서 말뚝을 때려 박았더니 침하량이 2cm이었다. Sander의 공식을 사용할 때 이 말뚝의 허용지력은?
- ① 1,000kg
- ② 2,000kg
- ③ 3,000kg
- ④ 4,000kg
등록된 댓글이 없습니다.
100. 모래지층 사이에 두께 6m의 점토층이 있다. 이 점토의 토질 실험결과가 아래 표와 같을 때, 이 점토층의 90% 압밀을 요하는 시간은 약 얼마인가? (단, 1년은 365일로 계산)

- ① 52.2년
- ② 12.9년
- ③ 5.22년
- ④ 1.29년
등록된 댓글이 없습니다.
6과목 : 상하수도공학
101. 우수관거 및 합류관거 내에서의 부유물 침전을 막기 위하여 계획우수량에 대하여 요구되는 최소 유속은?
- ① 0.3m/s
- ② 0.6m/s
- ③ 0.8m/s
- ④ 1.2m/s
등록된 댓글이 없습니다.
102. 그림은 유효저수량을 결정하기 위한 유량누가곡선도이다. 이 곡선의 유효저수용량을 의미하는 것은?

- ① MK
- ② IP
- ③ SJ
- ④ OP
등록된 댓글이 없습니다.
103. 지름 15cm, 길이 50m인 주철관으로 유량 0.03m3/s의 물을 50m 양수하려고 한다. 양수시 발생되는 총 손실수두가 5m 이었다면 이 펌프의 소요축동력(kW)은? (단, 여유율은 0이며 펌프의 효율은 80%이다.)
- ① 20.2 kW
- ② 30.5 kW
- ③ 33.5 kW
- ④ 37.2 kW
등록된 댓글이 없습니다.
104. 혐기성 소화법과 비교할 때, 호기성 소화법의 특징으로 옳은 것은?
- ① 최초시공비 과다
- ② 유기물 감소율 우수
- ③ 저온시의 효율 향상
- ④ 소화슬러지의 탈수 불량
등록된 댓글이 없습니다.
105. 다음 중 해수 중의 염분을 제거하는데 주로 사용되는 분리법은?
- ① 정밀여과법
- ② 한외여과법
- ③ 나노여과법
- ④ 역삼투법
등록된 댓글이 없습니다.
106. 급속여과지에서 여과시의 균등계수에 관한 설명으로 틀린 것은?
- ① 균등계수의 상한은 1.7이다.
- ② 입경분포의 균일한 정도를 나타낸다.
- ③ 균등계수가 1에 가까울수록 탁질억류가능량은 증가한다.
- ④ 입도가적곡선의 50% 통과직경과 5% 통과직경에 의해 구한다.
등록된 댓글이 없습니다.
107. 슬러지밀도지표( SDI )와 슬러지용량지표( SVI )와의 관계로 옳은 것은?
- ①

- ②

- ③

- ④

등록된 댓글이 없습니다.
108. 정수장 배출수 처리의 일반적인 순서로 옳은 것은?
- ① 농축 → 조정 → 탈수 → 처분
- ② 농축 → 탈수 → 조정 → 처분
- ③ 조정 → 농축 → 탈수 → 처분
- ④ 조정 → 탈수 → 농축 → 처분
등록된 댓글이 없습니다.
109. 계획오수량에 대한 설명으로 옳은 것은?
- ① 계획1일최대오수량은 계획시간최대오수량을 1일의 수량으로 환산하여 1.3~1.8배를 표준으로 한다.
- ② 합류식에서 우천 시 계획오수량은 원칙적으로 계획 1일 평균오수량의 3배 이상으로 한다.
- ③ 계획1일평균오수량은 계획1일최대오수량의 70~80%를 표준으로 한다.
- ④ 지하수량은 계획1일평균오수량의 10~20%로 한다.
등록된 댓글이 없습니다.
110. 일반적인 생물학적 인 제거 공정에 필요한 미생물 의 환경조건으로 가장 옳은 것은?
- ① 혐기, 호기
- ② 호기, 무산소
- ③ 무산소, 혐기
- ④ 호기, 혐기, 무산소
등록된 댓글이 없습니다.
111. 계획하수량을 수용하기 위한 관거의 단면과 경사를 결정함에 있어 고려할 사항으로 틀린 것은?
- ① 관거의 경사는 일반적으로 지표경사에 따라 결정하며, 경제성 등을 고려하여 적당한 경사를 정한다.
- ② 오수관거의 최소관경은 200mm를 표준으로 한다.
- ③ 관거의 단면은 수리학적으로 유리하도록 결정한다.
- ④ 경사는 하류로 갈수록 점차 급해지도록 한다.
등록된 댓글이 없습니다.
112. 배수면적 2km2인 유역 내 강우의 하수관거 유입시 간이 6분, 유출계수가 0.70일 때 하수관거 내 유속이 2m/s인 1km 길이의 하수관에서 유출되는 우수량은? (단, 강우강도 , t의 단위 : [분])
- ① 0.3m3/s
- ② 2.6m3/s
- ③ 34.6m3/s
- ④ 43.9 m3/s
등록된 댓글이 없습니다.
113. 상수도의 정수공정에서 염소소독에 대한 설명으로 틀린 것은?
- ① 염소 살균력은 HOCL < OCL⁻ <클로라민의 순서이다.
- ② 염소소독의 부산물로 생성되는 THM은 발암성이 있다.
- ③ 암모니아성질소가 많은 경우에는 클로라민이 형성된다.
- ④ 염소살균은 오존살균에 비해 가격이 저렴하다.
등록된 댓글이 없습니다.
114. 유입수량이 50m3/min, 침전지 용량이 3000m3, 침전지 유효수심이 6m일 때 수면부하율(m3/m2·day)은?
- ① 115.2
- ② 125.2
- ③ 144.0
- ④ 154.0
등록된 댓글이 없습니다.
115. 다음 중 생물학적 작용에서 호기성 분해로 인한 생성물이 아닌 것은?
- ① CO2
- ② CH4
- ③ NO3
- ④ H2O
등록된 댓글이 없습니다.
116. 도수관거에 관한 설명으로 틀린 것은?
- ① 관경의 산정에 있어서 시점의 고수위, 종점의 저수위를 기준으로 동수경사를 구한다.
- ② 자연유하식 도수관거의 평균유속의 최소한도는 0.3m/s로 한다.
- ③ 자연유하식 도수관거의 평균유속의 최대한도는 3.0m/s로 한다.
- ④ 도수관거 동수경사의 통상적인 범위는 1/1000~1/3000이다.
등록된 댓글이 없습니다.
117. 계획급수량에 대한 설명 중 틀린 것은?
- ① 계획1일최대급수량은 계획1인1일최대급수량에 계획 급수인구를 곱하여 결정할 수 있다.
- ② 계획1일평균급수량은 계획1인최대급수량의 60%를 표준으로 한다.
- ③ 송수시설의 계획송수량은 원칙적으로 계획1일 최대 급수량을 기준으로 한다.
- ④ 취수시설의 게획취수량은 계획1일최대급수량을 기준으로 한다.
등록된 댓글이 없습니다.
118. 포기조에 가해진 BOD부하 1kg당 100m3의 공기를 주입시켜야 한다면 BOD가 150mg/L인 하수 7570m3/day를 처리하기 위해서는 얼마의 공기를 주입하여야 하는가?
- ① 7570m3/day
- ② 11350m3/day
- ③ 75700m3/day
- ④ 113550m3/day
등록된 댓글이 없습니다.
119. 하수처리를 위한 펌프장시설에 파쇄장치를 설치하는 경우 유의사항에 대한 설명으로 틀린 것은?
- ① 파쇄장치에는 반드시 스크린이 설치된 바이패스(By-pass)관을 설치하여야 한다.
- ② 파쇄장치는 침사지의 상류 측 및 펌프설비의 하류측에 설치하는 것을 원칙으로 한다.
- ③ 파쇄장치는 유지관리를 고려하여 유입 및 유출 측에 수문 또는 stoplog를 설치하는 것을 표준으로 한다.
- ④ 파쇄기는 원칙적으로 2대 이상으로 설치하며, 1대를 설치하는 경우 바이패스 수로를 설치한다.
등록된 댓글이 없습니다.
120. 오수 및 우수의 배제방식인 분류식과 합류식에 대한 설명으로 틀린 것은?
- ① 합류식은 관의 단면적이 크기 때문에 폐쇄의 염려가 적다.
- ② 합류식은 일정량 이상이 되면 우천 시 오수가 월류 할 수 있다.
- ③ 분류식은 합류식에 비하여 일반적으로 관거의 부설 비가 많이 든다.
- ④ 분류식은 별도의 시설 없이 오염도가 심한 초기우수를 유입시켜 처리한다.
등록된 댓글이 없습니다.