토목기사(2004. 9. 5.) 시험일자 : 2004년 9월 5일
1과목 : 응용역학
1. 그림과 같이 두개의 활차를 사용하여 물체를 매달 때 3개의 물체가 평형을 이루기 위한 θ 값은? (단, 로우프와 활차의 마찰은 무시한다.)

- ① 30°
- ② 45°
- ③ 60°
- ④ 120°
등록된 댓글이 없습니다.
2. 그림과 같은 삼각형 물체에 x 방향으로 Px = 4t, y 방향으로 Py = √3 t 으로 잡아 당길 때 평형을 이루기 위한BC 면의 저항력 P 의 값은? (단, 물체는 단위 길이에 대하여 고려한다.)

- ① 3.5 t
- ② 1.5 t
- ③ 4.3 t
- ④ 5.5 t
등록된 댓글이 없습니다.
3. 30cm× 40cm× 200cm의 나무기둥에 P = 5ton 이 가해질 때 길이의 변형량은? (단, 목재의 탄성계수 E = 85× 103 kg/cm2 이다.)
- ① 1.0091 cm
- ② 0.1010 cm
- ③ 0.0101 cm
- ④ 0.0098 cm
등록된 댓글이 없습니다.
4. 어떤 요소를 스트레인 게이지로 계측하여 이 요소의 x방향 변형율 εx = 2.67 x 10-4, y 방향 변형율 εy = 6.07x10-4을 얻었다면 x 방향의 응력 σx는 얼마인가? (단, 이 요소의 프와송비:0.3, 탄성계수: 2x106 kg/cm2 )
- ① 654 kg/cm2
- ② 765 kg/cm2
- ③ 876 kg/cm2
- ④ 987 kg/cm2
등록된 댓글이 없습니다.
5. 다음 그림과 같은 3활절 포물선 아아치의 수평반력은?

- ①

- ②

- ③

- ④

등록된 댓글이 없습니다.
6. 그림에서 P1 이 단순보의 C점에 작용하였을 때 C 및 D점의 수직변위가 각각 0.4cm, 0.3cm 이고 P2 가 D점에 단독으로 작용하였을 때 C, D점의 수직변위는 0.2cm, 0.25cm였다. P1과 P2가 동시에 작용하였을 때의 일 W는?

- ① W = 2.05 t·cm
- ② W = 1.45 t·cm
- ③ W = 2.85 t·cm
- ④ W = 1.90 t·cm
등록된 댓글이 없습니다.
7. 다음 가상일의 원리에 대한 사항중 옳지 않은것은?
- ① 에너지 불변의 법칙이 성립된다.
- ② 단위하중법 이라고도 한다.
- ③ 가상 변위는 임의로 선정할 수가 없다.
- ④ 재료는 탄성한도 내에서 거동한다고 가정한다.
등록된 댓글이 없습니다.
8. 다음 그림과 같은 보에서 A점의 반력을 구하면?

- ① 1.18t(↑ )
- ② 1.58t(↑ )
- ③ 2.18t(↑ )
- ④ 2.58t(↑ )
등록된 댓글이 없습니다.
9. 다음 라멘에서 MD로 옳은 것은?

- ① 1t·m
- ② 2t·m
- ③ 3t·m
- ④ 4t·m
등록된 댓글이 없습니다.
10. 단면1차 모멘트와 같은차원을 갖는 것은?
- ① 회전반경
- ② 단면계수
- ③ 단면2차 모멘트
- ④ 단면상승 모멘트
등록된 댓글이 없습니다.
11. 다음 그림과 같은 단순보의 중앙점 C에 집중하중 P가 작용하여 중앙점의 처짐 δ 가 발생했다. δ 가 0이 되도록 양쪽지점에 모멘트 M을 작용시키려고 할 때 이 모멘트의 크기 M을 하중 P와 지간ℓ 로 나타내면 얼마인가? (단, EI는 일정하다.)

- ①

- ②

- ③

- ④

등록된 댓글이 없습니다.
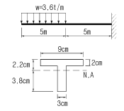
12. 주어진 T형보 단면의 캔틸레버에서 최대 전단 응력을 구하면 얼마인가? (단, T형보 단면의 IN.A=86.8cm4 이다.)

- ① 1456.8 kg/cm2
- ② 1497.2 kg/cm2
- ③ 1520.3 kg/cm2
- ④ 1533.2 kg/cm2
등록된 댓글이 없습니다.
13. 다음 그림에서 처짐각 θA 는?

- ①

- ②

- ③

- ④

등록된 댓글이 없습니다.
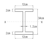
14. 다음 단면의 도심을 지나는 x축에 대한 단면2차 모멘트를 구하면?

- ① 15004cm4
- ② 14004cm4
- ③ 13004cm4
- ④ 12004cm4
등록된 댓글이 없습니다.
15. 평면응력상태 하에서의 모아(Mohr)의 응력원에 대한 설명 중 옳지 않은 것은?
- ① 최대 전단응력의 크기는 두 주응력의 차이와 같다.
- ② 모아 원의 중심의 x 좌표값은 직교하는 두 축의 수직 응력의 평균값과 같고 y 좌표값은 0이다.
- ③ 모아 원이 그려지는 두 축 중 연직(y)축은 전단응력의 크기를 나타낸다.
- ④ 모아 원으로부터 주응력의 크기와 방향을 구할 수있다.
등록된 댓글이 없습니다.
16. 그림과 같은 구조물에서 A점의 휨모멘트의 크기는?

- ① 1/12 x (w L2)
- ② 7/24 x (w L2)
- ③ 5/48 x (w L2)
- ④ 11/96 x (w L2)
등록된 댓글이 없습니다.
17. 그림과 같이 단순보에 하중 P가 경사지게 작용시 A점에서의 수직반력 VA를 구하면?

- ①

- ②

- ③

- ④

등록된 댓글이 없습니다.
18. 양단이 고정된 기둥에 축방향력에 의한 좌굴하중 Pcr을 구하면? (E:탄성계수 I:단면2차 모멘트 L:기둥의 길이)
- ①

- ②

- ③

- ④

등록된 댓글이 없습니다.
19. 단순보의 중앙에 수평하중 P가 작용할 때 B점에서의 처짐 각을 구하면?

- ①

- ②

- ③

- ④

등록된 댓글이 없습니다.
20. 다음의 부정정 구조물을 모멘트 분배법으로 해석하고자 한다. C점이 롤러지점임을 고려한 수정 강도계수에 의하여 B점에서 C점으로 분배되는 분배율 fBC를 구하면?

- ① 1/2
- ② 3/5
- ③ 4/7
- ④ 5/7
등록된 댓글이 없습니다.
2과목 : 측량학
21. 노선설치에서 단곡선을 설치할 때 곡선의 중앙종거(M)를 구하는 식은?

- ①

- ②

- ③

- ④

등록된 댓글이 없습니다.
22. 전진법(前進法)에 의하여 6각형의 토지를 측정하였다. 측점 A를 출발하여 B,C,D,E,F,A에 돌아 왔을 때 폐합오차가 30cm이었다면 측점 D의 오차 분배량은? (단, AB = 60m, BC = 40m, CD = 30m, DE = 50m, EF = 20m, FA = 50m)
- ① 0.072m
- ② 0.120m
- ③ 0.156m
- ④ 0.216m
등록된 댓글이 없습니다.
23. 지오이드(Geoid)에 대한 설명 중 옳지 않은 것은?
- ① 평균해수면을 육지까지 연장하여 지구전체를 둘러싼 곡면이다.
- ② 지오이드면은 등포텐셜면으로 중력방향은 이 면에 수직이다.
- ③ 지오이드는 지표 위 모든 점의 위치를 결정하기 위해 수학적으로 정의된 타원체이다.
- ④ 실제로 지오이드면은 굴곡이 심하므로 측지측량의 기준으로 채택하기 어렵다.
등록된 댓글이 없습니다.
24. 주점기선장이 밀착사진에서 10cm일 때 25cm× 25cm인 항공사진의 중복도는?
- ① 50%
- ② 60%
- ③ 70%
- ④ 80%
등록된 댓글이 없습니다.
25. 대단위 지역의 삼각측량에서 구면삼각형에 대한 설명으로 옳지 않은 것은?
- ① 세변이 대원의 호로된 삼각형을 구면삼각형이라 한다
- ② 평면측량에서 이용되는 평면각은 대부분 타원체면이나 구면삼각형에 관한 것이다.
- ③ 구면삼각형의 세내각의 합이 180° 를 넘을때 초과 된량을 구과량이라 한다.
- ④ 구과량은 구면삼각형의 면적에 비례하고 구의 반경의 제곱에 반비례한다.
등록된 댓글이 없습니다.
26. 다음 등고선에서 AB 사이의 수평거리가 60m이면 AB 선의 경사는?

- ① 10%
- ② 15%
- ③ 20%
- ④ 25%
등록된 댓글이 없습니다.
27. 어느 하천의 최대 수심 4m인 장소에서 깊이를 변화시켜서 유속관측을 행할 때, 표와 같은 결과를 얻었다. 3점법에 의해서 유속을 구하면 그 값은?

- ① 3.9m/s
- ② 4.1m/s
- ③ 4.3m/s
- ④ 5.3m/s
등록된 댓글이 없습니다.
28. 다음 축척에 대한 설명 중 옳은 것은?
- ① 축척 1/500 도면상 면적은 실제면적의 1/1000 이다.
- ② 축척 1/600의 도면을 1/200로 확대했을 때 도면의 면적은 3배가 된다.
- ③ 축척 1/300 도면상 면적은 실제면적의 1/9000 이다.
- ④ 축척 1/500인 도면을 축척 1/1000로 축소했을 때 도면의 면적은 1/4 이 된다.
등록된 댓글이 없습니다.
29. 도로시공에서 단곡선의 외선장(E)는 10m, 교각(I)는 60°일 때에 이 단곡선의 접선장(TL)은?
- ① 42.4m
- ② 37.2m
- ③ 32.4m
- ④ 27.3m
등록된 댓글이 없습니다.
30. 다음과 같은 수준측량에서 B점의 지반고(Elevation)는 얼마인가? (단, α= 12°13′00″, A점의 지반고 = 46.40m H I = 1.54m(기계고), Rod Reading = 1.30m AB = 46.8m(수평거리))

- ① 55.23m
- ② 56.53m
- ③ 56.77m
- ④ 58.07m
등록된 댓글이 없습니다.
31. 다음 삼각측량의 결과로부터 BC 의 변장을 구하면? (단, ∠A = 54° 29' 13", ∠B = 44° 11' 22", ∠C = 81° 19' 34", AB = 500m)

- ① 352.544m
- ② 382.549m
- ③ 411.697m
- ④ 442.700m
등록된 댓글이 없습니다.
32. 다각측량의 각관측 방법 중 방위각법에 대한 설명이 아닌 것은?
- ① 각 측선이 일정한 기준선과 이루는 각을 우회로 관측하는 방법이다.
- ② 지역이 험준하고 복잡한 지역에서는 적합하지 않다.
- ③ 각각이 독립적으로 관측되므로 오차 발생시 오차의 영향이 독립적이므로 이후의 측량에 영향이 없다.
- ④ 각관측값의 계산과 제도가 편리하고 신속히 관측할수 있다.
등록된 댓글이 없습니다.
33. 측량에서 위치를 좌표로 표시할때 U.T.M 좌표계에서는 우리나라가 52S 부분에 속한다. 이 좌표는 경도를 어디서 어떠한 방법으로 구분한 것인가?
- ① 경도 180° 에서 동쪽으로 6° 씩 구분한 것
- ② 경도 180° 에서 서쪽으로 8° 씩 구분한 것
- ③ 경도 0° 에서 동쪽으로 8° 씩 구분한 것
- ④ 경도 0° 에서 서쪽으로 6° 씩 구분한 것
등록된 댓글이 없습니다.
34. 노선에 곡선반경 R=600m인 곡선을 설치할 때, 현의 길이 ℓ =20m에 대한 편각은?
- ① 54′ 18″
- ② 55′ 18″
- ③ 56′ 18″
- ④ 57′ 18″
등록된 댓글이 없습니다.
35. 기선 D=20m, 수평각 α =80° , β =70° , 연직각 V=40° 를 측정하였다. 높이 H 는? (단, A, B, C 점은 동일 평면임)

- ① 31.54m
- ② 32.42m
- ③ 32.63m
- ④ 33.56m
등록된 댓글이 없습니다.
36. 다음과 같은 도형 ABCD의 면적을 수식으로 표현하면? (단, 곡선 AB를 2차 곡선으로 가정함)

- ①

- ②

- ③

- ④

등록된 댓글이 없습니다.
37. 도로의 종단곡선으로 주로 사용되는 곡선은 다음중 어느 것인가?
- ① 2차 포물선
- ② 3차 포물선
- ③ 클로소이드
- ④ 렘니스케이트
등록된 댓글이 없습니다.
38. 촬영기준면의 표고가 200m인 평지를 사진축척 1/10000로 촬영한 연직사진의 촬영기준면으로부터의 비행고도는? (단, 카메라의 화면거리(principal distance)는 15㎝임)
- ① 1500m
- ② 1600m
- ③ 1700m
- ④ 1800m
등록된 댓글이 없습니다.
39. 다음 중 지형 공간 정보 체계의 자료 처리 체계로 가장 옳게 배열된 것은?
- ① 부호화 - 자료입력 - 자료정비 - 조작처리 - 출력
- ② 자료입력 - 부호화 - 자료정비 - 조작처리 - 출력
- ③ 자료입력 - 자료정비 - 부호화 - 조작처리 - 출력
- ④ 자료입력 - 조작처리 - 자료정비 - 부호화 - 출력
등록된 댓글이 없습니다.
40. 노선에 있어서 곡선의 반경만이 2배로 증가하면 캔트(cant)의 크기는?
- ①

- ②

- ③

- ④

등록된 댓글이 없습니다.
3과목 : 수리학 및 수문학
41. 다음 강우강도와 지속기간을 나타낸 사항 중 옳지 않은 것은?
- ① 강우강도는 단위시간에 내리는 강우량을 의미한다.
- ② 일반적으로 강우강도가 크면 클수록 강우가 계속되는 기간은 짧다.
- ③ 강우강도와 지속기간의 관계는 모든 지역에서 대체로 동일한 값으로 나타난다.
- ④ 강우강도와 지속기간의 관계를 알면 설계유량의 결정에 유효하게 사용될 수 있다.
등록된 댓글이 없습니다.
42. 폭 1.0m, 월류수심 0.4m인 사각형 위어(weir)의 유량은? (단, Francis 공식 : Q=1.84Boh3/2에 의하며, Bo : 유효폭, h : 월류수심, 접근유속은 무시하며 양단수축이다.)
- ① 0.428m3/sec
- ② 0.483m3/sec
- ③ 0.536m3/sec
- ④ 0.557m3/sec
등록된 댓글이 없습니다.
43. Bernoulli의 정의로서 가장 옳은 것은?
- ① 동일한 유선상에서 유체입자가 가지는 Energy는 같다
- ② 동일한 단면에서의 Energy의 합이 항상 같다.
- ③ 동일한 시각에는 Energy의 량이 불변한다.
- ④ 동일한 질량이 가지는 Energy는 같다.
등록된 댓글이 없습니다.
44. 직경 80cm인 관수로에 물이 가득 차서 흐를 때 경심(hydraulic radius)은?
- ① 10.0cm
- ② 20.0cm
- ③ 40.0cm
- ④ 80.0cm
등록된 댓글이 없습니다.
45. 1시간 간격의 강우량이 15.2mm, 25.4mm, 20.3mm, 7.6mm이다. 지표 유출량이 47.9mm 일 때 Ф -index는?
- ① 5.15mm/hr
- ② 2.58mm/hr
- ③ 6.25mm/hr
- ④ 4.25mm/hr
등록된 댓글이 없습니다.
46. 수심 2m, 폭 4m인 콘크리트 직사각형수로의 유량은? (단, 조도계수 n = 0.012, 경사Ⅰ= 0.0009 임)
- ① 15m3/sec
- ② 20m3/sec
- ③ 25m3/sec
- ④ 30m3/sec
등록된 댓글이 없습니다.
47. 다음중 한계수심에 대한 설명중 옳지 않은 것은?
- ① 한계수심에서 비에너지가 최소가 된다.
- ② 한계수심보다 수심이 작은 흐름이 상류이고 큰 흐름이 사류이다.
- ③ 한계수심으로 흐를 때 유량이 최대가 된다.
- ④ 유량이 일정할 때 한계수심은 비에너지의 이다.

등록된 댓글이 없습니다.
48. 관수로에서 상대조도란 무엇인가?
- ① 관직경에 대한 관벽의 조도와의 비
- ② 최대유속에 대한 관벽의 조도와의 비
- ③ 평균유속에 대한 관벽의 조도와의 비
- ④ 한계 Reynolds 수에 대한 관벽의 조도와의 비
등록된 댓글이 없습니다.
49. 다음 중 일반적으로 합리식의 유출계수(C)가 가장 큰 지역은?
- ① 교외 주거 지역
- ② 공원, 묘역
- ③ 도심 상업 지역
- ④ 철도 지역(철도 조차장)
등록된 댓글이 없습니다.
50. 단위 유량도 합성방법이 아닌 것은?
- ① Snyder방법
- ② SCS방법
- ③ Clark방법
- ④ Horton방법
등록된 댓글이 없습니다.
51. 지름 4㎝의 원형단면의 수맥(水脈)이 그림과 같이 구부러 질 때, 곡면을 지지하는데 필요한 힘 Px와 Py는? (단, 수맥의 속도는 15m/sec이고, 마찰은 무시한다.)

- ① Px = 0.01055t, Py = 0.03939t
- ② Px = 0.01055t, Py = 0.01055t
- ③ Px = 0.01055t, Py = 0.02055t
- ④ Px = 0.1055t, Py = 0.3939t
등록된 댓글이 없습니다.
52. 면적이 400m2 인 여과지의 동수경사가 0.05이고 여과량이 1m3/sec이면 이 여과지의 투수계수는?
- ① 1cm/sec
- ② 3cm/sec
- ③ 5cm/sec
- ④ 7cm/sec
등록된 댓글이 없습니다.
53. Darcy-Weisbach 의 마찰손실계수가 (Re: 레이놀즈수)이며 지름 0.2㎝인 유리관속을 유량 0.8cm3/sec로 흐를 때 관의 길이 1.0m의 손실수두는? (단, 동점성계수 ν = 1.12× 10-2cm2/sec 임)
- ① hL = 11.6㎝
- ② hL = 23.3㎝
- ③ hL = 2.33㎝
- ④ hL = 1.16㎝
등록된 댓글이 없습니다.
54. 개수로의 흐름에 가장 영향을 많이 끼치는 것은?
- ① 유체의 밀도
- ② 관성력
- ③ 중력
- ④ 점성력
등록된 댓글이 없습니다.
55. 강우깊이-유역면적-지속시간(Depth-Area-Duration:DAD)관계 곡선에 관한 설명 중 틀린 것은?
- ① DAD작성시 대상유역의 지속시간별 강우량이 필요하다
- ② 최대평균우량은 지속시간에 비례한다.
- ③ 최대평균우량은 유역면적에 반비례한다.
- ④ 최대평균우량은 재현기간과 반비례한다.
등록된 댓글이 없습니다.
56. 다음의 부체에 관한 설명중 옳지 않은 것은?
- ① 부심(B)과 부체의 중심(G)이 동일 연직선 상에 올 때 안정을 유지한다.
- ② 중심(G)이 부심(B)보다 아래 쪽에 있으면 안정하다.
- ③ 경심(M)이 중심(G)보다 낮을 경우 안정하다.
- ④ 경심(M)이 중심(G)보다 높을 경우 복원 모멘트가 발생된다.
등록된 댓글이 없습니다.
57. 하상계수(河狀係數)란 무엇인가?
- ① 대하천의 주요지점에서의 풍수량과 저수량의 비
- ② 대하천의 주요지점에서의 최소유량과 최대유량의 비
- ③ 대하천의 주요지점에서의 홍수량과 하천유지유량의 비
- ④ 대하천의 주요지점에서의 최소유량과 갈수량의 비
등록된 댓글이 없습니다.
58. 지름이 20cm, 높이 30cm인 원통 모양의 그릇에 물을 가득 채우고 세웠을 때 그릇의 밑바닥에 작용하는 전수압은?
- ① 9.42kg
- ② 18.84kg
- ③ 94.2kg
- ④ 188.4kg
등록된 댓글이 없습니다.
59. 폭 11m인 직사각형단면 수로에 0.6m의 수심으로 25m3/sec의 유량이 흐른다. 조도계수 n=0.025, 에너지보정계수 α=1일 때 한계수심은?
- ① 0.146m
- ② 0.527m
- ③ 0.808m
- ④ 0.652m
등록된 댓글이 없습니다.
60. 지하수의 흐름을 나타내는 Darcy 법칙에 관한 설명중 틀린 것은?
- ① Re>10인 흐름과 대수층 내에 모관수대가 존재하는 흐름에만 적용된다.
- ② 투수물질은 균질 등방성이며, 대수층내의 모관수대는 존재하지 않는다.
- ③ 유속은 토양간극사이를 흐르는 평균유속이며, 동수경사에 비례한다.
- ④ 투수계수는 물의 흐름에 대한 흙의 저항정도를 표현하는 계수로서, 속도와 차원이 같다.
등록된 댓글이 없습니다.
4과목 : 철근콘크리트 및 강구조
61. 옹벽에서 T형보로 설계하여야 하는 부분은?
- ① 앞부벽식 옹벽의 앞부벽
- ② 뒷부벽식 옹벽의 전면벽
- ③ 앞부벽식 옹벽의 저판
- ④ 뒷부벽식 옹벽의 뒷부벽
등록된 댓글이 없습니다.
62. 그림과 같은 단철근 직사각형보에서 강도설계법에 의하여 압축력 C를 구한 값 중 옳은 것은? (단, fck = 21MPa, a = 85.2mm)

- ① 300 kN
- ② 340 kN
- ③ 380 kN
- ④ 420 kN
등록된 댓글이 없습니다.
63. 다음 필렛용접의 전단응력은 얼마인가?

- ① 67.72MPa
- ② 70.72MPa
- ③ 72.72MPa
- ④ 75.72MPa
등록된 댓글이 없습니다.
64. 나선철근 기둥의 심부지름 350mm, 기둥단면의 지름 450mm인 단면에 나선철근 D10(71.3mm2)을 배근할 때 나선철근의 최대 순간격은?(단, fck = 28MPa, fy = 400MPa이다.)
- ① 30mm
- ② 35mm
- ③ 40mm
- ④ 45mm
등록된 댓글이 없습니다.
65. 철근콘크리트 부재의 전단철근에 관한 다음 설명 중 옳지 않은 것은?
- ① 주인장철근에 30° 이상의 각도로 구부린 굽힘철근도 전단철근으로 사용할 수 있다.
- ② 전단철근의 설계기준 항복강도는 300MPa을 초과할 수 없다.
- ③ 부재축에 직각으로 설치되는 스터럽의 간격은 0.5d이하, 600mm이하로 하여야 한다.
- ④ 최소전단 철근은 의 단면적을 두어야 한다.(s:전단철근의 간격(mm), bw:복부의 폭(mm))

등록된 댓글이 없습니다.
66. 다음 철근 중에서 휨모멘트에 의한 응력을 받지 않는 철근은?
- ① 압축철근
- ② 정철근
- ③ 사인장 철근
- ④ 주철근
등록된 댓글이 없습니다.
67. 정착에 대한 위험단면이 아닌 곳은?
- ① 경간 내에서 인장철근이 끝난 곳
- ② 휨부재에서 최대 응력점
- ③ 지지점에서 d/2 떨어진 단면
- ④ 경간내에서 인장철근이 절곡된 곳
등록된 댓글이 없습니다.
68. T형 PSC 보에 설계하중을 작용시킨 결과 보의 처짐은 0이었으며, 프리스트레스 도입단계부터 부착된 계측장치로 부터 상부 탄성변형률 ε =3.5×10-4을 얻었다. 콘크리트 탄성계수 Ec=26000MPa, T형보의 단면적 Ag=150000mm2, 유효율 R=0.85일 때, 강재의 초기 긴장력 Pi를 구하면?
- ① 1606kN
- ② 1365kN
- ③ 1160kN
- ④ 2269kN
등록된 댓글이 없습니다.
69. 그림에 나타난 직사각형 단철근 보가 공칭 휨강도 Mn에 도달할 때 인장철근의 변형률은 얼마인가? (철근 D22 4개의 단면적은 1548mm2, fck=28MPa, fy=350MPa이다.)

- ① 0.003
- ② 0.005
- ③ 0.010
- ④ 0.012
등록된 댓글이 없습니다.
70. 단철근 직사각형보에서 부재축에 직각인 전단 보강 철근이 부담해야 할 전단력 Vs가 350kN 이라 할 때 전단 보강 철근의 간격 s는 얼마 이하라야 하는가? (단, Av = 253mm2, fy = 400MPa, fck = 28MPa, bw = 300mm, d = 580mm)
- ① 145 mm
- ② 168 mm
- ③ 186 mm
- ④ 290 mm
등록된 댓글이 없습니다.
71. 직사각형 단면의 콘크리트 단순보에 단면도심으로부터 e만큼 상향으로 편심된 위치를 작용점으로 포물선형 강선을 배치하여 프리스트레스력 P로 인장하였다. P의 작용점에서의 기울기가 수평면과 θ 이었을 때, 이 힘이 콘크리트보에 작용하는 등가하중이 아닌 것은?
- ① 지점의 수직방향 힘 Psinθ
- ② 도심축 방향의 압축력 Pcosθ
- ③ 양단 휨 모멘트 M = Pe
- ④ 보중앙의 상방향 집중하중 2Psinθ
등록된 댓글이 없습니다.
72. 강도설계에서 fck =35MPa, fy = 350MPa를 사용하는 단철근 직사각형 휨부재 단면의 균형철근비는?
- ① 0.035
- ② 0.039
- ③ 0.043
- ④ 0.047
등록된 댓글이 없습니다.
73. 콘크리트와 철근이 일체가 되어 외력에 저항하는 철근콘크리트 구조에 관한 설명 중 틀린 것은?
- ① 콘크리트 속에 묻힌 철근은 거의 부식하지 않는다.
- ② 콘크리트와 철근의 부착강도가 크다.
- ③ 콘크리트와 철근의 탄성계수는 거의 같다.
- ④ 콘크리트와 철근의 열에 대한 팽창계수는 거의 같다.
등록된 댓글이 없습니다.
74. 보의 경간이 10m 이고, 양쪽 슬래브의 중심간 거리가 2.0m인 대칭형 T형보에 있어서 유효 플랜지 폭은? (여기서, 복부폭 bw=500mm, 플랜지 두께 t=100mm 이다.)
- ① 2000mm
- ② 2100mm
- ③ 2500mm
- ④ 3000mm
등록된 댓글이 없습니다.
75. 그림(a)와 같은 띠철근 기둥단면의 평형재하상태에 대해 해석한 결과 (b)와 같이 콘크리트의 압축력 Cc = 900kN, 압축철근의 압축력 Cs = 200kN, 인장철근의 인장력 Ts = 30kN을 얻었다. 이 기둥의 공칭 편심하중 P의 크기는?

- ① 1000kN
- ② 800kN
- ③ 750kN
- ④ 700kN
등록된 댓글이 없습니다.
76. 1방향슬래브에서 두께 180mm, 단위 폭(1m)당의 소요철근량 1550mm2 일 때 D22(단면적 387mm2) 철근을 사용한다. 최대 휨모멘트가 일어나는 단면에서 철근의 중심간격은 얼마로 하면 좋은가?
- ① 250mm
- ② 280mm
- ③ 300mm
- ④ 330mm
등록된 댓글이 없습니다.
77. fck = 28MPa, fy = 350MPa로 만들어지는 보에서 압축 이형 철근으로 D29(공칭지름 28.6mm)를 사용한다면 기본정착길이는?(오류 신고가 접수된 문제입니다. 반드시 정답과 해설을 확인하시기 바랍니다.)
- ① 412mm
- ② 446mm
- ③ 473mm
- ④ 522mm
등록된 댓글이 없습니다.
78. 강도설계법에 의한 전단 설계에 대한 설명 중 틀린 것은? (단, d = 유효 깊이, bw = 복부폭, fck = 콘크리트의 설계기준 강도(MPa), Vu = 계수전단력, φVc = 콘크리트에 의한 전단강도)
- ① 일반적으로 전단철근의 설계기준항복강도는 400MPa를 초과할 수 없다.
- ② 전단철근이 부담하는 전단강도 Vs는 를 초과할 수 없다.

- ③ 전단철근으로 사용된 스터럽은 압축연단에서 d/2 만큼 연장되어야 한다.
- ④ 일반적으로 Vu가 φVc의 1/2을 초과하는 경우는 최소 단면적의 전단철근을 배근하여야 하는데, 슬래브와기초판에는 최소 단면적의 전단철근을 배치하지 않아도 된다.
등록된 댓글이 없습니다.
79. 시방서에 규정된 강재의 부식에 대한 환경조건에 의한 철근 콘크리트 구조물의 허용균열폭(mm)을 기술한 것중 잘못된 것은? (단, tc는 콘크리트의 최소피복두께(mm))
- ① 건조 환경 : 0.006tc
- ② 습윤 환경 : 0.005tc
- ③ 부식성 환경 : 0.004tc
- ④ 고부식성 환경 : 0.003tc
등록된 댓글이 없습니다.
80. 다음과 같은 단면을 갖는 프리텐션 보에 초기긴장력 Pi=450kN이 작용할 때, 콘크리트 탄성변형에 의한 프리스트레스 감소량은 얼마인가? (n=8)

- ① 40.94MPa
- ② 44.72MPa
- ③ 49.92MPa
- ④ 54.07MPa
등록된 댓글이 없습니다.
5과목 : 토질 및 기초
81. 완전히 포화된 흙의 함수비가 48%이었다. 이때 흙의 습윤단위 중량이 1.91t/m3이었다. 이 흙의 비중은 얼마인가?
- ① 3.39
- ② 3.09
- ③ 2.74
- ④ 2.69
등록된 댓글이 없습니다.
82. 토목 섬유의 주요기능 중 옳지 않은 것은?
- ① 보강(Reinforcement)
- ② 배수(Drainage)
- ③ 댐핑(Damping)
- ④ 분리(Separation)
등록된 댓글이 없습니다.
83. Sand drain에 대한 Paper drain 공법의 장점 설명 중 옳지 않은 것은?
- ① 횡방향력에 대한 저항력이 크다
- ② 시공지표면에 sand mat가 필요 없다
- ③ 시공속도가 빠르고 타설시 주변을 교란시키지 않는다
- ④ 배수단면이 깊이에 따라 일정하다
등록된 댓글이 없습니다.
84. 그림과 같은 옹벽배면에 작용하는 토압의 크기를 Rankine의 토압공식으로 구하면?

- ① 4.2t/m
- ② 3.7t/m
- ③ 4.7t/m
- ④ 5.2t/m
등록된 댓글이 없습니다.
85. Jaky의 정지토압계수를 구하는 공식 Ko=1-sinø 가 가장잘 성립하는 토질은?
- ① 과압밀점토
- ② 정규압밀점토
- ③ 사질토
- ④ 풍화토
등록된 댓글이 없습니다.
86. 그림에서 흙의 단면적이 40cm2이고 투수계수가 0.1㎝/sec일 때 흙속을 통과하는 유량은?

- ① 1cm3/sec
- ② 1m3/hr
- ③ 100cm3/sec
- ④ 100m3/hr
등록된 댓글이 없습니다.
87. 표준관입시험에 관한 설명 중 틀린 것은?
- ① 고정 piston 샘플러를 사용한다.
- ② 해머무게 64㎏ 이다.
- ③ 해머낙하높이 76㎝ 이다.
- ④ 30㎝ 관입에 필요한 낙하회수를 N치라 한다.
등록된 댓글이 없습니다.
88. 주동토압을 PA, 수동토압을 PP, 정지토압을 P0라 할 때 토압의 크기 순서는?
- ① PA > PP > P0
- ② PP > P0 > PA
- ③ PP > PA > P0
- ④ P0 > PA > PP
등록된 댓글이 없습니다.
89. 압밀시험에 사용된 시료의 교란으로 인한 영향을 나타낸 것으로 옳은 것은?
- ① e-log P 곡선의 기울기가 급해진다.
- ② e-log P 곡선의 기울기가 완만해진다.
- ③ 선행압밀하중의 크기가 증가하게 된다.
- ④ 선행압밀하중의 크기가 감소하게 된다.
등록된 댓글이 없습니다.
90. 그림과 같이 물이 위로 침투하는 수조에서 분사현상이 발생하기 위한 수두(h)는 최소 얼마를 초과하여야 하는가? (단, 수조 속에 있는 모래의 비중은 2.60, 간극비는 0.60, 모래층의 두께는 2.5m이다.)

- ① 1.0 m
- ② 1.5 m
- ③ 2.0 m
- ④ 2.5 m
등록된 댓글이 없습니다.
91. 흙의 입도분포에서 균등계수가 가장 큰 흙은?
- ① 특히 모래자갈이 많은 흙
- ② 실트나 점토가 많은 흙
- ③ 모래자갈 및 실트,점토가 골고루 섞인 흙
- ④ 모래나 실트가 특히 많은 흙
등록된 댓글이 없습니다.
92. 내부마찰각이 30° , 단위중량이 1.9t/m3인 흙의 인장균열 깊이가 3m일 때 점착력은?
- ① 1.65t/m2
- ② 1.70t/m2
- ③ 1.75t/m2
- ④ 1.80t/m2
등록된 댓글이 없습니다.
93. 점토층의 두께 5m, 간극비 1.4, 액성한계 50%이고 점토층위의 유효상재 압력이 10t/m2에서 14t/m2으로 증가할때의 침하량은? (단, 압축지수는 흐트러지지 않은 시료에 대한 Terzaghi & Peck의 경험식을 사용하여 구한다.)
- ① 8㎝
- ② 11㎝
- ③ 24㎝
- ④ 36㎝
등록된 댓글이 없습니다.
94. 크기가 1.5m× 1.5m 인 직접기초가 있다. 근입깊이가 1.0m일 때, 기초가 받을 수 있는 최대허용하중을 Terzaghi방법에 의하여 구하면? (단, 기초지반의 점착력은 1.5t/m2, 단위중량은 1.8t/m3, 마찰각은 20° 이고 이 때의 지지력 계수는 Nc=17.69, Nq=7.44, Nr=3.64 이며, 허용지지력에 대한 안전율은 4.0으로 한다.)
- ① 약 29t
- ② 약 39t
- ③ 약 49t
- ④ 약 59t
등록된 댓글이 없습니다.
95. 흙의 종류에 따른 아래 그림과 같은 다짐곡선들 중 옳은 것은?

- ① Ⓐ : ML, Ⓒ : SM
- ② Ⓐ : SW, Ⓓ : CL
- ③ Ⓑ : MH, Ⓓ : GM
- ④ Ⓑ : GC, Ⓒ : CH
등록된 댓글이 없습니다.
96. 토질조사에서 사운딩(Sounding)에 관한 설명 중 옳은 것은?
- ① 동적인 사운딩 방법은 주로 점성토에 유효하다.
- ② 표준관입 시험(S.P.T)은 정적인 사운딩이다.
- ③ 사운딩은 보링이나 시굴보다 확실하게 지반구조를 알아낸다.
- ④ 사운딩은 주로 원위치 시험으로서 의의가 있고 예비조사에 사용하는 경우가 많다.
등록된 댓글이 없습니다.
97. 단면적 20cm2, 길이 10㎝의 시료를 15㎝의 수두차로 정수위 투수시험을 한 결과 2분 동안에 150cm3의 물이 유출되었다. 이 흙의 Gs = 2.67이고, 건조중량이 420g 이었다. 공극을 통하여 침투하는 실제 침투유속 Vs는?
- ① 0.280㎝/sec
- ② 0.293㎝/sec
- ③ 0.320㎝/sec
- ④ 0.334㎝/sec
등록된 댓글이 없습니다.
98. 다음의 연약지반 개량공법중에서 점성토지반에 이용되는 공법은?
- ① 생석회 말뚝공법
- ② compozer공법
- ③ 전기충격공법
- ④ 폭파다짐공법
등록된 댓글이 없습니다.
99. 점착력이 전혀없는 순수 모래에 대하여 직접 전단시험을 하였더니 수직응력이 4.94㎏/cm2일때 2.85㎏/cm2의 전단 저항을 얻었다. 이 모래의 내부마찰각은?
- ① 10°
- ② 20°
- ③ 30°
- ④ 40°
등록된 댓글이 없습니다.
100. 현장흙의 단위무게 시험 중 모래치환법에서 모래는 무엇을 구하려고 이용하는가?
- ① 시험구멍에서 파낸 흙의 중량
- ② 시험구멍의 체적
- ③ 흙의 함수비
- ④ 지반의 지지력
등록된 댓글이 없습니다.
6과목 : 상하수도공학
101. 대구경 관거에 유리하며 경제적이고 상반부의 아치작용에 의해 역학적으로 유리한 하수 관거의 단면형상은?
- ① 사다리꼴형
- ② 직사각형
- ③ 말굽형
- ④ 계란형
등록된 댓글이 없습니다.
102. 다음 회전원판법(Rotating Biological Contactors)에 대한 설명으로 옳은 것은?
- ① 수면에 일부가 잠겨 있는 원판을 설치하여 원판에부착, 번식한 미생물군을 이용해서 하수를 정화한다.
- ② 보통 일차침전지를 설치하지 않고, 타원형무한수로의 반응조를 이용하여 기계식 포기장치에 의해 포기를 행한다.
- ③ 산기장치 및 상징수배출장치를 설치한 회분조로 구성된다.
- ④ 여상에 살수되는 하수가 여재의 표면에 부착된 미생물군에 의해 유기물을 제거하는 방법이다.
등록된 댓글이 없습니다.
103. 산기식 포기장치를 사용하며 유입부에 많은 산기기를 설치하고 포기조의 말단부에는 적은 수의 산기기를 설치하는 활성슬러지의 변법은?
- ① 점감식 포기법(tapered aeration)
- ② 계단식 포기법(step aeration)
- ③ 장기 포기법(extended aeration)
- ④ 수정식 포기법(modified aeration)
등록된 댓글이 없습니다.
104. 하천유량이 200,000m3/day이고 BOD가 1㎎/L 인 하천에 유량이 6,250m3/day이고 BOD가 100㎎/L 인 하수가 유입될때, 혼합 후의 BOD는?
- ① 2㎎/L
- ② 4㎎/L
- ③ 6㎎/L
- ④ 8㎎/L
등록된 댓글이 없습니다.
105. 분류식의 오수관거 설계시 계획하수량 결정에 고려하여야 하는 것은?
- ① 계획평균오수량
- ② 계획우수량
- ③ 계획시간최대오수량
- ④ 계획시간최대오수량에 우수량을 더한 값
등록된 댓글이 없습니다.
106. 접합정(接合井:Junction well)이란 무엇인가?
- ① 수로에 유입한 토사류를 침전시켜서 이를 제거하기 위한 시설
- ② 종류가 다른 관 또는 도랑의 연결부, 관 또는 도랑의 굴곡부 등의 수두를 감쇄하기 위하여 그 도중에 설치하는 시설
- ③ 양수장이나 배수지에서 유입수의 수위조절과 양수를 위하여 설치한 작은 우물
- ④ 수압관 및 도수관에 발생하는 수압의 급격한 증감을 조정하는 수조
등록된 댓글이 없습니다.
107. 송수펌프의 전양정을 H, 관로 손실수두의 합을 Σ hf, 실양정을 ha, 관로말단의 잔류속도수두를 ho라할 때 관계식으로 옳은 것은?
- ① H = ha + Σ hf + ho
- ② H = ha - Σ hf - ho
- ③ H = ha - Σ hf + ho
- ④ H = ha + Σ hf - ho
등록된 댓글이 없습니다.
108. 펌프의 수격현상 발생을 최소화 하기 위한 대책으로 옳지 않은 것은?
- ① 펌프에 플라이휠(fly wheel)을 붙여 펌프의 관성을 증가시킨다.
- ② 관내 유속을 증가시켜 신속히 유송한다.
- ③ 압력조절수조(surge tank)를 설치한다.
- ④ 펌프의 급정지를 피한다.
등록된 댓글이 없습니다.
109. 염소 소독을 위한 염소투입량 시험결과가 그림과 같다. 결합염소(클로라민)가 분해되는 구간과 파괴점(break point)로 옳은 것은?

- ① AB, C
- ② BC, D
- ③ CD, D
- ④ AB, D
등록된 댓글이 없습니다.
110. 수원지에서부터 각 가정까지의 상수계통도를 나타낸 것으로 옳은 것은?
- ① 수원 - 취수 - 도수 - 배수 - 정수 - 송수 - 급수
- ② 수원 - 취수 - 배수 - 정수 - 도수 - 송수 - 급수
- ③ 수원 - 취수 - 도수 - 송수 - 정수 - 배수 - 급수
- ④ 수원 - 취수 - 도수 - 정수 - 송수 - 배수 - 급수
등록된 댓글이 없습니다.
111. 상수도 배수관망 중 격자식 배수관망에 대한 설명으로 틀린 것은?
- ① 물이 정체하지 않는다.
- ② 사고시 단수구역이 작아진다.
- ③ 수리계산이 복잡하다.
- ④ 제수밸브가 적게 소요되며 시공이 용이하다.
등록된 댓글이 없습니다.
112. , 유역면적 2.0㎢, 유입시간 7분, 유출계수 C=0.7, 관내유속이 1m/sec인 경우 관의 길이 500m인 하수관에서 흘러나오는 우수량은?
- ① 53.7m3/sec
- ② 35.8m3/sec
- ③ 48.9m3/sec
- ④ 45.7m3/sec
등록된 댓글이 없습니다.
113. 도수 및 송수관거 설계시에 평균유속의 최대한도는?
- ① 0.3m/sec
- ② 3.0m/sec
- ③ 13.0m/sec
- ④ 30.0m/sec
등록된 댓글이 없습니다.
114. 현재의 인구가 100,000명인 발전 가능성 있는 도시의장래 급수량을 추정하기 위해 인구증가 현황을 조사하니 연평균 인구증가율이 5%로 일정하였다. 이 도시의 20년후 추정인구는? (단, 등비급수 방법을 사용함.)
- ① 35850명
- ② 116440명
- ③ 200000명
- ④ 265330명
등록된 댓글이 없습니다.
115. 병원균 등의 세균을 완전히 제거하기 위하여 사용되는 정수방법은?
- ① 응집
- ② 소독
- ③ 여과
- ④ 침전
등록된 댓글이 없습니다.
116. 용존산소 부족곡선(DO Sag Curve)에서 산소의 복귀율(회복속도)이 최대로 되었다가 감소하기 시작하는 점은?
- ① 임계점
- ② 변곡점
- ③ 오염직후
- ④ 포화직전
등록된 댓글이 없습니다.
117. 1L의 매스실린더에 활성슬러지를 채우고 30분간 침전시킨 후 침전된 슬러지의 부피가 180mL이었다. 이 때 MLSS가 2,000mg/L이었다면 슬러지용적지표(SVI)는?
- ① 90
- ② 100
- ③ 180
- ④ 200
등록된 댓글이 없습니다.
118. 하수관거의 관정부식(Crown Corrosion)의 주된 원인 물질은 다음 중 어느 것인가?
- ① N 화합물
- ② S 화합물
- ③ Ca 화합물
- ④ Fe 화합물
등록된 댓글이 없습니다.
119. 계획오수량 산정시 고려하는 사항 중 그 설명이 잘못된 것은?
- ① 지하수량은 1인 1일 최대오수량의 10∼20%로 한다.
- ② 계획1일 평균오수량은 계획1일 최대오수량의 70∼80%를 표준으로 한다.
- ③ 계획시간 최대오수량은 계획1일 평균오수량의 1시간당 수량의 0.7∼0.9배를 표준으로 한다.
- ④ 계획1일 최대오수량은 1인1일 최대오수량에 계획인구를 곱한 후 공장폐수량, 지하수량 및 기타 배수량을 더한 값으로 한다.
등록된 댓글이 없습니다.
120. 다음 관거의 접합에 관한 내용 중 잘못된 것은?
- ① 수면접합은 수리학적으로 에너지경사선이나 계획수위를 일치시키는 것으로서 양호한 방법이다.
- ② 관정접합은 굴착비가 증가되어 공사비가 증대되는 단점이 있다.
- ③ 지표경사가 큰 경우 원칙적으로 단차접합 또는 계단접합을 한다.
- ④ 두 개의 관거가 합류하는 경우의 중심교각은 90° 이상으로 한다.
등록된 댓글이 없습니다.