토목산업기사(2015. 9. 19.) 시험일자 : 2015년 9월 19일
1과목 : 응용역학
1. 그림과 같은 내민보에서 C점의 전단력(VC)과 휨모멘트(MC)는 각각 얼마인가?

- ①

- ②

- ③

- ④

등록된 댓글이 없습니다.
2. 트러스를 해석하기 위한 기본가정 중 옳지 않은 것은?
- ① 부재들은 마찰이 없는 힌지로 연결되어 있다.
- ② 부재 양단의 힌지 중심을 연결한 직선은 부재축과 일치한다.
- ③ 모든 외력은 절점에 집중하중으로 작용한다.
- ④ 하중 작용으로 인한 트러스 각 부재의 변형을 고려한다.
등록된 댓글이 없습니다.
3. 그림과 같은 3힌지 라멘에 등분포하중이 작용할 경우 A점의 수평반력은?

- ① 0
- ②

- ③

- ④

등록된 댓글이 없습니다.
4. 일단고정 타단자유로 된 장주의 좌굴하중이 10tf일 때 양단힌지이고 기타 조건은 같은 장주의 좌굴하중은?
- ① 2.5tf
- ② 20tf
- ③ 40tf
- ④ 160tf
등록된 댓글이 없습니다.
5. 그림과 같이 네 개의 힘이 평형 상태에 있다면 A점에 작용하는 힘 P와 AB사이의 거리 x는?

- ① P=400kgf, x=2.5m
- ② P=400kgf, x=3.6m
- ③ P=500kgf, x=2.5m
- ④ P=500kgf, x=3.2m
등록된 댓글이 없습니다.
6. 그림에서 지점 C의 반력이 영(零)이 되기 위해 B점에 작용시킬 집중하중의 크기는?

- ① 8 tf
- ② 10 tf
- ③ 12 tf
- ④ 14 tf
등록된 댓글이 없습니다.
7. 아래의 표에서 설명하는 것은?

- ① 제 1 공액보의 정리
- ② 제 2 공액보의 정리
- ③ 제 1 모멘트면적 정리
- ④ 제 2 모멘트면적 정리
등록된 댓글이 없습니다.
8. 다음과 같은 단순보에서 최대 휨응력은? (단, 단면은 폭 40cm, 높이 50cm의 직사각형이다.)

- ① 72kgf/cm2
- ② 87kgf/cm2
- ③ 135kgf/cm2
- ④ 150kgf/cm2
등록된 댓글이 없습니다.
9. P=12tf 의 무게를 매달은 그림과 같은 구조물에서 T1이 받는 힘은?

- ① 10.39tf(인장)
- ② 10.39tf(압축)
- ③ 6tf(인장)
- ④ 6tf(압축)
등록된 댓글이 없습니다.
10. 다음 중 부정정 트러스를 해석하는 데 적합한 방법은?
- ① 모멘트 분배법
- ② 처짐각법
- ③ 가상일의 원리
- ④ 3연모멘트법
등록된 댓글이 없습니다.
11. 경간 10m, 폭 20cm, 높이 30cm인 직사각형 단면의 단순보에서 전 경간에 등분포하중 w=2tf/m 가 작용할때 최대 전단응력은?
- ① 25kgf/cm2
- ② 30kgf/cm2
- ③ 35kgf/cm2
- ④ 40kgf/cm2
등록된 댓글이 없습니다.
12. 단면적 A=20cm2, 길이 L=100cm인 강봉에 인장력 P=8t을 가하였더니 길이가 1cm 늘어났다. 이 강봉의 포아송수 m=3이라면 전단탄성계수 G는?
- ① 15000kg/cm2
- ② 45000kg/cm2
- ③ 75000kg/cm2
- ④ 95000kg/cm2
등록된 댓글이 없습니다.
13. 다음 그림과 같이 직교좌표계 위에 있는 사다리꼴 도형 OABC 도심의 좌표( )는? (단, 좌 단위는cm)

- ① (2.54, 3.46)
- ② (2.77, 3.31)
- ③ (3.34, 3.21)
- ④ (3.54, 2.74)
등록된 댓글이 없습니다.
14. “여러 힘의 모멘트는 그 합력의 모멘트와 같다.”라는 것은 무슨 원리인가?
- ① 가상(假想)일의 원리
- ② 모멘트 분배법
- ③ Varignon의 원리
- ④ 모어(Mohr)의 정리
등록된 댓글이 없습니다.
15. 경간 5m, 높이 30cm, 폭 20cm의 단면을 갖는 단순보에 등분포하중 W=400kgf/m가 만재하여 있을 때 최대 처짐은? (단, E=1×105kgf/cm2)
- ① 4.71cm
- ② 2.67cm
- ③ 1.27cm
- ④ 0.72cm
등록된 댓글이 없습니다.
16. 다음 인장부재의 변위를 구하는 식으로 옳은 것은? (단, 단면적은 A, 탄성계수는 E)

- ① PL/EA
- ② 2PL/EA
- ③ 3PL/EA
- ④ 4PL/EA
등록된 댓글이 없습니다.
17. 그림과 같은 1차 부정정 구조물의 A지점의 반력은? (단, EI는 일정하다.)

- ① 5P/16
- ② 11P/16
- ③

- ④ 5P/32
등록된 댓글이 없습니다.
18. 폭 12cm, 높이 20cm인 직사각형 단면의 최소 회전반지름 r은?
- ① 5.81cm
- ② 3.46cm
- ③ 6.92cm
- ④ 7.35cm
등록된 댓글이 없습니다.
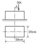
19. 그림과 같은 단주에서 편심거리 e에 P=30tf 가 작용할 때 단면에 인장력이 생기지 않기 위한 의 한계는?

- ① 3.3cm
- ② 5cm
- ③ 6.7cm
- ④ 10cm
등록된 댓글이 없습니다.
20. 그림과 같은 연속보 B점의 휨모멘트 MB는?

- ①

- ②

- ③

- ④

등록된 댓글이 없습니다.
2과목 : 측량학
21. 사진측량의 특징에 대한 설명으로 옳지 않은 것은?
- ① 기상의 영향을 받지 않고 전천후 측량을 수행할 수 있다.
- ② 광범위한 지역에 대한 동시 측량이 가능하다.
- ③ 정성적 측량이 가능하다.
- ④ 축척 변경이 용이하다.
등록된 댓글이 없습니다.
22. 촬영고도 3,000m에서 초점거리 15cm의 카메라로 평지를 촬영한 밀착사진의 크기가 23cm×23cm이고 종중복도가 57%, 횡중복도가 30%일 때 이 연직사진의 유효 모델 면적은?
- ① 5.4km2
- ② 6.4km2
- ③ 7.4km2
- ④ 8.4km2
등록된 댓글이 없습니다.
23. 교점(I.P.)의 위치가 기점으로부터 143.25m일 때 곡선반지름 150m, 교각 58°14′24″인 단곡선을 설치하고자 한다면 곡선시점의 위치는? (단, 중심말뚝 간격20m)
- ① No.2 + 3.25
- ② No.2 + 19.69
- ③ No.3 + 9.69
- ④ No.4 + 3.56
등록된 댓글이 없습니다.
24. 평균유속 관측방법 중 3점법을 사용하기 위한 관측유속으로 짝지어진 것은? (단, h는 전체 수심)
- ① 수면에서 0.1h, 0.4h, 0.9h 지점의 유속
- ② 수면에서 0.1h, 0.4h, 0.8h 지점의 유속
- ③ 수면에서 0.2h, 0.4h, 0.8h 지점의 유속
- ④ 수면에서 0.2h, 0.6h, 0.8h 지점의 유속
등록된 댓글이 없습니다.
25. 완화곡선 중 주로 고속도로에 사용되는 것은?
- ① 3차 포물선
- ② 클로소이드(clothoid) 곡선
- ③ 반파장 싸인(sine) 체감곡선
- ④ 렘니스케이트(lemniscate) 곡선
등록된 댓글이 없습니다.
26. 등고선에 관한 설명으로 틀린 것은?
- ① 간곡선은 계곡선보다 가는 실선으로 나타낸다.
- ② 주곡선 간격이 10m이면 간곡선 간격은 5m이다.
- ③ 계곡선은 주곡선보다 굵은 실선으로 나타낸다.
- ④ 계곡선 간격은 주곡선 간격의 5배이다.
등록된 댓글이 없습니다.
27. 원곡선에서 장현 L과 그 중앙 종거 M을 관측하여 반지름 R을 구하는 식으로 옳은 것은?
- ① L2/8M
- ② L2/4M
- ③ L2/2M
- ④ L2/M
등록된 댓글이 없습니다.
28. 폐합다각측량에서 각 관측보다 거리 관측 정밀도가 높을 때 오차를 배분하는 방법으로 옳은 것은?
- ① 해당 측선 길이에 비례하여 배분한다.
- ② 해당 측선 길이에 반비례하여 배분한다.
- ③ 해당 측선의 위, 경거의 크기에 비례하여 배분한다.
- ④ 해당 측선의 위, 경거의 크기에 반비례하여 배분한다.
등록된 댓글이 없습니다.
29. 어떤 측선의 길이를 3군으로 나누어 관측하여 표와 같은 결과를 얻었을 때, 측선 길이의 최확값은?

- ① 100.344m
- ② 100.346m
- ③ 100.348m
- ④ 100.350m
등록된 댓글이 없습니다.
30. 수준측량에서 전시와 후시의 거리를 같게 하여도 제거되지 않는 오차는?
- ① 시준선과 기포관축이 평행하지 않을 때 생기는 오차
- ② 표척 눈금의 읽음오차
- ③ 광선의 굴절오차
- ④ 지구곡률 오차
등록된 댓글이 없습니다.
31. 그림과 같이 A점에서 B점에 대하여 장애물이 있어 시준을 못하고 B′점을 시준하였다. 이때 B점의 방향각 TB 를 구하기 위한 보정각(x)을 구하는 식으로 옳은것은? (단, e <1.0m, p=206265, S=4km)

- ①

- ②

- ③

- ④

등록된 댓글이 없습니다.
32. 지형도를 작성할 때 지형 표현을 위한 원칙과 거리가 먼 것은?
- ① 기복을 알기 쉽게 할 것
- ② 표현을 간결하게 할 것
- ③ 정량적 계획을 엄밀하게 할 것
- ④ 기호 및 도식을 많이 넣어 세밀하게 할 것
등록된 댓글이 없습니다.
33. 축척 1:1200 지형도 상에서 면적을 측정하는데 축척을 1:1000으로 잘못 알고 면적을 산출한 결과 1200m2를 얻었다면 정확한 면적은?
- ① 8,333m2
- ② 12,368m2
- ③ 15,806m2
- ④ 17,280m2
등록된 댓글이 없습니다.
34. A점에서 출발하여 다시 A점에 되돌아오는 다각측량을 실시하여 위거오차 20cm, 경거오차 30cm가 발생하였다. 전 측선길이가 800m일 때 다각측량의 정밀도는?
- ① 1/1000
- ② 1/1730
- ③ 1/2220
- ④ 1/2630
등록된 댓글이 없습니다.
35. 평판을 설치할 때 고려하여야 할 조건과 거리가 먼 것은?
- ① 수평 맞추기
- ② 교회 맞추기
- ③ 중심 맞추기
- ④ 방향 맞추기
등록된 댓글이 없습니다.
36. 철도에 완화곡선을 설치하고자 할 때 캔트(cant)의 크기 결정과 직접적인 관계가 없은 것은?
- ① 레일간격
- ② 곡선반지름
- ③ 원곡선의 교각
- ④ 주행속도
등록된 댓글이 없습니다.
37. 삼각측량에서 B점의 좌표 XB=50.000m, YB=200.000m, BC의 길이 25.478m, BC의 방위각 77°11′56″일 때 C점의 좌표는?
- ① XC=55.645m, YC=175.155m
- ② XC=55.645m, YC=224.845m
- ③ XC=74.845m, YC=194.355m
- ④ XC=74.845m, YC=205.645m
등록된 댓글이 없습니다.
38. 그림에서 B점의 지반고는? (단, HA=39.695m)

- ① 39.405m
- ② 39.985m
- ③ 42.985m
- ④ 46.305m
등록된 댓글이 없습니다.
39. 경중률에 대한 설명으로 틀린 것은?
- ① 관측횟수에 비례한다.
- ② 관측거리에 반비례한다.
- ③ 관측값의 오차에 비례한다.
- ④ 사용기계의 정밀도에 비례한다.
등록된 댓글이 없습니다.
40. 기초터파기 공사를 하기 위해 가로, 세로, 깊이를 줄자로 관측하여 다음과 같은 결과를 얻었다. 토공량과 여기에 포함된 오차는?

- ① 6,000±28.4m3
- ② 6,000±48.9m3
- ③ 12,000±28.4m3
- ④ 12,000±48.9m3
등록된 댓글이 없습니다.
3과목 : 수리학
41. 직경 20cm인 원형 오리피스로 0.1m3/s의 유량을 유출시키려 할 때 필요한 수심(오리피스 중심으로부터 수면까지의 높이)은? (단, 유량계수 c = 0.6)
- ① 1.24m
- ② 1.44m
- ③ 1.56m
- ④ 2.00m
등록된 댓글이 없습니다.
42. 등류의 마찰속도 u*를 구하는 공식으로 옳은 것은? (단, H : 수심, I : 수면경사, g : 중력가속도)
- ①

- ② u*=gHI
- ③ u*=gH2I
- ④ u*=gHI2
등록된 댓글이 없습니다.
43. 2초에 10m를 흐르는 물의 속도수두는?
- ① 1.18m
- ② 1.28m
- ③ 1.38m
- ④ 1.48m
등록된 댓글이 없습니다.
44. 개수로에 대한 설명으로 옳은 것은?
- ① 동수경사선과 에너지경사선은 항상 평행하다.
- ② 에너지경사선은 자유수면과 일치한다.
- ③ 동수경사선은 에너지경사선과 항상 일치한다.
- ④ 동수경사선과 자유수면은 일치한다.
등록된 댓글이 없습니다.
45. 그림과 같이 지름 3m, 길이 8m인 수문에 작용하는 수평분력의 작용점까지 수심(hc)은?

- ① 2.00m
- ② 2.12m
- ③ 2.34m
- ④ 2.43m
등록된 댓글이 없습니다.
46. 유량 147.6L/s를 송수하기 위하여 내경 0.4m의 관을 700m 설치하였을 때의 관로 경사는? (단, 조도계수 n=0.012, Manning공식 적용)
- ① 3/700
- ② 2/700
- ③ 3/500
- ④ 2/500
등록된 댓글이 없습니다.
47. 정수압의 성질에 대한 설명으로 옳지 않은 것은?
- ① 정수압은 수중의 가상면에 항상 직각방향으로 존재한다.
- ② 대기압을 압력의 기준(0)으로 잡은 정수압은 반드시 절대압력으로 표시된다.
- ③ 정수압의 강도는 단위면적에 작용하는 압력의 크기로 표시한다.
- ④ 정수 중의 한 점에 작용하는 수압의 크기는 모든 방향에서 같은 크기를 갖는다.
등록된 댓글이 없습니다.
48. 레이놀즈수가 갖는 물리적인 의미는?
- ① 점성력에 대한 중력의 비(중력/점성력)
- ② 관성력에 대한 중력의 비(중력/관성력)
- ③ 점성력에 대한 관성력의 비(관성력/점성력)
- ④ 관성력에 대한 점성력의 비(점성력/관성력)
등록된 댓글이 없습니다.
49. 관망 문제해석에서 손실수두를 유량의 함수로 표시하여 사용할 경우 지름 D인 원형단면관에 대하여 hL=kQ2으로 표시할 수 있다. 관의 특성 제원에 따라 결정되는 상수 k의 값은? (단, f는 마찰손실계수이고, ℓ은 관의 길이이며 다른 손실은 무시함)
- ①

- ②

- ③

- ④

등록된 댓글이 없습니다.
50. 지름이 20cm인 A관에서 지름이 10cm인 B관으로 축소되었다가 다시 지름이 15cm인 C관으로 단면이 변화되었다. B관의 평균유속이 3m/s일 때 A관과 C관의 유속은? (단, 유체는 비압축성이며, 에너지 손실은 무시한다.)
- ① A관의 VA=0.75m/s, C관의 VC=2.00m/s
- ② A관의 VA=1.50m/s, C관의 VC=1.33m/s
- ③ A관의 VA=0.75m/s, C관의 VC=1.33m/s
- ④ A관의 VA=1.50m/s, C관의 VC=0.75m/s
등록된 댓글이 없습니다.
51. 한계 후루드수(Froude number)를 사용하여 구분할수 있는 흐름 특성은?
- ① 등류와 부등류
- ② 정류와 부정류
- ③ 층류와 난류
- ④ 상류와 사류
등록된 댓글이 없습니다.
52. 대수층의 두께 2m, 폭 1.2m이고 지하수 흐름의 상‧하류 두 점 사이의 수두차는 1.5m, 두 점 사이의 평균거리 300m, 지하수 유량이 2.4m3/d일 때 투수계수는?
- ① 200m/d
- ② 225m/d
- ③ 267m/d
- ④ 360m/d
등록된 댓글이 없습니다.
53. 단면적 2.5cm2, 길이 1.5m인 강철봉이 공기중에서 무게가 28N이었다면 물(비중=1.0) 속에서 강철봉의 무게는?
- ① 2.37N
- ② 2.43N
- ③ 23.72N
- ④ 24.32N
등록된 댓글이 없습니다.
54. 물의 성질에 대한 설명으로 옳지 않은 것은? (단, Cw: 물의 압축률, Ew : 물의 체적탄성률, 0℃에서의 일정한 수온 상태)
- ① 물의 압축률이란 압력변화에 대한 부피의 감소율을 단위부피당으로 나타낸 것이다.
- ② 기압이 증가함에 따라 Ew는 감소하고 Cw는 증가한다.
- ③ Cw와 Ew의 상관식은 Cw=1/Ew이다.
- ④ Ew는 Cw값보다 대단히 크다.
등록된 댓글이 없습니다.
55. 뉴턴유체(Newtonian fluid)에 대한 설명으로 옳은 것은?
- ① 전단속도 (dv/dy)의 크기에 따라 선형으로 점도가 변한다.
- ② 전단응력(τ)과 전단속도 (dv/dy)의 관계는 원점을 지나는 직선이다.
- ③ 물이나 공기 등 보통의 유체는 비뉴턴유체이다.
- ④ 유체가 압력의 변화에 따라 밀도의 변화를 무시할 수 없는 상태가 된 유체를 의미한다.
등록된 댓글이 없습니다.
56. 지름 20cm, 길이가 100m인 관수로 흐름에서 손실수두가 0.2m라면 유속은? (단, 마찰손실 계수 f=0.03이다.)
- ① 0.61m/s
- ② 0.57m/s
- ③ 0.51m/s
- ④ 0.48m/s
등록된 댓글이 없습니다.
57. 한계수심 hc와 비에너지 he와의 관계로 옳은 것은? (단, 광폭직사각형 단면인 경우)
- ①

- ②

- ③

- ④ hc=2he
등록된 댓글이 없습니다.
58. 굴착정의 유량 공식으로 옳은 것은? (여기서 C : 피압대수층의 두께, K : 투수계수, h : 압력수면의 높이, h0 : 우물안의 수심, R : 영향원의 반지름, r0 : 우물의 반지름)
- ①

- ②

- ③

- ④

등록된 댓글이 없습니다.
59. 다음 설명 중 옳지 않은 것은?
- ① 베르누이 정리는 에너지 보존의 법칙을 의미한다.
- ② 연속 방정식은 질량보존의 법칙을 의미한다.
- ③ 부정류(unsteady flow)란 시간에 대한 변화가 없는 흐름이다.
- ④ Darcy법칙의 적용은 레이놀즈수에 대한 제한을 받는다.
등록된 댓글이 없습니다.
60. 4각 위어 유량(Q)과 수심(h)의 관계가 Q∝h3/2일 때, 3각 위어의 유량(Q)과 수심(h)의 관계로 옳은 것은?
- ① Q∝h1/2
- ② Q∝h3/2
- ③ Q∝h2
- ④ Q∝h5/2
등록된 댓글이 없습니다.
4과목 : 철근콘크리트 및 강구조
61. fck=24MPa, fy=300MPa, bω=400mm, d=500mm인 직사각형 철근콘크리트보에서 콘크리트가 부담하는 공칭 전단강도(Vc)는 얼마인가?
- ① 105.7kN
- ② 110.1kN
- ③ 142.7kN
- ④ 163.3kN
등록된 댓글이 없습니다.
62. 다음 중 용접이음을 한 경우 용접부의 결함을 나타내는 용어가 아닌 것은?
- ① 언더컷(undercut)
- ② 필렛(fillet)
- ③ 크랙(crack)
- ④ 오버랩(overlap)
등록된 댓글이 없습니다.
63. 강도 설계법에서 1방향 슬래브(slab)의 구조세목에 관한 사항 중 틀린 것은?
- ① 1방향 슬래브의 두께는 최소 100mm이상이어야 한다.
- ② 슬래브의 정모멘트 철근 및 부모멘트 철근의 중심 간격은 위험단면에서는 슬래브 두께의 2배이하이어야하고, 또한 300mm 이하로 하여야 한다.
- ③ 슬래브의 정모멘트 철근 및 부모멘트 철근의 중심간격은 위험단면 이외의 단면에서는 슬래브 두께의 3배이하이어야 하고, 또한 600mm 이하로 하여야 한다.
- ④ 1방향 슬래브에서는 정모멘트 철근 및 부모멘트 철근에 직각방향으로 수축ㆍ온도철근을 배치하여야 한다.
등록된 댓글이 없습니다.
64. 강도설계법에서 전단 보강 철근의 공칭전단강도 Vs가 (2√fck/3)bωd 를 초과하는 경우에 대한 설명으로 옳은 것은?
- ① 전단철근을 d/4이하, 600mm 이하로 배치해야 한다.
- ② 전단철근을 d/2이하, 300mm 이하로 배치해야 한다.
- ③ 전단철근을 d/4이하, 300mm 이하로 배치해야 한다.
- ④ bωd의 단면을 변경하여야 한다.
등록된 댓글이 없습니다.
65. 다음 중'피복두께'에 대한 설명으로 적합한 것은?
- ① 콘크리트 표면과 그에 가장 가까이 배치된 주철근 표면 사이의 콘크리트 두께
- ② 콘크리트 표면과 그에 가장 가까이 배치된 부철근 표면 사이의 콘크리트 두께
- ③ 콘크리트 표면과 그에 가장 가까이 배치된 가외철근 표면 사이의 콘크리트 두께
- ④ 콘크리트 표면과 그에 가장 가까이 배치된 철근 표면 사이의 콘크리트 두께
등록된 댓글이 없습니다.
66. 철근의 간격제한에 대한 설명으로 틀린 것은?
- ① 동일평면에서 평행한 철근 사이의 수평 순간격은 25mm 이상, 철근의 공칭지름이상으로 하여야 한다.
- ② 상단과 하단에 2단 이상으로 배치된 경우 상하 철근은 동일연직면 내에 배치되어야 하고, 이때 상하 철근의 순간격은 25mm 이상으로 하여야 한다.
- ③ 나선철근 또는 띠철근이 배근된 압축부재에서 축방향 철근의 순간격은 40mm이상, 또한 철근 공칭지름의 1.5배 이상으로 하여야 한다.
- ④ 벽체 또는 슬래브에서 휨 주철근의 간격은 벽체나 슬래브 두께의 5배 이하로 하여야 하고, 또한 800mm이하로 하여야 한다.
등록된 댓글이 없습니다.
67. 강도설계법으로 철근콘크리트 부재의 설계시에 사용되는 강도감소계수가 잘못된 것은?
- ① 인장지배단면 : 0.85
- ② 전단력을 받는 부재 : 0.70
- ③ 무근 콘크리트의 휨모멘트 : 0.55
- ④ 압축지배 단면 중 나선 철근으로 보강된 철근콘크리트 부재 : 0.70
등록된 댓글이 없습니다.
68. 보의 휨파괴에 대한 설명 중 틀린 것은?
- ① 과소철근보는 철근이 먼저 항복하게 되지만 철근은 연성이 크기 때문에 파괴는 단계적으로 일어난다.
- ② 과다철근보는 철근량이 많기 때문에 더욱 느린 속도로 파괴되고 위험예측이 가능하다.
- ③ 인장철근이 항복강도 fy에 도달함과 동시에 콘크리트도 극한변형률에 도달하여 파괴되는 보를 균형철근보라 한다.
- ④ 인장으로 인한 파괴 시 중립축은 위로 이동한다.
등록된 댓글이 없습니다.
69. 단면이 300×500mm이고, 150mm2의 PS 강선 6개를 강선군의 도심과 부재단면의 도심축이 일치하도록 배치된 프리텐션 PC 부재가 있다. 강선의 초기 긴장력이 1,000MPa일 때 콘크리트의 탄성변형에 의한 프리스트레스의 감소량은? (단, n=6)
- ① 36MPa
- ② 30MPa
- ③ 6MPa
- ④ 4.8MPa
등록된 댓글이 없습니다.
70. 다음 그림과 같은 직사각형 단철근 보에서 강도 설계법을 사용할 때 콘크리트의 등가직사각형 응력블록의 깊이(a)는 얼마인가? (단, fck=21MPa, fy=300MPa)

- ① 84mm
- ② 102mm
- ③ 153mm
- ④ 200mm
등록된 댓글이 없습니다.
71. 보통 강재의 용접에서 용접봉을 사용할 경우 용접자세에 대하여 적당한 것은?
- ① 상향 용접자세
- ② 하향 용접자세
- ③ 횡방향 용접자세
- ④ 눈높이와 같은 자세
등록된 댓글이 없습니다.
72. fck=24MPa, fy=300MPa일 때 다음 그림과 같은 보의 균형 철근량은?

- ① 5,254mm2
- ② 5,842mm2
- ③ 6,936mm2
- ④ 7,254mm2
등록된 댓글이 없습니다.
73. 깊은 보는 주로 어느 작용에 의하여 전단력에 저항 하는가?
- ① 장부작용(dowel action)
- ② 골재 맞물림(aggregate interaction)
- ③ 전단마찰(shear friction)
- ④ 아치작용(arch action)
등록된 댓글이 없습니다.
74. 복철근 단면으로 설계해야 할 경우를 설명한 것으로 틀린 것은?
- ① 경제성을 우선적으로 고려해야 할 경우
- ② 정(+), 부(-)의 모멘트를 번갈아 받는 구조의 경우
- ③ 처짐의 증가를 방지해야 할 경우
- ④ 구조상의 사정으로 보의 높이가 제한을 받는 경우
등록된 댓글이 없습니다.
75. 다음 중 일반적인 철근의 정착 방법 종류가 아닌 것은?
- ① 묻힘길이에 의한 정착
- ② 갈고리에 의한 정착
- ③ 약품에 의한 정착
- ④ 철근의 가로 방향에 T형이 되도록 철근을 용접해 붙이는 정착
등록된 댓글이 없습니다.
76. bw=300mm, d=500mm이고, As=3-D25(=1,520mm2)가 1열로 배치된 단철근 직사각형 단면의 설계휨강도(øMn)는? (단, fck=24MPa, fy=400MPa이고, 이 단면은 인장지배단면이다.)
- ① 207.9kN∙m
- ② 232.7kN∙m
- ③ 256.2kN∙m
- ④ 294.8kN∙m
등록된 댓글이 없습니다.
77. bw=300mm, d=400mm, As=2,400mm2, As′1,200mm2인 복철근 직사각형단면의 보에서 하중이 작용할 경우 탄성처짐량이 1.5mm였다. 5년 후 총 처짐량은 얼마인가?
- ① 2.0mm
- ② 2.5mm
- ③ 3.0mm
- ④ 3.5mm
등록된 댓글이 없습니다.
78. PSC 부재의 프리스트레스 감소원인 중 프리스트레스를 도입한 후 시간의 경과에 의해 발생하는 것은?
- ① PS강재의 릴랙세이션으로 인한 손실
- ② PS강재와 쉬스의 마찰로 인한 손실
- ③ 정착장치의 활동으로 인한 손실
- ④ 콘크리트의 탄성변형으로 인한 손실
등록된 댓글이 없습니다.
79. D-25(공칭직경 : 25.4mm)를 사용하는 압축이형철근의 기본정착길이는? (단, fck=30MPa, fy=400MPa이다.)
- ① 413mm
- ② 447mm
- ③ 464mm
- ④ 487mm
등록된 댓글이 없습니다.
80. 그림과 같이 경간 20m인 PSC 보가 프리스트레스힘(P) 1000kN을 받고 있을 때 중앙단면에서의 상향력(U)을 구하면?

- ① 30kN
- ② 40kN
- ③ 50kN
- ④ 60kN
등록된 댓글이 없습니다.
5과목 : 토질 및 기초
81. 흙의 투수계수에 관한 설명으로 틀린 것은?
- ① 흙의 투수계수는 흙 유효입경의 제곱에 비례한다.
- ② 흙의 투수계수는 물의 점성계수에 비례한다.
- ③ 흙의 투수계수는 물의 단위중량에 비례한다.
- ④ 흙의 투수계수는 형상계수에 따라 변화한다.
등록된 댓글이 없습니다.
82. 어떤 흙의 비중이 2.65, 간극률이 36%일 때 다음 중 분사현상이 일어나지 않을 동수경사는?
- ① 1.9
- ② 1.2
- ③ 1.1
- ④ 0.9
등록된 댓글이 없습니다.
83. 어떤 퇴적지반의 수평방향의 투수계수가 4.0×10-3cm/s이고, 수직방향의 투수계수가 3.0×10-3cm/s일 때 등가투수계수는 얼마인가?
- ① 3.46×10-3cm/s
- ② 5.0×10-3cm/s
- ③ 6.0×10-3cm/s
- ④ 6.93×10-3cm/s
등록된 댓글이 없습니다.
84. 현장 토질조사를 위하여 베인 테스트(Vane Test)를 행하는 경우가 종종 있다. 이 시험은 다음 중 어느 경우에 많이 쓰이는가?
- ① 연약한 점토의 점착력을 알기 위해서
- ② 모래질 흙의 다짐도를 측정하기 위해서
- ③ 모래질 흙의 내부마찰각을 알기 위해서
- ④ 모래질 흙의 투수계수를 측정하기 위하여
등록된 댓글이 없습니다.
85. 어떤 흙의 중량이 450g이고 함수비가 20%인 경우이 흙을 완전히 건조시켰을 때 중량은 얼마인가?
- ① 360g
- ② 425g
- ③ 400g
- ④ 375g
등록된 댓글이 없습니다.
86. 유효입경이 0.1mm이고 통과벽분율 80%에 대응하는 입경이 0.5mm, 60%에 대응하는 입경이 0.4mm, 40%에 대응하는 입경이 0.3mm, 20%에 대응하는 입경이 0.2mm일때 이 흙의 균등계수는?
- ① 2
- ② 3
- ③ 4
- ④ 5
등록된 댓글이 없습니다.
87. 흙의 다짐 시험에 대한 설명으로 옳은 것은?
- ① 다짐에너지가 크면 최적함수비가 크다.
- ② 다짐에너지와 관계없이 최대건조단위중량은 일정하다.
- ③ 다짐에너지와 관계없이 최적함수비는 일정하다.
- ④ 몰드 속에 있는 흙의 함수비는 다짐에너지에 거의 영향을 받지 않는다.
등록된 댓글이 없습니다.
88. 지표면이 수평이고 옹벽의 뒷면과 흙과의 마찰각이 0인 연직옹벽에서 Coulomb의 토압과 Rankine의 토압은 어떻게 되는가?
- ① Coulomb의 토압은 항상 Rankine의 토압보다 크다.
- ② Coulomb의 토압은 Rankine의 토압보다 클 때도 있고, 작을 때도 있다.
- ③ Coulomb의 토압과 Rankine의 토압은 같다.
- ④ Coulomb의 토압은 항상 Rankine의 토압보다 작다.
등록된 댓글이 없습니다.
89. 연약지반에 말뚝을 시공한 후, 부의 주면마찰력이 발생되면 말뚝의 지지력은?
- ① 증가된다.
- ② 감소된다.
- ③ 변함이 없다.
- ④ 증가할 수도 있고 감소할 수도 있다.
등록된 댓글이 없습니다.
90. 말뚝의 분류 중 지지상태에 따른 분류에 속하지 않는 것은?
- ① 다짐 말뚝
- ② 마찰 말뚝
- ③ Pedestal 말뚝
- ④ 선단 지지 말뚝
등록된 댓글이 없습니다.
91. 다음 중 표준관입시험으로부터 추정하기 어려운 항목은?
- ① 극한지지력
- ② 상대밀도
- ③ 점성토의 연경도
- ④ 투수성
등록된 댓글이 없습니다.
92. 흙댐에서 수위가 급강하한 경우 사면안정해석을 위한 강도정수 값을 구하기 위하여 어떠한 조건의 삼축압축시험을 하여야 하는가?
- ① Ouick 시험
- ② CD 시험
- ③ CU 시험
- ④ UU 시험
등록된 댓글이 없습니다.
93. 단위중량이 1.6t/m3인 연약지반(ø=0°) 지반에서 연직으로 2m까지 보강 없이 절취할 수 있다고 한다. 이 점토지반의 점착력은?
- ① 0.4t/m2
- ② 0.8t/m2
- ③ 1.4t/m2
- ④ 1.8t/m2
등록된 댓글이 없습니다.
94. 어떤 점토시료를 일축압축 시험한 결과 수평면과 파괴면이 이루는 각이 48°였다. 점토 시료의 내부마찰각은?
- ① 3°
- ② 6°
- ③ 18°
- ④ 30°
등록된 댓글이 없습니다.
95. 어떤 점토의 액성한계 값이 40%이다. 이 점토의 불교란 상태의 압축지수 Cc를 Skempton 공식으로 구하면 얼마인가?
- ① 0.27
- ② 0.29
- ③ 0.36
- ④ 0.40
등록된 댓글이 없습니다.
96. 어떤 흙의 최대 및 최소 건조단위중량이 1.8t/m3과 1.6t/m3이다. 현장에서 이 흙의 상대밀도(relative density)가 60%라면 이 시료의 현장 상대다짐도(relative compaction)는?
- ① 82%
- ② 87%
- ③ 91%
- ④ 95%
등록된 댓글이 없습니다.
97. 자연 상태 흙의 일축압축강도가 0.5kg/cm2고 이 흙을 교란시켜 일축압축강도 시험을 하니 강도가 0.1kg/cm2이었다. 이 흙의 예민비는 얼마인가?
- ① 50
- ② 10
- ③ 5
- ④ 1
등록된 댓글이 없습니다.
98. 직경 30cm의 평판을 이용하여 점토위에서 평판재하시험을 실시하고 극한지지력 15t/m2를 얻었다고 할 때 직경이 2m인 원형기초의 총허용하중을 구하면? (단, 안전율은 3을 적용한다.)
- ① 8.3ton
- ② 15.7ton
- ③ 24.2ton
- ④ 32.6ton
등록된 댓글이 없습니다.
99. 지표면에 집중하중이 작용할 때, 연직응력에 관한 다음 사항 중 옳은 것은? (단, Boussinesq 이론을 사용, E는 Young계수이다.)
- ① E에 무관하다.
- ② E에 정비례한다.
- ③ E의 제곱에 정비례한다.
- ④ E의 제곱에 반비례한다.
등록된 댓글이 없습니다.
100. 2t의 무게를 가진 낙추로서 낙하고 2m로 말뚝을 박을 때 최종적으로 1회 타격당 말뚝의 침하량이 20mm였다. Sander 공식에 의하면 이때 말뚝의 허용지지력은?
- ① 10t
- ② 20t
- ③ 67t
- ④ 25t
등록된 댓글이 없습니다.
6과목 : 상하수도공학
101. 펌프의 임펠러 입구에서 정압이 그 수온에 상당하는 포화 증기압 이하가 되면 그 부분의 물이 증발해서 공동이 생기거나 흡입관으로부터 공기가 흡입되어 공동이 생기는 현상은?
- ① Characteristic Curves
- ② Specific Speed
- ③ Positive Head
- ④ Cavitation
등록된 댓글이 없습니다.
102. 상수의 응집침전에서 응집제의 주입률을 시험하는 시험법은?
- ① Sedimentation test
- ② Coulmn test
- ③ Water quality test
- ④ Jar test
등록된 댓글이 없습니다.
103. 활성슬러지법 중 아래와 같은 특징을 갖는 방법은?

- ① 계단식 포기법
- ② 심층 포기법
- ③ 장기 포기법
- ④ 산화구법
등록된 댓글이 없습니다.
104. 하천의 자정작용 중에서 가장 큰 작용을 하는 것은?
- ① 침전
- ② 투과
- ③ 화학적 작용
- ④ 생물학적 작용
등록된 댓글이 없습니다.
105. 하수처리장 부지선정에 관한 설명으로 옳지 않은 것은?
- ① 홍수로 인한 침수 위험이 없어야 한다.
- ② 방류수가 충분히 회석, 혼합되어야 하며 상수도 수원 등에 오염되지 않는 곳을 선택한다.
- ③ 처리장의 부지는 장래 확장을 고려해서 넓게 하며 주거 및 상업지구에 인접한 곳이어야 한다.
- ④ 오수 또는 폐수가 하수처리장까지 가급적 자연유하식으로 유입하고 또한 자연유하로 방류하는 곳이 좋다.
등록된 댓글이 없습니다.
106. Talbot 공식의 a(분자상수) 값이 1800, b(분모상수) 값이 15일 때, 지속시간 15분에 대한 강우강도는?
- ① 2.64 mm/h
- ② 9.92 mm/h
- ③ 10.67 mm/h
- ④ 60.00 mm/h
등록된 댓글이 없습니다.
107. 하수관거가 갖추어야 할 특성에 대한 설명으로 옳지 않은 것은?
- ① 외압에 대한 강도가 충분하고 파괴에 대한 저항이 커야 한다.
- ② 유량의 변동에 대해서 유속의 변동이 큰 수리특성을 지닌 단면형이 좋다.
- ③ 산 및 알칼리의 부식성에 대해서 강해야 한다.
- ④ 이음의 시공이 용이하고, 그 수밀성과 신축성이 높아야 한다.
등록된 댓글이 없습니다.
108. 우수조정지를 설치하는 위치로서 적절하지 않은 것은?
- ① 오수발생량이 많은 곳
- ② 하류관거 유하능력이 부족한 곳
- ③ 방류수로 유하능력이 부족한 곳
- ④ 하류지역 펌프장 능력이 부족한 곳
등록된 댓글이 없습니다.
109. 다음 중 맛과 냄새의 제거에 주로 사용되는 것은?
- ① PAC(고분자 응집제)
- ② 황산반토
- ③ 활성탄
- ④ CuSO4
등록된 댓글이 없습니다.
110. 하수관거의 유속 및 경사에 대한 설명으로 옳지 않은 것은?
- ① 유속은 일반적으로 하류로 유하함에 따라 점차 크게한다.
- ② 경사는 하류로 감에 따라 점차 작아지도록 한다.
- ③ 유속이 느리면 관거의 바닥에 오물이 침전하여 세척비 등 유지관리비가 많이 든다.
- ④ 유속이 빠르면 관거 손상의 우려가 작아지므로 내용년수가 길어진다.
등록된 댓글이 없습니다.
111. 분류식 하수관거 계통(separated system)의 특징에 대한 설명으로 옳지 않은 것은?
- ① 오수는 처리장으로 도달, 처리된다.
- ② 우수관과 오수관이 잘못 연결될 가능성이 있다.
- ③ 관거매설비가 큰 것이 단점이다.
- ④ 강우시 오수가 처리되지 않은 채 방류되는 단점이 있다.
등록된 댓글이 없습니다.
112. 취수시설을 선정할 때 수원(水源)이 하천, 호소, 댐(저수지)인 경우에 적용할 수 있으며 보통 대량 취수에 적합하고 비교적 안정된 취수가 가능한 것은?
- ① 취수탑
- ② 깊은 우물
- ③ 취수틀
- ④ 취수관거
등록된 댓글이 없습니다.
113. 5,000m3/d의 화학 침전 처리수를 여과지에서 여과속도 5m3/m2∙ h로 여과하고 있다. 역세척은 1일 8회, 1회 역세척 시간은 15분일 경우 1지에 소요되는 이론적인 여과 면적은? (단, 여과지 수는 5지이다.)
- ① 8.333 m2
- ② 9.091 m2
- ③ 20.647 m2
- ④ 41.667 m2
등록된 댓글이 없습니다.
114. 슬러지 반송비가 0.4, 반송슬러지의 농도가 1%일 때 포기조 내의 MLSS 농도는?
- ① 1,234mg/L
- ② 2,857mg/L
- ③ 3,325mg/L
- ④ 4,023mg/L
등록된 댓글이 없습니다.
115. 급수방식을 직결식과 저수조식으로 구분할 때, 저수조식의 적용이 바람직한 경우가 아닌 것은?
- ① 일시에 다량의 물을 사용하거나 사용수량의 변동이 클 경우
- ② 배수관의 수압이 급수장치의 사용수량에 대하여 충분한 경우
- ③ 배수관의 압력변동에 관계없이 상시 일정한 수량과 압력을 필요로 하는 경우
- ④ 재해시나 사고 등에 의한 수도의 단수나 감수시에도 물을 반드시 확보해야 할 경우
등록된 댓글이 없습니다.
116. 하천에 오염원 투여시 시간 또는 거리에 따른 오염지표(BOD, DO, N)와 미생물의 변화 4단계(Whipple의 4단계)의 순서로 옳은 것은?

- ① ㉠ - ㉡ - ㉢ - ㉣
- ② ㉠ - ㉢ - ㉡ - ㉣
- ③ ㉡ - ㉠ - ㉢ - ㉣
- ④ ㉡ - ㉢ - ㉠ - ㉣
등록된 댓글이 없습니다.
117. 계획오수량 산정방법에 대한 설명으로 틀린 것은?
- ① 생활오수량의 1인1일 최대오수량은 상수도계획상의 1인1일 최대급수량을 감안하여 결정한다.
- ② 지하수량은 1인1일 평균오수량의 5~10%로 한다.
- ③ 계획시간 최대오수량은 계획1일 최대오수량의 1시간당 수량의 1.3~1.8배를 표준으로 한다.
- ④ 합류식에서 우천시 계획오수량은 원칙적으로 계획시간 최대오수량의 3배 이상으로 한다.
등록된 댓글이 없습니다.
118. 펌프에 대한 설명으로 틀린 것은?
- ① 수격현상은 펌프의 급정지시 발생한다.
- ② 손실수두가 작을수록 실양정은 전양정과 비슷해진다.
- ③ 비속도(비교회전도)가 클수록 같은 시간에 많은 물을 송수할 수 있다.
- ④ 흡입구경은 토출량과 흡입구의 유속에 의해 결정된다.
등록된 댓글이 없습니다.
119. 처리수량이 5,000m3/d인 정수장에서 8mg/L의 농도로 염소를 주입하였다. 잔류염소농도가 0.3mg/L이었다면 염소요구량은? (단, 염소의 순도는 75%이다.)
- ① 38.5kg/d
- ② 51.3kg/d
- ③ 63.3kg/d
- ④ 69.5kg/d
등록된 댓글이 없습니다.
120. 계획급수량에 대한 설명으로 옳지 않은 것은?
- ① 계획1일 평균급수량은 계획1일 최대급수량의 50%이다.
- ② 계획1일 최대급수량은 계획1일 평균급수량 × 계획첨두율로 나타낼 수 있다.
- ③ 계획1일 평균급수량은 계획1인 평균급수량 × 계획급수인구로 나타낼 수 있다.
- ④ 계획1일 최대급수량을 구하기 위한 첨두율은 소규모의 도시일수록 급수량의 변동폭이 커서 값이 커진다.
등록된 댓글이 없습니다.