토목산업기사(2006. 9. 10.) 시험일자 : 2006년 9월 10일
1과목 : 응용역학
1. 다음 그림의 캔틸레버보에서 최대 휨모멘트는 얼마인가?

- ①

- ②

- ③

- ④

등록된 댓글이 없습니다.
2. 아래 그림과 같은 단순보에서 C점의 처짐은?

- ①

- ②

- ③

- ④

등록된 댓글이 없습니다.
3. 경간(Span) 10m 인 단순보에 아래 그림과 같은 하중이 작용할 때 최대 휨응력은? (단, 자중은 무시한다.)

- ① 312.5 kg/cm2
- ② 615.9 kg/cm2
- ③ 43.1 kg/cm2
- ④ 22.6 kg/cm2
등록된 댓글이 없습니다.
4. 다음 그림과 같은 보에서 A지점의 반력은?

- ① 6.0t
- ② 7.5t
- ③ 8.0t
- ④ 9.5t
등록된 댓글이 없습니다.
5. 그림의 직사각형 ABCD는 기둥의 단면이다. 이 단면의 핵(kernel, core)을 EFGH라고 할 때 FH/BC 의 값은?

- ① 1/6
- ② 1/2
- ③ 1/3
- ④ 1/4
등록된 댓글이 없습니다.
6. 다음과 같은 구조물은 몇 차 부정정 구조물인가?

- ① 3
- ② 4
- ③ 5
- ④ 6
등록된 댓글이 없습니다.
7. 다음 단순보의 지점 A에서의 처짐각 θA는 얼마인가? (단, EI는 일정하다.)

- ①

- ②

- ③

- ④

등록된 댓글이 없습니다.
8. 그림에서 나타낸 구조물에서 A점의 휨모멘트는?

- ① 3 tㆍm
- ② 4.5 tㆍm
- ③ 6 tㆍm
- ④ 7.5 tㆍm
등록된 댓글이 없습니다.
9. 지름 D, 길이 ℓ인 원형 기둥의 세장비는?
- ① 4ℓ / D
- ② 8ℓ / D
- ③ 4D / ℓ
- ④ 8D / ℓ
등록된 댓글이 없습니다.
10. 다음 장주의 단면, 길이, 하중이 같을 때 가장 강한 기둥은?

- ① A
- ② B
- ③ C
- ④ D
등록된 댓글이 없습니다.
11. 그림과 같은 단순보에서 최대 휨모멘트는?

- ①

- ②

- ③

- ④

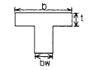
등록된 댓글이 없습니다.
12. 그림과 같은 단면의 도심거리 Y를 구한 값으로 옳은 것은?

- ① 50cm
- ② 40cm
- ③ 30cm
- ④ 20cm
등록된 댓글이 없습니다.
13. 지름이 4cm인 원형 강봉을 10t의 힘으로 잡아 당겼을 때 소성은 얼어나지 않았고 탄성변형에 의해 길이가 1mm증가 하였다. 강봉에 축척된 탄성 변형에너지는 얼마인가?
- ① 1.0t.mm
- ② 5.0t.mm
- ③ 10.0 t.mm
- ④ 20.0t.mm
등록된 댓글이 없습니다.
14. 그림과 같은 역계에서 합력R의 위치 x의 값은?

- ① 6cm
- ② 8cm
- ③ 10cm
- ④ 12cm
등록된 댓글이 없습니다.
15. 다음 그림에서 x-x축에 대한 단면 2차 반지름 (γx)은 몇 m인가?

- ① 1.73
- ② 2.46
- ③ 2.73
- ④ 3.46
등록된 댓글이 없습니다.
16. 그림과 같이 부재의 자유단이 옆의 벽과 1mm떨어져 있다. 부재의 온도가 현재보다 20℃ 상승할 때, 부재 내에 생기는 열응력의 크기는? (단, E=20,000 kg/cm2, α=10-5/℃이다.)

- ① 1 kg/cm2
- ② 2 kg/cm2
- ③ 3 kg/cm2
- ④ 4 kg/cm2
등록된 댓글이 없습니다.
17. 길이 8m의 강봉에 인장력 15t을 가했을 때 강봉의 늘음량이 0.2cm 였다면 이때 강봉의 지름은? (단, 탄성계수는 2.1×106 kg/cm2이다.)
- ① 42.6mm
- ② 51.3mm
- ③ 60.3mm
- ④ 69.7mm
등록된 댓글이 없습니다.
18. 정정 구조물에 비해 부정정 구조물이 갖는 장점을 설명한 것 중 틀린 것은?
- ① 설계모멘트의 감소로 부재가 절약된다.
- ② 지점침하 등으로 인해 발생하는 응력이 적다.
- ③ 외관이 우아하고 아름답다.
- ④ 부정정구조물은 그 연속성 때문에 처짐의 크기가 작다.
등록된 댓글이 없습니다.
19. 그림의 내민보에서 C단에 힘 P=2400kg의 하중이 150°의 경사로 작용하고 있다. A단의 연직반력(Ra)을 0(零)으로 하려면 AB구간에 작용될 등분포하중 W의 크기는?

- ① 200 kg/m
- ② 224.42kg/m
- ③ 300 kg/m
- ④ 346.41kg/m
등록된 댓글이 없습니다.
20. 아래 그림에서 P1 과 P2 의 크기는?

- ① P1 = P2 = 100 kg
- ② P1 = P2 = 150 kg
- ③ P1 = P2 = 300 kg
- ④ P1 = P2 = 600 kg
등록된 댓글이 없습니다.
2과목 : 측량학
21. 직접고저측량을 하여 그림과 같은 결과를 얻었다. 이 때 B점의 표고는? (단, A점의 표고는 100m 이고 단위는 [m]이다.)

- ① 101.1m
- ② 101.5m
- ③ 104.1m
- ④ 105.2m
등록된 댓글이 없습니다.
22. 매개변수 A 가 60m인 클로소이드 곡선상의 시점에서 곡선길이(L)이 30m일 때 곡선의 반지름(R)은?
- ① 60m
- ② 120m
- ③ 90m
- ④ 150m
등록된 댓글이 없습니다.
23. 항공사진은 다음 어떤 원리에 의한 지형지물의 상인가?
- ① 정사투영
- ② 평행투영
- ③ 등적투영
- ④ 중심투영
등록된 댓글이 없습니다.
24. 고속도로의 노선설계에 많이 이용되는 완화곡선은?
- ① 클로소이드곡선
- ② 3차 포물선
- ③ 렘니스케이트곡선
- ④ 반파장 Sine 곡선
등록된 댓글이 없습니다.
25. 다각측량에서 측선 AB의 거리가 2068m이고 A점에서 20″의 각관측오차가 발생하였을 때 B점에서의 거리오차는?
- ① 0.1m
- ② 0.2m
- ③ 0.3m
- ④ 0.4m
등록된 댓글이 없습니다.
26. 수준 측량에서 전ㆍ후시 시준거리를 같게 하여 소거할 수 있는 기계오차로 가장 적합한 것은?
- ① 거리의 부등에서 생기는 시준선의 대기 중 굴절에 서 생긴 오차
- ② 기포관축과 시준선이 평행하지 않기 때문에 생긴 오차
- ③ 기포관축이 기계의 연직축에 수직하지 않기 때문에 생긴 오차
- ④ 지구의 곡률에 의해서 생긴 오차
등록된 댓글이 없습니다.
27. 삼각형 면적을 계산하기 위해 변길이를 관측한 결과가 그림과 같을 때 이 삼각형의 면적은?

- ① 1,072.7m2
- ② 1,126.2m2
- ③ 1,235.6m2
- ④ 1,357.9m2
등록된 댓글이 없습니다.
28. 평면직교좌표에서 동서거리로 표시하는 것은?
- ① X 좌표
- ② Y좌표
- ③ 경도(D)
- ④ 위도(L)
등록된 댓글이 없습니다.
29. 등고선에서 등고선 간의 최단거리 방향은 그 지형의 무엇을 표시하는 것인가?
- ① 하향경사를 표시한다.
- ② 상향경사를 표시한다.
- ③ 최대경사방향을 표시한다.
- ④ 최소경사방향을 표시한다.
등록된 댓글이 없습니다.
30. 다음 삼각망의 구성에 대한 설명 중 잘못된 것은?
- ① 지역전체를 고른 밀도로 덮는다.
- ② 기선의 확대회수는 10회로 한다.
- ③ 삼각형은 가능한 정삼각형에 가깝게 한다.
- ④ 변길이 오차의 누적을 피하기 위해 검기선을 설치 한다.
등록된 댓글이 없습니다.
31. 100m2의 정사각형 토지면적을 0.1m2까지 정확하게 구하기 위하여 필요하고도 충분한 한 변의 측정거리는 다음 중 몇 mm 까지 측정하여야 하겠는가?
- ① 1mm
- ② 3mm
- ③ 5mm
- ④ 7mm
등록된 댓글이 없습니다.
32. 기초터파기 공사를 하기 위해 가로, 세로, 깊이를 스틸테이프로 측량하여 다음과 같은 결과를 얻었다. 토공량과 여기에 포함된 오차는? (단, 가로 40m±0.05m, 세로 20m±0.03m, 깊이 15m±0.02m)
- ① 6,000±28.3m3
- ② 6,000±48.9m3
- ③ 6,000±28.4m3
- ④ 12,000±48.9m3
등록된 댓글이 없습니다.
33. 완화곡선설치에 관한 설명으로 옳지 않은 것은?
- ① 완화곡선의 반지름은 무한대로부터 시작하여 점차 감소되고 소요의 원곡선에 연결된다.
- ② 완화곡선의 접선은 시점에서 직선에 접하고 종점에서 원호에 접한다.
- ③ 완화곡선의 시점에서 칸트는 0이고 소요의 곡선점에 도달하면 어느 높이에 달하고 그 사이의 변화비는 일정하다.
- ④ 완화곡선의 곡률은 곡선의 어느 부분에서도 그 값이 같다.
등록된 댓글이 없습니다.
34. 축척 1 : 25,000 지역의 지형도 1매를 1 : 5,000 축척으로 재편집하고자 할 때 몇 매의 지형도가 나오는가?
- ① 5매
- ② 10매
- ③ 15매
- ④ 25매
등록된 댓글이 없습니다.
35. 사면(斜面)거리 50m를 측정하는데 그 보정량이 1mm이라면 그 경사도(傾斜度)는 약 얼마인가?
- ① 1/100
- ② 1/130
- ③ 1/160
- ④ 1/190
등록된 댓글이 없습니다.
36. 하천 측량에서 유속을 구하고자 수면으로부터 수심(H)의 0.2H, 0.6H, 0.8H 되는 지점의 속도를 측정하여 각각 0.72m/sec, 0.67m/sec, 0.69m/sec의 결과를 얻었다. 3점법에 의한 평균유속은?
- ① 0.73m/sec
- ② 0.71m/sec
- ③ 0.69m/sec
- ④ 0.67m/sec
등록된 댓글이 없습니다.
37. 축척 1/500의 평판측량에서 제도허용 오차가 0.2mm일 때 구심하는 경우 가장 올바르게 표현된 것은?
- ① 오차가 허용되지 않으므로 말뚝중앙에 정확히 맞추어야 한다.
- ② 말뚝중앙에서 10cm까지 오차가 허용된다.
- ③ 말뚝중앙에서 5cm까지 오차가 허용된다.
- ④ 말뚝이 평판 밑에 있으면 된다.
등록된 댓글이 없습니다.
38. 사진의 중심점을 찾으려면 다음 어느 것을 이용하는가?
- ① 화면거리
- ② 사진번호
- ③ 사진의 크기
- ④ 사진지표
등록된 댓글이 없습니다.
39. 그림에서 AC및 DB간에 그림과 같이 곡선을 넣으려 할 때 교점(P)에 장애물이 있어 ∠ACD = 150°, ∠CDB = 90°및 CD의 거리 400m를 측정하였다. C점으로부터 A(B,C)점까지의 거리는? (단, 곡선의 반지름은 500m로 한다.)

- ① 461.88m
- ② 453.15m
- ③ 425.88m
- ④ 404.15m
등록된 댓글이 없습니다.
40. 아래 그림과 같은 3개의 각 x1, x2, x3를 같은 정도로 측정한 결과, x1=31° 38′ 18″, x2 = 33° 04′ 31″, x3 = 64° 42′ 34″로 나타났다. ∠AOB의 보정된 값은?

- ① 31° 38′ 23″
- ② 31° 38′ 20″
- ③ 31° 38′ 13″
- ④ 31° 38′ 08″
등록된 댓글이 없습니다.
3과목 : 수리학
41. 비중 0.92의 빙산이 비중 1.025의 해수면에 떠있다. 수면에서 위에 나온 빙산의 체적이 100m3 이라면 빙산 전체의 체적은?
- ① 1.464m3
- ② 1.363m3
- ③ 976m3
- ④ 876m3
등록된 댓글이 없습니다.
42. 정상적인 흐름 내의 한 개 유선에서 동수경사선은 다음 중 어느 값을 연결한 선의 기울기인가? (단, v = 유속, g = 중력가속도, wo = 물의 단위중량, P = 압력, Z = 위치수두)
- ①

- ②

- ③

- ④

등록된 댓글이 없습니다.
43. 원관내 흐름이 포물선형 유속분포를 가질 때 관중심선상에서의 유속을 Vo, 전단응력 τ0, 관 벽면에서의 전단응력 τs, 관내의 평균유속을 Vm, 관 중심선에서 y만큼 떨어져 있는 곳의 유속을 V라 할 때 다음 중 틀린 것은?

- ① Vo > V
- ② Vo = 3Vm
- ③ τ0 = 0
- ④ τs > τ0
등록된 댓글이 없습니다.
44. 수면으로부터 2.5m 깊이에 정사각형 단면의 오리피스를 설치하여 0.042m3/sec의 물을 유출시킬 때 정사각형 단면의 한 변의 길이는? (단, 오리피스 계수 C=0.6)
- ① 10cm
- ② 16cm
- ③ 20cm
- ④ 22cm
등록된 댓글이 없습니다.
45. 길이가 400m이고 지름이 25cm인 관에 평균유속 1.82m/sec로 물이 흐르고 있다. 관 마찰 손실계수 f=0.0422일 때 손실 수두는?
- ① 11.4m
- ② 25.4m
- ③ 30.0m
- ④ 46.0m
등록된 댓글이 없습니다.
46. 다음 중 다르시(Darcy)법칙에 관한 사항 중 옳은 것은? (여기서, v : 평균유속, h : 수두, dh : 수두차, ds : 흐름의 길이, k : 투수계수)
- ①

- ②

- ③

- ④

등록된 댓글이 없습니다.
47. 강우량-유역면적-강우지속 기간 관계를 수립하는 작업을 무엇이라 하는가?
- ① ø-index
- ② W-index
- ③ DAD해석
- ④ 유출 해석
등록된 댓글이 없습니다.
48. 개수로에서 수심 h=1.2m이고, 평균유속 V= 4.54m/sec인 흐름의 비에너지(Specific energy)는?
- ① 1.25m
- ② 2.25m
- ③ 2.75m
- ④ 3.25m
등록된 댓글이 없습니다.
49. 다음 중 유역의 평균강우량 산정법이 아닌 것은?
- ① 산술평균법
- ② Thiessen의 가중법
- ③ 등우선법
- ④ Penman 공식법
등록된 댓글이 없습니다.
50. 다음 그림과 같은 원형관에 물이 흐를 경우 1, 2, 3 단면에 대한 설명으로 옳은 것은? (단, D1=30cm, D2=10cm, D3=20cm)

- ① 유속은 V2 > V3 > V1 이 되며 압력은 1단면 > 3단면 > 2단면이다.
- ② 유속은 V1 > V3 > V2 이 되며 압력은 2단면 > 3단면 > 1단면이다.
- ③ 유속은 V2 < V3 < V1 이 되며 압력은 3단면 > 1단면 > 2단면이다.
- ④ 1, 2, 3단면의 유속과 압력은 같다.
등록된 댓글이 없습니다.
51. 그림의 평판에 작용하는 전수압의 연직 분력(Pv)은? (단, 평판의 폭인 Z축 방향의 길이는 5m임)

- ① 2.0 ton
- ② 10.1 ton
- ③ 12.5 ton
- ④ 17.7 ton
등록된 댓글이 없습니다.
52. Froude수가 갖는 의미로 옳은 것은?
- ① 점성력과 관성력의 비
- ② 관성력과 표면장력의 비
- ③ 중력과 점성력의 비
- ④ 관성력과 중력의 비
등록된 댓글이 없습니다.
53. 다음과 같은 집중호우가 자기기록지에 기록되었다. 지속기간 20분 동안의 최대 강우강도를 구한 값은?

- ① 35mm / hr
- ② 75mm / hr
- ③ 95mm / hr
- ④ 105mm / hr
등록된 댓글이 없습니다.
54. 다음 중 하천 유량 측정 방법이 아닌 것은?
- ① 위어(weir)에 의한 방법
- ② 벤튜리 메타(venturi meter)에 의한 방법
- ③ 유속계에 의한 방법
- ④ 부자에 의한 방법
등록된 댓글이 없습니다.
55. 그림과 같이 물을 채운 용기에서 D점의 절대압력은? (단, 대기압 = 1.033kg / cm2)

- ① 2.066 kg / cm2
- ② 1.233 kg / m2
- ③ 1.033 kg / cm2
- ④ 0.733 kg / cm2
등록된 댓글이 없습니다.
56. 수표면적이 200ha인 저수지에서 24시간 동안 측정된 증발량은 2cm이며 이 기간 동안 평균 2m3/s 의 유량이 저수지로 유입된다. 24시간 경과 후 저수지의 수위가 초기 수위와 동일 할 경우 저수지로부터의 유출량은 얼마인가? (단, 저수지의 수표면적은 수심에 따라 변화하지 않음)
- ① 1,328ha ㆍ cm
- ② 1,728ha ㆍ cm
- ③ 2,160ha ㆍ cm
- ④ 2,592ha ㆍ cm
등록된 댓글이 없습니다.
57. 용기에 물을 넣고 a=9.8m/sec2의 가속도로 윗 방향으로 운동시킬 때 A점에서의 정수압은?

- ① 1 ton/m2
- ② 2 ton/m2
- ③ 10 ton/m2
- ④ 20 ton/m2
등록된 댓글이 없습니다.
58. 다음 중 위어(weir)의 설치 목적이 아닌 것은?
- ① 유량측정
- ② 취수를 위한 수위증가
- ③ 분수(分水)
- ④ 수압측정
등록된 댓글이 없습니다.
59. 부체가 수면에 의해 절단되는 부양면으로부터 부체의 최하단부까지의 깊이를 무엇이라 하는가?
- ① 부력
- ② 부심
- ③ 부양면
- ④ 흘수
등록된 댓글이 없습니다.
60. 차원방정식 [LMT]계를 [LFT]계로 고치고자 할 때 이용되는 식으로 옳은 것은?
- ① [M] = [FLT]
- ② [M] = [FL-1T-2]
- ③ [M] = [FLT2]
- ④ [M] = [FL2T]
등록된 댓글이 없습니다.
4과목 : 철근콘크리트 및 강구조
61. 그림과 같이 지간 중앙점에서 강선을 꺾었을 때 이 중앙점에서 상향력 U의 값은?

- ① 2Fsinθ
- ② 4Fsinθ
- ③ 2Ftanθ
- ④ 4Ftanθ
등록된 댓글이 없습니다.
62. PSC 부재에서 프리스트레이스(prestress)의 직접적인 감소 원인이 아닌 것은?
- ① 콘크리트의 탄성 변형
- ② 마찰 및 정착단 활동
- ③ 콘크리트의 건조수축 및 크리프(creep)
- ④ PS 강재의 편심량
등록된 댓글이 없습니다.
63. 독립 확대 기초의 크기가 2×3m이고 지반의 허용지지력이 200kN/m2일 때 이 기초가 받을 수 있는 허용하중의 크기는?
- ① 600 kN
- ② 800 kN
- ③ 1,200 kN
- ④ 1,500 kN
등록된 댓글이 없습니다.
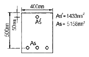
64. As' = 1,400mm2로 배근된 그림과 같은 복철근 보의 탄성처짐이 10mm라 할 때 1년 후 장기처짐을 고려한 총처짐량은? (단, 1년 후 지속하중 재하에 따른 계수 ζ=1.4 이다.)

- ① 10mm
- ② 13.25mm
- ③ 16.43mm
- ④ 18.24mm
등록된 댓글이 없습니다.
65. 강판(150 × 10mm)을 그림과 같이 ø22mm 리벳(rivet)으로 연결할 때 강판의 최대 허용인장력은? (단, fta=120MPa)

- ① 115 kN
- ② 120 kN
- ③ 125 kN
- ④ 130 kN
등록된 댓글이 없습니다.
66. 다음 중 최소 전단철근 규정이 적용되는 경우는?
- ① 슬래브와 기초판
- ② 콘크리트 장선구조
- ③ 전체 높이가 250mm를 초과하는 휨부재
- ④ T형보에 있어서 그 높이가 플랜지 두께의 2.5배 또는 복부폭의 1/2중 큰 값 이하인 보
등록된 댓글이 없습니다.
67. 다음과 같은 대칭 T형보의 유효폭(b)을 산정할 때 필요한 공식의 종류에 포함되지 않는 것은?

- ① 16t + bw
- ② 슬래브의 중심간 거리
- ③ 보의 경간의 1/4
- ④ (인접보와의 내측거리의 1/2) + bw
등록된 댓글이 없습니다.
68. 옹벽의 일반적 설계에 관한 다음 설명 중 틀린 것은?
- ① 뒷부벽은 T형보로 설계하여야 하며, 앞부벽은 직사각형보로 설계하여야 한다.
- ② 캔틸레버 옹벽의 전면벽은 저판에 지지된 캔틸레버로 설계할 수 있다.
- ③ 뒷부벽식 및 앞부벽식 옹벽의 전면벽은 1방향 슬래브로 설계하여야 한다.
- ④ 캔틸레버식 옹벽의 저판은 전면벽과의 접합부를 고정단으로 간주한 캔틸레버로 가정하여 단면을 설계할 수 있다.
등록된 댓글이 없습니다.
69. 그림과 같은 단면을 갖는 지간 20m의 PCS보에 PS 강재가 150mm의 편심거리를 가지고 직선배치 되어 있다. 자중을 포함한 등분포하중 8kN/m가 보에 작용할 때, 보 중앙단면 콘크리트 상연응력을 계산하면? (단, 유효 프리스트레스 힘 Pe=1,800kN)

- ① 9.13MPa
- ② 10.84MPa
- ③ 12.92MPa
- ④ 14.12MPa
등록된 댓글이 없습니다.
70. 콘크리트의 크리프에 대한 다음 기술 중 적당하지 않은 것은?
- ① 콘크리트의 설계 기준강도가 크면 클수록 크리프양도 크다.
- ② 크리프가 진행되는 속도는 습도의 영향을 받는다.
- ③ 크리프 양은 응력이 크면 클수록 응력의 지속시간이 길면 길수록 크다.
- ④ 최초로 하중이 재하될 때 재령이 크면 클수록 크리프양은 적어진다.
등록된 댓글이 없습니다.
71. 강도설계법에서 전단과 휨만을 받는 부재에 콘크리트가 부담하는 공칭전단 강도(Vc)는 얼마인가? (단, fck=21MPa ,fy=300MPa, bw=300㎜, d=500㎜)
- ① 114.6kn
- ② 35.7kn
- ③ 150.2kn
- ④ 95.5kn
등록된 댓글이 없습니다.
72. 강도해석에서 fck=30MPa일때 응력도의 높이 비 β1은 얼마인가?
- ① β1=0.85
- ② β1=0.843
- ③ β1=0.836
- ④ β1=0.829
등록된 댓글이 없습니다.
73. 콘크리트의 균열에 대한 다음 설명중 틀린 것은?
- ① 이형철근을 사용하면 균열폭이 작아진다.
- ② 하중으로 인해 발생하는 균열의 최대폭은 철근응력에 비례한다.
- ③ 콘크리트 표면의 균열 폭은 콘크리트 피복두계에 반비례한다.
- ④ 철근을 인장측 콘크리트에 잘 분포시키면 휨균열의 폭이 최소로 된다.
등록된 댓글이 없습니다.
74. 인장을 받는 이형철근의 기본정착길이 ℓdb 를 계산하기 위해 필요한 요소가 아닌것은?
- ① 철근의 공칭지름
- ② 철근의 설계기준항복강도
- ③ 전단철근의 간격
- ④ 콘크리트의 설계기준강도
등록된 댓글이 없습니다.
75. 아래 그림의 복철근 직사각형 보에서 등가 응력 높이 a는? (단, fck=21MPa, fy=300MPa)

- ① 60.2㎜
- ② 148.2㎜
- ③ 156.5㎜
- ④ 216.7㎜
등록된 댓글이 없습니다.
76. 강재의 압축부재에 대한 설명으로 옳은 것은?
- ① 축방향 압축강도(Pc)의 단면계산에서 리벳이나 볼트구멍을 제외한 순단면적을 사용한다.
- ② 축방향 압축강도(Pc)의 단면계산에서 총단면적을 사용한다.
- ③ 축방향 압축강도(Pc)의 계산에서 응력은 휨응력만 계산 한다.
- ④ 압축부재가 길이에 비해 단면이 작으면 세장비가 작아 져서 좌굴파괴를 일으킨다.
등록된 댓글이 없습니다.
77. 그림과 같은 T형보에 대한 등가깊이 a는 얼마인가? (단, fck=21MPa , fy=400MPa이다)

- ① 40㎜
- ② 70㎜
- ③ 80㎜
- ④ 150㎜
등록된 댓글이 없습니다.
78. b = 300㎜ d = 500㎜인 직사각형보에 하중계수를 고려한 계수 전단력 80kN이작용하고 fck=21MPa, fy=400MPa이라면 필요한 최소 전단철근량은 약 얼마인가? (단, 전단철근은 수직스터럽을 사용하며 간격은 250㎜)
- ① 65.7mm2
- ② 220.3mm2
- ③ 170.5mm2
- ④ 필요없음
등록된 댓글이 없습니다.
79. 보의 주철근을 둘러싸고 이에 직각되게 또는 경사지게 배치한 복부보강근으로서 전단력 및 비틀림모멘트에 저항 하도록 배치한 보강철근은?
- ① 배력철근
- ② 스터럽(Stirrup)
- ③ 조립용 철근
- ④ 절곡철근
등록된 댓글이 없습니다.
80. 강도설계법에서 직사각형 단철근보의 균형철근비 pb는? (단, fck=20MPa, fy=300MPa 이다.)
- ① 0.032
- ② 0.035
- ③ 0.038
- ④ 0.048
등록된 댓글이 없습니다.
5과목 : 토질 및 기초
81. 다음 sounding의 종류 가운데 시험기의 회전에 의해서만 지반의 강도를 측정하는 방법은?
- ① 표준관입시험(SPT)
- ② 콘관입시험(CPT)
- ③ Vane Test
- ④ Iskymeter
등록된 댓글이 없습니다.
82. 다짐에 관한 다음의 설명중 타당하지 않은 것은?
- ① 사질성분이 많이 내포된 흙은 다짐곡선의 기울기가 급하다.
- ② 최적 함수비는 흙의 종류와 다짐방법에 따라 다르다.
- ③ 입도분포가 양호한 흙의 건조밀도는 낮다.
- ④ 다짐을 하면 부착성이 양호해지고 투수성과 압축성이 작아진다.
등록된 댓글이 없습니다.
83. 그림의 옹벽이 받는 전 주동 토압은? (단,Rankine의 토압이론으로 계산할 것)

- ① 1.5t/m
- ② 3.0t/m
- ③ 4.15t/m
- ④ 8.33t/m
등록된 댓글이 없습니다.
84. 연약점토 지반에 성토할 때 다음 공법 중 이용도가 가장 낮은 것은?
- ① Paper-drain공법
- ② Pre-loading공법
- ③ Sand-drain공법
- ④ Soil-Cement공법
등록된 댓글이 없습니다.
85. 비교적 균질한 토층을 실험한 결과 rt=2.0t/m3, C=2.5t/m2, ø=10° 인 경우에 연직으로 절취할 수 있는 한계고는 얼마인가?
- ① Hc=5.96m
- ② Hc=5.11m
- ③ Hc=6.48m
- ④ Hc=4.71m
등록된 댓글이 없습니다.
86. Terzaghi의 지지력 공식에서 고려되지 않는 것은?
- ① 흙의 내부 마찰각
- ② 기초의 근입깊이
- ③ 압밀량
- ④ 기초의 폭
등록된 댓글이 없습니다.
87. 다음 표준관입시험에 관한 설명으로 옳지 않은 것은?
- ① 시험결과 N값을 얻는다.
- ② 63.5㎏ 햄머를 76㎝ 낙하시켜 Split spoon Sampler를 30㎝ 관입시킨다.
- ③ 시험결과로부터 흙의 내부마찰각 등의 공학적 성질을 추정할 수 있다.
- ④ 이 시험은 사질토에서 보다 점성토에서 더 유리하게 이용된다.
등록된 댓글이 없습니다.
88. 점착력이 큰 지반에 강성의 기초가 놓여 있을 때 기초바닥의 응력상태를 설명한 것 중 옳은 것은?
- ① 기초 밑 전체가 일정하다.
- ② 기초 중앙에서 최대응력이 발생한다.
- ③ 기초 모서리 부분에서 최대응력이 발생한다.
- ④ 점착력으로 인해 기초바닥에 응력이 발생하지 않는다.
등록된 댓글이 없습니다.
89. 그림에서 모래층에 분사현상이 발생되는 경우는 수두 h가 몇 ㎝이상일때 일어나는가? (단, Gs=2.68, n=60%)

- ① 20.16㎝
- ② 10.52㎝
- ③ 13.73㎝
- ④ 18.05㎝
등록된 댓글이 없습니다.
90. 현장에서 채취한 흙 시료의 교란된 정도를 알기 위하여 시료 채취에 사용한 원통형 튜브(tube)의 규격을 조사한결과 튜브의 외경이 5㎝이고 절단면의 내경은 4.7625㎝였다. 면적비(Ar)는 얼마인가?
- ① 20.54%
- ② 15.82%
- ③ 10.22%
- ④ 5.64%
등록된 댓글이 없습니다.
91. 포화점토의 일축압축 시험결과 자연상태 점토의 일축압축강도와 흐트러진 상태의 일축압축 강도가 각각 1.8㎏/cm2, 0.4㎏/cm2였다. 이점토의 예민비는?
- ① 0.72
- ② 0.22
- ③ 4.5
- ④ 6.4
등록된 댓글이 없습니다.
92. 미세한 모래와 실트가 작은 아치를 형성한 고리모양의 구조로써 간극비가 크고, 보통의 정적 하중을 지탱할 수 있으나 무거운 하중 또는 충격하중을 받으면 흙구조가 부서지고 큰 침하가 발생되는 흙의 구조는?
- ① 면모구조
- ② 벌집구조
- ③ 분산구조
- ④ 중구조
등록된 댓글이 없습니다.
93. 상방향의 침투가 있는 지반에서 물에 의한 단위체 적당 침투력을 나타낸 식으로 옳은 것은? (단, 시료의 단면적은 A,시료의 길이는 L,시료의 포화 단위중량은 rsat, 물의 단위중량은 rw, 동수경사는 ¡, 수두차는 △h이다.)
- ① h·rw·△(A/L)
- ② △h·rw·A
- ③ △h·rsat·A
- ④ ¡·rw
등록된 댓글이 없습니다.
94. 그림과 같은 지반에서 깊이 5m지점에서의 전단강도는? (단, 내부마찰각은 35°, 점착력은 0 이다.)

- ① 3.2t/m2
- ② 3.8t/m2
- ③ 4.5t/m2
- ④ 6.3t/m2
등록된 댓글이 없습니다.
95. 그림에서 모관수에 의해 A-A면까지 완전히 포화되었다고 가정하면 B-B면에서의 유효응력은 얼마인가?

- ① 6.3t/m2
- ② 7.2t/m2
- ③ 8.2t/m2
- ④ 12.2t/m2
등록된 댓글이 없습니다.
96. CBR시험에서 피스톤 2.5㎜관입될때와 5㎜관입될 때를 비교한 결과 5㎜값이 더 크게 나타났다. 어떻게 하여 CBR 값을 결정하는가?
- ① 그대로 5㎜값을 CBR값으로 한다.
- ② 2.5㎜값과 5㎜값의 평균값을 CBR값으로 한다.
- ③ 5㎜값을 무시하고 2.5㎜값을 표준으로 하여 CBR값으로한다.
- ④ 되풀이 시험해서 그래도 5㎜값이 크게나오면 그대로 5㎜값을 CBR값으로 한다.
등록된 댓글이 없습니다.
97. 두께9m의 점토층에서 하중강도 P1일때 간극비는 2.0 이고 하중강도를 P2로 증가시키면 간극비는 1.8로 감소되었다. 이 점토층의 압밀 침하량은?
- ① 20㎝
- ② 60㎝
- ③ 180㎝
- ④ 36㎝
등록된 댓글이 없습니다.
98. 점성토지반의 성토 및 굴착시 발생하는 heaving 방지대책으로 틀린 것은?
- ① 지반개량을 한다.
- ② 표토를 제거하여 하중을 적게 한다.
- ③ 널말뚝의 근입장을 짧게 한다.
- ④ trench cut및 부분 굴착을 한다.
등록된 댓글이 없습니다.
99. 내부 마찰각이 영(零)인 점토질 흙의 일축압축 시험시 압축강도가 4㎏/cm2이었다면 이 흙의 점착력은?
- ① 1㎏/cm2
- ② 2㎏/cm2
- ③ 3㎏/cm2
- ④ 4㎏/cm2
등록된 댓글이 없습니다.
100. 다음 중 흙지반의 투수계수에 영향을 미치지 않는 것은?
- ① 물의 점성
- ② 유효입경
- ③ 간극비
- ④ 흙의 비중
등록된 댓글이 없습니다.
6과목 : 상하수도공학
101. 다음의( )안에 가장 알맞은 내용으로 짝지어진 것은?

- ① 구경, 효율, 양정
- ② 유속, 양정, 동력
- ③ 양정, 동력, 회전수
- ④ 양정, 효율, 동력
등록된 댓글이 없습니다.
102. 교차연결(cross connection)에 대한 설명으로 가장 옳은 것은?
- ① 가정하수와 우수관거가 연결된 것
- ② 연결수관에 압력계가 연결된 것
- ③ 하수관에 유량계가 연결된 것
- ④ 음용수관과 음용수로 사용될 수 없는 물을 수송하는 관이 연결된 것
등록된 댓글이 없습니다.
103. 최대 계획 우수 유출량의 산정은 원칙적으로 합리식에 의한다. 합리식에 사용되는 강우강도식의 형태가 아닌 것은?
- ① Cleveland형
- ② Sherman형
- ③ Kerby형
- ④ Hisano ㆍ lshiguro형
등록된 댓글이 없습니다.
104. 생물학적 폐수처리 과정에서 미생물에 의해 유기성질소가 분해, 산화되는 과정을 순서대로 나열한 것은?
- ① 유기성 질소 → NH3-N→ NO2-N→ NO3-N
- ② 유기성 질소 → NH3-N→ NO3-N→ NO2-N
- ③ 유기성 질소 → NO2-N→ NO3-N→ NH3-N
- ④ 유기성 질소 → NO3-N→ NO2-N→ NH3-N
등록된 댓글이 없습니다.
105. 급수(給水)장치용 기구가 구비해야 할 요건으로 적합 하지 않은 것은?
- ① 부식 및 누수가 없고 견고할 것
- ② 위생상 무해(無害)한 재료로 구성할 것
- ③ 한랭지용은 정체수가 배출되지 않는 구조일 것
- ④ 손실수두가 작으며 과대한 수격작용이 발생하지 않을 것
등록된 댓글이 없습니다.
106. 배수관에서 분기하여 각 수요자에게 음용수를 공급하는 것을 목적으로 하는 시설은?
- ① 취수시설
- ② 도수시설
- ③ 배수시설
- ④ 급수시설
등록된 댓글이 없습니다.
107. 폭 8m,길이30m, 유효수심 3m인 최초 침전지에서 1일 최대 오수량 10,000m3/day를 처리할 때 체류시간은?
- ① 0.70 hr
- ② 1.20 hr
- ③ 1.51 hr
- ④ 1.73 hr
등록된 댓글이 없습니다.
108. 활성슬러지법에 의하여 폐수를 처리할 경우 폭기조 혼합액의 MLSS가 2,000㎎/ℓ이고,이것을 30분간 정치했을 때의 침강용적이 본래의 30%라면 슬러지 용적지수(SVI)는?
- ① 50
- ② 100
- ③ 150
- ④ 200
등록된 댓글이 없습니다.
109. 강우강도 , 유입시간 180초, 유역면적 4km2 유출계수 0.9, 하수관내 유속 50m/min 인 경우 길이 1㎞의 하수관내 peak 유량은? (단, 여기서 t는 분단위)
- ① 43.74m3/sec
- ② 73.52m3/sec
- ③ 95.41m3/sec
- ④ 102.43m3/sec
등록된 댓글이 없습니다.
110. 급속여과지의 여과속도는 얼마를 표준으로 하는가?
- ① 4~5m/day
- ② 30~50m/day
- ③ 120~150m/day
- ④ 300~500m/day
등록된 댓글이 없습니다.
111. 합류식 하수관거의 설계시 사용하는 유량은?
- ① 계획우수량 + 계획시간 최대오수량
- ② 계획우수량 + 계획시간 최대오수량의 3배
- ③ 계획1일 최대오수량
- ④ 계획시간 최대오수량의 3배
등록된 댓글이 없습니다.
112. 수원을 선정할 때 구비조건으로 틀린 것은?
- ① 수량이 풍부해야 한다.
- ② 수질이 좋아야 한다.
- ③ 가능한 한 낮은 곳에 위치해야한다.
- ④ 수돗물 소비지에서 가까운 곳에 위치해야한다.
등록된 댓글이 없습니다.
113. 침사지에 대한 설명 중 틀린 것은?
- ① 일반적으로 하수 중의 지름 0.2mm이상의 비부패성 무기물 및 입자가 큰 부유물을 제거하기 위한 것이다.
- ② 침사지의 지수는 단일 지수를 원칙으로 한다.
- ③ 펌프 및 처리 시설의 파손을 방지하도록 펌프 및 처리 시설의 앞에 설치한다.
- ④ 합류식에서 우천시 계획하수량을 처리할 수 있는 용량이 확보되어야한다.
등록된 댓글이 없습니다.
114. 정수장에서 처리대상 물질과 처리방법이 적절하지 않은 것은?
- ① 냄새(곰팡이냄새) : 활성탄, 오존, 생물처리
- ② 무기물(망간) : 산화처리와 여과, 생물처리
- ③ 트리클로로에틸렌 : 활성탄, 폭기처리
- ④ 색도(부식질) : 폭기, 생물처리
등록된 댓글이 없습니다.
115. 용존산소에 대한 설명 중 옳지 않은 것은?
- ① 오염된 물은 용존산소량이 적다.
- ② BOD가 큰 물은 용존산소도가 많다.
- ③ 용존산소량이 적은 물은 혐기성 분해가 일어나 쉽다.
- ④ 용존산소가 극히 적은 물은 어류의 생존에 적합하지 않다.
등록된 댓글이 없습니다.
116. 관로 유속의 급격한 변화로 인한 충격현상으로 관내압력이 급상승 또는 급강하 하는 현상을 무엇이라 하는가?
- ① 공동현상
- ② 수격현상
- ③ 진공현상
- ④ 부압현상
등록된 댓글이 없습니다.
117. 주거지역(면적 3ha, 유출계수 0.5), 상업지역(면적 2ha, 유출계수 0.7), 녹지(면적 1ha, 유출계수 0.1)로 구성된 지역의 평균 유출계수는?
- ① 0.4
- ② 0.5
- ③ 0.6
- ④ 1.3
등록된 댓글이 없습니다.
118. 다음의 공식 중 상수도 배수관 설계에 가장 많이 사용되는 공식은?
- ① Kutter 공식
- ② Manning공식
- ③ Hazen-Williams공식
- ④ Forchheimer공식
등록된 댓글이 없습니다.
119. 하수관거의 부속설비에 대한 설명으로 옳지 않은 것은?
- ① 맨홀(Manhole)은 하수관거의 청소, 점검, 보수 등을 위해 사람의 출입과 통풍 및 환기 등을 목적으로 설치한 시설이다.
- ② 우수받이(Street lnlet)는 우수내의 고형 부유물이 하수관거 내에 침전하여 일어나는 부작용을 방지하기 위한 시설이다.
- ③ 역사이폰(Inverted Syphon)은 하천, 철도, 지하철 등의 지하매설물을 횡단하기 위해 수두 경사선 이하로 매설된 하수관거 부분이다.
- ④ 토구(Outfail)는 하천 또는 바다물이 하수관거내로 유입되는 것을 방지하는 시설이다.
등록된 댓글이 없습니다.
120. 상수도계통에서 배수지로 가장 적당한 위치는?
- ① 충분한 수압을 가지고 취수시설에 가까운 곳
- ② 충분히 정화시킬 수 있는 정수시설에서 가까운 곳
- ③ 충분한 수량을 취수할 수 있는 수원지에서 가까운 곳
- ④ 급수구역에서 가깝고 적당한 수두를 얻을 수 있는 곳
등록된 댓글이 없습니다.