특수용접기능사(2006. 10. 1.) 시험일자 : 2006년 10월 1일
1과목 : 용접일반
1. 고주파 펄스 TIG 용접기의 장점 설명으로 틀린 것은?
- ① 전극봉의 소모가 적어 수명이 길다.
- ② 20A 이하의 저전류에서 아크의 발생이 안정되고 0.5㎜ 이하의 박판용접에도 가능하다.
- ③ 콘택트 팁에서 통전되므로 와이어 중에 저항열이 적게 발생되어 고전류 사용이 가능하다.
- ④ 좁은 홈의 용접에서 아크의 교란상태가 발생되지 않아 안정된 상태의 용융지가 형성된다.
등록된 댓글이 없습니다.
2. 자동금속 아크용접법으로 모재의 이음 표면에 미세한 입상모양의 용제를 공급하고, 용제속에 연속적으로 전극와이어를 송급하여 모재 및 전극와이어를 용융시켜 대기로부터 용접부를 보호하면서 하는 용접법은?
- ① 불활성가스 아크용접
- ② 이산화탄소 아크용접
- ③ 서브머지드 아크용접
- ④ 일렉트로 슬래그 용접
등록된 댓글이 없습니다.
3. 아크 에어 가우징에 가장 적합한 홀더 전원은?
- ① DCRP
- ② DCSP
- ③ DCRP, DCSP 모두 좋다.
- ④ 대전류의 DCSP가 가장 좋다.
등록된 댓글이 없습니다.
4. 수중 절단 작업을 할 때에는 예열 가스의 양을 공기 중에서 몇 배로 하는가?
- ① 0.5~1배
- ② 1.5~2배
- ③ 4~8배
- ④ 8~16배
등록된 댓글이 없습니다.
5. 주로 모재 및 용접부의 연성과 결함의 유무를 조사하기 위한 시험 방법은?
- ① 인장시험
- ② 굽힘시험
- ③ 피로시험
- ④ 충격시험
등록된 댓글이 없습니다.
6. 규격이 AW 300인 교류 아크 용접기의 정격 2차 전류 범위는?
- ① 0~300A
- ② 20~330A
- ③ 60~330A
- ④ 120~430A
등록된 댓글이 없습니다.
7. 아세톤은 각종 액체에 잘 용해된다. 15℃ 15기압에서 아세톤 2L에 아세틸렌이 몇 L 정도가 용해되는가?
- ① 150L
- ② 225L
- ③ 375L
- ④ 750L
등록된 댓글이 없습니다.
8. 산소용기를 취급할 때 주의사항으로 맞는 것은?
- ① 넘어지지 않도록 눕혀서 보관한다.
- ② 햇빛이 잘 드는 옥외에 보관한다.
- ③ 누설시험은 비눗물로 한다.
- ④ 밸브는 녹슬지 않도록 기름을 칠해둔다.
등록된 댓글이 없습니다.
9. 용접기의 특성 중 부하전류가 증가하면 단자전압이 저하하는 특성은?
- ① 정전압 특성
- ② 상승 특성
- ③ 수하 특성
- ④ 자기제어 특성
등록된 댓글이 없습니다.
10. 가스용접에서 용제(flux)를 사용하는 이유는?
- ① 산화작용 및 질화작용을 도와 용착금속의 조직 을 미세화하기 위해
- ② 모재의 용융온도를 낮게 하여 가스 소비량을 적 게 하기 위해
- ③ 용접봉의 용융속도를 느리게 하여 용접봉 소모를 적게 하기 위해
- ④ 용접 중 금속의 산화물과 비금속 개재물을 용해하여 용착금속의 성질을 양호하게 하기 위해
등록된 댓글이 없습니다.
11. 다음 용해 아세틸렌 취급시 주의 사항으로 잘못 설명된 것은?
- ① 저장 장소는 통풍이 잘되어야 한다.
- ② 용기 밸브를 열 때는 전용 핸들로 1/4~1/2 회전만 시킨다.
- ③ 가스 사용 후에는 반드시 약간의 잔압 0.1[kgf/㎠]을 남겨 두어야 한다.
- ④ 용기는 40℃ 이상에서 보관한다.
등록된 댓글이 없습니다.
12. 용접결함과 그 원인을 조합한 것이다. 틀린 것은?
- ① 변형 - 홈 각도 과대
- ② 기공 - 강재에 부착되어 있는 기름
- ③ 용입부족 - 전류 과대
- ④ 슬래그 섞임 - 전층의 슬래그 제거 불완전
등록된 댓글이 없습니다.
13. 전격 방지 대책에 대한 설명 중 틀린 것은?
- ① 용접기의 내부에 함부로 손을 대지 않는다.
- ② 홀더나 용접봉은 절대로 맨손으로 취급하지 않는다.
- ③ 가죽장갑, 앞치마, 발덮개 등 규정된 보호구를 반드시 착용한다.
- ④ 땀, 물 등에 의해 습기 찬 작업복, 장갑, 구두 등을 착용하여도 이상 없다.
등록된 댓글이 없습니다.
14. 주철의 용접이 곤란한 이유 중 틀린 것은?
- ① 수축이 많고 균열이 일어나기 쉽다.
- ② 일산화탄소가 발생하여 용착금속에 기공이 생기기 쉽다.
- ③ 모재와 같은 용접봉이면 급냉시켜도 좋다.
- ④ 불순물 함유시 모재와 친화력이 떨어진다.
등록된 댓글이 없습니다.
15. 저항용접의 종류가 아닌 것은?
- ① 스폿 용접
- ② 심 용접
- ③ 업셋 맞대기 용접
- ④ 초음파 용접
등록된 댓글이 없습니다.
16. 이산화탄소 아크용접의 저전류 영역(약 200A 미만)에서 팁과 모재간의 거리는 약 몇 ㎜ 정도가 가장 적합한가?
- ① 5~10
- ② 10~15
- ③ 15~20
- ④ 20~25
등록된 댓글이 없습니다.
17. 용접법의 분류에서 압접에 해당되는 것은?
- ① 유도가열용접
- ② 전자빔용접
- ③ 일렉트로슬래그용접
- ④ MIG용접
등록된 댓글이 없습니다.
18. 가스용접 작업을 하려 한다. 연강판의 두께가 6㎜라고 할 때 용접봉의 지름으로 가장 적당한 것은?
- ① 2.0㎜
- ② 2.6㎜
- ③ 3.2㎜
- ④ 4.0㎜
등록된 댓글이 없습니다.
19. 용접봉 지름 1.0~1.6㎜, 용접 전류 30~45A 아크용접에 사용하는 차광유리의 차광도 번호는?
- ① 7
- ② 10
- ③ 12
- ④ 14
등록된 댓글이 없습니다.
20. 다음 그림에서 루트 간격(root opening)을 표시하는 것은?

- ① a
- ② b
- ③ c
- ④ d
등록된 댓글이 없습니다.
21. 용접순서를 결정하는 사항으로 틀린 것은?
- ① 같은 평면 안에 많은 이음이 있을 때에는 수축 은 되도록 자유단으로 보낸다.
- ② 중심에 대하여 항상 대칭으로 용접을 진행시킨다.
- ③ 수축이 작은 이음을 먼저 용접하고 큰 이음을 뒤에 용접한다.
- ④ 용접물의 중립축에 대하여 용접으로 인한 수축력 모멘트의 합이 0 이 되도록 한다.
등록된 댓글이 없습니다.
22. TIG 용접에서 텅스텐 전극봉은 가스노즐의 끝에서부터 몇 ㎜정도 도출시키는가?
- ① 1~2
- ② 3~6
- ③ 7~9
- ④ 10~12
등록된 댓글이 없습니다.
23. 피복아크 용접봉은 피복제가 연소한 후 생성된 물질이 용접부를 어떻게 보호하느냐에 따라 세 가지로 분류한다. 적합하지 않은 것은?
- ① 가스 발생식
- ② 합금 첨가식
- ③ 슬래그 생성식
- ④ 반가스 발생식
등록된 댓글이 없습니다.
24. 고압식 토치는 아세틸렌 가스의 사용 압력이 몇 kgf/㎠ 이상인가?
- ① 0.07
- ② 1
- ③ 1.3
- ④ 2
등록된 댓글이 없습니다.
25. 가스 가우징이나 치핑에 비교한 아크 에어 가우징의 장점이 아닌 것은?
- ① 작업 능률이 2~3배 높다.
- ② 장비 조작이 용이하다.
- ③ 가우징 작업시 소음이 심하다.
- ④ 활용 범위가 넓다.
등록된 댓글이 없습니다.
26. 스파크에 대해서 가장 주의해야 할 가스는?
- ① LPG
- ② CO2
- ③ He
- ④ O2
등록된 댓글이 없습니다.
27. 탄산가스 아크 용접의 특징설명으로 틀린 것은?
- ① 용착금속의 기계적 성질이 우수하다.
- ② 가시 아크이므로 시공이 편리하다.
- ③ 아르곤 가스에 비하여 가스 가격이 저렴하다.
- ④ 용입이 얕고 전류밀도가 매우 낮다.
등록된 댓글이 없습니다.
28. 반자동 용접(Co2용접)에서 용접전류와 전압을 높일 때의 특성 설명으로 옳은 것은?
- ① 용접전류가 높아지면 용착율과 용입이 감소한다.
- ② 아크전압이 높아지면 비드가 좁아진다.
- ③ 용접전류가 높아지면 와이어의 용융속도가 느려 진다.
- ④ 아크전압이 지나치게 높아지면 기포가 발생한다.
등록된 댓글이 없습니다.
29. 용접변형과 잔류응력을 경감시키는 방법을 틀리게 설명한 것은?
- ① 용접 전 변형 방지책으로는 역변형법을 쓴다.
- ② 용접시공에 의한 경감법으로는 대칭법, 후진법, 스킵법, 등이 쓰인다.
- ③ 모재의 열전도를 억제하여 변형을 방지하는 방법으로는 도열법을 쓴다.
- ④ 용접 금속부의 변형과 응력을 제거하는 방법으로 는 담금질을 한다.
등록된 댓글이 없습니다.
30. 전극봉을 직접 용가재로 사용하지 않는 것은?
- ① CO2 가스 아크용접
- ② TIG용접
- ③ 서브머지드 아크용접
- ④ 피복 아크 용접
등록된 댓글이 없습니다.
31. 피복아크용접에서 그림과 같은 방법으로 아크를 발생시키는 것은?

- ① 긁는법
- ② 찍는법
- ③ 접선법
- ④ 원주법
등록된 댓글이 없습니다.
32. 팁 끝이 모재에 닿는 순간 순간적으로 팁 끝이 막혀 팁 속에서 폭발음이 나면서 불꽃이 꺼졌다가 다시 나타나는 현상을 무엇이라 하는가?
- ① 역화
- ② 인화
- ③ 역류
- ④ 폭발
등록된 댓글이 없습니다.
33. 산소의 일반적인 성질에 대한 설명으로 틀린 것은?
- ① 무미, 무색, 무취의 기체이다.
- ② 스스로 연소하여 가연성가스라고 한다.
- ③ 금, 백금, 수은 등을 제외한 모든 원소와 화합시 산화물을 만든다.
- ④ 액체 산소는 보통 연한 청색을 띤다.
등록된 댓글이 없습니다.
34. TIG용접에서 직류정극성으로 용접할 때 전극 선단의 각도가 다음 중 몇 도 정도이면 가장 적합한가?
- ① 5~10˚
- ② 10~20˚
- ③ 30~50˚
- ④ 60~70˚
등록된 댓글이 없습니다.
35. 잔류응력을 경감시키기 위한 다음 설명 중 틀린 것은?
- ① 적당한 용착법과 용접순서를 선정할 것
- ② 용착금속의 양(量)을 될 수 있는 대로 증가시킬 것
- ③ 적당한 포지셔너(Positioner)를 이용할 것
- ④ 예열을 이용할 것
등록된 댓글이 없습니다.
36. 내식성 알루미늄 합금에서 부식균열을 방지하는 효과가 있는 원소는?
- ① 구리
- ② 니켈
- ③ 철
- ④ 크롬
등록된 댓글이 없습니다.
2과목 : 용접재료
37. 알루미늄 합금이 아닌 것은?
- ① 실루민
- ② Y합금
- ③ 초두랄루민
- ④ 모넬메탈
등록된 댓글이 없습니다.
38. 다음 냉각액 중 강을 담금질 할 때 정지상태에서 냉각효과가 가장 빠른 것은?
- ① 기름
- ② 소금물
- ③ 물
- ④ 비눗물
등록된 댓글이 없습니다.
39. 니켈강은 니켈에 소량의 탄소를 함유한 강으로 가열 후 공기 중에 방치하여도 담금질 효과를 나타내는데 이와 같은 현상을 무엇이라 하는가?
- ① 기경성(air hardening)
- ② 수경성(water hardening)
- ③ 유경성(oil hardening)
- ④ 고경성(solid hardening)
등록된 댓글이 없습니다.
40. 탄소 공구강의 구비조건으로 틀린 것은?
- ① 상온 및 고온경도가 낮아야 한다.
- ② 내마모성이 커야 한다.
- ③ 가공이 용이하고, 가격이 싸야 한다.
- ④ 열처리가 쉬워야 한다.
등록된 댓글이 없습니다.
41. 알루미늄의 특성을 설명한 것 중 틀린 것은?
- ① 가볍고 내식성이 좋다.
- ② 전기 및 열의 전도성이 좋다.
- ③ 해수에서도 부식되지 않는다.
- ④ 상온 및 고온 가공이 쉽다.
등록된 댓글이 없습니다.
42. 세라다이징이라는 금속 침투법은 어떤 금속을 침투시키는가?
- ① Zn
- ② Cr
- ③ Al
- ④ B
등록된 댓글이 없습니다.
43. 다음 중 화학적인 표면경화법이 아닌 것은?
- ① 침탄법
- ② 화염경화법
- ③ 금속침투법
- ④ 질화법
등록된 댓글이 없습니다.
44. 청동에 관한 설명으로 틀린 것은?
- ① 넓은 의미에서는 황동 이외의 구리 합금을 말한다.
- ② 부식에 잘 견디므로 밸브, 선박용판, 동상 등의 재료로 사용된다.
- ③ 좁은 의미로는 구리-아연 합금이다.
- ④ 황동보다 내식성과 내마모성이 좋다.
등록된 댓글이 없습니다.
45. 7:3 황동에 주석을 1%정도 첨가하여 탈아연 부식을 억제하고 내식성 및 내해수성을 증대시킨 특수황동은?
- ① 쾌삭황동
- ② 네이벌황동
- ③ 애드미럴티황동
- ④ 강력황동
등록된 댓글이 없습니다.
46. 주철의 일반적인 보수용접 방법이 아닌 것은?
- ① 덧살올림법
- ② 스터드법
- ③ 비녀장법
- ④ 버터링법
등록된 댓글이 없습니다.
47. 보통 주철의 일반적인 주요성분 중에 속하지 않는 원소는?
- ① 규소
- ② 아연
- ③ 망간
- ④ 탄소
등록된 댓글이 없습니다.
48. 프레스 성형성이 우수하고 표면이 미려하여, 치수가 정확하므로 제관, 차량, 냉장고, 전기기기 등의 제조 및 건설분야의 소재로 가장 많이 쓰이는 탄소강은?
- ① 냉간압연강판
- ② 열간압연강판
- ③ 일반구조용압연강
- ④ 탄소공구강
등록된 댓글이 없습니다.
49. 오스테나이트계 스테인리스강에 대한 설명 중 틀린 것은?
- ① 스테인리스강 중 내식성이 가장 높다.
- ② 비자성이다.
- ③ 용접이 비교적 잘되며, 가공성이 좋다.
- ④ 염산, 염소가스, 황산 등에 강하다.
등록된 댓글이 없습니다.
50. 탄소강에 12%-14% Cr을 첨가한 합금강은?
- ① 크롬-니켈계 스테인리스강
- ② 산화 스테인리스강
- ③ 질화 스테인리스강
- ④ 크롬계 스테인리스강
등록된 댓글이 없습니다.
3과목 : 기계제도
51. 치수 기입법에서 지름, 반지름, 구의 지름 및 반지름, 모따기, 두께 등을 표시할 때 사용되는 보조기호로 잘못된 것은?
- ① 두께 : D6
- ② 반지름 : R3
- ③ 모따기 : C3
- ④ 구의 지름 : S∅6
등록된 댓글이 없습니다.
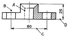
52. 보기 도면에서 A - D선의 용도에 의한 명칭으로 틀린 것은?

- ① A : 숨은선
- ② B : 중심선
- ③ C : 치수선
- ④ D : 지시선
등록된 댓글이 없습니다.
53. 보기의 제3각 정투상도에 가장 적합한 입체도는?

- ①

- ②

- ③

- ④

등록된 댓글이 없습니다.
54. KS 재료기호 중 기계구조용 탄소강재의 기호는?
- ① SM 35 C
- ② SS 490 B
- ③ SF 340 A
- ④ STKM 20 A
등록된 댓글이 없습니다.
55. 보기와 같이 제 3각법으로 정투상한 도면의 입체도로 가장 적합한 것은?

- ①

- ②

- ③

- ④

등록된 댓글이 없습니다.
56. 도면에서 비례척이 아님을 나타내는 기호는?
- ① NS
- ② NPS
- ③ NT
- ④ PQ
등록된 댓글이 없습니다.
57. 경사면부가 있는 대상물에서 그 경사면의 실형을 나타낼 필요가 있는 경우에 그리는 투상도로 가장 적합한 것은?
- ① 보조 투상도
- ② 부분 투상도
- ③ 국부 투상도
- ④ 회전 투상도
등록된 댓글이 없습니다.
58. 다음 보기의 입체도에서 화살표 방향이 정면일 때 평면도로 가장 적합한 것은? (단, 밑면의 홈은 모두 관통하는 홈임)

- ①

- ②

- ③

- ④

등록된 댓글이 없습니다.
59. 다음 용접기호 중에서 병렬연속 용접기호는?
- ①

- ②

- ③

- ④

등록된 댓글이 없습니다.
60. 제 3각법으로 정투상한 보기와 같은 각뿔의 전개도 형상으로 적합한 것은?

- ①

- ②

- ③

- ④

등록된 댓글이 없습니다.